Mô tả sản phẩm
Đầu Nối Nhanh Khí Nén Xanh Phi 12 mm 1/2″ CDC MPC 1204: Giải Pháp Kết Nối Linh Hoạt Và Hiệu Quả
Trong các hệ thống khí nén đòi hỏi sự kết nối linh hoạt giữa ống có đường kính lớn và các cổng ren phổ biến, sản phẩm Đầu Nối Nhanh Khí Nén CDC MPC 1204 là một lựa chọn đáng tin cậy. Thuộc dòng M-One-Touch Fittings của CDC Pneumatics (Hàn Quốc), MPC 1204 được thiết kế để kết nối ống khí nén phi 12mm với các cổng ren 1/2″. Với khả năng lắp đặt và tháo rời nhanh chóng bằng một chạm, cùng thiết kế thẳng nhỏ gọn, đầu nối này đảm bảo hiệu suất và độ tin cậy cao, đặc biệt hữu ích trong việc tối ưu hóa không gian và truyền tải lưu lượng khí tương đối lớn.

1. Giới thiệu chung về Đầu Nối Nhanh Khí Nén CDC MPC 1204
Đầu nối nhanh khí nén model MPC 1204 của CDC được thiết kế để sử dụng trong các hệ thống đường ống khí nén. Sản phẩm này cho phép kết nối nhanh chóng và chắc chắn ống khí nén có đường kính ngoài 12mm với cổng ren 1/2″. Đây là một sự kết hợp phổ biến, giúp tích hợp đường khí nén 12mm vào các thiết bị hoặc van có cổng ren 1/2″, tối ưu hóa việc truyền tải lưu lượng khí. Đặc biệt, loại PC (như MPC 1204) có thiết kế hình lục giác ở cả mặt trong và ngoài, giúp việc lắp đặt và tháo gỡ dễ dàng ngay cả trong không gian hạn chế.
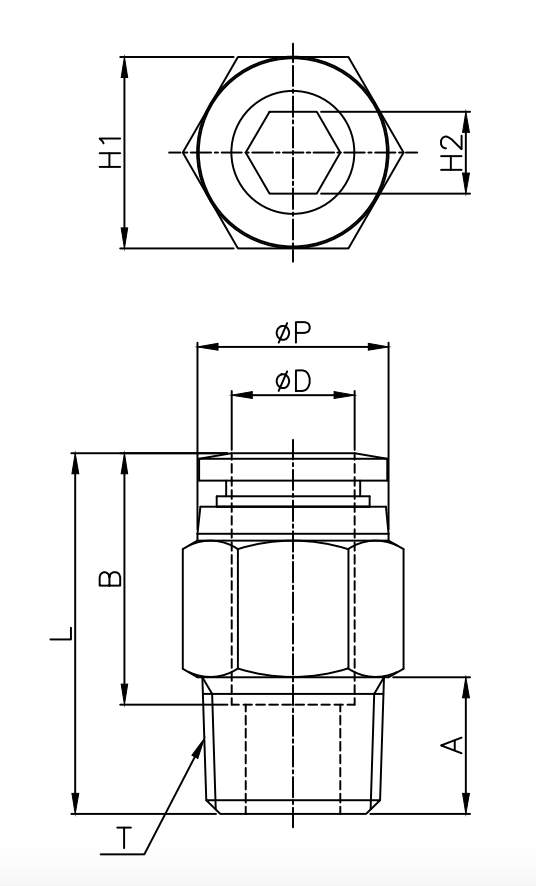
2. Thông số kỹ thuật chi tiết của CDC MPC 1204

| Thông số | Giá trị (MPC 1204) |
| Model | MPC1204 |
| Đường kính ống áp dụng (øD) | 12 mm |
| Kích thước ren (T) | R 1/2″ |
| Loại | Đầu nối thẳng (Male Straight) |
| Vật liệu thân | Đồng thau (Brass) |
| Vật liệu ống giữ/cổ áo (Release Sleeve/Collar) | PA66 |
| Vật liệu vòng đệm (Seal) | NBR (Cao su Nitrile Butadiene) |
| Vật liệu kẹp giữ (Lock Claw) | SUS (Thép không gỉ) |
| Chiều dài tổng (L) | 34.4 mm (Thông số từ dữ liệu của bạn, có thể cần hình vẽ kỹ thuật riêng để xác nhận A, B, H1/H2, Orifice) |
| Kích thước A | 12 mm (Ước tính theo tỷ lệ so với MPC1004) |
| Kích thước B | 25.4 mm (Ước tính theo tỷ lệ so với MPC1004) |
| Kích thước lục giác (H1/H2) | 17 / 19 mm (Ước tính, cần kiểm tra lại chính xác) |
| Đường kính trong (Orifice) | 10 mm (Ước tính, cần kiểm tra lại chính xác) |
| Trọng lượng (g) | 48 g (Ước tính, các mã này thường có trọng lượng tương đối) |
| Số lượng/hộp | 50 (Ước tính, các mã lớn hơn thường có số lượng ít hơn trong hộp) |
| Chất lỏng áp dụng | KHÍ NÉN (AIR) |
| Phạm vi áp suất làm việc | 0 ~ 290 PSI (0 ~ 20 Kgf/cm² / 0~2000 KPa) |
| Áp suất âm | -29.5 in Hg (-750 mmHg / -750 Torr) |
| Phạm vi nhiệt độ làm việc | -4℉ ~ 176℉ (-20 ~ 80℃) |
| Danh mục | M-ONE-TOUCH FITTINGS |
3. Vật liệu và Cấu tạo của Đầu Nối Nhanh Khí Nén CDC MPC 1204
Đầu nối nhanh CDC MPC 1204 được cấu tạo từ các vật liệu chất lượng cao, đảm bảo độ bền và hiệu quả hoạt động:
- Thân (Body): Được làm từ đồng thau (Brass), mang lại khả năng chống ăn mòn tốt và độ bền cơ học cao.
- Ống giữ (Release Sleeve) và Cổ áo (Collar): Làm từ PA66, một loại Nylon có độ cứng và khả năng chịu mài mòn tốt.
- Kẹp giữ (Lock Claw): Bằng thép không gỉ (SUS), đảm bảo giữ ống chắc chắn và bền bỉ theo thời gian.
- Vòng đệm lưng (Back Ring): Bằng POM (Polyoxymethylene), giúp định vị và hỗ trợ.
- Phớt (Seal): Bằng NBR (Cao su Nitrile Butadiene), cung cấp khả năng làm kín vượt trội, chống rò rỉ khí hiệu quả.
- Đầu nối còn có keo bịt kín được bôi sẵn (Pre-applied sealant) ở phần ren, giúp tăng cường khả năng làm kín và dễ dàng lắp đặt.

4. Ưu nhược điểm nổi bật của Đầu Nối Nhanh CDC MPC 1204
Ưu điểm:
- Khả năng truyền tải lưu lượng khí tốt: Đường kính ống 12mm phù hợp cho nhiều ứng dụng cần lưu lượng khí vừa đến lớn.
- Lắp đặt và tháo rời dễ dàng: Tính năng “một chạm” giúp việc lắp đặt và tháo ống trở nên cực kỳ nhanh chóng và tiện lợi, không cần dùng dụng cụ.
- Kết nối đáng tin cậy: Đảm bảo kết nối chắc chắn và kín khí, hạn chế tối đa rò rỉ, giúp hệ thống hoạt động ổn định.
- Vật liệu bền bỉ: Được chế tạo từ đồng thau, thép không gỉ và các vật liệu polymer chất lượng cao, mang lại tuổi thọ lâu dài và khả năng chống ăn mòn.
- Phạm vi nhiệt độ và áp suất rộng: Hoạt động ổn định trong dải áp suất từ $0 sim 290$ PSI và nhiệt độ từ $-20 sim 80^circ C$, phù hợp với nhiều môi trường công nghiệp.
Nhược điểm:
- Chỉ dùng cho khí nén: Không áp dụng cho các loại chất lỏng khác hoặc nước.
- Cần cắt ống chính xác: Việc cắt ống không vuông góc hoặc có bavia có thể ảnh hưởng đến khả năng làm kín của đầu nối.
5. Hướng dẫn lắp đặt và sử dụng Đầu Nối Nhanh Khí Nén MPC 1204 hiệu quả
Lắp đặt:
- Chuẩn bị ống: Sử dụng dao cắt ống chuyên dụng để cắt ống khí nén phi 12mm vuông góc và loại bỏ mọi bavia ở mặt cắt, đảm bảo bề mặt nhẵn mịn để kết nối kín.
- Kết nối ống: Đẩy mạnh và dứt khoát ống vào đầu nối nhanh MPC 1204 cho đến khi ống chạm vào đáy và được kẹp chặt. Kiểm tra bằng cách kéo nhẹ ống để đảm bảo ống đã được giữ chắc chắn.
- Lắp đặt vào cổng ren: Vặn phần ren 1/2″ của đầu nối vào cổng ren tương ứng trên thiết bị hoặc hệ thống khí nén. Keo bịt kín sẵn (Pre-applied sealant) sẽ giúp việc làm kín dễ dàng hơn.
Sử dụng và Bảo trì:
- Đảm bảo hệ thống khí nén hoạt động trong dải áp suất ($0 sim 290$ PSI) và nhiệt độ ($-20 sim 80^circ C$) cho phép của đầu nối.
- Kiểm tra định kỳ các mối nối để phát hiện sớm các dấu hiệu rò rỉ khí hoặc hư hỏng.
- Khi tháo ống, chỉ cần đẩy vòng nhả (release sleeve) vào và kéo ống ra. Không dùng lực mạnh hoặc dụng cụ để tháo ống.
6. Ứng dụng thực tế của Đầu Nối Nhanh CDC MPC 1204 trong công nghiệp
Đầu nối nhanh CDC MPC 1204 được ứng dụng rộng rãi trong nhiều lĩnh vực công nghiệp nhờ khả năng kết nối hiệu quả và độ bền cao:
- Kết nối các đường ống khí nén phi 12mm với các thiết bị hoặc hệ thống có cổng ren 1/2″, lý tưởng cho các ứng dụng cần truyền tải lưu lượng khí lớn hơn.
- Ứng dụng trong các hệ thống khí nén của máy móc sản xuất, dây chuyền tự động hóa, nơi cần cấp khí nén ổn định.
- Hệ thống phân phối khí nén trong các nhà máy, xưởng sản xuất.
- Kết nối các xy lanh khí nén công nghiệp, van điều khiển lưu lượng.
- Trong các ngành công nghiệp như sản xuất, chế biến, nơi yêu cầu độ bền và khả năng chịu tải của đường ống.

7. So sánh Đầu Nối Nhanh CDC MPC với các dòng đầu nối khác
Dòng MPC (PC type) là một trong nhiều loại đầu nối nhanh của CDC. Dưới đây là bảng so sánh chung về các loại đầu nối nhanh để bạn có cái nhìn tổng quan:
| Tính năng | Đầu Nối Dạng PC (Thẳng, ren ngoài) | Đầu Nối Dạng PL (Co góc 90°, ren ngoài) | Đầu Nối Dạng PT (Tee, ren ngoài) | Đầu Nối Dạng PB (Cút góc 90°, 2 đầu ống) |
|---|---|---|---|---|
| Thiết kế | Thẳng, ren ngoài | Co góc 90°, ren ngoài, có thể xoay | Dạng chữ T, ren ngoài, có thể xoay | Co góc 90°, 2 đầu nối ống |
| Không gian | Hiệu quả cho không gian hẹp (lục giác trong/ngoài) | Linh hoạt khi đổi hướng, có thể xoay | Linh hoạt khi chia nhánh, có thể xoay | Kết nối 2 ống tại góc 90 độ |
| Lắp đặt | Dễ dàng lắp đặt/tháo gỡ bằng một chạm. | Dễ dàng lắp đặt/tháo gỡ bằng một chạm. | Dễ dàng lắp đặt/tháo gỡ bằng một chạm. | Dễ dàng lắp đặt/tháo gỡ bằng một chạm. |
| Ứng dụng chính | Kết nối thẳng ống với cổng ren | Đổi hướng đường ống góc 90 độ, kết nối với cổng ren | Chia nhánh đường ống, kết nối với cổng ren | Kết nối hai đoạn ống tại góc 90 độ |
8. FAQ – Câu hỏi thường gặp về Đầu Nối Nhanh CDC MPC 1204
- “Đầu nối MPC 1204 có dùng được cho ống khí nén phi 10mm không?”
- Không. Đầu nối MPC 1204 được thiết kế chuyên biệt cho ống khí nén có đường kính ngoài 12mm. Để sử dụng cho ống phi 10mm với ren 1/2″, bạn cần chọn mã MPC1004.
- “Kích thước ren 1/2″ trên đầu nối này có ý nghĩa gì trong hệ thống khí nén?”
- Ren 1/2″ là một kích thước ren phổ biến cho các thiết bị, van hoặc xy lanh lớn, thường được sử dụng trong các hệ thống khí nén công nghiệp đòi hỏi lưu lượng lớn. Việc sử dụng đầu nối có ren này giúp bạn dễ dàng kết nối các đường ống khí nén 12mm vào các cổng tiêu chuẩn lớn, đảm bảo truyền tải khí hiệu quả.
- “Làm thế nào để biết khi nào cần thay thế đầu nối?”
- Các dấu hiệu cần thay thế bao gồm: rò rỉ khí tại mối nối ống hoặc ren, ống bị tuột ra dễ dàng dù đã đẩy chặt, phần nhựa (release sleeve) bị nứt hoặc biến dạng, hoặc thân đầu nối có dấu hiệu ăn mòn, hư hỏng vật lý nghiêm trọng.
- “Đầu nối này có thể chịu được rung động và sốc trong quá trình vận hành không?”
- Đầu nối CDC được thiết kế để hoạt động bền bỉ trong môi trường công nghiệp. Kẹp giữ bằng thép không gỉ giúp giữ ống chắc chắn ngay cả khi có rung động. Tuy nhiên, trong các ứng dụng có rung động và sốc mạnh liên tục, nên cân nhắc sử dụng thêm các biện pháp cố định ống hoặc đầu nối để tăng cường độ bền và an toàn.
- “Màu xanh của đầu nối có ý nghĩa gì về chất liệu hay tính năng không?”
- Màu xanh là màu sắc đặc trưng của dòng sản phẩm đầu nối nhanh của CDC Pneumatics, giúp dễ dàng nhận diện thương hiệu. Về chất liệu, phần thân chính được làm từ đồng thau, còn phần ống giữ (release sleeve) màu xanh được làm từ PA66 (Nylon), một vật liệu bền và nhẹ. Màu sắc không liên quan trực tiếp đến khả năng chịu áp suất hay nhiệt độ mà chỉ mang tính nhận diện.
9. Kết luận
Đầu Nối Nhanh Khí Nén Xanh Phi 12 mm 1/2″ CDC MPC 1204 là một thành phần quan trọng, cung cấp giải pháp kết nối hiệu quả và bền vững cho các hệ thống khí nén. Với khả năng kết nối ống 12mm với cổng ren 1/2″ một cách nhanh chóng và đáng tin cậy, cùng với thiết kế chắc chắn và khả năng chịu được điều kiện làm việc khắc nghiệt, sản phẩm này tối ưu hóa hiệu suất và sự tiện lợi trong mọi ứng dụng công nghiệp.
Cần đầu nối nhanh khí nén phi 12mm ren 1/2″ chất lượng? Hãy chọn CDC MPC 1204!
10. Mua đầu nối nhanh khí nén giá rẻ chính hãng ở đâu?
Ưu tiên mua tại website sàn thương mại điện tử Mecsu.vn
Để đảm bảo mua được đầu nối nhanh khí nén CDC MPC 1204 chính hãng, hãy đặt hàng tại Mecsu.vn.
- Sản phẩm chính hãng, chất lượng đảm bảo.
- Mua sắm online tiện lợi, nhanh chóng.
- Giao hàng tận nơi trên toàn quốc.
- Hỗ trợ tư vấn chuyên nghiệp.
Link sản phẩm tại Mecsu.vn: https://mecsu.vn/ca/786004
Hotline: 1800 8137
Email: [email protected]
Xem thêm nhiều loại đầu nối nhanh khí nén khác
















Đánh giá
Chưa có đánh giá nào.