Mô tả sản phẩm
Đầu Nối Nhanh Khí Nén Xanh Phi 12 mm 1/8″ CDC MPC 1201: Giải Pháp Độc Đáo Cho Kết Nối Ống Lớn Với Cổng Ren Nhỏ
Trong các hệ thống khí nén đặc thù, khi cần kết nối một đường ống có đường kính lớn (phi 12mm) vào một cổng ren rất nhỏ (1/8″), sản phẩm Đầu Nối Nhanh Khí Nén CDC MPC 1201 là một lựa chọn đáng cân nhắc. Thuộc dòng M-One-Touch Fittings của CDC Pneumatics (Hàn Quốc), MPC 1201 được thiết kế chuyên biệt để kết nối ống khí nén phi 12mm với các cổng ren 1/8″. Với khả năng lắp đặt và tháo rời nhanh chóng bằng một chạm, cùng thiết kế thẳng nhỏ gọn, đầu nối này đảm bảo hiệu suất và độ tin cậy cao, phù hợp cho những ứng dụng đòi hỏi sự tích hợp kích thước đặc biệt và tiết kiệm không gian.

1. Giới thiệu chung về Đầu Nối Nhanh Khí Nén CDC MPC 1201
Đầu nối nhanh khí nén model MPC 1201 của CDC được thiết kế để sử dụng trong các hệ thống đường ống khí nén. Sản phẩm này cho phép kết nối nhanh chóng và chắc chắn ống khí nén có đường kính ngoài 12mm với cổng ren 1/8″. Đây là một sự kết hợp khá đặc biệt, giúp tích hợp đường khí nén 12mm vào các thiết bị hoặc van có cổng ren cực kỳ nhỏ, tối ưu hóa không gian. Đặc biệt, loại PC (như MPC 1201) có thiết kế hình lục giác ở cả mặt trong và ngoài, giúp việc lắp đặt và tháo gỡ dễ dàng ngay cả trong không gian hẹp.
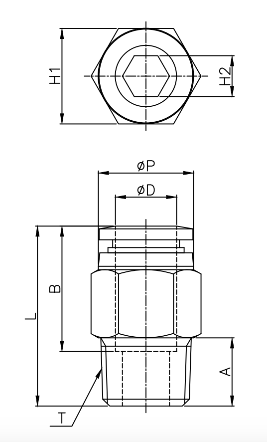
2. Thông số kỹ thuật chi tiết của CDC MPC 120

| Thông số | Giá trị (MPC 1201) |
| Model | MPC 1201 |
| Đường kính ống áp dụng (øD) | 12 mm |
| Kích thước ren (T) | R 1/8″ |
| Loại | Đầu nối thẳng (Male Straight) |
| Vật liệu thân | Đồng thau (Brass) |
| Vật liệu kẹp/cổ áo | PA66 |
| Vật liệu vòng đệm | NBR (Cao su Nitrile Butadiene) |
| Vật liệu kẹp giữ | SUS (Thép không gỉ) |
| Chiều dài tổng (L) | 28.5 mm |
| Kích thước A | 12 mm |
| Kích thước B | 22.5 mm |
| Kích thước lục giác (H1/H2) | 12 / 17 mm |
| Đường kính trong (øP) | 16 mm |
| Trọng lượng (EA) | 19.5 g |
| Số lượng/hộp | 50 |
| Chất lỏng áp dụng | KHÍ NÉN (AIR) |
| Phạm vi áp suất làm việc | 0 ~ 290 PSI (0 ~ 20 Kgf/cm² / 0~2000 KPa) |
| Áp suất âm | -29.5 in Hg (-750 mmHg / -750 Torr) |
| Phạm vi nhiệt độ làm việc | -4℉ ~ 176℉ (-20 ~ 80℃) |
| Danh mục | M-ONE-TOUCH FITTINGS |
3. Vật liệu và Cấu tạo của Đầu Nối Nhanh Khí Nén CDC MPC 1201
Đầu nối nhanh CDC MPC 1201 được cấu tạo từ các vật liệu chất lượng cao, đảm bảo độ bền và hiệu quả hoạt động:
- Thân (Body): Được làm từ đồng thau (Brass), mang lại khả năng chống ăn mòn tốt và độ bền cơ học cao.
- Ống giữ (Release Sleeve) và Cổ áo (Collar): Làm từ PA66, một loại Nylon có độ cứng và khả năng chịu mài mòn tốt.
- Kẹp giữ (Lock Claw): Bằng thép không gỉ (SUS), đảm bảo giữ ống chắc chắn và bền bỉ theo thời gian.
- Vòng đệm lưng (Back Ring): Bằng POM (Polyoxymethylene), giúp định vị và hỗ trợ.
- Phớt (Seal): Bằng NBR (Cao su Nitrile Butadiene), cung cấp khả năng làm kín vượt trội, chống rò rỉ khí hiệu quả.
- Đầu nối còn có keo bịt kín được bôi sẵn (Pre-applied sealant) ở phần ren, giúp tăng cường khả năng làm kín và dễ dàng lắp đặt.


4. Ưu nhược điểm nổi bật của Đầu Nối Nhanh CDC MPC 1201
Ưu điểm:
- Lắp đặt và tháo rời dễ dàng: Tính năng “một chạm” giúp việc lắp đặt và tháo ống trở nên cực kỳ nhanh chóng và tiện lợi, không cần dùng dụng cụ.
- Tiết kiệm không gian: Với thiết kế hình lục giác ở cả mặt trong và ngoài, loại PC như MPC 1201 rất hiệu quả khi đi dây trong các không gian chật hẹp.
- Kết nối đặc biệt: Cho phép kết nối ống phi 12mm vào cổng ren 1/8″, giải quyết nhu cầu tích hợp các kích thước khác nhau trong không gian hạn chế.
- Kết nối đáng tin cậy: Đảm bảo kết nối chắc chắn và kín khí, hạn chế tối đa rò rỉ, giúp hệ thống hoạt động ổn định.
- Vật liệu bền bỉ: Được chế tạo từ đồng thau, thép không gỉ và các vật liệu polymer chất lượng cao, mang lại tuổi thọ lâu dài và khả năng chống ăn mòn.
- Phạm vi nhiệt độ và áp suất rộng: Hoạt động ổn định trong dải áp suất từ 0 đến 290 PSI và nhiệt độ từ -20 đến 80℃, phù hợp với nhiều môi trường công nghiệp.
Nhược điểm:
- Chỉ dùng cho khí nén: Không áp dụng cho các loại chất lỏng khác hoặc nước.
- Cần cắt ống chính xác: Việc cắt ống không vuông góc hoặc có bavia có thể ảnh hưởng đến khả năng làm kín của đầu nối.
- Lưu lượng khí hạn chế ở cổng ren: Dù ống 12mm có lưu lượng lớn, cổng ren 1/8″ có thể là điểm nghẽn nếu hệ thống yêu cầu lưu lượng khí cực lớn qua cổng ren.
5. Hướng dẫn lắp đặt và sử dụng Đầu Nối Nhanh Khí Nén MPC 1201 hiệu quả
Lắp đặt:
- Chuẩn bị ống: Sử dụng dao cắt ống chuyên dụng để cắt ống khí nén phi 12mm vuông góc và loại bỏ mọi bavia ở mặt cắt, đảm bảo bề mặt nhẵn mịn để kết nối kín.
- Kết nối ống: Đẩy mạnh và dứt khoát ống vào đầu nối nhanh MPC 1201 cho đến khi ống chạm vào đáy và được kẹp chặt. Kiểm tra bằng cách kéo nhẹ ống để đảm bảo ống đã được giữ chắc chắn.
- Lắp đặt vào cổng ren: Vặn phần ren 1/8″ của đầu nối vào cổng ren tương ứng trên thiết bị hoặc hệ thống khí nén. Keo bịt kín sẵn (Pre-applied sealant) sẽ giúp việc làm kín dễ dàng hơn.
Sử dụng và Bảo trì:
- Đảm bảo hệ thống khí nén hoạt động trong dải áp suất (0 ~ 290 PSI) và nhiệt độ (-20 ~ 80℃) cho phép của đầu nối.
- Kiểm tra định kỳ các mối nối để phát hiện sớm các dấu hiệu rò rỉ khí hoặc hư hỏng.
- Khi tháo ống, chỉ cần đẩy vòng nhả (release sleeve) vào và kéo ống ra. Không dùng lực mạnh hoặc dụng cụ để tháo ống.
6. Ứng dụng thực tế của Đầu Nối Nhanh CDC MPC 1201 trong công nghiệp
Đầu nối nhanh CDC MPC 1201 được ứng dụng rộng rãi trong nhiều lĩnh vực công nghiệp nhờ khả năng kết nối hiệu quả và độ bền cao:
- Kết nối các đường ống khí nén phi 12mm với các thiết bị hoặc hệ thống có cổng ren 1/8″, giải quyết nhu cầu tích hợp kích thước đặc biệt.
- Ứng dụng trong các thiết bị và máy móc khí nén như robot công nghiệp, máy in, máy đóng gói, nơi cần truyền tải khí qua ống lớn nhưng không gian cổng ren hạn chế.
- Hệ thống điều khiển khí nén trong ngành sản xuất điện tử, dệt may, thực phẩm, nơi cần linh hoạt về kích thước kết nối.
- Kết nối các dụng cụ khí nén cầm tay, súng hơi, máy bơm hơi.
- Trong các bảng điều khiển, tủ điện nơi không gian lắp đặt bị giới hạn nghiêm ngặt.

7. So sánh Đầu Nối Nhanh CDC MPC với các dòng đầu nối khác
Dòng MPC (PC type) là một trong nhiều loại đầu nối nhanh của CDC. Dưới đây là bảng so sánh chung về các loại đầu nối nhanh để bạn có cái nhìn tổng quan:
| Tính năng | Đầu Nối Dạng PC (Thẳng, ren ngoài) | Đầu Nối Dạng PL (Co góc 90°, ren ngoài) | Đầu Nối Dạng PT (Tee, ren ngoài) | Đầu Nối Dạng PB (Cút góc 90°, 2 đầu ống) |
|---|---|---|---|---|
| Thiết kế | Thẳng, ren ngoài | Co góc 90°, ren ngoài, có thể xoay | Dạng chữ T, ren ngoài, có thể xoay | Co góc 90°, 2 đầu nối ống |
| Không gian | Hiệu quả cho không gian hẹp (lục giác trong/ngoài) | Linh hoạt khi đổi hướng, có thể xoay | Linh hoạt khi chia nhánh, có thể xoay | Kết nối 2 ống tại góc 90 độ |
| Lắp đặt | Dễ dàng lắp đặt/tháo gỡ bằng một chạm. | Dễ dàng lắp đặt/tháo gỡ bằng một chạm. | Dễ dàng lắp đặt/tháo gỡ bằng một chạm. | Dễ dàng lắp đặt/tháo gỡ bằng một chạm. |
| Ứng dụng chính | Kết nối thẳng ống với cổng ren | Đổi hướng đường ống góc 90 độ, kết nối với cổng ren | Chia nhánh đường ống, kết nối với cổng ren | Kết nối hai đoạn ống tại góc 90 độ |
8. FAQ – Câu hỏi thường gặp về Đầu Nối Nhanh CDC MPC 1201
- “Đầu nối MPC 1201 có dùng được cho ống khí nén phi 8mm không?”
- Không. Đầu nối MPC 1201 được thiết kế chuyên biệt cho ống khí nén có đường kính ngoài 12mm. Để sử dụng cho ống phi 8mm với ren 1/8″, bạn cần chọn model MPC tương ứng như MPC0801.
- “Tại sao cần dùng ống 12mm với ren 1/8″?”
- Sự kết hợp này thường được sử dụng trong các tình huống đặc biệt, ví dụ khi bạn cần truyền tải lưu lượng khí tương đối lớn qua một đường ống 12mm, nhưng thiết bị đích chỉ có cổng ren 1/8″ và không gian lắp đặt rất hạn chế. Đây là giải pháp tối ưu cho việc tích hợp các hệ thống có tiêu chuẩn kích thước khác nhau.
- “Đầu nối này có thể dùng trong các hệ thống nước không?”
- Không. Sản phẩm này được thiết kế và sản xuất chuyên biệt cho ứng dụng khí nén (AIR). Việc sử dụng cho nước hoặc các loại chất lỏng khác có thể làm giảm hiệu suất làm kín, gây rò rỉ hoặc làm hỏng đầu nối.
- “Có cần kiểm tra áp suất sau khi lắp đặt không?”
- Có. Sau khi lắp đặt bất kỳ đầu nối nào trong hệ thống khí nén, luôn khuyến nghị kiểm tra rò rỉ bằng cách phun nước xà phòng hoặc sử dụng thiết bị phát hiện rò rỉ khí. Điều này đảm bảo an toàn và hiệu quả hoạt động của hệ thống.
- “Tuổi thọ của đầu nối CDC MPC 1201 là bao lâu?”
- Tuổi thọ của đầu nối phụ thuộc vào nhiều yếu tố như tần suất sử dụng, điều kiện môi trường (nhiệt độ, độ ẩm, hóa chất), chất lượng khí nén (có lẫn tạp chất, dầu hay không), và việc bảo trì. Tuy nhiên, với vật liệu chất lượng cao và thiết kế bền bỉ, đầu nối CDC MPC 1201 có thể hoạt động hiệu quả trong nhiều năm dưới điều kiện vận hành bình thường.
9. Kết luận
Đầu Nối Nhanh Khí Nén Xanh Phi 12 mm 1/8″ CDC MPC 1201 là một giải pháp kết nối chuyên biệt và hiệu quả cho các hệ thống khí nén, đặc biệt khi cần kết nối ống 12mm với các cổng ren nhỏ. Với khả năng kết nối nhanh chóng, thiết kế bền bỉ và dễ dàng lắp đặt, sản phẩm này đảm bảo hoạt động ổn định và tối ưu hóa quy trình lắp đặt, bảo trì, ngay cả trong những ứng dụng đòi hỏi sự tích hợp kích thước đặc biệt.
Cần đầu nối nhanh khí nén phi 12mm ren 1/8″ chất lượng? Hãy chọn CDC MPC 1201!
10. Mua đầu nối nhanh khí nén giá rẻ chính hãng ở đâu?
Ưu tiên mua tại website sàn thương mại điện tử Mecsu.vn
Để đảm bảo mua được đầu nối nhanh khí nén CDC MPC 1201 chính hãng, hãy đặt hàng tại Mecsu.vn.
- Sản phẩm chính hãng, chất lượng đảm bảo.
- Mua sắm online tiện lợi, nhanh chóng.
- Giao hàng tận nơi trên toàn quốc.
- Hỗ trợ tư vấn chuyên nghiệp.
Link sản phẩm tại Mecsu.vn: https://mecsu.vn/ca/785998
Hotline: 1800 8137
Email: [email protected]
Xem thêm nhiều loại đầu nối nhanh khí nén khác
















Đánh giá
Chưa có đánh giá nào.