Mô tả sản phẩm
Thông tin CHUYÊN SÂU về Vòng Bi Cầu Rãnh Sâu SKF 6207-Z (35x72x17) Nắp Chắn Thép (Một Bên)
Mục Lục
- 1. Vòng Bi SKF 6207-Z Là Gì? – Giải Thích Chuyên Sâu
- 2. Thông Số Kỹ Thuật Chi Tiết Của Vòng Bi Cầu SKF 6207-Z
- 3. Cấu hình Chi Tiết Vòng Bi SKF 6207-Z
- 4. Phân Tích Chuyên Sâu: Ký Hiệu Z của SKF 6207-Z
- 5. Ưu và nhược điểm của Vòng bi SKF 6207-Z
- 6. Ứng dụng Thực Tế của Vòng Bi SKF 6207-Z
- 7. Hướng dẫn cài đặt và gỡ bỏ SKF 6207-Z
- 8. So Sánh Vòng Bi 6207-Z với Các Loại 6207 Khác
- 9. Cách Phân Biệt Vòng Bi SKF 6207-Z Thật – Giả – Lời Khuyên Từ Chuyên Gia Mecsu
- 10. Giá Bán & Gợi Ý Mua Vòng Bi SKF 6207-Z Chính Hãng Tại TP.HCM
- 11. Câu hỏi thường gặp về Vòng Bi SKF 6207-Z
- 12. Liên Hệ và Hỗ Trợ Tư Vấn Vòng Bi SKF
- 13. Thông Tin Bổ Sung & Kinh nghiệm Thực Tế Từ Mecsu
1. Vòng Bi SKF 6207-Z Là Gì? – Giải Thích Chuyên Sâu
Vòng bi cầu rãnh sâu SKF 6207-Z là một vòng hai chiều sâu có thể biến đổi, được thiết kế để cung cấp sự cân bằng giữa khả năng bảo vệ và hiệu suất tốc độ cao. Mã “6207” chỉ định kích thước cơ sở với đường kính trong (d) 35mm, đường kính ngoài (D) 72mm và chiều dày (B) 17mm.
Điểm khác biệt chính của sản phẩm này nằm ở hậu tố “-Z”:
- “-Z”: Cho biết vòng bi được trang bị một dây thép (khiên) ở một bên. Tấm chắn này tạo ra một khe hở nhỏ ở vòng trong, giúp ngăn chặn bụi bẩn và các hạt lớn xâm nhập vào vòng bi. Loại sản phẩm thép “không tiếp xúc” này giúp duy trì ma sát cực thấp, cho phép vòng bi đạt được tốc độ quay cực cao (tốc độ giới hạn 13 000 r/min). Đặc điểm “Z” chỉ ra rằng một mặt của vòng bi được bảo vệ, trong khi mặt còn lại để đóng (mở), cho phép bôi trơn từ bên ngoài khi cần hoặc sử dụng trong hệ thống có lượng dầu liên tục.
- “CN”: Vòng bi này có khe hở hướng tâm tiêu chuẩn (Giải phóng mặt bằng thông thường). Điều này phù hợp cho hầu hết các ứng dụng thông thường, nơi không có yêu cầu đặc biệt về nhiệt độ cao hoặc gắn chặt.
SKF 6207-Z là một lựa chọn lý tưởng cho các ứng dụng Yêu cầu tốc độ quay cao, ma sát thấp và khả năng bảo vệ một phần khỏi bụi bẩn, đồng thời cho phép bôi trơn từ một bên hoặc sử dụng trong môi trường có hệ thống bôi trơn tổng hợp. Chỉ cần có một dây thép và không thể mua mỡ sẵn từ nhà máy (Chất bôi trơn: Không có), nó yêu cầu hệ thống bôi trơn bên ngoài hoặc phải được tra mỡ thủ công trong quá trình lắp đặt.
2. Thông Số Kỹ Thuật Chi Tiết Của Vòng Bi Cầu SKF 6207-Z
d: Đường kính trong
D: Đường kính ngoài
B: Bề dày
C: Tải cơ sở dữ liệu danh sách
C0: Tải danh sách cơ sở dữ liệu tĩnh
Pu: Giới hạn tải mệt mỏi
| Thông số | Giá trị |
|---|---|
| Mã sản phẩm | 6207-Z |
| Loại vòng bi | Vòng Bi Cầu Rãnh Sâu (Vòng Bi Rãnh Sâu) |
| Đường kính trong (d) | 35 mm |
| Đường kính ngoài (D) | 72 mm |
| Bề dày (B) | 17 mm |
| Tải cơ sở dữ liệu danh sách (C) | 27 kN |
| Tải quan trọng cơ sở dữ liệu danh sách (C0) | 15,3 kN |
| Tốc độ tham khảo | 20 000 vòng/phút |
| Tốc độ giới hạn | 13 000 vòng/phút |
| Thế hệ khả năng làm việc cao của SKF | SKF Explorer |
| Rãnh tra bi | Không có |
| Số dòng | 1 |
| Phương tiện để định vị, vòng ngoài của vòng bi | Không có |
| Loại lỗ | Hình trụ |
| Vòng cách | Thép tấm (Sheet metal) |
| Kiểu gắn cặp | Không |
| Khe khe trong hướng kính | CN (Tiêu chuẩn) |
| Vật liệu, vòng bi | Thép vòng bi |
| Lớp mạ | Không có |
| Phớt chắc | Nắp thép một bên (Z) |
| Loại Chắc Dầu | Không tiếp xúc (Không tiếp tục) |
| Tra mỡ sẵn chưa? | Không (Chất bôi trơn: Không có) |
| Phương tiện để tái bôi trơn | Không có |
| Dấu vết carbon của sản phẩm được chỉ định để sản xuất | 1,03 kg CO2e |
| Trọng lượng sản phẩm | 0,285 kg |
| Mã eClass | 23-05-08-01 |
| Mã UNSPSC | 31171504 |
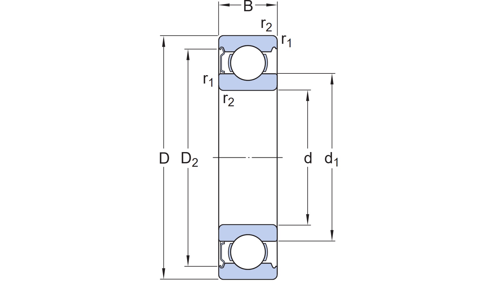
3. Cấu hình Chi Tiết Vòng Bi SKF 6207-Z
Vòng bi SKF 6207-Z được cấu hình từ các bộ phận chính, mỗi bộ phận đóng vai trò quan trọng trong công việc đảm bảo hiệu suất hoạt động và độ bền:
Sơ đồ cấu hình Vòng Bi Cầu Rãnh Sâu SKF 6207-Z với dây thép một đầu:
- Vòng trong/ngoài: Được chế tạo từ thép chịu lực cao, cùng với khu vực Yên tĩnh, chịu tải chính.
- Bi cầu: Sản phẩm sản xuất từ thép siêu chính xác và được xử lý nhiệt đặc biệt để giảm độ cứng, tăng cường độ cứng và độ bền.
- Vòng cách: Làm bằng thép tấm (Tấm kim loại), có chức năng giữ các thành viên bi cách đều nhau, đảm bảo vòng bi vận hành ái và ổn định.
- Cap thép (Z): Đây là dạng đặc biệt của loại vòng bi này. Mũ bảo hiểm được làm từ các tấm thép, gắn chặt vào vòng bên ngoài và có một khe nhỏ không tiếp giáp với vòng trong. “Z” chỉ ra rằng vòng bi có một dây xích ở một bên. Mũ bảo vệ này cung cấp khả năng bảo vệ tốt chống lại bụi bẩn và các hạt xâm nhập. Ưu điểm của sản phẩm thép không tiếp xúc là tạo ra ma sát cực thấp, cho phép vòng bi đạt được tốc độ quay rất cao.
4. Phân Tích Chuyên Sâu: Ký Hiệu Z của SKF 6207-Z
Để thực sự hiểu được giá trị của vòng bi SKF 6207-Z, việc phân tích sâu hơn về yếu tố thì chốt: “ký hiệu Z” là rất quan trọng.
Ký hiệu “Z” – Nắp thép không tiếp xúc một bên:
- Chức năng chính: Cung cấp khả năng làm kín tốt, bảo vệ vòng bi khỏi bụi bẩn, các hạt lớn và giúp giữ mỡ bôi trơn bên trong (nếu có tra mỡ). “Z” chỉ ra rằng vòng bi có một dây thép ở một bên.
- Đặc điểm nổi bật: Là loại dây thép “không tiếp xúc” (Tấm leo tiếp xúc). Điều này có nghĩa là thép không trực tiếp vào vòng trong vòng bi, tạo ra một khe hở nhỏ.
- Ưu điểm vượt trội:tình yêu tiếp xúc, ma sát trong vòng bi là cực kỳ thấp, cho phép vòng bi đạt được tốc độ quay rất cao (tốc độ giới hạn 13 000 vòng/phút) và sinh nhiệt ít hơn so với các loại có bóc cao su tiếp xúc. Đây là lựa chọn lý tưởng cho các ứng dụng yêu cầu tốc độ cao và môi trường không quá khắc nghiệt (chỉ chống bụi lớn, không chống nước hiệu quả) nhưng cần có khả năng bôi trơn từ một bên hoặc bôi trơn tổng thể.
- Cách thức: Chỉ có một dây thép và không được bôi mỡ sẵn từ nhà máy (Chất bôi trơn: Không có), nó yêu cầu bôi trơn thêm trong quá trình lắp đặt hoặc phải có hệ thống bôi trơn liên tục bên ngoài. Khả năng bảo vệ tinh chất (nước, hóa chất) hoặc bụi không có tác dụng bằng khoáng cao su tiếp xúc (2RS1).
Về khe hướng tâm trí “CN”:
- “CN” chỉ ra rằng vòng bi có khe hở hướng tâm tiêu chuẩn (Giải phóng mặt bằng thông thường). Đây là loại khe phổ biến nhất và phù hợp cho nhiều ứng dụng thông thường, nơi không có yêu cầu đặc biệt về nhiệt độ cao hoặc gắn chặt.
- Ưu điểm của CN: Phù hợp với các thiết bị lắp đặt và điều kiện vận hành thông thường, đảm bảo hoạt động ổn định mà không tạo ra quá nhiều ma sát hoặc tiếng ồn không cần thiết.
- Phương pháp giải pháp: Trong các ứng dụng có nhiệt độ hoạt động tăng cao đáng kể, sự giãn nở nhiệt của các bộ phận có thể làm giảm khe hở này,dẫn đến tăng ma sát hoặc nguy cơ tắc bi. Tương tự, nếu có yêu cầu gắn chặt (vừa) vòng khi xẹp hoặc vòng ngoài để hỗ trợ, khe CN có thể bị giảm trong quá trình. Trong những trường hợp đó, các khoảng trống lớn hơn như C3, C4, C5 sẽ phù hợp hơn.
Sự kết hợp của sản phẩm thép thép “Z” (ma sát, tốc độ cao) và khe “CN” (tiêu chuẩn) làm cho SKF 6207-Z trở thành một giải pháp hiệu quả vòng cho các ứng dụng Đòi hỏi tốc độ cao, độ bền trong điều kiện tải và nhiệt độ thông thường và khả năng bảo vệ một phần khó khăn, đồng thời cho phép chạy hoạt động từ đó.
5. Ưu và nhược điểm của Vòng bi SKF 6207-Z
Vòng bi SKF 6207-Z là lựa chọn phù hợp cho nhiều ứng dụng nhờ khả năng chịu tốc độ cao và ma sát. Tuy nhiên, cũng cần cân nhắc các ưu và nhược điểm của nó để lựa chọn phù hợp nhất.
Ưu điểm nổi bật:
- Khả năng đạt được tốc độ cao:Dòng thép không tiếp xúc (Z), nguy hiểm được giảm tối thiểu tối đa, cho phép vòng bi hoạt động ở tốc độ giới hạn lên đến 13 000 r/min.
- Ma sát thấp và sinh nhiệt ít: Đặc điểm Z giúp chạy mát xa hơn và mang lại hiệu quả năng lượng cao hơn so với các loại có bó tiếp xúc.
- Linh hoạt trong bôi trơn: Với một mặt khoáng, vòng bi này lý tưởng cho các hệ thống có khả năng bôi trơn từ bên ngoài (ví dụ: bôi trơn dầu tuần hoàn) hoặc cho phép người dùng tự bôi mỡ theo yêu cầu ứng dụng.
- Bảo vệ khỏi bụi bẩn lớn: Hiệu quả bằng kính thép (Z) trong việc ngăn chặn bụi và các kẻ xâm nhập từ một phía.
- Thiết kế đơn giản, chắc chắn: Vòng bi chuyên ngành sâu là loại vòng bi phổ biến, có cấu tạo đơn giản, dễ lắp đặt.
Nhược điểm cần lưu ý:
- Không thể tra mỡ sẵn: Đây là điểm khác biệt quan trọng. Vòng bi 6207-Z không được cung cấp mỡ từ nhà máy (Chất bôi trơn: Không có), do đó, cần phải được bôi trơn thủ công trong quá trình lắp đặt hoặc sử dụng trong hệ thống bôi trơn tổng thể. Nếu không bôi trơn đúng cách, tuổi thọ vòng bi sẽ gây ra ảnh hưởng nghiêm trọng.
- Khả năng làm kín hạn chế: Chỉ có một sản phẩm thép (Z) và khe CN (tiêu chuẩn) tạo khả năng làm kín không tối ưu bằng các loại có 2 sản phẩm thép (2Z) hoặc phun cao su (2RS1), đặc biệt là với bụi, nước hoặc chất thải.
- Cần xem xét môi trường hoạt động: Thực hiện một khoảng dừng, loại vòng bi này không phù hợp cho các môi trường quá Thương, dưỡng hoặc có nguy cơ nhiễm trùng bạch cầu cao nếu không có biện pháp bảo vệ bổ sung sung.
- Khe tiêu chuẩn (CN): Trong các ứng dụng có nhiệt độ hoạt động cao hoặc yêu cầu gắn chặt (phù hợp với sự can thiệp), khe CN có thể không đủ, dẫn đến tăng ma sát hoặc nguy cơ cơ khí.
6. Ứng dụng Thực Tế của Vòng Bi SKF 6207-Z
Với khả năng chịu đựng tốc độ cao, ma sát thấp và tính linh hoạt trong bôi trơn, vòng bi SKF 6207-Z là lựa chọn phù hợp cho các ứng dụng trong môi trường tương đối sạch hoặc nơi có hệ thống bôi trơn tập trung:
- Động cơ điện: Thích hợp cho các động cơ điện, đặc biệt là loại có hệ thống bôi trơn dầu tuần hoàn hoặc nơi có thể tra mỡ thủ công định kỳ.
- Hộp số công nghiệp: Trong các hộp số hoạt động ở tốc độ cao, nơi có hệ thống bôi trơn dầu và cần giảm ma sát.
- Máy thổi và quạt công nghiệp: Các loại máy thổi và quạt yêu cầu hiệu suất cao và có thể tiếp cận để bôi trơn.
- Máy công cụ: Các máy CNC, máy khoan, máy mài yêu cầu độ chính xác cao và tốc độ quay lớn, thường có hệ thống bôi trơn bên ngoài.
- Thiết bị truyền động: Trong các hệ thống truyền động cần tối ưu hóa hiệu suất và giảm thiểu tổn thất về năng lượng, với điều kiện có thể đảm bảo bôi trơn liên tục.
- Các ứng dụng trong môi trường không quá khắc nghiệt: Nơi chỉ cần bảo vệ một phía khỏi bụi thô hoặc khi vòng bi được đặt trong hộp kín có bôi trơn.
- Máy phát điện.
7. Hướng dẫn cài đặt và gỡ bỏ SKF 6207-Z
Để đảm bảo tuổi thọ và hiệu suất tối ưu cho vòng bi SKF 6207-Z, cách lắp đặt và loại bỏ chính xác là vô cùng quan trọng. luôn luôn thủ các nguyên tắc an toàn và kỹ thuật của các nhà sản xuất. Mecsu cung cấp hướng dẫn chi tiết dựa trên kinh nghiệm thực tế:
- Chuẩn bị: Đảm bảo môi trường làm việc sạch sẽ, khô ráo. Chuẩn bị đầy đủ các dụng cụ chuyên dụng như ống lót, búa mềm, dụng cụ ép, máy gia nhiệt (nếu cần). Luôn đeo dây bảo vệ và kính bảo hộ để đảm bảo an toàn. Kiểm tra khí cụ và gối phải sạch sẽ, không có lỗ hổng và bảo đảm sai dung dịch. Lưu ý quan trọng: Vòng bi này không thể bôi mỡ sẵn từ nhà máy (Chất bôi trơn: Không có), do đó, cần phải bôi mỡ hoặc đảm bảo có hệ thống bôi trơn bên ngoài trước khi đưa vào vận hành.
- Lắp đặt:
- Phương pháp cơ khí: Đối với vòng bi có kích thước này, việc sử dụng ống lót và búa (búa mềm) vẫn khả thi nếu hoạt động lực đều và đúng vào vòng trong.
- Phương pháp gia nhiệt: Đây là phương pháp tối ưu cho vòng bi có đường kính trong 35mm. Gia nhiệt vòng bi bằng thiết bị gia nhiệt chuyên dụng (ví dụ: SKF Induction Heater) đến nhiệt độ khoảng 80-100°C. Vòng bi sẽ giãn nở, dễ dàng lắp vào trục mà không cần dùng lực lớn. Đảm bảo vòng lặp được đặt đúng vị trí trước khi ngừng hoạt động. Tuyệt đối không gia nhiệt bằng ngọn lửa trực tiếp hoặc nhiệt độ quá cao.
- Bôi trơn ban đầu: Rất quan trọng! Do vòng bi không được tra mỡ sẵn, bạn phải tra mỡ phù hợp (hoặc đảm bảo hệ thống bôi dầu đang hoạt động) ngay trước hoặc trong quá trình lắp đặt. Đảm bảo đủ lượng mỡ và đều.
- Lưu ý: Đảm bảo vòng bi được gắn thẳng, không bị lệch hoặc kẹt. Nếu môi trường có du khách, hãy định hướng mặt dây thép (Z) về phía có nguồn gây ô nhiễm chính.
- Gỡ bỏ:
- Sử dụng cả chuyên gia hỗ trợ (cảo cơ hoặc thủy lực cách phù hợp với vòng bi kích thước) để xoay vòng bi một cách an toàn và không gây hư hỏng cho xẹp hoặc gối hỗ trợ. Tác dụng lực đều và đúng ở vòng trong (khi rút xẹp) hoặc vòng ngoài (khi rút gối).
- Đối với các trường hợp khó khăn, có thể sử dụng phương pháp gia nhiệt vòng trong (nếu rút trục vít) hoặc vòng ngoài (nếu rút gối hỗ trợ) để giãn nở, giúp tháo gỡ dễ dàng hơn.
- Tránh dùng đập trực tiếp lên các sinh vật học hoặc các bộ phận khác có thể gây ra các dạng biến đổi, hư hỏng. Việc này không chỉ làm hỏng vòng bi mà còn tiềm ẩn nguy hiểm.
- Người bảo vệ: Nếu không sử dụng ngay, hãy giữ vòng bi trong bao bì gốc của nhà sản xuất, ở nơi khô ráo, thoáng mát, tránh ánh nắng trực tiếp và các chất hóa học ăn mòn để ngăn chặn sét và bụi nguy hiểm xâm nhập.
8. So Sánh Vòng Bi 6207-Z với Các Loại 6207 Khác
Việc hiểu rõ sự khác biệt giữa các loại vòng bi 6207 SKF sẽ giúp bạn lựa chọn sản phẩm phù hợp nhất cho ứng dụng của mình, tối ưu hóa hiệu suất và chi phí đầu tư. Bảng so sánh bên dưới tập trung vào các loại căng thẳng và bôi trơn:
| Tiêu chí | SKF 6207-Z (1 nắp thép) | SKF 6207-2Z (2 nắp thép) | SKF 6207-2RS1 (2 Phớt cao su) | SKF 6207 (Mở, không phun/nắp) |
|---|---|---|---|---|
| Chất liệu/Chắc chắn | Mũ thép (Shield) – 1 bên (Không tiếp xúc) | Mũ thép (Shield) – 2 bên (Không tiếp xúc) | Phớt cao su (NBR) – 2 bên (Tiếp xúc) | Không có leo/nào (Mở) |
| Khả năng làm kín | Trung Bình (Rút bụi về một phía) | Tốt (chuỗi bụi lớn ở phía sau) | Vượt trội (ngăn bụi, nước, giữ mỡ tối đa) | Siêu tiết kiệm (dễ bị bụi bẩn, mỡ máu) |
| Khe khe hướng kính | CN (Tiêu chuẩn) | CN (Tiêu chuẩn) | CN (Tiêu chuẩn) | CN (Tiêu chuẩn) |
| Tốc độ quay tối đa | 13 000 vòng/phút ( Giới hạn) | 13 000 vòng/phút ( Giới hạn) | 8 000 vòng/phút ( Giới hạn, thấp hơn) | 20 000 vòng/phút ( Giới hạn, cao nhất) |
| Khả năng chống ẩm/lỏng | Kém (một khoảng, chỉ ngăn bụi lớn) | Trung bình (số lượng lớn bụi) | Rất tốt | Rất kém |
| Tra mỡ sẵn | Không (Cần tra mỡ khi gắn) | Có (Tra mỡ sẵn) | Có (Trà mỡ sẵn đời) | Không (Cần bôi trơn liên tục) |
| Nhu cầu bảo trì | Trung bình (cần bôi trơn và có thể định nghĩa) | Low (bôi trơn sẵn từ nhà) | Rất thấp (bôi trơn đời sống trong môi trường bình thường) | Cao (cần bôi trơn bất kỳ hoặc bôi trơn liên tục từ bên ngoài hệ thống) |
| Độ âm / Rung động | Thấp (do ma sát thấp) | Very low (làm ma sát) | Thấp (có thể cao hơn 2Z một chút do ma sát) | Thấp |
| Giá thành | Trung bình (rẻ hơn 2Z và 2RS1) | Trung bình cao | Cao nhất | Thấp nhất |
| Ứng dụng điển hình | Động cơ điện, hộp số, máy bơm, quạt trong môi trường tương đối sạch hoặc có hệ thống bôi trơn tập trung, nơi cần tốc độ cao và linh hoạt bôi trơn. | Động cơ điện, máy hút, quạt công nghiệp, máy công cụ, hộp số, nơi cần tốc độ cao, ma sát và môi trường tương đối sạch, được tra mỡ sẵn. | Máy nông nghiệp, máy xây dựng, thiết bị chế biến thực phẩm, máy rửa xe, công nghiệp khai thác mỏ, nơi cần bảo vệ tối đa khỏi ô nhiễm ô nhiễm nhiễm (bụi, nước, hóa chất) và duy trì bôi trơn. | Thiết bị cần tốc độ cực cao, môi trường rất sạch sẽ, có hệ thống bôi trơn bên ngoài hoặc các ứng dụng không mở rộng, nơi yêu cầu hiệu suất tối đa. |
9. Cách Phân Biệt Vòng Bi SKF 6207-Z Thật – Giả Lời Khuyên Từ Chuyên Gia Mecsu
Thị trường hiện nay có rất nhiều hàng giả, hàng giả chất lượng, đặc biệt là với các sản phẩm vòng bi SKF chính hãng được ưa chuộng. Để đảm bảo bạn mua được vòng bi SKF 6207-Z chính hãng tại TP.HCM, Mecsu khuyến nghị kiểm tra các dấu hiệu sau:
a. Dấu vòng bi chính hãng SKF 6207-Z :
- Bao bì chất lượng cao: Sắc nét, màu xanh đặc trưng của SKF, sản phẩm thông tin rõ ràng, đầy đủ mã vạch/QR code và thông tin xuất xứ. Bạn sẽ tìm thấy công nghệ trong từng chi tiết.
- In ấn trên vòng bi sắc nét: Logo SKF, sản phẩm mã hóa hóa (6207-Z) và các nhà sản xuất quốc gia được in hoặc khắc laser sắc nét, rõ ràng, không lem, không sai phông chữ, rất khó bị tẩy xóa.
- Mã QR/Bar code xác thực: Có thể quét bằng ứng dụng “SKF Authenticate” trên điện thoại di động thông minh để xác thực nguồn gốc và tính chính hãng của sản phẩm. Đây là công cụ hữu ích nhất của SKF để chống hàng giả.
- Nắp thép (Z) hoàn thiện: Nắp được lắp chắc chắn, không có khe hở bất ngờ, không bị cong hay biến đổi. Bề mặt sản phẩm sáng bóng, không đặt.
- Cảm giác vận động mượt mà: Khi quay vòng bi bằng tay, bạn sẽ cảm nhận được tốc độ mượt mà, trơn tru, ít ma sát. Không có tiếng kêu lạ hoặc cảm giác giác.
- Chứng từ đầy đủ: Nhà cung cấp uy tín sẽ cung cấp đầy đủ “CO” (chứng nhận xuất xứ) và “CQ” (chứng nhận chất lượng) từ nhà sản xuất, đảm bảo nguồn gốc và chất lượng sản phẩm.
b. Dấu hiệu của vòng bi SKF 6207-Z hàng giả/nhái:
- In ấn mờ nhạt, sai chính tả, phông chữ lạ, thiếu thông tin hoặc không chính xác trên cả bao bì và vòng bi.
- Bao bì thô, màu trôi chuẩn SKF, thiếu thông tin quan trọng hoặc có dấu hiệu làm lại.
- Nắp thép có thể bị bung, cong, sét hoặc không khí.
- Không có mã QR hoặc mã hóa không quét được hoặc quét ra thông tin không khớp với sản phẩm chính hãng.
- Khi quay tay có tiếng kêu lạo xạo, cảm giác giác, nặng, hoặc độ rơ bất thường làm gia công chính xác.
- Giá bán rẻ bất ngờ so với thị trường của các sản phẩm chính hãng – đây là dấu hiệu cảnh báo lớn nhất.

10. Giá Bán & Gợi Ý Mua Vòng Bi SKF 6207-Z Chính Hãng Tại TP.HCM
a. Giá vòng bi SKF 6207-Z (TP.Hồ Chí Minh) tại Mecsu: 202,630 đ/ Cái (đã có VAT) – Giá hợp lý, phù hợp với chất lượng sản phẩm chính hãng
Liên hệ để nhận báo giá tốt nhất (giá có thể thay đổi tùy thời điểm và số lượng) – Giá hợp lý, phù hợp với chất lượng sản phẩm chính hãng SKF tại thị trường vòng bi TP.HCM.
b. Gợi ý mua vòng bi chính hãng SKF uy tín
- Chọn nhà cung cấp uy tín tại TP.HCM: Ưu tiên đối tác có bằng chứng nhận từ SKF hoặc đơn vị lâu năm, được nhiều khách hàng tin tưởng và có danh tiếng trên thị trường cung cấp linh kiện cơ khí tại TP.HCM.
- Kiểm tra chứng từ đầy đủ: Luôn yêu cầu đầy đủ “CO” (chứng nhận xuất xứ) và “CQ” (chứng nhận chất lượng) để đảm bảo nguồn gốc và chất lượng của sản phẩm. Điều này giúp bạn tránh mua phải “vòng bi SKF giả” trên thị trường.
-
- 100% sản phẩm chính hãng: Đảm bảo nguồn gốc rõ ràng, đầy đủ chứng từ. Chúng tôi cam kết hoàn tiền 100% hoặc đổi trả nếu sản phẩm không phải của công ty chính thức.
- Chính sách bảo hành minh bạch: Hỗ trợ đổi trả nếu nhà sản xuất gặp lỗi, mang lại sự an tâm tuyệt đối cho khách hàng.
- Hỗ trợ kỹ thuật chuyên sâu: Đội ngũ kỹ sư giàu kinh nghiệm sẵn sàng hỗ trợ bạn về kỹ thuật và lựa chọn sản phẩm phù hợp nhất cho mọi ứng dụng.
- Giá cả cạnh tranh: Đảm bảo giá tốt nhất đi kèm chất lượng, với chính sách chiết khấu hấp dẫn cho đơn hàng số lượng lớn, đặc biệt khi “mua vòng bi SKF số lượng lớn”.
MUA THÊM NHIỀU LOẠI VÒNG BI CHÍNH HÃNG KHÁC TẠI MECSU
11. Câu hỏi thường gặp về Vòng Bi SKF 6207-Z
a. Vòng bi SKF 6207-Z có cần bảo dưỡng, tra mỡ không?
Có. Vòng bi SKF 6207-Z không được mua sẵn từ nhà máy (Dầu bôi trơn: Không có). Do đó, bạn BẮT BUỘC phải tra mỡ hoặc đảm bảo có hệ thống bôi trơn bên ngoài (ví dụ: bôi dầu tuần hoàn) ngay trước hoặc trong quá trình lắp đặt và vận hành. Tần suất tái sinh bôi trơn phụ thuộc vào điều kiện hoạt động (tốc độ, tải trọng, nhiệt độ, môi trường) và loại mỡ sử dụng. Việc không bôi trơn đúng cách sẽ dẫn đến việc làm hỏng vòng lặp nhanh chóng.
b. Chữ “Z” trong mã SKF 6207-Z có ý nghĩa gì?
- Chữ “Z” chỉ vòng bi có một dây thép ở một bên. Tấm chắn này không tiếp nối trong vòng, giúp ngăn bụi lớn và duy trì ma sát. Vòng bi có một mặt để dễ dàng bôi trơn từ bên ngoài.
c. Vòng bi SKF 6207-Z có phải là vòng bi chịu nhiệt không?
Vòng bi SKF 6207-Z có khe tiêu chuẩn (CN), phù hợp cho các ứng dụng ở nhiệt độ thông thường. Mặc dù thép thép (Z) không giới hạn nhiệt độ như áp cao su, khả năng chịu nhiệt của vòng bi sẽ phụ thuộc vào loại mỡ hoặc dầu bôi trơn được sử dụng. Nếu ứng dụng có nhiệt độ cao đặc biệt, cần xem xét các loại vòng bi có khe hở lớn hơn (C3, C4) hoặc sử dụng mỡ/dầu chịu nhiệt chuyên dụng.
d. Làm sao biết vòng bi 6207-Z của tôi là hàng chính hãng SKF?
Kiểm tra bao bì (logo, mã QR rõ ràng), vòng bi có khắc lazer sắc nét. Điều quan trọng nhất, hãy sử dụng ứng dụng SKF Authenticate để quét mã và kiểm tra trực tiếp từ SKF. Đây là cách chắc chắn nhất để phân biệt vòng bi SKF thật.
đ. Khi nào cần thay thế vòng bi 6207-Z?
Bạn nên thay thế vòng bi khi nhận được các dấu hiệu sau:
- Tiếng ồn bất thường: Tiếng kêu lạo xạo, rít, hoặc kêu khi vòng bi quay, báo hiệu bi hoặc khu vực mòn mòn hoặc thiếu bôi trơn.
- Tăng nhiệt độ: Vòng bi tăng lên bất thường trong quá trình hoạt động, có thể thiếu bôi trơn, tải quá trình hoặc hư hỏng bên trong.
- Độ cao lớn: Thiết bị hoạt động có mức độ tăng lên đáng kể, ảnh hưởng đến hiệu suất và có thể gây nguy hiểm cho các bộ phận khác.
- Biến dạng vật lý: Mũ thép bị cong, rách hoặc vòng bi bị mòn, sét.
- Vòng bi bị khóa hoặc không được xóa.
Kinh nghiệm của các kỹ sư Mecsu: Đối với vòng bi 6207-Z, việc đảm bảo bôi trơn đầy đủ và đúng cách là yếu tố tiên quyết để kéo dài tuổi thọ. Kiểm tra định kỳ tình trạng bôi trơn và lắng nghe tiếng ồn hoặc cảm nhận mức độ vẫn rất quan trọng để phát hiện sớm các dấu hiệu cần thay thế, tránh gây hại chất béo hơn cho toàn bộ hệ thống. Đừng ngần ngại liên hệ với chúng tôi để được hỗ trợ kỹ thuật về bảo trì vòng bi hoặc thay thế vòng bi.
f. Mua vòng bi SKF 6207-Z chính hãng, uy tín ở đâu tại TP.HCM?
- Cam kết chất lượng: 100% sản phẩm có nguồn gốc rõ ràng, đầy đủ chứng từ CO, CQ. Chúng tôi cam kết hoàn tiền 100% hoặc đổi trả nếu sản phẩm không phải của công ty chính thức.
- Giá cả cạnh tranh: Đảm bảo giá tốt nhất đi kèm chất lượng, với chính sách chiết khấu hấp dẫn cho đơn hàng số lượng lớn, đặc biệt khi “mua vòng bi SKF số lượng lớn”.
- Tư vấn chuyên sâu: Đội ngũ kỹ sư giàu kinh nghiệm sẵn sàng hỗ trợ bạn về kỹ thuật và lựa chọn sản phẩm phù hợp nhất.
- Chính sách hậu mãi: Đảm bảo quyền lợi tối đa cho khách hàng với dịch vụ hỗ trợ nhanh chóng, tận tâm.
MUA THÊM NHIỀU LOẠI VÒNG BI CHÍNH HÃNG KHÁC TAI MECSU
12. Liên Hệ và Hỗ Trợ Tư Vấn Vòng Bi SKF
Nếu bạn có bất kỳ thắc mắc nào về vòng bi SKF 6207-Z hoặc cần tư vấn về giải pháp vòng bi cho ứng dụng cụ thể của mình, đừng khuyên liên hệ với đội ngũ chuyên gia của Mecsu. Chúng tôi luôn sẵn sàng hỗ trợ bạn tìm ra sản phẩm phù hợp và tối ưu nhất, đồng thời cung cấp những kiến thức về kỹ thuật bảo trì vòng bi mà bạn khó tìm thấy ở những nơi khác.
Địa chỉ: B28/I – B29/I Đường số 2B, KCN Vĩnh Lộc, P. Bình Hưng Hòa B, Q. Bình Tân, TP.HCM
Đường dây nóng: 1800 8137
Email: [email protected]
Trang web: mecsu.vn
13. Thông Tin Bổ sung & Kinh nghiệm Thực Tế Từ Mecsu
a. Kinh nghiệm Thực Tế & Câu Chuyện Thành Công
Tại Mecsu, chúng tôi tự hào là đối tác đáng tin cậy của nhiều doanh nghiệp trong việc cung cấp các giải pháp chất lượng cao vòng vòng. “Vòng bi SKF 6207-Z”, với khả năng chịu tốc độ cao, ma sát thấp và tính linh hoạt trong bôi trơn, đã được ứng dụng trong nhiều dự án quan trọng của khách hàng chúng tôi tại “TP. Hồ Chí Minh” và các lân lân cận, mang lại hiệu ứng vượt trội và là minh chứng cho sản phẩm chất lượng cùng kinh nghiệm thực tế của Đội ngũ Mecsu:
- Công ty chế tạo máy: Chúng tôi đã cung cấp “SKF 6207-Z” cho các máy công cụ tốc độ cao như máy phay, máy tiện, nơi vòng bi cần đạt tốc độ cao và hệ thống bôi trơn dầu tập trung đã được thiết lập.
- Hệ thống băng tải: Trong hệ thống băng tải nhẹ đến trung bình trong môi trường tương đối sạch, vòng bi 6207-Z được sử dụng để tối ưu hoá chi phí và hiệu suất khi có thể dễ dàng tiếp cận để tra mỡ hoặc khi có hệ thống bôi trơn tự động.
- Máy phát điện và động cơ: Phù hợp cho các động cơ và máy phát điện hoạt động trong môi trường được kiểm soát, nơi cần tốc độ cao và ma sát, và việc bảo trì bôi trơn được thực hiện định kỳ.
b. Trích Dẫn Chuyên Gia
“SKF 6207-Z” là một lựa chọn kinh tế và hiệu quả cho các ứng dụng cần tốc độ cao và ma sát. Điểm quan trọng nhất khi sử dụng loại vòng bi này là phải đảm bảo một kế hoạch tẩy rửa và thực hiện đúng cách, vì nó không được tra tấn từ nhà máy. Có thể được bôi phù hợp, nó sẽ mang lại hiệu suất đáng tin cậy.”
— “Kỹ sư cơ khí Chuyên gia kỹ thuật Mecsu” (TP. Hồ Chí Minh) – Với hơn 10 năm kinh nghiệm trong lĩnh vực “bạc đạn công nghiệp”.
c. Tài Liệu Tham Khảo và Nghiên Cứu
Nội dung bài viết này được biên soạn dựa trên các tài liệu kỹ thuật chính quy và đáng tin cậy của SKF , cùng với kinh nghiệm thực tế chuyên sâu của đội ngũ kỹ sư Mecsu, đảm bảo tính chính xác, cập nhật và chuyên môn môn cao:
- Danh mục sản phẩm SKF (Danh mục sản phẩm SKF chính thức) – Nguồn dữ liệu kỹ thuật chi tiết nhất về “vòng bi SKF”.
- Tài liệu kỹ thuật SKF Explorer – Vòng bi rãnh sâu (Thông tin chuyên sâu về “vòng bi cầu sâu SKF Explorer”) – Cung cấp cái nhìn toàn diện về thế hệ vòng bi bền bỉ này.
- Bảng dữ liệu kỹ thuật (Datasheet) chi tiết của SKF 6207-Z – Nguồn thông số kỹ thuật chính xác.
- Trải nghiệm thực tế và phản hồi từ các dự án khách hàng của Mecsu – “Dữ liệu độc nhất” được thu thập từ hơn 10 năm cung cấp “linh kiện cơ khí” và “giải pháp vòng bi” cho doanh nghiệp tại Việt Nam.
Biên soạn bởi: Đội ngũ kỹ sư Mecsu
(Xem thêm thông tin về chúng tôi tại Website Mecsu )
Lưu ý: Hình ảnh sản phẩm có thể khác biệt so với sản phẩm thực tế của SKF. Vui lòng tham khảo thông số kỹ thuật chi tiết hoặc liên hệ Mecsu để có thông tin chính xác nhất về sản phẩm.



















Đánh giá
Chưa có đánh giá nào.