Mô tả sản phẩm
Thông tin CHUYÊN SÂU về Vòng Bi Cầu Rãnh Sâu SKF 6210/C3 (50x90x20) Không Sản phẩm
Mục Lục
- 1. Vòng Bi SKF 6210/C3 Là Gì? – Giải Thích Chuyên Sâu
- 2. Thông Số Kỹ Thuật Chi Tiết Của Vòng Bi Cầu SKF 6210/C3
- 3. Cấu hình chi tiết Vòng Bi SKF 6210/C3
- 4. Phân Tích Chuyên Sâu: Ký Hiệu C3 của SKF 6210/C3
- 5. Ưu và nhược điểm của Vòng Bi SKF 6210/C3
- 6. Ứng dụng Thực Tế của Vòng Bi SKF 6210/C3
- 7. Hướng dẫn cài đặt và gỡ bỏ SKF 6210/C3
- 8. So Sánh Vòng Bi 6210/C3 với Các Loại 6210 Khác
- 9. Cách Phân Biệt Vòng Bi SKF 6210/C3 Thật – Giả – Lời Khuyên Từ Chuyên Gia Mecsu
- 10. Giá Bán & Mô-ni Ý Mua Vòng Bi SKF 6210/C3 Chính Hãng Tại TP.HCM
- 11. Câu hỏi thường gặp về Vòng Bi SKF 6210/C3
- 12. Liên Hệ và Hỗ Trợ Tư Vấn Vòng Bi SKF
- 13. Thông Tin Bổ Sung & Kinh nghiệm Thực Tế Từ Mecsu
1. Vòng Bi SKF 6210/C3 Là Gì? – Giải Thích Chuyên Sâu
Vòng bi cầu rãnh sâu SKF 6210/C3 là một loại vòng bi cơ bản nhưng cực kỳ quan trọng trong nhiều ứng dụng công nghiệp. Mã “6210” chỉ định kích thước cơ sở với đường kính trong (d) 50mm, đường kính ngoài (D) 90mm và chiều dày (B) 20 mm.
Điểm khác biệt chính của sản phẩm này là làm việc đó là loại vòng bi “mở” (Mở vòng bi), tức là không có sản phẩm hay cáp dây ở bên hai. Điều này cho phép mỡ bôi trơn được cung cấp liên tục từ hệ thống bôi trơn bên ngoài hoặc cho phép rửa sạch các chất thương nếu cần. Giúp không có dây thép, vòng bi 6210/C3 đạt được tốc độ quay tối đa cao nhất trong các phiên bản 6210 (tốc độ giới hạn lên đến 10 000 vòng/phút) và có ma sát cực kỳ thấp.
Hậu tố “/C3” biểu thị bi vòng có khoảng trống lớn hơn tiêu chuẩn (CN). Khe hở C3 giúp vòng bi hoạt động tốt hơn trong các điều kiện nhiệt độ cao, nơi có sự giãn nở nhiệt của trục và gối đỡ, hoặc trong các ứng dụng có lắp đặt chính xác không quá cao. Vòng bi 6210/C3 không được cung cấp mỡ từ nhà máy và yêu cầu hệ thống bôi trơn riêng biệt.
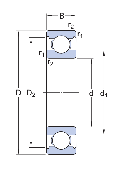
2. Thông Số Kỹ Thuật Chi Tiết Của Vòng Bi Cầu SKF 6210/C3
d: Đường kính trong
D: Đường kính ngoài
B: Bề dày
C: Tải cơ sở dữ liệu danh sách
C0: Tải danh sách cơ sở dữ liệu tĩnh
Pu: Giới hạn tải mệt mỏi
| Thông số | Giá trị |
|---|---|
| Mã sản phẩm | 6210/C3 |
| Loại vòng bi | Vòng Bi Cầu Rãnh Sâu (Vòng Bi Rãnh Sâu) |
| Đường kính trong (d) | 50 mm |
| Đường kính ngoài (D) | 90 mm |
| Bề dày (B) | 20 mm |
| Tải cơ sở dữ liệu danh sách (C) | 37,1 kN |
| Tải quan trọng cơ sở dữ liệu danh sách (C0) | 23,2 kN |
| Tốc độ tham khảo | 15 000 vòng/phút |
| Tốc độ giới hạn | 10 000 vòng/phút |
| Thế hệ khả năng làm việc cao của SKF | SKF Explorer |
| Rãnh tra bi | Không có |
| Số dòng | 1 |
| Phương tiện để định vị, vòng ngoài của vòng bi | Không có |
| Loại lỗ | Hình trụ |
| Vòng cách | Thép tấm (Sheet metal) |
| Kiểu gắn cặp | Không |
| Khe khe trong hướng kính | C3 |
| Vật liệu, vòng bi | Thép vòng bi |
| Lớp mạ | Không có |
| Phớt chắc | Không có (Open) |
| Loại Chắc Dầu | Không có |
| Tra mỡ sẵn chưa? | Không (Yêu cầu bôi trơn từ bên ngoài hệ thống) |
| Phương tiện để tái bôi trơn | Không có (nhưng có thể xóa từ bên ngoài hệ thống) |
| Dấu vết carbon của sản phẩm được chỉ định để sản xuất | 1,59 kg CO2e |
| Trọng lượng sản phẩm | 0,443 kg |
| Mã eClass | 23-05-08-01 |
| Mã UNSPSC | 31171504 |
3. Cấu hình chi tiết Vòng Bi SKF 6210/C3
Vòng bi SKF 6210/C3, là loại vòng bi mở, có cấu hình cơ bản nhưng hiệu quả, bao gồm các bộ phận chính:
Sơ đồ tạo vòng Bi Cầu Rãnh Sâu SKF 6210/C3 (loại mở):
- Vòng trong/ngoài: Được chế tạo từ thép chịu lực cao, cùng với khu vực Yên tĩnh, chịu tải chính.
- Bi cầu: Sản phẩm sản xuất từ thép siêu chính xác và được xử lý nhiệt đặc biệt để giảm độ cứng, tăng cường độ cứng và độ bền.
- Vòng cách: Làm bằng thép mạnh, có chức năng giữ các thành viên đều nhau, đảm bảo vòng bi hành động nữ ái và ổn định.
- Không có cấp độ/phí dây: Đây là đặc điểm nổi bật nhất của vòng bi này. Việc không có lớp bảo vệ nào giúp vòng bi có ma sát cực thấp, đạt tốc độ quay cao nhất và dễ dàng được bôi trơn bằng dầu hoặc mỡ từ hệ thống bôi trơn tập trung. Tuy nhiên, nó cũng làm cho vòng bi dễ bị nhiễm trùng hơn từ môi trường bên ngoài.
4. Phân Tích Chuyên Sâu: Ký Hiệu C3 của SKF 6210/C3
Để thực sự hiểu được giá trị của vòng bi SKF 6210/C3, việc phân tích sâu hơn về yếu tố thì chốt: “ký hiệu C3” là rất quan trọng.
Ký hiệu “/C3” – Khe hở hướng tâm trí lớn hơn tiêu chuẩn:
- Chức năng chính: Cung cấp khe hở hướng tâm trí lớn hơn so với tiêu chuẩn (CN). Khe hở này cho phép vòng bi hoạt động hiệu quả hơn trong các tình huống có giải pháp giải nhiệt đáng kể về sai sót và gối hỗ trợ, hoặc khi vòng bi được gắn với mức ép cao.
- Đặc điểm nổi bật: Khe hở C3 là một trong những phổ biến được lựa chọn khi cần bồi đắp cho các dạng biến đổi nhiệt độ hoặc lắp đặt. Nó giúp tránh tình trạng bị kẹt hoặc tạo ra hiệu suất quá tải các khu vực khi nhiệt độ tăng cao hoặc khi giãn nở không cân bằng giữa các bộ phận.
- Ưu điểm nổi bật: cung cấp năng lượng lớn hơn, vòng bi 6210/C3 có thể duy trì tốc độ nhanh chóng khi quay và tuổi thọ hoạt động ngay cả dưới điều kiện nhiệt độ cao hoặc tải thay đổi. Nó cũng có khả năng đạt được tốc độ giới hạn cao (10 000 vòng/phút) không có ma sát từ dây leo/phớt và khe lớn hơn.
- Chế độ: Trong các ứng dụng không có giãn nở nhiệt phải kể hoặc không gắn chặt, khe hở C3 có thể dẫn đến giảm tốc độ (chơi) hơn một chút, có thể ảnh hưởng đến tốc độ chính xác hoặc tốc độ ồn ở tốc độ chậm.
Về loại không có cấp bậc/phớt:
- Vòng bi 6210/C3 là loại mở, không có bất kỳ sản phẩm dây chuyền hay dây cáp nào. Điều này đồng nghĩa với việc nó không thể được bôi mỡ sẵn và cần được bôi trơn từ hệ thống bên ngoài (dầu hoặc mỡ).
- Ưu điểm: Ma sát cực thấp, tốc độ quay tối đa cao, dễ bôi trơn và rửa sạch bên trong.
- Nhược điểm: Rất dễ bị nhiễm trùng từ bụi, nước, hóa chất từ môi trường bên ngoài. Môi trường môi trường không phù hợp để giải quyết trừ khi có hệ thống bảo vệ bên ngoài hiệu quả.
Sự kết hợp giữa loại mở và khe “C3” giúp SKF 6210/C3 trở thành một giải pháp sinh lý tưởng cho các ứng dụng yêu cầu tốc độ quay cực cao, ma sát tối thiểu, khả năng chịu nhiệt và giãn nhiệt, và đặc biệt là khi có hệ thống bôi trơn tập trung hoặc môi trường làm việc.
5. Ưu và nhược điểm của Vòng Bi SKF 6210/C3
Vòng bi SKF 6210/C3, với thiết kế mở rộng và khe hở lớn, mang lại những ưu điểm và nhược điểm đặc biệt cho các loại vòng bi có dây cáp.
Ưu điểm nổi bật:
- Tốc độ hoạt động cực cao: Do không có sản phẩm dây chuyền hay dây len, vòng bi này có ma sát cực thấp, cho phép đạt tốc độ quay tối đa cao nhất (tốc độ giới hạn lên đến 10 000 r/min) nên với các bản dây có dây.
- Ma sát tối thiểu và sinh nhiệt cực thấp: Điều này dẫn đến hiệu quả năng lượng cao hơn và tuổi thọ hoạt động kéo dài cho cả vòng bi và hệ thống.
- Phù hợp với môi trường nhiệt độ cao: Khe hở C3 giúp vòng bi duy trì hiệu suất ổn định ngay cả khi có giải pháp giải nhiệt đáng kể của xẹp và gối đỡ.
- Dễ dàng bôi trơn và rửa sạch: Thiết kế mở cho phép dễ dàng cung cấp dầu hoặc mỡ từ hệ thống bôi trơn tập trung, cũng như thuận tiện cho việc kiểm tra và vệ sinh bên trong vòng bi.
- Khả năng chịu tải tốt: Với tải trọng động định mức 37,1 kN, không phù hợp cho nhiều ứng dụng công nghiệp chịu tải trung bình đến cao.
Nhược điểm cần lưu ý:
- Khả năng chống nhiễm độc: Đây là nhược điểm lớn nhất. Vòng bi mở rất dễ bị bụi bẩn, nước, mạt kim loại và các chất gây ô nhiễm nhiễm độc khác xâm nhập, dẫn đến giảm tuổi đáng kể nếu không được bảo vệ đầy đủ từ bên ngoài.
- Yêu cầu hệ thống bôi trơn bên ngoài: Vòng bi không thể bôi mỡ sẵn và cần một hệ thống bôi trơn bất kỳ hoặc liên tục (dầu hoặc mỡ) để hoạt động. Điều này làm tăng chi phí và phức tạp của hệ thống.
- Không phù hợp cho môi trường giải quyết nồng độ: Trừ khi có các giải pháp làm kín và bảo vệ bên ngoài hiệu quả, vòng bi này không nên sử dụng trong môi trường Bụi Sạch, ẩm ướt hoặc nhiều chất dư.
- Độ giảm (chơi) lớn hơn: Do khe hở C3 lớn hơn, có thể dẫn đến tâm trí và hướng trục lớn hơn một chút trong các ứng dụng không có giãn nở nhiệt, điều này có thể ảnh hưởng đến độ chính xác của một số máy.
6. Ứng dụng Thực Tế của Vòng Bi SKF 6210/C3
Với đặc tính tốc độ quay cực cao, ma sát thấp và khả năng chịu nhiệt tốt, vòng bi SKF 6210/C3 là lựa chọn lý tưởng cho các ứng dụng trong môi trường môi trường sạch, có hệ thống bôi trơn tập trung hoặc cần bồi đắp tăng nhiệt, đặc biệt là trong các máy công nghiệp hạng nặng hoặc tốc độ cao:
- Động cơ điện công suất lớn và máy phát điện: Nơi cần có tốc độ cao, mức tối thiểu tối thiểu và khả năng hoạt động ổn định trong điều kiện tăng nhiệt độ cao.
- Pad chính máy công cụ chính xác: Máy tiện, máy pha, máy khoan yêu cầu độ chính xác và tốc độ quay cao, nơi hệ thống bôi trơn dầu là tiêu chuẩn và môi trường thường được kiểm soát.
- Truyền và quạt công nghiệp tốc độ cao: Các ứng dụng cần tiết kiệm năng lượng, tốc độ quay cao và yêu cầu giảm thiểu ma sát.
- Hộp số công nghiệp và hệ thống truyền động: Đặc biệt với số lượng hộp lớn, cần khả năng bôi trơn liên tục và chịu được nhiệt độ sinh ra.
- Thiết bị sản xuất giấy, thép: Trong các ngành công nghiệp nặng, nơi máy móc hoạt động liên tục, tốc độ cao và có thể có sự giãn nở nhiệt.
- Ứng dụng có nhiệt độ môi trường cao: Ví dụ như trong một số loại lò công nghiệp (với hệ thống bôi trơn và làm mát phù hợp).
- Các máy móc nơi cần khả năng bôi trơn dễ dàng hoặc có thể rửa sạch các chất vết thương.
7. Hướng dẫn cài đặt và gỡ bỏ SKF 6210/C3
Để đảm bảo tuổi thọ và hiệu suất tối ưu cho vòng bi SKF 6210/C3, cách lắp đặt và gỡ bỏ chính xác là vô cùng quan trọng. luôn luôn thủ các nguyên tắc an toàn và kỹ thuật của các nhà sản xuất. Mecsu cung cấp hướng dẫn chi tiết dựa trên kinh nghiệm thực tế:
- Chuẩn bị: Đảm bảo môi trường làm việc sạch sẽ, khô ráo. Chuẩn bị đầy đủ các dụng cụ chuyên dụng như ống lót, búa mềm, dụng cụ ép, máy gia nhiệt. Luôn đeo dây bảo vệ và kính bảo hộ để đảm bảo an toàn. Kiểm tra khí cụ và gối phải sạch sẽ, không có lỗ hổng và bảo đảm sai dung dịch.
- Lắp đặt:
- Phương pháp gia nhiệt (phổ biến và khuyến khích cho vòng bi này): Gia nhiệt vòng bi bằng thiết bị gia nhiệt chuyên dụng (ví dụ: SKF Induction Heater) đến nhiệt độ khoảng 80-100°C (tối đa 120°C để tránh ảnh hưởng đến cấu trúc thép). Vòng bi sẽ giãn nở, dễ dàng lắp vào trục mà không cần dùng lực lớn. Đảm bảo vòng lặp được đặt đúng vị trí trước khi ngừng hoạt động. Tuyệt đối không gia nhiệt bằng ngọn lửa trực tiếp.
- Phương pháp cơ khí (nếu không có máy gia nhiệt): Sử dụng ống lót chuyên dụng có đường kính phù hợp với vòng trong bi. Đặt ống lót lên vòng trong và dùng búa mềm hoặc dụng cụ ép hoạt động đều, nhẹ nhàng lên ống lót để đeo vòng bi vào trục. Tuyệt đối tránh tác trực tiếp lên vòng ngoài hoặc thành viên.
- Lưu ý quan trọng: Sau khi lắp đặt, phải tiến hành bôi trơn vòng bi ngay lập tức bằng mỡ hoặc dầu phù hợp với ứng dụng của bạn, vì vòng bi 6210/C3 không được tra mỡ sẵn. Đảm bảo vòng được gắn thẳng, không bị trượt hoặc bị kẹt.
- Gỡ bỏ:
- Sử dụng cả chuyên gia hỗ trợ (cảo cơ hoặc thủy lực cách phù hợp với vòng bi kích thước) để xoay vòng bi một cách an toàn và không gây hư hỏng cho xẹp hoặc gối hỗ trợ. Tác dụng lực đều và đúng ở vòng trong (khi rút xẹp) hoặc vòng ngoài (khi rút gối).
- Đối với các trường hợp khó khăn, có thể sử dụng phương pháp gia nhiệt vòng trong (nếu rút trục vít) hoặc vòng ngoài (nếu rút gối hỗ trợ) để giãn nở, giúp tháo gỡ dễ dàng hơn.
- Tránh dùng đập trực tiếp lên các sinh vật học hoặc các bộ phận khác có thể gây ra các dạng biến đổi, hư hỏng. Việc này không chỉ làm hỏng vòng bi mà còn tiềm ẩn nguy hiểm.
- Người bảo vệ: Nếu không sử dụng ngay, hãy giữ vòng bi trong bao bì gốc của nhà sản xuất, ở nơi khô ráo, thoáng mát, tránh ánh nắng trực tiếp và các chất hóa học ăn mòn để ngăn chặn sét và bụi nguy hiểm xâm nhập.
8. So Sánh Vòng Bi 6210/C3 với Các Loại 6210 Khác
Việc hiểu rõ sự khác biệt giữa các loại vòng bi 6210 SKF sẽ giúp bạn lựa chọn sản phẩm phù hợp nhất cho ứng dụng của mình, tối ưu hóa hiệu suất và chi phí đầu tư. Bảng so sánh bên dưới tập tin khác biệt giữa các loại dây và khe hở:
| Tiêu chí | SKF 6210/C3 (Mở, khe hở C3) | SKF 6210-2Z (2 Nắp Thép, khe CN) | SKF 6210-2RSH (2 Phớt cao su, khe CN) |
|---|---|---|---|
| Chất liệu/Chắc chắn | Không có (Open) | Mũ thép (Shield) – 2 bên (Không tiếp xúc) | Phớt cao su (NBR) – 2 bên (Tiếp xúc) |
| Khả năng làm kín | Siêu tiết kiệm (dễ bị bụi bẩn, mỡ máu) | Tốt (chắn bụi lớn, giữ mỡ, kém hơn loại sương cao su có chất độc) | Vượt trội (ngăn bụi, nước, giữ mỡ tối đa) |
| Khe khe hướng kính | C3 (Lớn hơn tiêu chuẩn) | CN (Tiêu chuẩn) | CN (Tiêu chuẩn) |
| Tốc độ quay tối đa | 10 000 r/min ( Giới hạn) – Cao nhất | 8 000 vòng/phút ( Limit) | 5 600 vòng/phút ( Giới hạn) – Thấp nhất |
| Khả năng chống ẩm/lỏng | Rất gần (cần bảo vệ bên ngoài) | Trung bình (số lượng lớn bụi) | Rất tốt |
| Nhu cầu bảo trì | Cao (cần bôi trơn bất kỳ hoặc liên tục từ bên ngoài hệ thống) | Tinh khiết (bôi trơn từ nhà, kín đáo với bụi lớn) | Rất thấp (bôi trơn đời sống trong môi trường bình thường) |
| Độ âm / Rung động | Low (làm ma cực thấp) | Very low (làm ma sát) | Thấp (có thể cao hơn 2Z một chút do ma sát) |
| Giá thành | Thấp nhất (ít vật liệu bảo vệ) | Trung bình | Cao nhất |
| Ứng dụng điển hình | Động cơ điện công suất lớn, trục chính máy công cụ, hộp số công nghiệp, mủ/quạt tốc độ cao, nơi có nhiệt độ cao, cần tốc độ cực cao và có hệ thống bôi trơn tập trung trong môi trường sạch. | Động cơ điện, máy hút, quạt công nghiệp, máy công cụ, hộp số, nơi cần tốc độ cao, ma sát và môi trường tương đối sạch. | Động cơ, máy hút, hộp số, máy nông nghiệp, máy chế biến thực phẩm, nơi cần bảo vệ tối đa khỏi ô nhiễm nhiễm nấm hồng (bụi, nước, hóa chất) và duy trì bôi trơn. |
9. Cách Phân Biệt Vòng Bi SKF 6210/C3 Thật – Giả Lời Khuyên Từ Chuyên Gia Mecsu
Thị trường hiện nay có rất nhiều hàng giả, hàng giả chất lượng, đặc biệt là với các sản phẩm vòng bi SKF chính hãng được ưa chuộng. Để đảm bảo bạn mua được vòng bi SKF 6210/C3 chính hãng tại TP.HCM, Mecsu khuyến nghị kiểm tra các dấu hiệu sau:
a. Dấu hiệu SKF 6210/C3 chính hãng :
- Bao bì chất lượng cao: Sắc nét, màu xanh đặc trưng của SKF, sản phẩm thông tin rõ ràng, đầy đủ mã vạch/QR code và thông tin xuất xứ. Bạn sẽ tìm thấy công nghệ trong từng chi tiết.
- In ấn trên vòng bi sắc nét: Logo SKF, sản phẩm mã hóa hóa (6210/C3) và quốc gia sản xuất được in hoặc khắc laser sắc nét, rõ ràng, không lem, không sai phông chữ, rất khó bị tẩy xóa.
- Mã QR/Bar code xác thực: Có thể quét bằng ứng dụng “SKF Authenticate” trên điện thoại di động thông minh để xác thực nguồn gốc và tính chính hãng của sản phẩm. Đây là công cụ hữu ích nhất của SKF để chống hàng giả.
- Cảm giác giác giác vận cực kỳ mượt mà: Khi quay vòng bi bằng tay, bạn sẽ cảm nhận được tốc độ mượt mà, nhẹ nhàng tuyệt đối do không có bất kỳ ma sát từ bái hay dây chuyền. Không có tiếng kêu lạ hoặc cảm giác giác.
- Gia công chính xác: Các chi tiết của vòng bi (vòng trong, vòng ngoài, bi, vòng cách) được gia công rất tinh, bề mặt bóng, không có ba qua hay chúc. Khe hở C3 có thể cảm nhận được một chút giảm nhẹ khi lắc vòng bi.
- Chứng từ đầy đủ: Nhà cung cấp uy tín sẽ cung cấp đầy đủ “CO” (chứng nhận xuất xứ) và “CQ” (chứng nhận chất lượng) từ nhà sản xuất, đảm bảo nguồn gốc và chất lượng sản phẩm.
b. Dấu hiệu của vòng bi SKF 6210/C3 hàng giả/nhái:
- In ấn mờ nhạt, sai chính tả, phông chữ lạ, thiếu thông tin hoặc không chính xác trên cả bao bì và vòng bi.
- Bao bì thô, màu trôi chuẩn SKF, thiếu thông tin quan trọng hoặc có dấu hiệu làm lại.
- Chất lượng gia tăng sự thân thiện: Bề ngoài các chi tiết có thể thô, có ba hoặc không đánh bóng. Bi có thể không đều.
- Không có mã QR hoặc mã hóa không quét được hoặc quét ra thông tin không khớp với sản phẩm chính hãng.
- Khi quay tay có tiếng kêu lạo xạ, cảm giác giác giác, nặng, hoặc độ rơ quá lớn/quá nhỏ bất ngờ.
- Giá bán rẻ bất ngờ so với thị trường của các sản phẩm chính hãng – đây là dấu hiệu cảnh báo lớn nhất.

10. Giá Bán & Gợi Ý Mua Vòng Bi SKF 6210/C3 Chính Hãng Tại TP.HCM
a. Giá vòng bi SKF 6210/C3 (TP.Hồ Chí Minh) tại Mecsu: 336,571 đ/ Cái (đã có VAT) – Giá hợp lý, phù hợp với chất lượng sản phẩm chính hãng
Liên hệ để nhận báo giá tốt nhất (giá có thể thay đổi tùy thời điểm và số lượng) – Giá hợp lý, phù hợp với chất lượng sản phẩm chính hãng SKF tại thị trường vòng bi TP.HCM.
b. Gợi ý mua vòng bi chính hãng SKF uy tín
- Chọn nhà cung cấp uy tín tại TP.HCM: Ưu tiên đối tác có bằng chứng nhận từ SKF hoặc đơn vị lâu năm, được nhiều khách hàng tin tưởng và có danh tiếng trên thị trường cung cấp linh kiện cơ khí tại TP.HCM.
- Kiểm tra chứng từ đầy đủ: Luôn yêu cầu đầy đủ “CO” (chứng nhận xuất xứ) và “CQ” (chứng nhận chất lượng) để đảm bảo nguồn gốc và chất lượng của sản phẩm. Điều này giúp bạn tránh mua phải “vòng bi SKF giả” trên thị trường.
-
- 100% sản phẩm chính hãng: Đảm bảo nguồn gốc rõ ràng, đầy đủ chứng từ. Chúng tôi cam kết hoàn tiền 100% hoặc đổi trả nếu sản phẩm không thuộc loại công thức chính.
- Chính sách bảo hành minh bạch: Hỗ trợ đổi trả nếu nhà sản xuất gặp lỗi, mang lại sự an tâm tuyệt đối cho khách hàng.
- Hỗ trợ kỹ thuật chuyên sâu: Đội ngũ kỹ sư giàu kinh nghiệm sẵn sàng hỗ trợ bạn về kỹ thuật và lựa chọn sản phẩm phù hợp nhất cho mọi ứng dụng.
- Giá cả cạnh tranh: Đảm bảo giá tốt nhất đi kèm chất lượng, với chính sách chiết khấu hấp dẫn cho đơn hàng số lượng lớn, đặc biệt khi “mua vòng bi SKF số lượng lớn”.
MUA THÊM NHIỀU LOẠI VÒNG BI CHÍNH HÃNG KHÁC TẠI MECSU
11. Câu hỏi thường gặp về Vòng Bi SKF 6210/C3
a. Vòng bi SKF 6210/C3 có cần bảo dưỡng, tra mỡ không?
Vòng bi SKF 6210/C3 là loại vòng bi mở, không thể mua sẵn mỡ từ nhà máy. Nó yêu cầu một hệ thống bôi trơn bên ngoài (dầu hoặc mỡ) để hoạt động. Việc bôi trơn định kỳ hoặc liên tục được bắt buộc để đảm bảo tuổi thọ và hiệu suất của vòng bi. Tần suất và loại chất bôi trơn sẽ phụ thuộc vào ứng dụng và điều kiện hoạt động cụ thể.
b. Chữ “/C3” trong mã SKF 6210/C3 có ý nghĩa gì?
- Chữ “/C3” chỉ có hai vòng có khoảng trống hướng tâm lớn hơn khoảng tiêu chuẩn (CN). Khe hở này giúp vòng bi hoạt động tốt hơn trong các điều kiện nhiệt độ cao (khi có sự giãn nở nhiệt của trục vít/gối hỗ trợ) hoặc khi lắp đặt với độ siết chặt, giúp tránh tình trạng bi bị kẹt hoặc tạo ra ứng suất quá trình.
c. Vòng bi SKF 6210/C3 có phải là vòng bi chịu nhiệt không?
Vòng bi SKF 6210/C3 có khe hở C3, cho phép nó chịu đựng tốt hơn sự giãn nở nhiệt nên với vòng bi khe tiêu chuẩn. Việc không có sản phẩm hay rùng rợn cũng giúp nó chịu được nhiệt độ cao hơn so với các loại có nhiệt độ cao su. Tuy nhiên, khả năng chịu nhiệt độ thực tế sẽ phụ thuộc vào loại dầu hoặc mỡ được sử dụng để bôi trơn và hệ thống làm mát đi kèm. Đây là lựa chọn tốt cho môi trường nhiệt độ cao khi có hệ thống bôi trơn và làm mát phù hợp.
d. Làm sao biết vòng bi 6210/C3 của tôi là hãng SKF chính hãng?

đ. Khi nào cần thay thế bi 6210/C3?
Bạn nên thay thế vòng bi khi nhận được các dấu hiệu sau:
- Tiếng ồn bất thường: Tiếng kêu lạo xạo, rít, hoặc kêu khi vòng bi quay, báo hiệu bi hoặc rãnh bị mòn.
- Tăng nhiệt độ: Vòng bi nóng lên bất thường trong quá trình hoạt động, có thể thiếu bôi trơn, mỡ/dầu đã lão hóa hoặc tải quá trình.
- Độ cao lớn: Thiết bị hoạt động có mức độ tăng lên đáng kể, ảnh hưởng đến hiệu suất và có thể gây nguy hiểm cho các bộ phận khác.
- Biến dạng vật lý: Vòng bi bị mòn, móp, rỉ sét hoặc có dấu hiệu hư hỏng.
- Vòng bi bị khóa hoặc không được xóa.
- Sự cố hệ thống bôi trơn: Nếu hệ thống bôi trơn gặp vấn đề, vòng bi sẽ nhanh chóng bị hỏng do thiếu dầu/mỡ.
Kinh nghiệm từ các kỹ sư Mecsu: Việc kiểm tra định kỳ bằng cách lắng nghe tiếng ồn hoặc cảm nhận độ rung, cùng với công việc kiểm tra và bổ sung chất bôi trơn thường xuyên, có thể giúp phát hiện sớm các dấu hiệu cần thay thế, tránh gây tổn hại chất béo hơn cho toàn bộ hệ thống. Đừng ngần ngại liên hệ với chúng tôi để được hỗ trợ kỹ thuật về bảo trì vòng bi hoặc thay thế vòng bi.
f. Mua vòng bi SKF 6210/C3 chính hãng, uy tín ở đâu tại TP.HCM?
- Cam kết chất lượng: 100% sản phẩm có nguồn gốc rõ ràng, đầy đủ chứng từ CO, CQ. Chúng tôi cam kết hoàn tiền 100% hoặc đổi trả nếu sản phẩm không phải của công ty chính thức.
- Giá cả cạnh tranh: Đảm bảo giá tốt nhất đi kèm chất lượng, với chính sách chiết khấu hấp dẫn cho đơn hàng số lượng lớn, đặc biệt khi “mua vòng bi SKF số lượng lớn”.
- Tư vấn chuyên sâu: Đội ngũ kỹ sư giàu kinh nghiệm sẵn sàng hỗ trợ bạn về kỹ thuật và lựa chọn sản phẩm phù hợp nhất.
- Chính sách hậu mãi: Đảm bảo quyền lợi tối đa cho khách hàng với dịch vụ hỗ trợ nhanh chóng, tận tâm.
MUA THÊM NHIỀU LOẠI VÒNG BI CHÍNH HÃNG KHÁC TAI MECSU
12. Liên Hệ và Hỗ Trợ Tư Vấn Vòng Bi SKF
Nếu bạn có bất kỳ thắc mắc nào về vòng bi SKF 6210/C3 hoặc cần tư vấn về giải pháp vòng bi cho ứng dụng cụ thể của mình, đừng ngần ngại liên hệ với đội ngũ chuyên gia của Mecsu. Chúng tôi luôn sẵn sàng hỗ trợ bạn tìm ra sản phẩm phù hợp và tối ưu nhất, đồng thời cung cấp những kiến thức về kỹ thuật bảo trì vòng bi mà bạn khó tìm thấy ở những nơi khác.
Địa chỉ: B28/I – B29/I Đường số 2B, KCN Vĩnh Lộc, P. Bình Hưng Hòa B, Q. Bình Tân, TP.HCM
Đường dây nóng: 1800 8137
Email: [email protected]
Trang web: mecsu.vn
13. Thông Tin Bổ sung & Kinh nghiệm Thực Tế Từ Mecsu
a. Kinh nghiệm Thực Tế & Câu Chuyện Thành Công
Tại Mecsu, chúng tôi tự hào là đối tác đáng tin cậy của nhiều doanh nghiệp trong việc cung cấp các giải pháp chất lượng cao vòng vòng. “Vòng bi SKF 6210/C3”, với đặc tính tốc độ quay cực cao, ma sát thấp và khe hở lớn, đã được ứng dụng trong nhiều dự án quan trọng của khách hàng chúng tôi tại “TP. Hồ Chí Minh” và các tỉnh lân cận, mang lại hiệu quả vượt trội và là minh chứng cho sản phẩm chất lượng cùng kinh nghiệm thực tế của đội ngũ Mecsu:
- Ngành sản xuất thép và kim loại: Chúng tôi đã cung cấp “SKF 6210/C3” cho dây thép cán thép, nơi có nhiệt độ cao và tốc độ quay lớn là yếu tố quyết định. Khe C3 giúp duy trì tốc độ ổn định trong môi trường khắc phục điều này.
- Công nghiệp chế độ gỗ: Trong các máy cưa lớn, máy bào tốc độ cao, vòng bi 6210/C3 cho phép hoạt động liên tục ở mức tối thiểu, giảm nhiệt lượng sinh ra và kéo dài tuổi thọ thiết bị.
- Hệ thống máy phát điện và tua bin nhỏ: Vòng bi này được sử dụng trong các bộ phận yêu cầu độ tin cậy cao ở tốc độ quay lớn và có thể được tích hợp vào hệ thống bôi trơn tuần hoàn.
b. Trích Dẫn Chuyên Gia
“SKF 6210/C3” là lựa chọn lý tưởng cho các ứng dụng công nghiệp nặng, tốc độ cao và môi trường có sự thay đổi nhiệt độ phải kể. Mặc dù là loại vòng bi mở nhưng với hệ thống bôi trơn phù hợp, nó mang lại hiệu suất vượt trội về ma sát và khả năng chịu tải. Đây là một tài khoản đầu tư cho độ bền và hiệu quả lâu dài trong các hệ thống Yêu cầu khe nhất.”
— “Kỹ sư cơ khí Chuyên gia kỹ thuật Mecsu” (TP. Hồ Chí Minh) – Với hơn 10 năm kinh nghiệm trong lĩnh vực “bạc đạn công nghiệp”.
c. Tài Liệu Tham Khảo và Nghiên Cứu
Nội dung bài viết này được biên soạn dựa trên các tài liệu kỹ thuật chính quy và đáng tin cậy của SKF , cùng với kinh nghiệm thực tế chuyên sâu của đội ngũ kỹ sư Mecsu, đảm bảo tính chính xác, cập nhật và chuyên môn môn môn cao:
- Danh mục sản phẩm SKF (Danh mục sản phẩm SKF chính thức) – Nguồn dữ liệu kỹ thuật chi tiết nhất về “vòng bi SKF”.
- Tài liệu kỹ thuật SKF Explorer – Vòng bi ngành sâu (Thông tin chuyên sâu về “vòng bi cầu sâu SKF Explorer”) – Cung cấp cái nhìn toàn diện về thế hệ vòng bi bền bỉ này.
- Bảng dữ liệu kỹ thuật (Datasheet) chi tiết của SKF 6210/C3 – Nguồn thông số kỹ thuật chính xác.
- Trải nghiệm thực tế và phản hồi từ các dự án khách hàng của Mecsu – “Dữ liệu độc nhất” được thu thập từ hơn 10 năm cung cấp “linh kiện cơ khí” và “giải pháp vòng bi” cho doanh nghiệp tại Việt Nam.
Biên soạn bởi: Đội ngũ kỹ sư Mecsu
(Xem thêm thông tin về chúng tôi tại Website Mecsu )
Lưu ý: Hình ảnh sản phẩm có thể khác biệt so với sản phẩm thực tế của SKF. Vui lòng tham khảo thông số kỹ thuật chi tiết hoặc liên hệ Mecsu để có thông tin chính xác nhất về sản phẩm.



















Đánh giá
Chưa có đánh giá nào.