Mô tả sản phẩm
Đánh giá CHUYÊN SÂU về Bulong Inox 304 DIN933 M6x25
Mục Lục
- 1. Bulong Inox 304 DIN933 M6x25 là gì và có đặc điểm gì nổi bật?
- 2. Thông số kỹ thuật chi tiết của Bulong Inox 304 M6x25
- 3. Cấu tạo của Bulong Inox 304 M6x25 gồm những phần nào?
- 4. Ý nghĩa các ký hiệu trên đầu Bulong A2-70 là gì?
- 5. Cường độ chịu lực của Bulong Inox 304 M6x25 (A2-70) là bao nhiêu?
- 6. Phân loại Bulong Inox 304 theo hình dạng và loại ren như thế nào?
- 7. Ưu và nhược điểm của Bulong Inox 304 DIN933 M6x25 là gì?
- 8. Bulong Inox 304 M6x25 được ứng dụng trong những lĩnh vực nào?
- 9. Bulong Inox 304 có chịu được nhiệt độ cao không?
- 10. Hướng dẫn lắp đặt và tháo gỡ Bulong Inox 304 đúng cách?
- 11. Làm thế nào để phân biệt Bulong Inox 304 chính hãng với hàng giả?
- 12. Giá bán & gợi ý mua Bulong Inox 304 DIN933 M6x25 chính hãng ở đâu?
- 13. FAQ về Bulong Inox 304 DIN933 M6x25
- 14. Liên hệ và hỗ trợ tư vấn về Bulong Công Nghiệp
- 15. Thông Tin Bổ Sung & Kinh Nghiệm Thực Tế từ Mecsu
1. Bulong Inox 304 DIN933 M6x25 là gì và có đặc điểm gì nổi bật?
Bulong Inox 304 DIN933 M6x25 là một loại chốt vặn đầu lục giác, thiết kế ren suốt (Full Thread Hex Bolt) theo tiêu chuẩn Đức DIN 933. Sản phẩm được sản xuất từ vật liệu thép không gỉ chất lượng cao Inox 304 (ký hiệu mác thép là A2). Loại bulong này nổi tiếng với khả năng chống ăn mòn tuyệt hảo và được ưu tiên sử dụng trong các môi trường có yêu cầu khắt khe về vệ sinh và thẩm mỹ.
Điểm mạnh cốt lõi của bulong này nằm ở hàm lượng Crom (18%) và Niken (8%), tạo ra khả năng chống gỉ sét ưu việt ngay cả trong điều kiện ẩm ướt. Bulong có đường kính ren danh nghĩa M6 (6mm) và chiều dài thân 25mm. Đây là giải pháp liên kết hàng đầu cho các ngành công nghiệp chế biến, y tế và xây dựng dân dụng nơi cần chống oxy hóa.
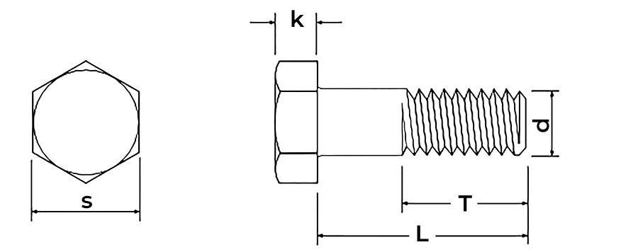
2. Thông số kỹ thuật chi tiết của Bulong Inox 304 M6x25
d: Đường kính ren
l: Chiều dài
k: Chiều cao đầu
s: Size khóa
| Thông số | Giá trị |
|---|---|
| Mã đặt hàng | 0060522 |
| Mã sản phẩm | B01M0601025TH00 |
| Hệ kích thước | Met |
| Loại sản phẩm | Bulong lục giác ren suốt |
| Tiêu chuẩn | DIN 933 |
| Size ren (d) | M6 |
| Bước ren | 1 mm |
| Chiều dài (l) | 25 mm |
| Chiều cao đầu (k) | 4 mm |
| Size khóa (s) | 10 mm |
| Loại đầu | Lục giác |
| Vật liệu | Inox 304 (A2) |
| Cấp bền | A2-70 (Tương đương cấp bền 7.0) |
| Bề mặt | Bóng/Sáng (Không gỉ) |
| Xuất xứ | Trung Quốc |
3. Cấu tạo của Bulong Inox 304 M6x25 gồm những phần nào?
Bulong Inox 304 M6x25 mang cấu trúc điển hình của một bu lông đầu lục giác ren hoàn toàn, tối ưu hóa cho việc lắp ráp nhanh chóng và chống ăn mòn.
- Đầu bulong: Phần đầu có hình sáu cạnh, được thiết kế để sử dụng với cờ lê kích thước 10mm. Ký hiệu cấp bền A2-70 được dập chìm rõ ràng trên bề mặt đầu.
- Thân bulong: Là phần trụ tròn được gia công ren theo suốt chiều dài (25mm) theo tiêu chuẩn DIN 933. Kích thước ren M6 với bước ren 1 mm chuẩn, cho phép siết chặt mối ghép và tận dụng tối đa chiều dài ren.
4. Ý nghĩa các ký hiệu trên đầu Bulong A2-70 là gì?
Ký hiệu A2-70 trên đỉnh bulong Inox 304 là mác thép và cấp bền theo tiêu chuẩn quốc tế, cho phép người dùng xác định đặc tính kỹ thuật của sản phẩm.
- A2: Chỉ định nhóm vật liệu thép không gỉ Austenitic loại A2, đây chính là tên gọi tiêu chuẩn của Inox 304.
- 70: Đại diện cho giới hạn bền kéo danh nghĩa, đạt mức tối thiểu 700 MPa. Đây là chỉ số sức chịu đựng lớn nhất của bu lông trước khi xảy ra đứt gãy.
- Giới hạn chảy của bulong A2-70 là $ge 450text{ MPa}$ (tương đương cấp bền 7.0).
5. Cường độ chịu lực của Bulong Inox 304 M6x25 (A2-70) là bao nhiêu?
Bulong Inox 304 M6x25 với cấp bền A2-70 sở hữu giới hạn bền kéo tối thiểu là 700 MPa và giới hạn chảy tối thiểu là 450 MPa.
Khác với bulong thép carbon cường độ cao 8.8, bulong Inox 304 không được thiết kế cho các liên kết chịu tải trọng cực lớn. Thay vào đó, nó tối ưu hóa khả năng chống oxy hóa và duy trì độ bền ổn định trong môi trường ăn mòn. Sản phẩm này phù hợp cho tải trọng vừa phải trong các ứng dụng ngoại thất, ẩm ướt và khu vực chế biến.
6. Phân loại Bulong Inox 304 theo hình dạng và loại ren như thế nào?
Bulong làm từ vật liệu Inox 304 chủ yếu được phân loại dựa trên đặc điểm của thân và ren.
Theo hình dạng thân:
- Ren suốt (DIN 933): Loại bu lông có ren chạy dọc toàn bộ chiều dài thân (như mẫu M6x25 này). Rất thích hợp cho các mối nối cần tận dụng tối đa khả năng kẹp hoặc ghép các chi tiết mỏng.
- Ren lửng (DIN 931): Chỉ có ren ở phần cuối thân, phần còn lại là thân trơn. Thường được chọn cho các ứng dụng chịu lực cắt lớn, nơi thân trơn giúp tăng độ cứng vững.
Theo loại ren:
- Ren thô (Tiêu chuẩn): Có bước ren phổ thông (1 mm đối với M6), ưu điểm là dễ dàng tháo lắp và độ bền cao. Đây là loại ren thông dụng nhất của bulong Inox 304.
- Ren mịn (Nhuyễn): Có bước ren nhỏ hơn. Loại này thường được dùng để tăng khả năng chống tự tháo lỏng khi có rung động hoặc cần điều chỉnh chính xác.
7. Ưu và nhược điểm của Bulong Inox 304 DIN933 M6x25 là gì?
Sử dụng Bulong Inox 304 mang lại sự cân bằng giữa hiệu suất chống ăn mòn và chi phí đầu tư.
Ưu điểm:
- Khả năng chống ăn mòn vượt trội: Duy trì độ bền và ngoại hình trong môi trường thông thường, ẩm ướt và chịu được hầu hết các hóa chất không chứa Clo.
- Tính thẩm mỹ cao: Bề mặt sáng bóng tự nhiên, không cần lớp mạ, rất phù hợp cho các sản phẩm tiêu dùng hoặc lắp đặt lộ thiên.
- Duy trì cơ tính ở nhiệt độ thấp: Rất ổn định, không bị giòn gãy ở nhiệt độ dưới 0°C.
Nhược điểm:
- Cường độ cơ học trung bình: Giới hạn bền thấp hơn các loại bulong thép cường độ cao (8.8, 10.9).
- Chi phí sản xuất cao: Giá bán thường cao hơn đáng kể so với các loại bulong làm từ thép carbon.
- Nguy cơ kẹt ren: Có thể xảy ra hiện tượng “galling” (hàn lạnh giữa các ren) nếu siết quá nhanh hoặc không sử dụng chất bôi trơn.
8. Bulong Inox 304 M6x25 được ứng dụng trong những lĩnh vực nào?
Bulong Inox 304 M6x25 (với đường kính M6 và chiều dài 25mm) là lựa chọn linh hoạt cho nhiều ứng dụng cần chống gỉ, thẩm mỹ và tải trọng vừa phải.
- Xây dựng và ngoại thất: Lắp đặt lan can, cửa kính, mái che ngoài trời do khả năng chống chịu thời tiết và thẩm mỹ cao.
- Điện tử & Vỏ thiết bị: Lắp ráp vỏ tủ điện, hộp đựng thiết bị ngoài trời hoặc các tấm che máy.
- Sản xuất Đồ chơi & Thiết bị Thể thao: Cố định các bộ phận khung xe đạp, thiết bị tập gym trong nhà.
9. Bulong Inox 304 có chịu được nhiệt độ cao không?
Thép không gỉ Inox 304 có khả năng chống chịu nhiệt độ cao hơn đáng kể so với thép carbon thông thường. Nó có thể duy trì hoạt động hiệu quả trong môi trường có nhiệt độ lên đến 870°C (1600°F) nếu là nhiệt không liên tục, và chịu được tối đa 925°C (1700°F) trong thời gian dài mà ít bị oxy hóa.
Tuy nhiên, cần lưu ý rằng khi nhiệt độ tăng cao, các đặc tính cơ học như giới hạn bền kéo và giới hạn chảy sẽ giảm dần. Đối với các ứng dụng chịu tải nặng trong môi trường trên 300°C, các kỹ sư thường khuyến nghị sử dụng Inox 310 hoặc các hợp kim chịu nhiệt chuyên dụng khác.
10. Hướng dẫn lắp đặt và tháo gỡ Bulong Inox 304 đúng cách?
Việc lắp đặt và tháo gỡ chính xác bulong Inox 304 là thiết yếu để tránh hiện tượng kẹt ren (galling), từ đó đảm bảo độ bền và tuổi thọ của mối ghép.
Lắp đặt:
- Chuẩn bị: Bắt buộc sử dụng chất bôi trơn chuyên dụng (thường là hợp chất chống kẹt – anti-seize) trên ren trước khi vặn. Dùng cờ lê hoặc dụng cụ siết lực có kích thước đầu khóa 10mm phù hợp với M6.
- Thao tác: Thực hiện siết bulong một cách nhẹ nhàng, chậm rãi và liên tục. Tuyệt đối tránh siết quá nhanh hoặc quá mạnh bằng súng lực lớn để ngăn nhiệt ma sát gây ra hàn lạnh giữa các bề mặt ren.
Tháo gỡ:
- Dụng cụ: Sử dụng dụng cụ chính xác để tránh làm hỏng đầu bulong.
- Xử lý: Nếu bu lông đã bị kẹt cứng hoặc gỉ sét nhẹ, hãy sử dụng chất lỏng bôi trơn làm lỏng liên kết. Trong trường hợp kẹt ren nghiêm trọng, có thể cần làm mát mối ghép trước khi tháo.
11. Làm thế nào để phân biệt Bulong Inox 304 chính hãng với hàng giả?
Để đảm bảo chất lượng chống ăn mòn, việc nhận diện bulong Inox 304 (A2) chính hãng là rất quan trọng, đặc biệt tránh nhầm lẫn với Inox 201 hoặc thép mạ.
- Hàng thật (Inox 304):
- Ký hiệu A2-70 được dập chìm hoặc khắc laser trên đầu bulong phải sắc nét, rõ ràng.
- Thử bằng nam châm: Nam châm có thể hút nhẹ (do quá trình dập nguội làm tăng từ tính) nhưng lực hút rất yếu. Inox 304 nguyên bản là vật liệu phi từ tính.
- Bề mặt hoàn thiện sáng bóng, độ đồng đều cao, không có dấu hiệu rỉ sét hoặc ố màu.
- Hàng giả (Thường là Inox 201 hoặc thép mạ):
- Ký hiệu mờ, thiếu thông tin cấp bền, hoặc không được dập.
- Thử bằng nam châm: Nam châm hút mạnh (đặc biệt là đối với Inox 201 do hàm lượng Niken thấp, hoặc thép mạ kém chất lượng).
- Giá bán rẻ bất thường và dễ bị rỉ sét nhanh chóng khi tiếp xúc với môi trường ẩm ướt, chứng tỏ vật liệu kém chất lượng.
12. Giá bán & gợi ý mua Bulong Inox 304 DIN933 M6x25 chính hãng ở đâu?
a. Giá Bulong Inox 304 DIN933 M6x25 tại Mecsu: 808 đ / Cái (đã có VAT)
Liên hệ để nhận báo giá tốt nhất (giá có thể thay đổi tùy thời điểm và số lượng).
b. Gợi ý mua bulong chính hãng uy tín
- Chọn nhà cung cấp uy tín: Luôn ưu tiên các đơn vị có uy tín trên thị trường, cung cấp đầy đủ chứng nhận chất lượng vật liệu (Material Certificate – CO/CQ) rõ ràng, cùng với chính sách bảo hành và hỗ trợ kỹ thuật về vật liệu.
- Mua tại Mecsu: Mecsu cam kết cung cấp các sản phẩm bulong Inox 304 chính hãng, đảm bảo nguồn gốc và chất lượng vật liệu với giá cả cạnh tranh cùng dịch vụ tư vấn chuyên nghiệp.
MUA THÊM NHIỀU LOẠI BULONG CHÍNH HÃNG KHÁC TẠI MECSU
13. FAQ về Bulong Inox 304 DIN933 M6x25
a. Bulong Inox 304 M6x25 có thể thay thế bulong thép đen 8.8 M6x25 không?
Không nên thay thế trực tiếp. Bulong Inox 304 có khả năng chống gỉ tốt hơn, nhưng cường độ chịu lực (giới hạn chảy) lại thấp hơn đáng kể so với bulong thép đen 8.8. Việc thay thế chỉ nên thực hiện nếu ứng dụng đó không yêu cầu tải trọng lớn, mà ưu tiên khả năng chống ăn mòn.
b. Inox 304 có chịu được axit không?
Inox 304 có khả năng chống chịu tốt với nhiều loại axit nhẹ và kiềm. Tuy nhiên, nó sẽ bị ăn mòn nghiêm trọng bởi các dung dịch có chứa Clo (như nước muối, nước tẩy rửa) hoặc axit mạnh. Trong môi trường này, cần chuyển sang sử dụng Inox 316.
c. Tôi nên siết bulong Inox 304 M6x25 với lực siết bao nhiêu?
Lực siết (mô-men xoắn) cho bulong Inox 304 M6 cần được kiểm soát chặt chẽ. Do nguy cơ kẹt ren cao, lực siết phải được giảm khoảng 25-50% so với bulong thép carbon và phải sử dụng chất bôi trơn. Luôn tham khảo bảng lực siết tiêu chuẩn của nhà sản xuất cụ thể cho bulong Inox 304.
d. Làm sao để giảm thiểu hiện tượng kẹt ren (galling) khi lắp đặt?
Để chống kẹt ren, bạn cần thực hiện 3 biện pháp chính: 1) Sử dụng chất chống kẹt (anti-seize) gốc Nickel/Đồng/PTFE, 2) Siết chậm và liên tục, 3) Không sử dụng lại đai ốc và bulong đã từng bị kẹt.
14. Liên hệ và hỗ trợ tư vấn về Bulong Công Nghiệp
Nếu bạn có bất kỳ thắc mắc nào về bulong Inox 304 M6x25, lực siết hay các vấn đề chống ăn mòn, hãy liên hệ ngay với đội ngũ chuyên gia của Mecsu để được tư vấn và hỗ trợ chuyên sâu. Chúng tôi luôn sẵn lòng giúp bạn tìm ra giải pháp tối ưu nhất cho ứng dụng kỹ thuật của mình.
Địa chỉ: B28/I – B29/I Đường số 2B, KCN Vĩnh Lộc, P. Bình Hưng Hòa B, Q. Bình Tân, TP.HCM
Hotline: 1800 8137
Email: [email protected]
Website: mecsu.vn
15. Thông Tin Bổ Sung & Kinh Nghiệm Thực Tế từ Mecsu
a. Kinh Nghiệm Thực Tế & Câu Chuyện Thành Công
Bulong Inox 304 M6x25 đã được Mecsu cung cấp và lắp đặt thành công trong nhiều dự án yêu cầu khả năng chống gỉ và thẩm mỹ, từ các hệ thống lan can kính ngoài trời cho đến các dây chuyền đóng gói thực phẩm. Sản phẩm này luôn nhận được đánh giá cao về độ bền vật liệu, chứng minh sự tin cậy trong các môi trường có độ ẩm cao và tiếp xúc thường xuyên với nước/hơi nước.
b. Trích Dẫn Chuyên Gia
“Lựa chọn Inox 304 M6x25 cho các ứng dụng có tính ăn mòn nhẹ hoặc yêu cầu thẩm mỹ là quyết định đúng đắn. Yếu tố then chốt để kéo dài tuổi thọ của mối ghép Inox 304 là phải sử dụng chất bôi trơn chuyên dụng và kiểm soát mô-men xoắn để ngăn chặn kẹt ren.”
— Kỹ sư cơ khí Chuyên gia kỹ thuật Mecsu (TP. Hồ Chí Minh) – Với hơn 10 năm kinh nghiệm.
c. Tài Liệu Tham Khảo và Nghiên Cứu
Nội dung chi tiết trong bài viết được xây dựng dựa trên các tiêu chuẩn kỹ thuật quốc tế và dữ liệu thực tế:
- DIN Standard Catalog (Tiêu chuẩn DIN chính thức).
- Tài liệu kỹ thuật về nhóm vật liệu Inox Austenitic (A2-70).
- Trải nghiệm thực tế từ các dự án khách hàng của Mecsu.
Biên soạn bởi: Đội ngũ Kỹ sư Mecsu
Với hơn 10 năm kinh nghiệm chuyên sâu, đội ngũ kỹ sư của Mecsu cam kết mang đến những thông tin hữu ích và chính xác nhất.
(Xem thêm thông tin về chúng tôi tại Website Mecsu)
Lưu ý: Hình ảnh sản phẩm có thể khác biệt so với thực tế tùy theo nhà sản xuất. Vui lòng tham khảo thông số kỹ thuật chi tiết hoặc liên hệ Mecsu để có thông tin chính xác nhất về sản phẩm.



















Đánh giá
Chưa có đánh giá nào.