Mô tả sản phẩm
Phân Tích Kỹ Thuật: Bulong Inox 316 DIN933 M10x40 – Hệ Thống Liên Kết Chịu Lực Chống Ăn Mòn
Mục Lục
- 1. Bulong Inox 316 DIN933 M10x40 là gì? Ưu điểm vật liệu mác A4
- 2. Bảng quy cách kỹ thuật chi tiết của Bulong Inox 316 M10x40
- 3. Đặc điểm cấu tạo và thông số hình học dòng Bulong M10x40
- 4. Ý nghĩa các ký hiệu tiêu chuẩn A4-70 dập trên đầu mũ
- 5. Đánh giá khả năng chịu tải của Bulong size M10 dài 40mm
- 6. Các tiêu chuẩn phân loại Bulong thép không gỉ phổ thông
- 7. Những lợi thế và lưu ý khi sử dụng Bulong Inox 316 M10x40
- 8. Ứng dụng thực tế của Bulong M10x40 trong các dự án lớn
- 9. Độ trơ hóa học và khả năng chịu nhiệt của Inox 316 (SUS316)
- 10. Quy trình lắp đặt kỹ thuật và cách phòng ngừa kẹt ren Inox
- 11. Cách kiểm tra để nhận diện Bulong Inox 316 chuẩn chất lượng
- 12. Cập nhật bảng giá và nơi mua Bulong Inox 316 M10x40 tin cậy
- 13. Các câu hỏi thường gặp (FAQ) về sản phẩm Bulong M10x40
- 14. Dịch vụ tư vấn giải pháp kỹ thuật và hỗ trợ từ Mecsu
- 15. Kinh nghiệm lựa chọn chiều dài Bulong cho mối nối bản mã
1. Bulong Inox 316 DIN933 M10x40 là gì? Ưu điểm vật liệu mác A4
Bulong Inox 316 DIN933 M10x40 là giải pháp lắp xiết chuyên dụng cho các kết cấu yêu cầu sự bền bỉ tuyệt đối trong môi trường hóa chất và nước biển. Được đúc kết từ thép không gỉ Austenitic mác 316 (hay còn được biết đến với tên gọi A4), sản phẩm này sở hữu hàm lượng Molypden giúp tăng cường khả năng kháng lại các tác nhân oxy hóa mạnh, vượt xa dòng Inox 304 thông thường.
Với kích thước M10x40, sản phẩm có đường kính thân 10mm và chiều dài 40mm. Dựa theo tiêu chuẩn DIN 933, toàn bộ phần thân 4cm được tiện ren suốt (Full Thread), mang lại sự cơ động tối đa khi cần kết nối các vật liệu có độ dày đa dạng hoặc khi cần điều chỉnh lực ép đồng đều trên suốt chiều dài thân bulong.
2. Bảng quy cách kỹ thuật chi tiết của Bulong Inox 316 M10x40
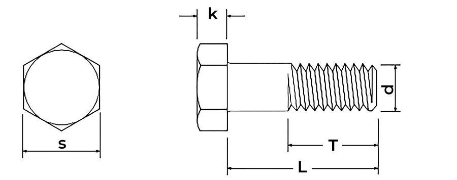
Ký hiệu chuẩn: d: Đường kính ren | l: Chiều dài | k: Chiều cao mũ | s: Size dụng cụ xiết
| Hạng mục thông số | Giá trị chi tiết |
|---|---|
| Mã đặt hàng (SKU) | 0057826 |
| Mã sản phẩm (MPN) | B01M1001040TK00 |
| Hệ kích thước | Met (Metric) |
| Chủng loại | Bulong lục giác ngoài |
| Tiêu chuẩn sản xuất | DIN 933 (Ren suốt toàn thân) |
| Đường kính ren (d) | M10 |
| Bước ren (P) | 1.5 mm (Ren thô tiêu chuẩn) |
| Chiều dài thân (l) | 40 mm |
| Chiều cao giác (k) | 6.4 mm |
| Size cờ lê (s) | 17 mm |
| Kiểu dáng mũ | Đầu Lục Giác |
| Chất liệu cấu thành | Inox 316 (Thép A4) |
| Cấu trúc ren | Ren suốt (Full Thread) |
| Ứng dụng trọng tâm | Đóng Tàu – Dự Án Dầu Khí |
| Nguồn gốc hàng hóa | Trung Quốc |
3. Đặc điểm cấu tạo và thông số hình học dòng Bulong M10x40
Sản phẩm Bulong Inox 316 M10x40 có cấu trúc cơ khí vững chắc, phù hợp cho các mối nối chịu tải trọng lớn:
- Phần đầu (Head): Được dập hình lục giác 6 cạnh đều với độ dày mũ 6.4mm. Kích thước cạnh đối (size s) là 17mm, tương thích hoàn hảo với các loại cờ lê hoặc đầu tuýp 17mm phổ biến, giúp việc thao tác trở nên nhanh chóng và an toàn.
- Phần thân (Body): Đường kính danh nghĩa đạt 10mm và chiều dài 40mm. Hệ ren mét với bước ren 1.5mm được cán mịn xuyên suốt chiều dài thân. Điều này cho phép bulong liên kết các bản mã, mặt bích hoặc thiết bị có tổng độ dày lên đến 25-30mm một cách chắc chắn sau khi đã lắp đai ốc và lông đền.
4. Ý nghĩa các ký hiệu tiêu chuẩn A4-70 dập trên đầu mũ
Quan sát đỉnh mũ bulong Inox 316 chính hãng, người dùng sẽ thấy các ký hiệu đặc thù nhằm bảo chứng cho chất lượng vật liệu:
- Ký hiệu A4: Định danh dòng thép không gỉ Austenitic 316. Số 4 đại diện cho nhóm vật liệu có khả năng chống rỗ bề mặt cực tốt trong môi trường chứa ion Clorua (như nước biển).
- Con số 70: Đại diện cho cấp độ bền kéo. Một chiếc bulong ghi A4-70 có khả năng chịu lực kéo đứt lên đến 700 N/mm2, đảm bảo tính ổn định cho các kết cấu hạ tầng quan trọng.
5. Đánh giá khả năng chịu tải của Bulong size M10 dài 40mm
Size M10 là một trong những kích thước phổ biến nhất nhờ sự cân bằng giữa đường kính và khả năng chịu tải cơ học:
- Giới hạn bền kéo tối thiểu: 700 MPa.
- Giới hạn chảy: Khoảng 450 MPa.
Với chiều dài 40mm, bulong M10 Inox 316 cung cấp lực giữ rất lớn, đặc biệt chống lại hiện tượng mỏi kim loại dưới tác động của rung động liên tục. Ở tỷ lệ chiều dài này, thân bulong đạt độ cứng vững tối ưu, không bị cong vênh khi siết lực lớn vào các vị trí mặt bích máy móc hay chân đế thiết bị.
6. Các tiêu chuẩn phân loại Bulong thép không gỉ phổ thông
Việc hiểu rõ phân loại giúp bạn chọn đúng vật tư cho môi trường làm việc cụ thể:
Phân loại theo mác vật liệu:
- Inox 304 (A2): Thích hợp cho các ứng dụng dân dụng, chống gỉ tốt ở điều kiện thường.
- Inox 316 (A4): Lựa chọn hàng đầu cho môi trường khắc nghiệt như cảng biển, giàn khoan dầu khí (Dòng M10x40 hiện tại).
Phân loại theo đặc tính ren:
- DIN 933: Bulong lục giác ren suốt (Sản phẩm này), cực kỳ linh hoạt cho mọi vị trí lắp đai ốc trên thân 40mm.
- DIN 931: Bulong lục giác ren lửng (có đoạn thân trơn), thường dùng khi cần tăng khả năng chịu lực cắt tại vị trí không có ren.
7. Những lợi thế và lưu ý khi sử dụng Bulong Inox 316 M10x40
Dưới đây là các điểm cần xem xét trước khi quyết định sử dụng:
Lợi thế:
- Kháng ăn mòn vĩnh cửu: “Bất khả chiến bại” trước hơi muối và các axit loãng, giúp bảo vệ mối nối hàng chục năm.
- Độ bóng cao: Bề mặt sáng mịn không cần sơn phủ, phù hợp cho ngành thực phẩm và y tế.
- Kích thước thông dụng: M10x40 là kích thước tiêu chuẩn, dễ dàng tìm kiếm linh kiện đi kèm như tán, long đền 316.
Lưu ý:
- Chi phí: Giá thành cao hơn dòng Inox 304 do thành phần Molypden quý giá.
- Rủi ro cháy ren: Do tính dẻo của Inox, nếu siết bằng máy tốc độ cao mà không bôi trơn, ren có thể bị hàn dính cơ học dẫn đến kẹt chết.
8. Ứng dụng thực tế của Bulong M10x40 trong các dự án lớn
Sản phẩm Bulong M10x40 Inox 316 đóng vai trò mắt xích quan trọng trong:
- Hệ thống xử lý nước thải: Dùng để liên kết các mặt bích đường ống, van chặn trong môi trường nước chứa nhiều tạp chất hóa học ăn mòn mạnh.
- Kết cấu hạ tầng ven biển: Lắp đặt các bảng biển chỉ dẫn, hệ thống chiếu sáng hoặc lan can tại các bến cảng, resort gần biển, nơi chịu sự tàn phá của gió muối.
- Sản xuất dược phẩm & Thực phẩm: Cố định các bộ phận máy móc, bồn trộn nhờ đặc tính không phôi nhiễm kim loại và dễ dàng tiệt trùng bằng hóa chất.
- Công nghiệp đóng tàu: Sử dụng để gắn kết các thiết bị hàng hải xuyên qua vách ngăn hoặc boong tàu có độ dày bản mã lớn (từ 15-25mm).
9. Độ trơ hóa học và khả năng chịu nhiệt của Inox 316 (SUS316)
Inox 316 là vật liệu đáng tin cậy cho các môi trường nhiệt độ biến thiên:
- Khả năng chịu nhiệt: Hoạt động bền bỉ từ môi trường lạnh sâu (khí hóa lỏng) cho đến nhiệt độ nóng lên tới 800°C mà không bị giòn gãy.
- Tính kháng hóa chất: Chịu được sự tấn công của Clorua, Axit Photphoric và các loại dung môi hữu cơ mạnh, giúp bề mặt bulong luôn sáng bóng như mới.
10. Quy trình lắp đặt kỹ thuật và cách phòng ngừa kẹt ren Inox
Để tối ưu hóa tuổi thọ mối nối và tránh các sự cố trong quá trình thi công:
Kỹ thuật lắp đặt:
- Dụng cụ: Sử dụng cờ lê vòng miệng hoặc đầu khẩu size 17mm.
- Kiểm tra ren: Đảm bảo ren không bị dính cát bẩn hay bavia kim loại trước khi vặn.
- Bôi trơn chống kẹt (Quan trọng): Nên sử dụng mỡ chống kẹt (Anti-seize) bôi lên toàn bộ thân ren để tản nhiệt ma sát khi xiết lực.
Kỹ thuật tháo gỡ:
- Nếu bulong đã lắp lâu ngày, hãy xịt dầu thấm (như RP7) và để dung dịch thấm sâu trong 10-15 phút trước khi tiến hành tháo.
11. Cách kiểm tra để nhận biết Bulong Inox 316 chuẩn chất lượng
Tránh mua nhầm hàng giả, hàng nhái bằng các phương pháp kiểm tra nhanh:
- Dùng thuốc thử Molybdenum: Đây là phương pháp trực quan nhất. Nhỏ dung dịch lên bề mặt, Inox 316 sẽ phản ứng đổi sang màu đỏ đặc trưng, giúp phân biệt rõ với Inox 304.
- Kiểm tra tính từ (Nam châm): Inox 316 chính chuẩn hầu như không hít nam châm hoặc hít cực nhẹ do quá trình gia công. Nếu hít mạnh, đó có thể là Inox 201 hoặc thép pha tạp.
- Ký hiệu đỉnh mũ: Chữ A4 phải được dập sắc nét, không bị nhòe hay tẩy xóa.
12. Cập nhật bảng giá và nơi mua Bulong Inox 316 M10x40 tin cậy
Giá bán tham khảo tại Mecsu: 7,235 đ / Cái (Đã bao gồm VAT)
Lưu ý: Đơn giá 7,235 đ là giá bán lẻ đề xuất. Đối với các đơn vị nhà thầu, đại lý hoặc mua số lượng lớn theo hộp cho dự án đóng tàu, Mecsu luôn có chính sách chiết khấu linh hoạt. Giá có thể thay đổi nhẹ tùy theo giá Niken trên thị trường kim loại thế giới.
MUA THÊM CÁC LOẠI BULONG INOX 316 KHÁC TẠI MECSU
13. Các câu hỏi thường gặp (FAQ) về sản phẩm Bulong M10x40
a. Tôi có thể dùng Bulong M10x40 Inox 316 cho bồn chứa nước biển không?
Hoàn toàn có thể. Inox 316 là vật liệu tiêu chuẩn cho các thiết bị tiếp xúc trực tiếp với nước biển. Khả năng chống ăn mòn lỗ (pitting corrosion) của nó sẽ đảm bảo mối nối không bị mục gãy sau thời gian dài sử dụng.
b. Tại sao sản phẩm này lại dùng cờ lê 17mm thay vì các cỡ khác?
Theo tiêu chuẩn DIN 933 quốc tế cho size M10, kích thước cạnh lục giác (s) quy định là 17mm. Điều này giúp diện tích tiếp xúc giữa dụng cụ và mũ bulong là lớn nhất, cho phép truyền lực xiết an toàn và hiệu quả nhất.
c. Tôi cần khoan lỗ bao nhiêu để lắp vừa Bulong M10x40?
Bạn nên khoan lỗ có đường kính 10.5mm hoặc 11mm (Clearance hole). Việc khoan lỗ rộng hơn một chút giúp bạn dễ dàng luồn bulong qua các lớp vật liệu dày 40mm mà không bị kẹt nếu các chi tiết lắp ghép không hoàn toàn đồng tâm.
d. Có cần dùng long đền phẳng cho size này không?
Rất nên dùng. Kết hợp 1 long đền phẳng và 1 long đền vênh (vòng đệm vênh) bằng Inox 316 sẽ giúp phân bổ lực siết đều lên bề mặt bản mã và chống lỏng ốc do rung động máy móc cực kỳ hiệu quả.
14. Dịch vụ tư vấn giải pháp kỹ thuật và hỗ trợ từ Mecsu
Mecsu tự hào là đối tác tin cậy, cung cấp vật tư tiêu chuẩn cho hàng nghìn dự án công nghiệp trọng điểm trên toàn quốc.
Địa chỉ văn phòng: B28/I – B29/I Đường số 2B, KCN Vĩnh Lộc, P. Bình Hưng Hòa B, Q. Bình Tân, TP.HCM
Hotline hỗ trợ: 1800 8137
Email nhận báo giá: [email protected]
Website chính thức: mecsu.vn
15. Kinh nghiệm lựa chọn chiều dài Bulong cho mối nối bản mã
Tính toán độ dài kẹp (Grip Length)
Khi sử dụng Bulong M10x40, bạn nên tính toán: Tổng độ dày chi tiết kẹp + Độ dày long đền + Độ dày đai ốc + Khoảng dư 3-5mm = 40mm. Nếu tổng độ dày vật liệu bạn kẹp nằm trong khoảng 22-26mm, thì size 40mm là sự lựa chọn hoàn hảo nhất.
Phòng tránh nhiễm chéo sắt từ
“Trong quá trình lắp đặt Bulong Inox 316, hãy tránh dùng các loại cờ lê hay đầu tuýp bằng thép carbon đã bị rỉ sét. Các mạt rỉ từ dụng cụ có thể bám vào bề mặt Inox 316 và gây ra hiện tượng gỉ sét giả, làm ảnh hưởng đến thẩm mỹ và lớp màng bảo vệ của sản phẩm.”
— Chia sẻ kinh nghiệm từ Kỹ thuật viên Mecsu.
Tài liệu tra cứu chuyên ngành
Nội dung được tổng hợp dựa trên:
- Bản tra tiêu chuẩn ISO 3506-1 về ốc vít thép không gỉ.
- Thông số tiêu chuẩn kỹ thuật DIN 933 quốc tế.
- Số liệu đo đạc thực tế tại hệ thống kho Mecsu Technical.
Biên tập bởi: Ban Kỹ Thuật Mecsu
Lưu ý: Hình ảnh sản phẩm chỉ mang tính minh họa cho kiểu dáng bulong lục giác DIN 933. Sản phẩm thực tế M10x40 sẽ có tỷ lệ thân ren và kích thước chuẩn xác theo đúng mô tả kỹ thuật đã nêu.
















Đánh giá
Chưa có đánh giá nào.