Mô tả sản phẩm
Đánh Giá Kỹ Thuật: Bulong Inox 316 DIN933 M12x25 – Giải Pháp Liên Kết Chịu Tải Trọng Lớn
Mục Lục
- 1. Bulong Inox 316 DIN933 M12x25 là gì? Sức mạnh kháng ăn mòn của thép A4
- 2. Bảng dữ liệu thông số kỹ thuật chi tiết của Bulong M12x25
- 3. Phân tích cấu tạo và đặc điểm hình học của size ren M12 ngắn
- 4. Ý nghĩa các ký hiệu kỹ thuật dập trên đầu mũ Bulong Inox 316
- 5. Đánh giá khả năng chịu tải và độ bền cơ học của size M12
- 6. Các phương pháp phân loại Bulong thép không gỉ phổ biến
- 7. Phân tích lợi điểm và hạn chế khi sử dụng Bulong Inox 316 M12x25
- 8. Ứng dụng thực tiễn của Bulong M12x25 trong công nghiệp nặng
- 9. Khả năng chịu nhiệt và tính trơ hóa học của vật liệu SUS316
- 10. Quy trình lắp đặt và tháo gỡ an toàn cho dòng Bulong thân lớn
- 11. Cách kiểm tra và nhận diện Bulong Inox 316 chính hãng
- 12. Cập nhật báo giá và địa chỉ mua Bulong M12x25 uy tín
- 13. Các câu hỏi thường gặp (FAQ) về sản phẩm Bulong M12x25
- 14. Trung tâm hỗ trợ và tư vấn giải pháp kỹ thuật Mecsu
- 15. Góc chia sẻ kinh nghiệm lắp đặt thực tế cho môi trường khắc nghiệt
1. Bulong Inox 316 DIN933 M12x25 là gì? Sức mạnh kháng ăn mòn của thép A4
Bulong Inox 316 DIN933 M12x25 là linh kiện cơ khí cao cấp được thiết kế để chịu tải trọng lớn trong những môi trường có tính ăn mòn hóa học cực cao. Được chế tạo từ thép không gỉ mác 316 (còn được gọi là A4 hoặc SUS316), sản phẩm này sở hữu khả năng chống oxy hóa vượt trội nhờ sự hiện diện của Molypden, giúp nó đứng vững trước sự tàn phá của nước biển mặn và các axit công nghiệp.
Sản phẩm có kích thước danh nghĩa M12x25, tương ứng với đường kính ren 12mm và chiều dài thân 25mm. Tuân theo tiêu chuẩn DIN 933, toàn bộ phần thân ngắn 2.5cm đều được cán ren suốt (full thread). Đây là lựa chọn lý tưởng cho các mối ghép yêu cầu lực siết cực mạnh nhưng không gian lắp đặt hạn chế về chiều sâu, thường thấy trong các bệ máy hoặc mặt bích dày.
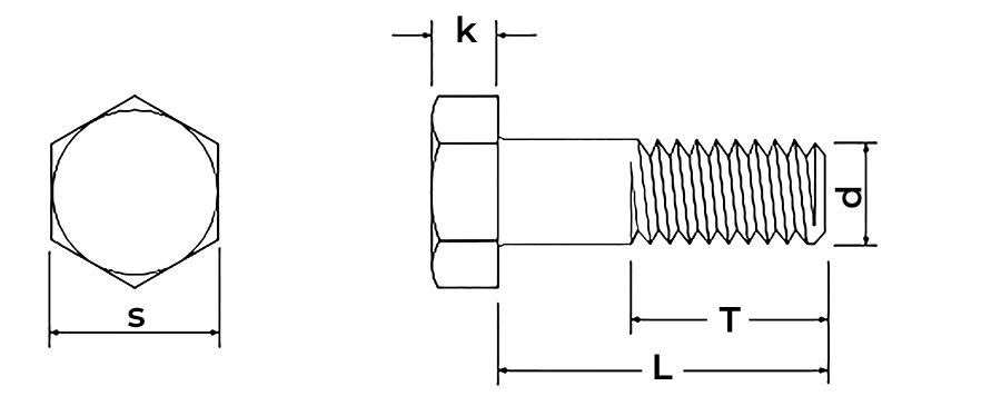
2. Bảng dữ liệu thông số kỹ thuật chi tiết của Bulong M12x25
d: Đường kính ren | l: Chiều dài | k: Chiều cao mũ | s: Size dụng cụ tháo lắp
| Hạng mục thông số | Giá trị kỹ thuật |
|---|---|
| Mã đặt hàng (SKU) | 0057839 |
| Mã sản phẩm (MPN) | B01M1201025TK00 |
| Hệ đo lường | Met (Metric) |
| Chủng loại | Bulong lục giác ngoài |
| Tiêu chuẩn sản xuất | DIN 933 (Cấu trúc ren suốt) |
| Đường kính ren (d) | M12 |
| Bước ren tiêu chuẩn (P) | 1.75 mm (Hệ ren thô) |
| Chiều dài thân (l) | 25 mm |
| Chiều cao giác (k) | 7.5 mm |
| Kích thước cờ lê (s) | 19 mm |
| Kiểu dáng mũ | Đầu Lục Giác |
| Chất liệu cấu tạo | Inox 316 (A4) |
| Kiểu tiện ren | Ren suốt (Full Thread) |
| Lĩnh vực ứng dụng | Đóng Tàu – Dầu Khí – Máy Móc Nặng |
| Nguồn gốc hàng hóa | Trung Quốc |
3. Phân tích cấu tạo và đặc điểm hình học của size ren M12 ngắn
Sản phẩm Bulong Inox 316 M12x25 sở hữu cấu trúc vật lý vô cùng chắc chắn nhờ đường kính thân lớn:
- Phần mũ (Hex Head): Hình lục giác 6 cạnh đều với chiều cao mũ đạt tới 7.5mm, giúp phân bổ lực siết cực tốt. Bạn cần sử dụng cờ lê hoặc đầu tuýp 19mm để thao tác trên sản phẩm này.
- Phần thân (Body): Có đường kính ren 12mm và chiều dài 25mm. Do chiều dài ngắn so với đường kính (tỷ lệ L/d xấp xỉ 2), bulong này gần như không thể bị biến dạng uốn, mang lại độ ổn định tuyệt đối cho các liên kết chịu nén và lực kéo căng lớn. Thân ren được tiện suốt với bước ren thô 1.75mm giúp quá trình tháo lắp diễn ra mạnh mẽ và chắc chắn.
4. Ý nghĩa các ký hiệu kỹ thuật dập trên đầu mũ Bulong Inox 316
Mỗi sản phẩm Inox 316 chính hãng đều mang các ký hiệu định danh cấp bền trên đỉnh mũ lục giác:
- A4: Ký hiệu của thép không gỉ nhóm Austenitic nhóm 4 (Inox 316). Đây là cấp vật liệu có khả năng chống ăn mòn điểm tốt nhất trong các dòng phổ thông, cực kỳ bền trong môi trường clorua.
- 70 hoặc 80: Chỉ số cấp bền kéo. Con số 70 tương ứng với giới hạn bền kéo tối thiểu là 700 N/mm². Với diện tích mặt cắt ngang của size M12, sản phẩm này có thể chịu được lực kéo đứt hàng tấn trên mỗi đơn vị liên kết.
5. Đánh giá khả năng chịu tải và độ bền cơ học của size M12
Size M12x25 bằng vật liệu SUS316 là dòng linh kiện có sức mạnh cơ lý ấn tượng:
- Giới hạn bền kéo danh nghĩa: 700 MPa.
- Khả năng chống cắt: Cực kỳ cao do thân bulong 12mm rất dày.
Nhờ thiết kế ngắn (25mm), bulong M12x25 loại bỏ hoàn toàn rủi ro về độ dãn dài không mong muốn hoặc hiện tượng cong vênh khi chịu lực cắt ngang lớn. Sản phẩm đạt hiệu suất tối ưu khi lắp vào các lỗ ren đã taro sẵn trên bệ máy thép hoặc sử dụng cùng đai ốc Inox 316 để cố định các mặt bích đường ống áp lực cao.
6. Các phương pháp phân loại Bulong thép không gỉ phổ biến
Lựa chọn đúng mác thép giúp tối ưu hóa hiệu quả kinh tế và kỹ thuật cho dự án:
Phân loại theo vật liệu:
- Inox 304 (A2): Lựa chọn chuẩn cho môi trường dân dụng, giá thành vừa phải.
- Inox 316 (A4): Lựa chọn cao cấp cho môi trường axit, nước biển (Sản phẩm hiện tại).
Phân loại theo quy cách ren:
- DIN 933 (Ren suốt): Tiện ren toàn bộ 25mm chiều dài thân. Đây là kiểu dáng của sản phẩm này, mang lại diện tích bám ren tối đa cho đoạn thân ngắn.
- DIN 931 (Ren lửng): Chỉ tiện ren một phần đầu thân, thường áp dụng cho các bulong có chiều dài lớn hơn 50-60mm.
7. Phân tích lợi điểm và hạn chế khi sử dụng Bulong Inox 316 M12x25
Lợi điểm:
- Kháng rỉ sét tuyệt đối: Bảo vệ mối ghép khỏi sự tấn công của hơi muối và hóa chất axit hàng chục năm.
- Chịu lực siêu hạng: Size M12 cung cấp lực giữ cực lớn, đảm bảo an toàn cho các kết cấu máy nặng.
- Độ dài 25mm tiện lợi: Rất dễ dàng lắp đặt trong các không gian hẹp, không gây vướng víu do thừa thân ren.
Hạn chế:
- Giá thành: Cao hơn dòng Inox 304 và thép carbon mạ kẽm do giá trị nguyên liệu quý Molypden.
- Trọng lượng: Size M12 có khối lượng lớn hơn các size nhỏ, cần lưu ý khi thiết kế các thiết bị yêu cầu giảm nhẹ trọng lượng tổng thể.
8. Ứng dụng thực tế của Bulong M12x25 trong công nghiệp nặng
Bulong M12x25 Inox 316 là sự lựa chọn ưu tiên cho các vị trí liên kết trọng yếu:
- Ngành Dầu khí & Dàn khoan: Sử dụng để lắp đặt các hộp bảo vệ thiết bị điện tử, cố định các tấm sàn thao tác trên giàn khoan ngoài khơi nơi sóng biển va đập liên tục.
- Sản xuất Hóa chất: Kết nối các mặt bích đường ống dẫn hóa chất nồng độ trung bình, nơi yêu cầu lực xiết mặt bích lớn để chống rò rỉ.
- Chế tạo Tàu thủy: Gắn các phụ kiện máy móc trên tàu, chân đế máy bơm nước biển hoặc các thiết bị định vị trên boong tàu.
- Hệ thống Xử lý nước: Dùng cho các cụm van điều tiết lực lớn trong bể chứa nước thải giàu lưu huỳnh và clorua.
9. Khả năng chịu nhiệt và tính trơ hóa học của vật liệu SUS316
Vật liệu Inox 316 duy trì sự ổn định vượt trội dưới các tác động ngoại cảnh:
- Độ bền nhiệt: Làm việc ổn định từ nhiệt độ âm sâu (kho lạnh) đến hơn 800 độ C mà không bị giòn gãy hay biến tính bề mặt.
- Kháng hóa chất: Chống lại sự ăn mòn lỗ (pitting corrosion) trong môi trường có nồng độ muối cao – một nhược điểm mà Inox 304 thường gặp phải.
10. Quy trình lắp đặt và tháo gỡ an toàn cho dòng Bulong thân lớn
Thực hiện đúng kỹ thuật lắp đặt giúp kéo dài tuổi thọ của bulong M12x25:
Hướng dẫn lắp đặt:
- Dụng cụ: Sử dụng cờ lê hoặc đầu tuýp 19mm sạch, không dính dầu mỡ chứa tạp chất sắt.
- Bôi trơn chống kẹt: Với size M12 lực siết lớn, hãy bôi một lớp mỡ chống kẹt ren (Anti-seize) để tránh hiện tượng cháy ren do nhiệt ma sát khi xiết chặt.
- Lực siết: Áp dụng momen xoắn phù hợp (thường khoảng 60-70 Nm cho mác 316 size M12) để đạt lực căng tối ưu mà không làm biến dạng ren.
11. Cách kiểm tra và nhận diện Bulong Inox 316 chính hãng
Để tránh mua nhầm hàng giả hoặc hàng kém chất lượng, quý khách có thể kiểm tra qua:
- Thuốc thử Molybdenum: Nhỏ dung dịch thử chuyên dụng lên bề mặt sạch của bulong. Nếu xuất hiện vết đỏ thẫm/đen, đó là Inox 316 thật; Inox 304 sẽ không đổi màu.
- Kiểm tra nam châm: Inox 316 nguyên bản không hút nam châm. Sau khi gia công ren nguội có thể hít rất nhẹ nhưng không mạnh như thép thường hay Inox 201.
- Chứng từ CO/CQ: Luôn kiểm tra giấy tờ xuất xứ và chứng nhận chất lượng đi kèm lô hàng từ nhà cung cấp uy tín.
12. Cập nhật báo giá và địa chỉ mua Bulong M12x25 uy tín
Giá bán tham khảo tại hệ thống Mecsu: 8,220 đ / Cái (Đã bao gồm VAT)
Lưu ý: Đơn giá 8,220 đ có thể biến động tùy theo thời điểm và số lượng đặt hàng thực tế. Đối với khách hàng mua sỉ theo hộp hoặc dự án xây lắp, Mecsu luôn có chính sách chiết khấu linh hoạt.
MUA THÊM CÁC LOẠI BULONG INOX 316 KHÁC TẠI MECSU
13. Các câu hỏi thường gặp (FAQ) về sản phẩm Bulong M12x25
a. Tôi cần khoan lỗ bao nhiêu để luồn Bulong M12x25?
Nếu bạn bắt xuyên qua lỗ chờ, nên khoan lỗ đường kính 13mm hoặc 13.5mm để thân bulong 12mm luồn qua dễ dàng. Nếu bắt vào lỗ taro ren, bạn cần dùng mũi khoan mồi 10.2mm trước khi chạy taro ren M12 bước 1.75mm.
b. Tại sao size M12 lại dùng kích thước khóa 19mm?
19mm là kích thước lục giác tiêu chuẩn theo chuẩn DIN 933 cho size M12. Độ rộng này đảm bảo diện tích tiếp xúc của dụng cụ siết đủ lớn để truyền momen xoắn cao mà không làm hỏng các cạnh lục giác của mũ bulong.
c. Chiều dài 25mm có tính luôn phần đầu mũ không?
Không. Theo quy chuẩn kỹ thuật, chiều dài 25mm chỉ được tính cho phần thân ren (đo từ mặt dưới của mũ lục giác đến hết đỉnh thân). Phần mũ dày 7.5mm nằm ngoài thông số chiều dài này.
d. Bulong Inox 316 có dùng được cho môi trường hóa chất Clo không?
Rất tốt. Inox 316 được sinh ra để khắc phục nhược điểm bị ăn mòn lỗ bởi ion Clo của Inox 304. Đây là lựa chọn hàng đầu cho các thiết bị hồ bơi, nhà máy xử lý nước và các thiết bị tiếp xúc nước biển.
14. Trung tâm hỗ trợ và tư vấn giải pháp kỹ thuật Mecsu
Mecsu tự hào là đối tác tin cậy cung cấp vật tư liên kết cho hàng ngàn công trình trọng điểm tại Việt Nam.
Văn phòng & Kho hàng: B28/I – B29/I Đường số 2B, KCN Vĩnh Lộc, P. Bình Hưng Hòa B, Q. Bình Tân, TP.HCM
Hotline tư vấn: 1800 8137
Email báo giá: [email protected]
Website: mecsu.vn
15. Góc chia sẻ kinh nghiệm lắp đặt thực tế cho môi trường khắc nghiệt
Kiểm soát lực kẹp (Clamping Force)
Với size lớn M12x25, hãy đảm bảo các bề mặt tiếp xúc của bản mã được làm sạch phẳng. Bất kỳ hạt bụi thép hay vết bavia nào kẹt giữa hai bề mặt cũng có thể làm giảm lực kẹp thực tế, dẫn đến lỏng ốc sau một thời gian vận hành dưới rung động.
Sử dụng phụ kiện đồng bộ
“Khi lắp Bulong Inox 316, hãy luôn ưu tiên sử dụng đai ốc (tán) và lông đền cùng chất liệu Inox 316. Việc sử dụng đai ốc thép mạ kẽm sẽ dẫn đến ăn mòn điện hóa cực nhanh, làm hỏng toàn bộ liên kết chỉ trong vài tháng làm việc ngoài trời.”
— Kinh nghiệm từ ban kỹ thuật Mecsu.
Tài liệu tham chiếu
Dữ liệu kỹ thuật được tổng hợp từ:
- Hệ thống tiêu chuẩn DIN 933 quốc tế.
- Thông số cơ lý thép không gỉ ISO 3506-1.
- Kết quả thực nghiệm tại kho hàng Mecsu.
Biên tập nội dung: Mecsu Technical Team
Lưu ý: Hình ảnh sản phẩm chỉ mang tính chất minh họa. Sản phẩm thực tế M12x25 sẽ có tỷ lệ thân ren ngắn và đầu lục giác rất lớn, phản ánh đúng đặc tính kỹ thuật chịu tải nặng của dòng size này.
















Đánh giá
Chưa có đánh giá nào.