Mô tả sản phẩm
Phân tích đặc tính Bulong Thép Đen 8.8 DIN931 M16x110: Cấu trúc cường độ cao và khả năng xuyên thấu vượt trội
Mục Lục Nội Dung
- 1. Giới thiệu tổng quan về Bulong Thép Đen 8.8 DIN931 M16x110
- 2. Bảng dữ liệu kỹ thuật Bulong M16x110 Mecsu Pro
- 3. Đặc điểm hình học và cấu tạo của Bulong lục giác M16x110
- 4. Ý nghĩa chỉ số cấp bền 8.8 dập trên mũ Bulong
- 5. Phân tích năng lực chịu tải và độ bền uốn của Bulong M16x110
- 6. Phân biệt Bulong M16x110 dựa trên tiêu chuẩn thân ren lửng
- 7. Đánh giá lợi thế và hạn chế khi sử dụng Bulong M16 dài 110mm
- 8. Vai trò của Bulong M16x110 trong các kết cấu hạ tầng nặng
- 9. Đối chiếu kỹ thuật: So sánh Bulong M16x110 và M12x110
- 10. Hướng dẫn quy trình lắp ráp Bulong M16 đúng tiêu chuẩn cơ khí
- 11. Cách nhận biết Bulong 8.8 đạt chuẩn chất lượng Mecsu
- 12. Cập nhật giá bán Bulong M16x110 & Hệ thống phân phối
- 13. Các câu hỏi thường gặp (FAQ) về dòng Bulong M16x110
- 14. Kênh tư vấn kỹ thuật và hỗ trợ đặt hàng trực tiếp tại Mecsu
- 15. Kiến thức chuyên ngành & Nhận định từ chuyên gia vật tư
1. Giới thiệu tổng quan về Bulong Thép Đen 8.8 DIN931 M16x110 và đặc tính nổi bật
Bulong Thép Đen 8.8 DIN931 M16x110 là dòng linh kiện liên kết hạng nặng, được thiết kế chuyên biệt cho các vị trí yêu cầu độ vươn dài và cường độ chịu kẹp lớn. Với đường kính thân 16mm và chiều dài ấn tượng lên tới 110mm, sản phẩm tuân thủ tiêu chuẩn DIN 931 với cấu trúc ren lửng (partial thread). Đặc tính này tạo nên một phần thân trơn (shank) dài và cứng cáp, giúp tối ưu hóa việc truyền lực và kháng lực cắt tại các mối nối xuyên qua các dầm thép dày.
Được chế tạo từ vật liệu thép carbon cường độ cao qua quy trình nhiệt luyện tôi và ram đặc biệt, bulong đạt cấp bền 8.8 chuẩn quốc tế. Lớp bề mặt được nhuộm đen và nhúng dầu bảo quản không chỉ mang lại thẩm mỹ công nghiệp mà còn bảo vệ sản phẩm khỏi các tác động oxy hóa trong môi trường lắp máy. Đây là giải pháp lý tưởng cho các dự án xây dựng cầu đường, nhà xưởng và chế tạo máy móc hạng nặng nơi an toàn kết cấu là ưu tiên hàng đầu.
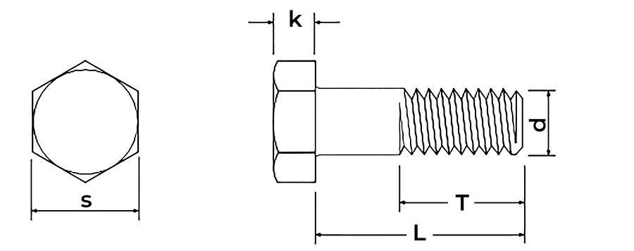
2. Bảng dữ liệu kỹ thuật chi tiết của Bulong Thép Đen 8.8 M16x110 Mecsu Pro
d: Đường kính ren tiêu chuẩn (M16)
l: Chiều dài tổng thân bulong (110mm)
b: Chiều dài phần có ren hữu dụng (38mm)
s: Kích thước cờ lê vặn đầu lục giác (24mm)
| Chỉ số kỹ thuật | Giá trị chi tiết |
|---|---|
| Mã định danh (SKU) | 0063447 |
| Ký hiệu MPN | B01M1601110PD10 |
| Nhãn hiệu | MS-PRO |
| Hệ đo lường | Met (Millimeter) |
| Tiêu chuẩn sản xuất | DIN 931 (Ren lửng) |
| Kích cỡ ren (d) | M16 |
| Bước ren tiêu chuẩn (P) | 2 mm (Hệ ren thô) |
| Chiều dài thân (l) | 110 mm |
| Chiều dài phần ren (b) | 38 mm |
| Độ dày đầu mũ (k) | 10 mm |
| Kích thước đầu khóa (s) | 24 mm |
| Kiểu mũ bulong | Đầu Lục Giác Ngoài |
| Cấp cường độ | 8.8 |
| Hoàn thiện bề mặt | Thép đen (Nhiệt luyện & Nhúng dầu) |
3. Đặc điểm hình học và cấu tạo của Bulong lục giác M16x110
Sản phẩm Bulong Thép Đen 8.8 M16x110 sở hữu cấu tạo cơ khí chuẩn xác, mang lại sự tin cậy tuyệt đối cho các liên kết dài:
- Đầu lục giác ngoài (Size 24mm): Được dập nguội với độ chính xác cực cao, chiều cao mũ đạt 10mm. Với kích cỡ này, việc sử dụng cờ lê hoặc đầu tuýp 24mm giúp truyền tải mô-men xoắn lớn, siết chặt các bản mã dày mà không gây biến dạng các góc cạnh của mũ bulong.
- Thân bulong ren lửng (110mm): Với tổng chiều dài 110mm, sản phẩm bao gồm 38mm đoạn có ren và phần thân trơn dài tới 72mm. Cấu tạo này giúp phần thân đặc nằm trọn trong các lớp vật liệu kẹp, chịu tải trọng cắt ngang chính và bảo vệ bước ren không bị hư hại do áp lực va đập dọc thân.
4. Ý nghĩa chỉ số cấp bền 8.8 dập trên mũ Bulong
Ký hiệu cường độ “8.8” dập nổi trên đầu mũ không chỉ là tên gọi mà là chứng chỉ xác nhận năng lực chịu tải:
- Số 8 đầu tiên: Biểu thị giới hạn bền kéo tối thiểu đạt 800 N/mm². Điều này khẳng định năng lực chịu lực kéo giãn cực lớn của dòng bulong size lớn M16 trước khi xảy ra hiện tượng đứt gãy.
- Số .8 thứ hai: Chỉ giới hạn chảy đạt 80% giá trị bền kéo (tương đương 640 N/mm²). Đây là ngưỡng tải trọng tối đa mà tại đó bulong vẫn có thể quay về trạng thái ban đầu, đảm bảo không bị giãn dài vĩnh viễn dẫn đến hiện tượng lỏng mối ghép.
5. Phân tích năng lực chịu tải và độ bền uốn của Bulong M16x110
Bulong M16x110 cấp bền 8.8 là “trụ cột” vững chắc cho các liên kết có độ xuyên thấu sâu. Với tiết diện thân rộng 16mm, sản phẩm cung cấp khả năng phân bổ áp suất kẹp chặt vượt trội qua các dầm thép lớn. Nhờ thiết kế ren lửng theo chuẩn DIN 931, phần thân đặc dài 72mm đưa vùng chịu tải cắt chính vào lõi thép không ren, từ đó gia tăng tuổi thọ và khả năng kháng uốn cho mối ghép khi công trình chịu tải trọng động.
Quy trình nhiệt luyện đồng nhất giúp thép đạt được độ cứng bề mặt ổn định nhưng vẫn giữ được độ dai bên trong lõi. Điều này cực kỳ quan trọng để ngăn chặn hiện tượng gãy giòn dưới tác động của rung động mạnh từ búa máy, băng chuyền hạng nặng hay các hệ thống cầu trục vận hành cường độ cao trong nhà xưởng.
6. Phân biệt Bulong M16x110 dựa trên tiêu chuẩn thân ren lửng
Việc chọn đúng tiêu chuẩn thiết kế thân sẽ quyết định độ bền lâu dài của công trình:
Phân loại theo tiêu chuẩn thân:
- DIN 931 (Mã sản phẩm hiện tại): Thân ren lửng. Sở hữu đoạn thân đặc trơn giữa mũ và phần ren. Ưu tiên tuyệt đối cho các liên kết xuyên qua các khối chi tiết dày, cần khả năng chịu cắt ngang tối ưu.
- DIN 933: Thân ren suốt. Ren chạy dọc từ mũ đến cuối thân bulong. Linh hoạt cho các trường hợp cần siết đai ốc ở nhiều độ dày vật liệu khác nhau nhưng độ chịu uốn thấp hơn DIN 931.
Phân loại theo bước ren:
- Ren thô (2.0mm): Là bước ren tiêu chuẩn của hệ M16, giúp thao tác lắp ráp nhanh chóng và rất khó bị hỏng ren khi thực hiện siết lực lớn bằng máy.
- Ren mịn: Có bước ren nhỏ hơn (như 1.5mm), thường áp dụng trong các cụm máy móc chính xác hoặc môi trường yêu cầu độ kín khít và kháng rung đặc biệt.
7. Đánh giá lợi thế và hạn chế khi sử dụng Bulong M16 dài 110mm
Nắm rõ đặc tính sản phẩm giúp bạn tối ưu hóa tính an toàn cho mọi dự án:
Ưu điểm nổi bật:
- Kháng lực cắt ngang cực cao: Nhờ phần thân trơn 72mm không bị rãnh ren chiếm chỗ, bulong đứng vững trước các áp lực xô lệch mạnh từ kết cấu thép.
- Tải trọng kẹp chặt khổng lồ: Kích thước M16 cùng cường độ 8.8 cho phép thực hiện lực siết lớn, cố định chắc chắn các bản mã và dầm chịu lực chính.
- Giá thành tối ưu: Với mức giá chỉ 8,609 đ/cái, đây là mức đầu tư hiệu quả cho một linh kiện cường độ cao tiêu chuẩn quốc tế.
Hạn chế cần lưu ý:
- Phạm vi lắp ghép giới hạn: Do là ren lửng (38mm ren), độ dày vật liệu kẹp tối thiểu phải đảm bảo đủ sâu để đai ốc có thể bắt vào phần có ren.
- Yêu cầu môi trường: Thép đen phù hợp nhất trong môi trường khô hoặc có dầu. Khi dùng cho kết cấu ngoài trời, cần sơn phủ bảo vệ hoặc chuyển sang dòng inox để chống rỉ sét.
8. Vai trò của Bulong M16x110 trong các kết cấu hạ tầng nặng
Bulong M16x110 ren lửng là linh kiện chủ chốt không thể thiếu trong các lĩnh vực:
- Xây dựng cầu đường và dầm cầu trục: Dùng để liên kết xuyên tâm các thanh dầm thép chữ I hoặc chữ H, nơi yêu cầu chiều dài 110mm để xuyên qua toàn bộ độ dày của kết cấu dầm chịu tải chính.
- Lắp ráp bệ máy công cụ hạng nặng: Cố định chân đế của các loại máy đột, máy ép thủy lực cỡ lớn vào hệ thống khung sàn bệ thép gia cường trong nhà xưởng.
- Ngành dầu khí và nhiệt điện: Sử dụng trong việc lắp ráp các khung giá đỡ bồn chứa áp lực cao hoặc các hệ thống đường ống dẫn công nghiệp, nơi yêu cầu sự ổn định tuyệt đối của cấp bền 8.8.
9. Đối chiếu kỹ thuật: So sánh Bulong M16x110 và M12x110
Cân nhắc giữa M16 và M12 trên cùng chiều dài 110mm sẽ giúp bạn tối ưu hóa thiết kế chịu tải:
| Tiêu chí đối chiếu | Bulong M16x110 (DIN 931) | Bulong M12x110 (DIN 931) |
|---|---|---|
| Đường kính thực tế | 16 mm | 12 mm |
| Năng lực chịu kéo đứt | Rất mạnh (Tối ưu kết cấu nặng) | Mạnh (Dành cho máy vừa) |
| Size khóa vặn | 24 mm | 19 mm |
| Bước ren chuẩn | 2.0 mm | 1.75 mm |
| Độ dày mũ (k) | 10 mm | 7.5 mm |
Kết luận: Với chiều dài 110mm, Bulong M16 cung cấp sự cứng vững và độ kháng uốn vượt trội hơn hẳn dòng M12, mang lại sự an tâm tuyệt đối cho các liên kết chịu tải trọng cực lớn.
10. Hướng dẫn quy trình lắp ráp Bulong M16 đúng tiêu chuẩn cơ khí
Lắp đặt đúng quy trình giúp bulong M16 phát huy trọn vẹn 800 MPa cường độ bền kéo:
Các bước thi công chuẩn:
- Bước 1: Tạo lỗ xuyên tâm: Sử dụng mũi khoan 16.5mm hoặc 17mm. Đảm bảo lỗ khoan vuông góc và làm sạch phôi thép bên trong để phần thân trơn dài 72mm có thể luồn qua trơn tru nhất.
- Bước 2: Phụ kiện bổ trợ: Khuyên dùng kèm Long đền phẳng M16 loại dày để phân tán lực ép khổng lồ và Long đền vênh M16 nếu hệ thống làm việc trong môi trường rung động mạnh.
- Bước 3: Siết lực kỹ thuật: Sử dụng cờ lê hoặc đầu tuýp size 24. Siết lực theo khuyến nghị (khoảng 210-230 N.m) để đảm bảo bulong kẹp chặt chi tiết ở trạng thái đàn hồi lý tưởng.
Lưu ý bảo trì:
- Nên định kỳ kiểm tra các đầu mũ bulong, nếu phát hiện lớp dầu bảo quản bị khô, hãy tra thêm mỡ bảo trì để ngăn rỉ sét xâm nhập vào phần ren chịu tải bên trong.
11. Cách nhận biết Bulong 8.8 đạt chuẩn chất lượng Mecsu
Để đảm bảo an toàn cho dự án, khách hàng nên lưu ý các dấu hiệu nhận dạng hàng chính hãng:
- Dấu hiệu triện dập: Chữ số 8.8 và ký hiệu của nhà sản xuất (ví dụ MS) phải được dập nổi sắc nét trên đầu mũ bulong, không bị mờ nhòe hay dập lệch tâm.
- Cảm quan bề mặt: Bulong 8.8 xịn có màu đen mờ đồng nhất, lớp màng dầu bảo quản bám đều, khi chạm vào có độ nhờn nhẹ đặc trưng của quy trình nhiệt luyện dầu cao cấp.
- Độ chính xác ren: Khi vặn đai ốc M16 vào đoạn ren 38mm, cảm giác xoay phải trơn tru, không bị kẹt cứng hay rơ lắc quá mức do sai lệch bước ren.
12. Cập nhật giá bán Bulong M16x110 & Hệ thống phân phối
a. Báo giá tại hệ thống: 8,609 đ / Cái (Giá đã bao gồm VAT)
Mecsu cung cấp giải pháp vật tư linh hoạt cho mọi nhu cầu công trình: từ bán lẻ số lượng ít phục vụ bảo trì đến cung ứng số lượng lớn cho các dự án kết cấu thép với mức chiết khấu cạnh tranh.
b. Tại sao nên chọn mua hàng tại hệ thống Mecsu?
- Chất lượng kiểm chứng: Sản phẩm đúng chuẩn DIN 931, cấp bền 8.8 thực tế qua kiểm tra lực kéo nghiêm ngặt.
- Nguồn hàng dồi dào: Luôn sẵn kho số lượng lớn mã M16x110 tại TP.HCM, hỗ trợ giao hàng toàn quốc nhanh chóng.
- Tư vấn chuyên nghiệp: Đội ngũ kỹ sư giàu kinh nghiệm hỗ trợ tư vấn giải pháp vật tư và thông số kỹ thuật chính xác cho mọi dự án.
THAM KHẢO THÊM CÁC DÒNG BULONG CHẤT LƯỢNG CAO TẠI MECSU
13. Các câu hỏi thường gặp (FAQ) về dòng Bulong M16x110
13.1. Về Kỹ thuật & Khả năng tương thích
Tại sao một bulong dài 110mm chỉ có đoạn ren dài 38mm?
Đây là đặc trưng của tiêu chuẩn ren lửng DIN 931. Phần thân trơn dài giúp tăng cường khả năng chịu lực cắt và giữ vững kết cấu hơn hẳn so với loại ren suốt toàn bộ thân khi luồn qua dầm thép dày.
Bulong M16x110 này sử dụng khóa vặn bao nhiêu?
Bạn cần sử dụng cờ lê hoặc đầu tuýp size 24mm để thao tác lắp đặt chuẩn xác cho sản phẩm này.
Tôi có thể thay thế Bulong M16 DIN 933 (ren suốt) bằng mã này được không?
Nếu độ dày chi tiết kẹp của bạn cho phép đai ốc vặn tới phần ren 38mm ở cuối thân, việc sử dụng mã DIN 931 này thậm chí còn tăng độ bền uốn cho mối ghép của bạn.
13.2. Về Độ bền & Môi trường vận hành
Bulong thép đen 8.8 có bị rỉ sét khi dùng trong nhà xưởng không?
Trong môi trường khô ráo, lớp dầu bảo quản sẽ bảo vệ bulong rất tốt. Tuy nhiên, nếu môi trường có độ ẩm cao hoặc hơi axit, bạn nên bôi thêm mỡ bảo vệ hoặc chọn sang dòng Bulong Inox.
Sản phẩm này có chịu được tải trọng từ bệ máy phát điện rung động lớn không?
Hoàn toàn chịu được. Với cấp bền 8.8 và đường kính 16mm, bulong được thiết kế để kháng rung và lực cắt cực tốt, đảm bảo an toàn cho máy phát điện hạng nặng.
13.3. Về Mua hàng tại Mecsu
Mecsu có hỗ trợ cung cấp CO/CQ cho mã bulong M16x110 này không?
Có. Chúng tôi cung cấp đầy đủ giấy tờ chứng nhận xuất xứ và chất lượng cho các đơn hàng phục vụ công trình dự án công nghiệp lớn.
14. Kênh tư vấn kỹ thuật và hỗ trợ đặt hàng trực tiếp tại Mecsu
Mecsu nỗ lực trở thành đối tác cung ứng vật tư kỹ thuật tin cậy nhất cho các xưởng cơ khí và nhà thầu xây dựng.
Địa chỉ kho: B28/I – B29/I Đường số 2B, KCN Vĩnh Lộc, P. Bình Hưng Hòa B, Q. Bình Tân, TP.HCM
Hotline hỗ trợ: 1800 8137
Hộp thư hỗ trợ: [email protected]
Website thương mại: mecsu.vn
15. Kiến thức chuyên ngành & Nhận định từ chuyên gia vật tư
a. Tại sao nên ưu tiên thiết kế ren lửng (DIN 931) cho tải trọng kết cấu lớn?
Trong thiết kế cơ khí chuyên sâu, phần ren là nơi tập trung ứng suất và dễ phát sinh nứt gãy nhất khi chịu tải uốn hoặc lực cắt xẻ. Việc sử dụng bulong M16x110 ren lửng giúp đưa phần thân đặc (Shank) dày dặn vào đúng vùng chịu lực chính giữa các bản mã dày. Điều này nâng cao tuổi thọ mối ghép lên đến 25-30% so với việc dùng bulong ren suốt cùng kích thước.
b. Lời khuyên khi thi công lắp ráp dầm thép
“Khi lắp đặt các hệ thống dầm thép xuyên tâm dài trên 100mm, hãy luôn đảm bảo độ đồng tâm của lỗ khoan. Một sai lệch nhỏ cũng có thể làm trầy xước lớp bảo vệ phần thân trơn của bulong M16x110, từ đó tạo điểm khởi đầu cho sự oxy hóa ngầm và làm giảm độ tin cậy của mối nối.”
— Đội ngũ Kỹ thuật Mecsu Pro tư vấn.
c. Nguồn tham khảo kỹ thuật uy tín
Nội dung bài viết được tổng hợp và kiểm soát chất lượng dựa trên:
- Hệ thống tra cứu chuẩn DIN 931 quốc tế – Fasteners Europe.
- Sổ tay thiết kế cơ khí: Tính toán lực siết và năng lực tải cho bulong thép 8.8.
- Dữ liệu kiểm nghiệm thực tế từ kho vật tư kỹ thuật Mecsu Việt Nam.
Biên soạn nội dung: Nhóm Nội Dung Kỹ Thuật Mecsu
Cảm ơn quý khách hàng đã dành thời gian tham khảo thông tin sản phẩm tại Mecsu.
(Khám phá thêm các ưu đãi đặc biệt tại Mecsu.vn ngay hôm nay)
Lưu ý: Một vài thông số hình học nhỏ có thể có sai số tùy theo từng đợt sản xuất thực tế. Quý khách vui lòng liên hệ trực tiếp tư vấn viên để xác nhận thông tin trước khi hoàn tất đặt hàng.



















Đánh giá
Chưa có đánh giá nào.