Mô tả sản phẩm
Phân tích chuyên sâu Bulong Thép Đen 8.8 DIN931 M20x130: Cấu trúc ren lửng siêu dài và khả năng chịu tải cực nặng
Mục Lục Nội Dung
- 1. Giới thiệu tổng quan về Bulong Thép Đen 8.8 DIN931 M20x130
- 2. Bảng dữ liệu kỹ thuật chi tiết Bulong M20x130 Mecsu Pro
- 3. Đặc điểm cấu trúc cơ học của Bulong lục giác M20x130
- 4. Giải mã các chỉ số cường độ 8.8 trên mũ Bulong
- 5. Đánh giá năng lực kháng tải và sức bền của Bulong M20x130
- 6. Phân biệt Bulong M20x130 theo tiêu chuẩn ren lửng DIN 931
- 7. Phân tích lợi thế và hạn chế khi dùng Bulong M20 dài 130mm
- 8. Ứng dụng thực tế của Bulong M20x130 trong các dự án trọng điểm
- 9. Đối chiếu kỹ thuật: Lựa chọn giữa Bulong M20x130 và M16x130
- 10. Quy trình lắp đặt Bulong M20 thân dài đúng tiêu chuẩn cơ khí
- 11. Cách nhận diện Bulong 8.8 chất lượng cao tại hệ thống Mecsu
- 12. Cập nhật bảng giá bán Bulong M20x130 và địa chỉ mua hàng
- 13. Các câu hỏi thường gặp (FAQ) về dòng Bulong M20x130
- 14. Kênh tư vấn kỹ thuật và hỗ trợ đặt hàng trực tuyến tại Mecsu
- 15. Kiến thức mở rộng và góc nhìn từ chuyên gia vật tư
1. Giới thiệu tổng quan về Bulong Thép Đen 8.8 DIN931 M20x130 và đặc tính nổi bật
Bulong Thép Đen 8.8 DIN931 M20x130 là loại vật tư liên kết có kích thước đáng nể, chuyên dùng cho các mối ghép xuyên thấu qua các bản mã hoặc cấu kiện có độ dày lớn. Với đường kính thân 20mm và chiều dài vượt trội 130mm, sản phẩm tuân thủ tiêu chuẩn DIN 931 với thiết kế ren lửng (partial thread). Cấu trúc này tạo ra một phần thân trơn nhẵn chiếm phần lớn chiều dài, giúp tối ưu hóa khả năng kháng lực cắt và đảm bảo độ ổn định tuyệt đối cho các hệ thống máy móc hạng nặng.
Được chế tạo từ thép carbon cường độ cao thông qua quy trình nhiệt luyện nhiệt luyện (tôi và ram) khắt khe, bulong đạt cấp bền 8.8 chuẩn quốc tế. Bề mặt màu đen đặc trưng từ quá trình nhuộm dầu không chỉ mang lại vẻ thẩm mỹ kỹ thuật mà còn bảo vệ sản phẩm khỏi các tác nhân gây oxy hóa trong môi trường dầu mỡ công nghiệp. Đây là giải pháp thi công hàng đầu cho các hạng mục đòi hỏi sự kết hợp giữa độ vươn siêu dài và năng lực chịu tải mạnh mẽ.
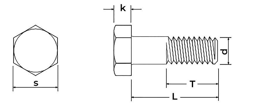
2. Bảng dữ liệu kỹ thuật chi tiết của Bulong Thép Đen 8.8 M20x130 Mecsu Pro
d: Đường kính thân ren (M20)
l: Chiều dài tổng thân bulong (130mm)
b: Chiều dài phần có ren (52mm)
s: Kích thước đầu lục giác (30mm)
| Chỉ số kỹ thuật | Giá trị cụ thể |
|---|---|
| Mã định danh (SKU) | 0063259 |
| Ký hiệu MPN | B01M2001130PD10 |
| Nhãn hiệu | MS-PRO |
| Hệ đo lường | Met (Millimeter) |
| Tiêu chuẩn sản xuất | DIN 931 (Dạng ren lửng) |
| Kích cỡ ren (d) | M20 |
| Bước ren (P) | 2.5 mm (Ren thô tiêu chuẩn) |
| Chiều dài thân (l) | 130 mm |
| Chiều dài phần ren (b) | 52 mm |
| Chiều dày mũ (k) | 12.5 mm |
| Kích thước cờ lê (s) | 30 mm |
| Kiểu dáng đầu bulong | Đầu Lục Giác Ngoài |
| Cấp cường độ bền | 8.8 |
| Xử lý hoàn thiện | Nhiệt luyện đen (Nhuộm đen & Nhúng dầu) |
3. Đặc điểm cấu trúc cơ học của Bulong lục giác M20x130
Sản phẩm Bulong Thép Đen 8.8 M20x130 sở hữu cấu tạo cơ khí chính xác nhằm tối ưu hóa tải trọng trên những liên kết dài:
- Đầu lục giác ngoài (Size 30): Mũ bulong được dập tạo hình lục giác đều với kích thước cạnh chuẩn 30mm. Chiều cao mũ 12.5mm đảm bảo điểm tựa siết lực cực kỳ vững chãi, cho phép kỹ thuật viên sử dụng các loại máy siết bu lông công suất lớn hoặc cờ lê lực mà không lo bị trượt góc hay làm hỏng đầu bulong.
- Thân bulong ren lửng siêu dài: Với tổng chiều dài thân 130mm, phần ren chiếm 52mm ở đoạn cuối, để lại phần thân trơn (shank) dài tới 78mm. Theo tiêu chuẩn DIN 931, cấu trúc thân trơn này đóng vai trò quan trọng trong việc định tâm xuyên qua các khối dầm thép dầy, chịu lực cắt (shear force) tốt hơn nhiều so với dòng ren suốt toàn bộ thân.
4. Giải mã các chỉ số cường độ 8.8 trên mũ Bulong
Các ký số “8.8” dập nổi trên mũ không đơn thuần là ký hiệu phân loại, mà là bản cam kết về giới hạn vận hành của vật liệu:
- Con số 8 đầu tiên: Biểu thị giới hạn bền kéo tối thiểu đạt mức 800 N/mm². Điều này cho thấy bulong M20 có năng lực chống chịu lực kéo đứt vô cùng mạnh mẽ, đảm bảo an toàn tuyệt đối cho các hệ thống treo nặng hoặc liên kết khung thép nhà xưởng.
- Con số .8 thứ hai: Chỉ ra giới hạn chảy bằng 80% của giới hạn bền kéo (tương đương 640 N/mm²). Đây là ngưỡng tải trọng cực đại mà tại đó bulong vẫn giữ được đặc tính đàn hồi, không bị biến dạng vĩnh viễn gây nới lỏng mối ghép sau thời gian dài sử dụng dưới tải trọng động.
5. Đánh giá năng lực kháng tải và sức bền của Bulong M20x130
Bulong M20x130 cấp bền 8.8 là “trụ cột” thực thụ cho các kết cấu chịu tải trọng hạng nặng. Nhờ đường kính thân lớn (20mm), diện tích tiết diện chịu tải của sản phẩm cung cấp sự an tâm tối đa khi chịu các áp lực ngang trục vô cùng mạnh mẽ. Sự kết hợp giữa thép carbon nhiệt luyện và quy trình tôi dầu giúp bulong đạt độ cứng bề mặt ưu việt nhưng vẫn giữ được lõi thép dẻo dai.
Trong các mối nối siêu dài 130mm, thiết kế ren lửng phát huy hiệu quả kháng uốn và kháng cắt tối đa. Phần thân trơn 78mm không bị rãnh ren chiếm chỗ giúp ngăn ngừa các vết nứt chân ren tại vùng tiếp kẹp chi tiết dầy, giữ cho lực siết kẹp (preload) luôn ở trạng thái an toàn nhất ngay cả khi hệ thống vận hành liên tục với rung động mạnh.
6. Phân biệt Bulong M20x130 theo tiêu chuẩn ren lửng DIN 931
Việc nhận định đúng tiêu chuẩn bulong M20 sẽ giúp kỹ sư đưa ra quyết định thi công chính xác nhất:
Phân loại theo cấu tạo thân ren:
- DIN 931 (Mã hàng hiện tại): Thiết kế ren lửng. Một phần thân không có ren giúp định tâm hoàn hảo và chịu lực cắt cực tốt cho các bản mã hoặc chi tiết dầy.
- DIN 933: Thiết kế ren suốt. Ren chạy dọc từ đầu mũ bulong tới cuối thân. Phù hợp cho các lỗ taro có ren âm sẵn hoặc các chi tiết lắp ghép mỏng.
Phân loại theo hệ bước ren:
- Ren thô tiêu chuẩn (2.5mm): Đây là bước ren phổ dụng nhất tại Mecsu cho dòng M20, giúp quá trình lắp ráp nhanh chóng và rất khó bị “cháy ren” khi siết lực lớn bằng máy máy lực.
- Ren mịn: Có bước ren nhỏ hơn, thường dùng trong ngành ô tô hoặc máy móc yêu cầu tinh chỉnh độ căng cực nhỏ.
7. Phân tích lợi thế và hạn chế khi sử dụng Bulong M20 dài 130mm
Thấu hiểu các đặc tính kỹ thuật giúp tối ưu hóa công năng và chi phí trong thi công:
Ưu điểm nổi bật:
- Kháng lực cắt ngang tuyệt vời: Nhờ phần thân trơn đặc dài 78mm theo chuẩn DIN 931, bulong kháng lại các lực xô lệch ngang tốt hơn hẳn các loại bulong ren suốt toàn thân.
- Khả năng xuyên thấu dầm thép dầy: Chiều dài 130mm lý tưởng để liên kết xuyên suốt qua các khối vật liệu dầy hoặc nhiều tầng bản mã gia cường.
- Độ ổn định cơ học cao: Đường kính M20 kết hợp thép 8.8 cho phép ứng dụng vào các kết cấu chịu tải trọng hàng chục tấn trong xây dựng công nghiệp.
Hạn chế cần lưu ý:
- Yêu cầu độ dày chi tiết kẹp: Vì là ren lửng, vật liệu kẹp tối thiểu phải đảm bảo đủ lớn để đai ốc có thể vặn được vào đoạn ren dài 52mm ở cuối thân.
- Điều kiện bảo quản: Do bề mặt là thép đen nhiệt luyện, sản phẩm dễ bị oxy hóa trong môi trường ẩm ướt thường xuyên nếu không được sơn phủ hoặc bôi mỡ bảo vệ.
8. Ứng dụng thực tế của Bulong M20x130 trong các dự án trọng điểm
Bulong M20x130 ren lửng là thành phần cốt yếu trong các lĩnh vực đòi hỏi tính an toàn và độ bền cơ khí cực cao:
- Xây dựng cầu đường bộ & Cảng biển: Dùng để kết nối các bản mã dầm cầu thép dầy hoặc xuyên qua các dầm chữ I, chữ H lớn. Phần thân trơn giúp ổn định mối ghép trước lực gió và rung động từ phương tiện giao thông.
- Lắp đặt khung dầm cầu trục & Tháp cẩu: Cố định các bộ phận khung xương chính của cầu trục trong nhà xưởng hạng nặng, nơi yêu cầu lực kẹp bền bỉ để nâng hạ hàng hóa trọng lượng lớn.
- Thi công bệ móng máy nén khí hạng nặng: Sử dụng làm bulong xuyên qua các lớp đế thép và đệm cao su giảm chấn của các máy dập, máy nén công suất lớn vào hệ bệ bê tông vững chắc.
9. Đối chiếu kỹ thuật: Lựa chọn giữa Bulong M20x130 và M16x130
Việc lựa chọn giữa M20 và M16 cho chiều dài 130mm phụ thuộc hoàn toàn vào tải trọng thiết kế của mối liên kết cơ khí.
| Tiêu chí đối chiếu | Bulong M20x130 (DIN 931) | Bulong M16x130 (DIN 931) |
|---|---|---|
| Đường kính thực tế | 20 mm | 16 mm |
| Năng lực chịu lực kéo | Cao hơn khoảng 56% | Trung bình |
| Dụng cụ siết tương ứng | Size khóa 30mm | Size khóa 24mm |
| Bước ren tiêu chuẩn | 2.5 mm | 2.0 mm |
| Chiều dài đoạn ren (b) | 52 mm | 44 mm |
| Độ ổn định khi chịu uốn | Cực tốt (Thân dày 20mm) | Khá (Dễ uốn hơn M20) |
Kết quả: Đối với chiều dài 130mm, Bulong M20 mang lại độ cứng vững và khả năng chống biến dạng vượt trội hơn hẳn cho các hệ dầm sàn chịu tải trọng cực lớn.
10. Quy trình lắp đặt Bulong M20 thân dài đúng tiêu chuẩn cơ khí
Lắp đặt đúng kỹ thuật giúp bulong phát huy trọn vẹn 800 MPa cường độ bền kéo danh định:
Các bước thực hiện chuẩn:
- Bước 1: Tạo lỗ xuyên tâm: Sử dụng mũi khoan size 20.5mm hoặc 21mm. Với chiều sâu 130mm, cần khoan dẫn hướng chính xác và sạch phôi thép để phần thân trơn (78mm) đi xuyên qua thuận lợi.
- Bước 2: Sử dụng phụ kiện đồng bộ: Khuyên dùng kèm Long đền phẳng M20 loại dầy và Tán (đai ốc) M20 cùng cấp bền 8.8 để đảm bảo sự đồng bộ về mặt chịu tải.
- Bước 3: Siết lực đúng quy chuẩn: Sử dụng súng siết bu lông chuyên dụng hoặc cờ lê lực size 30. Lực siết khuyến nghị thường nằm trong khoảng 380 – 410 N.m để thép đạt trạng thái đàn hồi tối ưu.
Lưu ý bảo dưỡng định kỳ:
- Nên định kỳ kiểm tra các đầu mũ và đoạn ren hở, bôi thêm một lớp mỡ bảo vệ hoặc sơn phủ màu đồng nhất để ngăn chặn rỉ sét thâm nhập từ các kẽ ren lộ ra ngoài.
11. Cách nhận diện Bulong 8.8 chất lượng cao tại hệ thống Mecsu
Để đảm bảo an toàn thi công, khách hàng nên phân biệt bulong chuẩn qua các dấu hiệu nhận dạng:
- Dấu triện nổi rõ ràng: Chữ “8.8” dập nổi sắc nét cùng mã hiệu nhà sản xuất trên đầu mũ size 30, không có hiện tượng mờ nhòe hay dập lệch hướng.
- Bề mặt dầu phủ đồng nhất: Bulong xịn có màu đen mờ đặc trưng từ quá trình nhuộm dầu nóng, sờ vào thấy có lớp màng dầu mỏng bảo vệ đồng đều dọc thân 130mm.
- Độ khít ren tiêu chuẩn: Thử vặn tán M20 vào phần ren 52mm, cảm giác xoay phải trơn tru từ đầu đến cuối, không bị vấp hay kẹt do phôi thép dư thừa (bavia).
12. Cập nhật bảng giá bán Bulong M20x130 và địa chỉ cung ứng
a. Giá bán niêm yết tại Mecsu: 14,298 đ / Cái (Giá đã bao gồm VAT)
Mecsu cung cấp giải pháp bán lẻ linh hoạt cho nhu cầu sửa chữa máy móc và bán sỉ số lượng lớn cho các nhà thầu thi công kết cấu thép với mức chiết khấu cực kỳ cạnh tranh trên thị trường.
b. Lợi thế khi đặt hàng tại hệ thống Mecsu
- Chất lượng cam kết ISO: Sản phẩm đúng tiêu chuẩn DIN 931, cấp bền 8.8 thực tế qua kiểm định lực kéo tại phòng lab chuyên dụng.
- Nguồn hàng dồi dào: Luôn sẵn kho số lượng lớn bulong M20 các loại tại TP.HCM, hỗ trợ đóng gói và giao hàng nhanh toàn quốc.
- Dịch vụ hỗ trợ tận tâm: Đội ngũ kỹ sư giàu kinh nghiệm sẵn sàng hỗ trợ về thông số và giải pháp vật tư thay thế hoàn toàn miễn phí.
XEM THÊM CÁC DÒNG BULONG CHẤT LƯỢNG CAO KHÁC TẠI MECSU
13. Các câu hỏi thường gặp (FAQ) về dòng Bulong M20x130
13.1. Về Thông số & Tương thích lắp ráp
Bulong M20 ren lửng dài 130mm này dùng khóa vặn bao nhiêu?
Bạn cần sử dụng dụng cụ siết (cờ lê hoặc đầu tuýp) có size 30mm để thực hiện thao tác lắp đặt chính xác cho sản phẩm này.
Phần thân trơn (shank) của mã bulong này dài bao nhiêu?
Dựa trên quy cách DIN 931 cho chiều dài 130mm và chiều dài ren 52mm, phần thân trơn không có ren sẽ dài khoảng 78mm.
Sản phẩm có bao gồm tán và long đền đi kèm trong mức giá này không?
Mức giá 14,298 đ/cái là đơn giá của thân bulong. Bạn nên đặt mua thêm đai ốc M20 và long đền M20 cùng cấp bền để đảm bảo tính đồng bộ của mối liên kết.
13.2. Về Độ bền & Môi trường làm việc
Tại sao mã M20x130 này không được thiết kế ren suốt toàn bộ thân?
Thiết kế ren lửng (DIN 931) giúp đưa phần thân trơn dày 20mm vào vùng chịu lực chính của các cấu kiện dầy, tăng khả năng kháng uốn và chịu cắt ngang tốt hơn nhiều so với ren suốt.
Bulong thép đen 8.8 có bền khi dùng ngoài trời nắng mưa thường xuyên không?
Thép đen nhuộm dầu chủ yếu dùng cho môi trường khô hoặc có dầu mỡ. Nếu dùng ngoài trời, bạn nên sơn phủ chống rỉ sau thi công hoặc chọn dòng Bulong Inox 304 có sẵn tại Mecsu.
13.3. Về Mua hàng tại Mecsu
Mecsu có bán lẻ vài chục cái cho các xưởng sửa chữa không?
Có. Mecsu hỗ trợ khách hàng mua lẻ theo số lượng cụ thể để phục vụ việc bảo trì máy móc thiết bị hoặc thi công các hạng mục dân dụng nhỏ lẻ.
14. Kênh tư vấn kỹ thuật và hỗ trợ đặt hàng trực tuyến tại Mecsu
Hãy để Mecsu trở thành đối tác cung ứng vật tư kỹ thuật tin cậy cho mọi xưởng sản xuất và dự án xây dựng của quý khách.
Địa chỉ kho: B28/I – B29/I Đường số 2B, KCN Vĩnh Lộc, P. Bình Hưng Hòa B, Q. Bình Tân, TP.HCM
Hotline tư vấn: 1800 8137
Email liên hệ: [email protected]
Trang thương mại điện tử: mecsu.vn
15. Kiến thức mở rộng và góc nhìn từ chuyên gia vật tư
a. Tầm quan trọng của thiết kế ren lửng đối với kích thước dầy dặn
Trong thiết kế cơ khí cơ bản, phần ren luôn là nơi tập trung ứng suất và dễ nứt gãy nhất khi chịu uốn. Với kích thước lớn như M20 và dài tới 130mm, việc sử dụng ren lửng giúp đưa phần thân đặc dày dặn vào đúng vị trí tiếp giáp giữa các lớp bản mã dầy. Điều này nâng cao độ cứng vững cho hệ khung sàn thép lên đáng kể so với việc dùng bulong ren suốt.
b. Lời khuyên từ kỹ thuật viên lắp máy hạng nặng
“Khi làm việc với các lỗ khoan sâu trên 100mm xuyên qua dầm thép, độ phẳng của bề mặt mũ bulong là tối quan trọng. Hãy luôn đảm bảo lỗ khoan sạch phôi và bôi nhẹ lớp mỡ lên phần thân trơn 78mm để quá trình luồn bulong xuyên qua các chi tiết dầy diễn ra trơn tru, tránh làm trầy xước bề mặt linh kiện.”
— Đội ngũ Kỹ thuật Mecsu Pro chia sẻ kinh nghiệm.
c. Nguồn tham khảo kỹ thuật tin cậy
Nội dung bài viết được tổng hợp và kiểm soát chất lượng dựa trên:
- Tra cứu chuẩn kỹ thuật DIN 931 quốc tế – Fasteners Europe.
- Sổ tay thiết kế cơ khí: Tính toán mô-men siết và cường độ bền vật liệu thép 8.8.
- Kết quả kiểm nghiệm lực kéo thực tế tại trung tâm kỹ thuật Mecsu Việt Nam.
Biên soạn nội dung: Nhóm Nội Dung Kỹ Thuật Mecsu
Cảm ơn quý khách hàng đã dành thời gian tham khảo thông tin sản phẩm của chúng tôi.
(Khám phá thêm các ưu đãi mới nhất tại Mecsu.vn ngay hôm nay)
Lưu ý: Một số thông số hình học có thể thay đổi nhẹ tùy theo từng lô hàng sản xuất thực tế. Quý khách vui lòng xác nhận lại thông số kỹ thuật với tư vấn viên trước khi hoàn tất đơn hàng chính thức.


















Đánh giá
Chưa có đánh giá nào.