Mô tả sản phẩm
Phân tích kỹ thuật chuyên sâu: Vít Lục Giác Chìm Đầu Mo Inox 304 M5x70 (ISO 7380)
Mục Lục Nội Dung
- 1. Tổng quan về Lục Giác Chìm Mo Inox 304 M5x70
- 2. Bảng thông số kỹ thuật và kích thước chi tiết
- 3. Phân tích cấu tạo đầu Mo (Button Head) và thân ren
- 4. Tìm hiểu tiêu chuẩn ISO 7380 và vật liệu Inox 304
- 5. Đánh giá độ bền và khả năng chịu tải của size M5
- 6. So sánh Vít đầu Mo ISO 7380 và đầu Trụ DIN 912
- 7. Ưu điểm và hạn chế của dòng vít M5x70
- 8. Ứng dụng thực tế của Vít M5x70 trong kỹ thuật
- 9. Đặc tính chịu nhiệt và chống ăn mòn hóa học
- 10. Hướng dẫn lắp đặt và lực xiết an toàn
- 11. Cách phân biệt Vít Inox 304 thật – giả
- 12. Cập nhật giá bán và quy cách đóng gói
- 13. Giải đáp thắc mắc (FAQ) về Lục Giác Chìm Mo M5x70
- 14. Liên hệ tư vấn kỹ thuật Bulong Mecsu
- 15. Mẹo hay: Xử lý ốc vít bị trờn đầu giác
1. Tổng quan về Lục Giác Chìm Mo Inox 304 M5x70
Lục Giác Chìm Mo Inox 304 ISO7380 M5x70 là dòng vít máy có kích thước đặc biệt với chiều dài thân lên tới 70mm và đường kính ren M5. Đây là giải pháp liên kết lý tưởng cho các kết cấu cần xuyên qua độ dày lớn, kết nối các chi tiết nằm sâu hoặc cần khoảng cách gá lắp rộng mà vẫn đảm bảo tính thẩm mỹ cao nhờ phần đầu nấm (đầu mo) bo tròn tinh tế.
Được sản xuất từ vật liệu thép không gỉ Inox 304 (SUS304), sản phẩm này cung cấp khả năng chống lại sự ăn mòn của môi trường ẩm ướt và hóa chất nhẹ một cách bền bỉ. Tuân thủ tiêu chuẩn quốc tế ISO 7380, vít M5x70 không chỉ đảm bảo độ chính xác về kích thước mà còn mang lại sự an toàn cho người sử dụng nhờ thiết kế đầu vít không cạnh sắc.
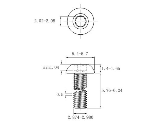
2. Bảng thông số kỹ thuật và kích thước chi tiết
Để hỗ trợ việc thiết kế bản vẽ kỹ thuật và lựa chọn vật tư chính xác, kính mời quý khách tham khảo bảng thông số dưới đây:
Ký hiệu: d (Đường kính ren), l (Chiều dài), k (Độ dày đầu), s (Giác lục lăng), dk (Đường kính đầu vít)
| Hạng mục kỹ thuật | Thông số chi tiết |
|---|---|
| Mã đặt hàng (SKU) | 0060797 |
| Mã nhà máy (MPN) | B04M0501070TH00 |
| Hệ kích thước | Met (Metric) |
| Loại sản phẩm | Vít lục giác chìm đầu mo (Button Head Socket Screw) |
| Tiêu chuẩn sản xuất | ISO 7380 |
| Size ren (d) | M5 (5mm) |
| Bước ren (P) | 0.8 mm (Ren thô tiêu chuẩn) |
| Chiều dài (l) | 70 mm |
| Đường kính đầu (dk) | ~ 9.5 mm |
| Chiều cao đầu (k) | ~ 2.75 mm |
| Size khóa lục giác (s) | 3 mm |
| Vật liệu | Inox 304 (SUS304 / A2) |
| Phân bố ren | Ren suốt (Full thread) |
| Ngành Hàng | Lắp ráp máy, Dầu Khí, Đóng Tàu, DIY |
| Xuất xứ | Trung Quốc |
3. Phân tích cấu tạo đầu Mo (Button Head) và thân ren
Vít Lục Giác Chìm M5x70 sở hữu cấu tạo đặc biệt để đáp ứng các yêu cầu lắp ghép sâu:
- Phần mũ vít (Đầu cầu): Đường kính rộng 9.5mm tăng diện tích tiếp xúc, giúp phân tán lực kẹp đều hơn lên bề mặt chi tiết. Chiều cao đầu thấp (2.75mm) giúp vít “ẩn mình” tốt, không gây vướng víu. Lỗ lục giác chìm 3mm nằm chính giữa tâm đầu.
- Phần thân ren: Với chiều dài 70mm, đây là một trong những kích thước dài nhất của size M5. Thân vít được tiện ren suốt (full thread), cho phép đai ốc di chuyển dọc theo toàn bộ chiều dài, mang lại sự linh hoạt tối đa khi cần kẹp các vật liệu có độ dày khác nhau hoặc làm vít điều chỉnh.
4. Tìm hiểu tiêu chuẩn ISO 7380 và vật liệu Inox 304
Những thông số này khẳng định giá trị sử dụng của sản phẩm:
- Tiêu chuẩn ISO 7380: Là hệ thống quy chuẩn toàn cầu xác định kích thước và dung sai cho vít đầu cầu lục giác chìm. Sản phẩm đạt chuẩn này giúp bạn yên tâm về độ chính xác và khả năng lắp lẫn khi thay thế linh kiện cho máy móc nhập khẩu.
- Vật liệu Inox 304 (A2): Thép không gỉ Austenitic chứa hàm lượng Niken và Crom cao. Nó tạo ra lớp màng thụ động tự nhiên bảo vệ vít khỏi sự ăn mòn của không khí ẩm, nước mưa và hóa chất nhẹ, giữ cho mối ghép luôn bền đẹp.
5. Đánh giá độ bền và khả năng chịu tải của size M5
Size M5 mang lại khả năng chịu lực vượt trội so với các dòng vít nhỏ M3, M4.
- Tuy nhiên, với chiều dài lên tới 70mm, tỷ lệ chiều dài/đường kính (L/D) là rất lớn (14:1). Điều này làm tăng nguy cơ cong thân vít nếu chịu lực nén dọc trục hoặc lực va đập ngang mạnh.
- Khuyến cáo: Vít M5x70 hoạt động hiệu quả nhất trong các ứng dụng chịu lực kéo (tension) hoặc dùng để kẹp giữ các chi tiết tĩnh. Khi lắp đặt, bắt buộc phải đảm bảo lỗ khoan thẳng hàng tuyệt đối để tránh làm cong thân vít.
6. So sánh Vít đầu Mo ISO 7380 và đầu Trụ DIN 912
Lựa chọn loại đầu vít nào phụ thuộc vào không gian và yêu cầu thẩm mỹ:
| Tiêu chí so sánh | ISO 7380 (Đầu Mo) | DIN 912 (Đầu Trụ) |
|---|---|---|
| Chiều cao đầu (k) | Thấp (~ 2.75 mm) | Cao (~ 5.0 mm) |
| Đường kính đầu (dk) | Rộng (~ 9.5 mm) | Nhỏ hơn (~ 8.5 mm) |
| Tính thẩm mỹ | Hiện đại, an toàn | Thô, công nghiệp |
| Dụng cụ thao tác | Lục giác 3mm | Lục giác 4mm |
Kết luận: Chọn ISO 7380 nếu vít nằm lộ thiên và cần tính thẩm mỹ. Chọn DIN 912 nếu vít nằm âm trong lỗ khoan bậc hoặc cần lực siết cực đại.
7. Ưu điểm và hạn chế của dòng vít M5x70
Ưu điểm nổi bật:
- Chiều dài 70mm vượt trội: Giải quyết các bài toán lắp ghép khó khăn cần xuyên qua độ dày lớn mà các size ngắn không thể đáp ứng.
- Thẩm mỹ cao: Đầu vít bo tròn tạo vẻ ngoài chuyên nghiệp, không gây cấn tay.
- Ren suốt: Giúp dễ dàng điều chỉnh vị trí đai ốc dọc theo thân vít dài.
Nhược điểm cần lưu ý:
- Dễ cong thân: Cần rất cẩn thận khi vận chuyển và lắp đặt.
- Dễ kẹt ren (Galling): Ma sát trên chiều dài 70mm là rất lớn, cực kỳ dễ sinh nhiệt gây kẹt nếu vặn nhanh mà không bôi trơn.
8. Ứng dụng thực tế của Vít M5x70 trong kỹ thuật
Chiều dài 70mm biến M5x70 thành một linh kiện đặc chủng cho các ứng dụng chuyên biệt:
- Chế tạo máy in 3D & CNC: Dùng làm trục căng đai hoặc lắp ráp các cụm Z-axis cần vít dài để xuyên qua các khối block nhôm và tấm gá động cơ dày.
- Lắp ráp nội thất & Decor: Liên kết xuyên qua các khối gỗ dày hoặc ghép nhiều tấm ván (tổng độ dày ~50-60mm). Đầu vít mo lộ thiên tạo điểm nhấn kim loại đẹp mắt.
- Ngành điện & Tủ bảng: Sử dụng để bắt các thiết bị sâu bên trong tủ điện, xuyên qua các lớp cách điện, máng cáp hoặc dùng làm vít điều chỉnh khoảng cách (spacer screw).
- Hệ thống tản nhiệt (Cooling): Lắp các cụm quạt tản nhiệt xếp chồng (fan stacking) hoặc gắn radiator nước vào vỏ case, cần vít dài để xuyên qua cả quạt và két nước.
- Mô hình & Robot: Dùng làm trục liên kết cho các khung xe robot, hoặc chốt giữ cho các cơ cấu chuyển động tịnh tiến dài.
9. Đặc tính chịu nhiệt và chống ăn mòn hóa học
Inox 304 là vật liệu đáng tin cậy cho nhiều điều kiện môi trường:
- Chịu nhiệt độ: Vít hoạt động ổn định trong dải nhiệt rộng, chịu được nhiệt độ cao lên tới ~800°C.
- Chống ăn mòn: Kháng tốt với nước ngọt, độ ẩm không khí. Lưu ý: Trong môi trường biển mặn hoặc hóa chất đậm đặc, Inox 304 có thể bị ăn mòn điểm, nên cân nhắc nâng cấp lên Inox 316.
10. Hướng dẫn lắp đặt và lực xiết an toàn
Tuân thủ quy trình sau để đảm bảo mối ghép bền vững với vít cực dài:
Chuẩn bị dụng cụ:
- Sử dụng Lục giác 3mm chất lượng cao.
- Bắt buộc bôi trơn: Với vít Inox dài 70mm, nguy cơ “cháy ren” (galling) là cực cao do ma sát nhiệt. Bắt buộc bôi mỡ bò hoặc sáp nến vào ren trước khi vặn.
Lực xiết khuyến nghị:
- Lực xiết an toàn cho vít M5 Inox khoảng 3.5 N.m – 4.5 N.m.
- Vặn đều tay với tốc độ chậm. Tuyệt đối không dùng súng bắn vít tốc độ cao ngay từ đầu.
11. Cách phân biệt Vít Inox 304 thật – giả
Cách nhận biết sản phẩm chuẩn chất lượng:
- Quan sát bề mặt: Inox 304 thật có màu sáng hơi đục, vân xước mịn. Hàng mạ thường bóng loáng và có ánh xanh.
- Kiểm tra từ tính: Inox 304 sau khi gia công nguội (dập đầu, cán ren) sẽ nhiễm từ nhẹ (hút nhẹ nam châm). Đây là hiện tượng vật lý bình thường. Tuy nhiên, lực hút sẽ yếu hơn nhiều so với sắt thép.
- Hóa chất: Dùng thuốc thử axit, Inox 304 giữ màu xám/xanh, Inox 201 sẽ đổi màu đỏ gạch.
12. Cập nhật giá bán và quy cách đóng gói
a. Giá bán lẻ tham khảo: 2,748 đ / Cái (Đã bao gồm VAT)
Mức giá phản ánh chi phí vật liệu lớn và độ khó gia công cực cao cho vít dài 70mm. Mecsu có chính sách giá sỉ tốt cho đơn hàng số lượng lớn.
b. Quy cách đóng gói
Đóng gói linh hoạt: Túi 100 cái, Hộp 500 cái hoặc 1.000 cái.
c. Sản phẩm thường mua kèm (Combo)
Bộ lắp ghép hoàn chỉnh thường bao gồm:
- Đai ốc (Tán) Inox 304 M5.
- Long đền phẳng M5 (DIN 125A) bảo vệ bề mặt.
- Long đền vênh M5 chống tự tháo lỏng.
- Lục giác 3mm đầu bi.
MUA NGAY COMBO VÍT INOX M5 CHÍNH HÃNG TẠI MECSU
13. Giải đáp thắc mắc (FAQ) về Lục Giác Chìm Mo M5x70
a. Vít dài 70mm ren suốt có dễ bị gãy không?
Nếu chịu lực kéo dọc trục, vít rất bền. Nhưng do tỷ lệ đường kính/chiều dài lớn (như cây đũa), vít dễ bị cong hoặc gãy nếu chịu lực bẻ ngang. Cần lắp đặt cẩn thận và tránh va đập mạnh vào thân vít.
b. Tại sao vặn vít dài vào lại khó khăn và hay bị kẹt?
Đó là hiện tượng “galling” (cháy ren lạnh) đặc trưng của Inox. Ma sát trên quãng đường 70mm sinh nhiệt làm giãn nở kim loại gây kẹt cứng. Giải pháp duy nhất là vặn chậm và bôi trơn kỹ lưỡng.
c. Tôi có thể dùng vít này lắp ngoài trời được không?
Hoàn toàn được. Inox 304 có khả năng chống gỉ sét tốt dưới tác động của nắng mưa. Tuy nhiên, nếu lắp ở vùng biển, bạn nên kiểm tra định kỳ hoặc chuyển sang Inox 316.
14. Liên hệ tư vấn kỹ thuật Bulong Mecsu
Chúng tôi luôn sẵn sàng hỗ trợ bạn tìm kiếm giải pháp linh kiện tối ưu nhất.
Địa chỉ: B28/I – B29/I Đường số 2B, KCN Vĩnh Lộc, P. Bình Hưng Hòa B, Q. Bình Tân, TP.HCM
Hotline: 1800 8137
Email: [email protected]
Website: mecsu.vn
15. Mẹo hay: Xử lý ốc vít bị trờn đầu giác
Nếu lỗ lục giác 3mm bị toét do siết quá lực:
- Dùng dây thun: Chèn một sợi dây thun bản to vào lỗ ốc, ấn mạnh lục giác vào và vặn từ từ để tăng ma sát.
- Dùng đầu vít sao (Torx): Đóng nhẹ một đầu vít sao cỡ T20 vào lỗ bị toét để tạo rãnh mới rồi vặn ra.
- Dùng kìm chết: Vì đầu vít M5 rộng 9.5mm, bạn có thể kẹp kìm chết vào mép ngoài của đầu nấm và xoay ngược chiều kim đồng hồ để tháo ra.
Nội dung thực hiện: Phòng Kỹ Thuật Mecsu
Lưu ý: Hình ảnh trong bài viết mang tính chất minh họa. Sản phẩm thực tế đảm bảo đúng thông số kỹ thuật được công bố trong bảng dữ liệu.

















Đánh giá
Chưa có đánh giá nào.