Mô tả sản phẩm
Phân Tích Sâu Lục Giác Chìm Đầu Trụ Inox 304 DIN912 M10x30 – Giải Pháp Liên Kết Cường Độ Cao Vượt Trội
Mục Lục
- 1. Giới thiệu Lục Giác Chìm Đầu Trụ Inox 304 DIN912 M10x30 và vai trò trong các kết cấu chịu tải nặng
- 2. Bảng thông số kỹ thuật chi tiết của Lục Giác Chìm Đầu Trụ M10x30
- 3. Khám phá vật liệu Inox 304 – Nền tảng của sự bền bỉ và khả năng kháng ăn mòn
- 4. Thiết kế ưu việt theo DIN 912: Giá trị của Đầu Trụ và Lỗ Lục Giác Âm
- 5. Đánh giá hiệu suất cơ học và độ bền hóa học của vật liệu Inox 304
- 6. So sánh thực tế giữa Inox 304, 201 và 316: Đâu là lựa chọn đúng đắn?
- 7. Tổng hợp các ưu điểm và những khuyến nghị quan trọng khi sử dụng Lục Giác Chìm M10x30
- 8. Các ứng dụng công nghiệp tiêu biểu của Lục Giác Chìm Inox 304 M10x30
- 9. Độ ổn định của Inox 304 khi làm việc trong các môi trường nhiệt độ biến động
- 10. Quy trình lắp đặt tiêu chuẩn và các lỗi cần tránh khi làm việc với Lục Giác Chìm M10
- 11. Hướng dẫn các phương pháp nhận biết Lục Giác Chìm Inox 304 chất lượng cao
- 12. Cập nhật giá bán & Địa chỉ uy tín để mua Lục Giác Chìm Đầu Trụ DIN912 M10x30
- 13. Giải đáp các thắc mắc chuyên môn (FAQ) về Lục Giác Chìm Đầu Trụ Inox 304 DIN912 M10x30
- 14. Kênh hỗ trợ chuyên gia và tư vấn kỹ thuật về giải pháp lắp xiết công nghiệp
- 15. Các thông tin mở rộng & Kinh nghiệm thực chiến từ đội ngũ chuyên gia Mecsu
1. Giới thiệu Lục Giác Chìm Đầu Trụ Inox 304 DIN912 M10x30 và vai trò trong các kết cấu chịu tải nặng
Lục Giác Chìm Đầu Trụ Inox 304 DIN912 M10x30 là một loại bulong cường độ cao, được nhận dạng bởi phần đầu hình trụ và một lỗ lục giác âm ở tâm để sử dụng dụng cụ siết chuyên dụng. Sản phẩm này được chế tạo theo tiêu chuẩn DIN 912 từ vật liệu Inox 304. Kích thước M10 đánh dấu một bước tiến lớn về khả năng chịu tải, phù hợp cho các mối ghép đòi hỏi độ bền kéo, lực cắt và lực siết cực cao. Chiều dài 30mm là một kích thước phổ biến cho ren M10, cho phép liên kết các vật liệu có độ dày đáng kể, đảm bảo độ ngàm sâu và an toàn cho các mối ghép chịu tải trọng lớn.
Nhờ khả năng chống ăn mòn đáng tin cậy của Inox 304 và sức mạnh cơ học vượt trội của ren M10, loại bulong này được ưu tiên sử dụng trong ngành chế tạo máy công nghiệp nặng, lắp ráp kết cấu thép, và các công trình ngoài trời đòi hỏi độ bền vững lâu dài.
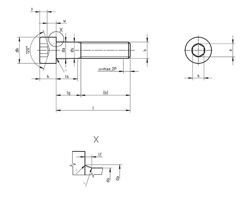
2. Bảng thông số kỹ thuật chi tiết của Lục Giác Chìm Đầu Trụ M10x30
Bản vẽ kỹ thuật của bulong lục giác chìm đầu trụ theo tiêu chuẩn DIN 912
| Thông số | Giá trị |
|---|---|
| Mã đặt hàng | 0067372 |
| Mã sản phẩm (MPN) | B02M1001030TH00 |
| Hệ Kích Thước | Met |
| Size Ren | M10 |
| Bước Ren | 1.5 mm |
| Loại Ren | Thô |
| Chiều Dài (L) | 30 mm |
| Phân Bố Ren | Ren Suốt |
| Vật Liệu | Inox 304 |
| Loại Đầu | Đầu Trụ |
| Đường Kính Đầu (dk) | 16 mm |
| Chiều Cao Đầu (k) | 10 mm |
| Size Khóa (s) | 8 mm |
| Tiêu Chuẩn | DIN 912 |
| Ngành Hàng | Đóng Tàu – Dự Án Dầu Khí |
| Xuất Xứ | Trung Quốc |
3. Khám phá vật liệu Inox 304 – Nền tảng của sự bền bỉ và khả năng kháng ăn mòn
Hiệu suất làm việc của Lục Giác Chìm Đầu Trụ Inox 304 M10x30 có được là nhờ vào đặc tính ưu việt của vật liệu chế tạo. Inox 304 (còn có tên gọi khác là SUS 304 hoặc thép không gỉ 18/8) là loại thép không gỉ hệ Austenitic được sử dụng nhiều nhất trên thế giới.
- Thành phần hóa học: Hợp kim này chứa khoảng 18% Crôm và 8% Niken. Crôm là nguyên tố chủ đạo tạo ra một lớp oxit thụ động, cực mỏng và bền chắc trên bề mặt, có khả năng tự tái tạo khi bị trầy xước, giúp chống lại hiện tượng oxy hóa. Niken có vai trò ổn định cấu trúc Austenitic, làm tăng độ dẻo dai và độ bền tổng thể.
- Đặc tính nổi bật: Inox 304 được biết đến với khả năng chống ăn mòn xuất sắc trong phần lớn các môi trường tự nhiên (không khí, nước), rất dễ gia công, và có bề mặt sáng bóng, sạch sẽ, phù hợp cho những ứng dụng yêu cầu vệ sinh cao.
4. Thiết kế ưu việt theo DIN 912: Giá trị của Đầu Trụ và Lỗ Lục Giác Âm
Thiết kế dựa trên tiêu chuẩn DIN 912 mang đến những lợi ích kỹ thuật không thể phủ nhận trong thực tế:
- Đầu Trụ (Cylindrical Head): Cho phép bulong được lắp đặt chìm hoàn toàn vào một lỗ khoan định sẵn (counterbore), từ đó tạo ra một bề mặt phẳng tuyệt đối, không có chi tiết nhô ra gây vướng víu hoặc ảnh hưởng đến thẩm mỹ. Điều này đặc biệt có giá trị trong ngành thiết kế máy và các sản phẩm công nghệ cao.
- Lỗ Lục Giác Âm (Hex Socket): Kiểu thiết kế này cho phép truyền một momen xoắn (lực siết) lớn hơn rất nhiều so với đầu vít bake (Phillips) hay đầu xẻ rãnh. Dụng cụ vặn (khóa lục giác, size 8mm cho M10) tiếp xúc với toàn bộ 6 cạnh bên trong, giảm thiểu nguy cơ trượt và làm hỏng đầu vít trong quá trình siết chặt, đặc biệt quan trọng với lực siết lớn của M10.
5. Đánh giá hiệu suất cơ học và độ bền hóa học của vật liệu Inox 304
Vật liệu Inox 304 đem lại cho bulong M10x30 những đặc tính cơ học và hóa học đáng tin cậy:
- Chống Ăn Mòn: Khả năng kháng ăn mòn của Inox 304 tốt hơn rõ rệt so với Inox 201 và thép carbon. Nó có thể chống lại sự ăn mòn từ nước, hơi ẩm và nhiều loại hóa chất có nồng độ thấp, rất lý tưởng cho môi trường bên ngoài hoặc các khu vực cần vệ sinh liên tục.
- Chịu Nhiệt: Inox 304 có khả năng chống oxy hóa tốt ở nhiệt độ lên tới 870°C, mặc dù độ bền cơ học sẽ suy giảm ở nhiệt độ cao. Nó cũng thể hiện độ dẻo dai ấn tượng ở nhiệt độ đông lạnh.
- Tính Thẩm Mỹ Cao: Bề mặt sáng bóng tự nhiên của Inox 304 mang đến một vẻ ngoài chuyên nghiệp, sạch sẽ mà không cần bất kỳ lớp mạ nào, rất thích hợp cho các ứng dụng trang trí hoặc các thiết bị cần lộ chi tiết.
6. So sánh thực tế giữa Inox 304, 201 và 316: Đâu là lựa chọn đúng đắn?
Để lựa chọn đúng loại vật liệu cho ứng dụng cụ thể, việc phân biệt khả năng của từng loại Inox là rất cần thiết:
- Inox 201: Chứa ít Niken hơn và được thay thế bằng Mangan. Do đó, khả năng chống ăn mòn kém hơn Inox 304 và có thể bị ố, gỉ trong môi trường ẩm ướt kéo dài. Ưu điểm là giá thành rẻ hơn.
- Inox 304 (Sản phẩm này): Là sự lựa chọn cân bằng nhất, chống ăn mòn tốt trong hầu hết các môi trường thông thường, giá cả phải chăng. Phù hợp cho đa số các ứng dụng từ dân dụng đến công nghiệp.
- Inox 316: Có chứa thêm nguyên tố Molypden (khoảng 2%), giúp tăng cường đáng kể khả năng chống ăn mòn, đặc biệt là chống lại sự ăn mòn clorua (từ nước biển, muối). Đây là vật liệu bắt buộc cho ngành hàng hải, dầu khí và hóa chất.
7. Đánh giá toàn diện các ưu điểm và điểm cần chú ý khi làm việc với Lục Giác Chìm M10x30
Để sử dụng sản phẩm một cách hiệu quả nhất, cần nắm vững các thế mạnh và những điểm cần cân nhắc:
Ưu điểm nổi bật:
- Khả Năng Chịu Lực Rất Cao: Đường kính ren M10 cung cấp sức bền kéo và cắt vượt trội, phù hợp cho các mối ghép đòi hỏi độ an toàn và ổn định cao nhất, chịu tải trọng nặng.
- Chiều Dài Phổ Thông Cho M10: Chiều dài 30mm cho phép liên kết các chi tiết có độ dày đáng kể hoặc ghép nhiều lớp vật liệu (tổng độ dày ~18-20mm) một cách chắc chắn.
- Thẩm Mỹ Tinh Tế: Đầu trụ có thể được lắp chìm, tạo ra bề mặt phẳng, là lựa chọn lý tưởng cho các thiết kế hiện đại, tinh gọn, không có chi tiết thừa.
- Độ Bền Vượt Thời Gian: Vật liệu Inox 304 bảo đảm độ bền lâu dài trong môi trường ẩm hoặc ngoài trời, giảm thiểu chi phí bảo trì, thay thế.
Lưu ý khi sử dụng:
- Yêu Cầu Dụng Cụ Lớn: Cần phải có khóa lục giác (Allen key) đúng kích thước tiêu chuẩn (8mm) để vặn siết.
- Lực Siết Rất Cao: Cần sử dụng cờ lê lực để kiểm soát momen xoắn (khoảng 50 Nm), tránh siết quá lực gây hỏng ren vật liệu nền hoặc gãy bulong.
- Hiện Tượng “Cháy Ren” (Galling): Luôn có nguy cơ với Inox khi siết lực cao. Sử dụng chất bôi trơn chống kẹt ren được khuyến nghị.
8. Các ứng dụng công nghiệp tiêu biểu của Lục Giác Chìm Inox 304 M10x30
Với sức mạnh vượt trội của ren M10 và chiều dài 30mm, bulong này là giải pháp tối ưu khi cần liên kết các vật liệu có độ dày lớn hoặc yêu cầu độ ngàm ren sâu trong các ngành công nghiệp nặng và chế tạo:
- Lắp Ráp Khung Gầm Máy Móc Hạng Nặng: Liên kết các dầm thép chính, các tấm đế dày trong việc chế tạo khung máy công cụ lớn, máy ép nhựa, máy dập, nơi cần độ cứng vững và chịu rung động cực cao.
- Ngành Đóng Tàu và Dầu Khí: Cố định các mặt bích đường ống chịu áp lực, lắp đặt các thiết bị nặng lên sàn tàu hoặc giàn khoan (trong môi trường ít muối), đòi hỏi cả sức bền và khả năng chống ăn mòn.
- Hệ Thống Nâng Hạ và Cẩu Trục: Lắp ráp các bộ phận của pa lăng, cầu trục nhỏ, các điểm neo chịu tải, nơi an toàn là yếu tố hàng đầu.
- Xây Dựng Kết Cấu Thép Đặc Biệt: Liên kết các bản mã nối dầm, cột thép có độ dày lớn, hoặc lắp đặt các thiết bị nặng lên kết cấu thép trong nhà xưởng, cầu thang chịu tải trọng cao.
- Sản Xuất Thiết Bị Nông Nghiệp và Xây Dựng: Lắp ráp các bộ phận chịu lực chính trên máy kéo, máy xúc, máy ủi, nơi chịu va đập mạnh, điều kiện làm việc khắc nghiệt.
9. Độ ổn định của Inox 304 khi làm việc trong các môi trường nhiệt độ biến động
Inox 304 có dải nhiệt độ làm việc rất linh hoạt. Nó duy trì được độ bền và khả năng chống ăn mòn tốt trong các ứng dụng hoạt động liên tục ở nhiệt độ lên đến 870°C và không liên tục lên đến 925°C. Ở nhiệt độ thấp, nó vẫn giữ được độ dẻo dai tuyệt vời, không bị giòn gãy như thép carbon, phù hợp cho cả các ứng dụng trong môi trường lạnh.
10. Quy trình lắp đặt tiêu chuẩn và các lỗi cần tránh khi làm việc với Lục Giác Chìm M10
Để đảm bảo mối ghép đạt hiệu suất tối đa, việc lắp đặt cần tuân thủ các nguyên tắc kỹ thuật sau:
Nguyên Tắc Chuẩn Bị:
- Khoan Lỗ Chính Xác: Nếu cần lắp chìm, lỗ khoan (counterbore) phải có đường kính và chiều sâu tương thích với kích thước đầu bulong (đường kính 16 mm, cao 10 mm).
- Làm Sạch Ren: Đảm bảo lỗ ren và thân ren sạch sẽ, không có ba vớ, bụi bẩn hoặc dầu mỡ để tránh làm kẹt ren và sai lệch lực siết.
Lưu Ý Kỹ Thuật:
- Sử Dụng Đúng Dụng Cụ: Dùng khóa lục giác 8mm chất lượng tốt, không bị mòn hay bo tròn các cạnh để tránh làm hỏng lỗ lục giác trên đầu bulong khi siết lực cao.
- Kiểm Soát Lực Siết Chặt Chẽ: Ren M10 chịu lực siết rất lớn. Bắt buộc sử dụng cờ lê lực để đạt momen xoắn thiết kế (tham khảo khoảng 50 Nm), tránh siết non hoặc quá lực gây phá hủy mối ghép.
- Bôi Trơn (Khuyến Nghị): Sử dụng mỡ chống kẹt ren (anti-seize) để giảm ma sát và ngăn ngừa hiện tượng “cháy ren”.
11. Hướng dẫn các phương pháp nhận biết Lục Giác Chìm Inox 304 chất lượng cao
Để đảm bảo bạn mua được sản phẩm đúng chất lượng Inox 304, hãy áp dụng các phương pháp kiểm tra đơn giản sau:
- Kiểm Tra Bề Mặt: Hàng tiêu chuẩn có bề mặt sáng bóng, đồng đều. Các đường ren và lỗ lục giác phải được gia công sắc nét, không có chi tiết thừa.
- Kiểm Tra Từ Tính: Inox 304 ở trạng thái ban đầu gần như không bị nam châm hút. Tuy nhiên, sau quá trình gia công nguội, vật liệu có thể bị nhiễm từ nhẹ. Nếu nam châm hút rất mạnh, có khả năng cao đó là Inox 201 hoặc thép mạ.
- Sử Dụng Thuốc Thử Chuyên Dụng: Đây là phương pháp mang lại kết quả chính xác nhất. Nhỏ một giọt thuốc thử Inox lên bề mặt, nếu dung dịch đổi màu theo bảng màu chỉ thị của Inox 304 thì sản phẩm đạt chuẩn.
12. Cập nhật giá bán & Địa chỉ uy tín để mua Lục Giác Chìm Đầu Trụ DIN912 M10x30
a. Giá Lục Giác Chìm Đầu Trụ Inox 304 DIN912 M10x30 tại Mecsu: 3,605 đ / Cái (đã có VAT)
Xin lưu ý, mức giá này là giá bán lẻ tham khảo và có thể thay đổi theo thời điểm. Đối với các đơn hàng số lượng lớn dành cho sản xuất hoặc dự án, Mecsu luôn có chính sách giá sỉ và chiết khấu đặc biệt. Hãy liên hệ ngay với phòng kinh doanh của chúng tôi để nhận được báo giá tốt nhất.
b. Gợi ý địa chỉ mua hàng đáng tin cậy
- Tìm Kiếm Nhà Cung Cấp Chuyên Nghiệp: Hãy hợp tác với các nhà cung cấp vật tư công nghiệp lớn, có uy tín trên thị trường, có khả năng cung cấp hàng hóa ổn định và các chứng từ chất lượng rõ ràng.
- Trải Nghiệm Mua Sắm Tại Mecsu: Mecsu là nhà cung cấp chuyên nghiệp các loại Lục Giác Chìm Inox 304 đúng tiêu chuẩn, chất lượng được kiểm định. Chúng tôi cam kết cung cấp sản phẩm chất lượng với giá cả cạnh tranh và dịch vụ khách hàng chu đáo.
MUA THÊM NHIỀU LOẠI LỤC GIÁC CHÌM CHÍNH HÃNG KHÁC TẠI MECSU
13. Giải đáp các thắc mắc chuyên môn (FAQ) về Lục Giác Chìm Đầu Trụ Inox 304 DIN912 M10x30
a. Bulong M10x30 này chịu được tải trọng bao nhiêu kg?
Khả năng chịu tải của bulong phụ thuộc vào nhiều yếu tố (lực kéo hay lực cắt, cách lắp đặt, hệ số an toàn). Bulong M10 Inox 304 (A2-70) có diện tích chịu lực khoảng 58 mm² và giới hạn bền kéo 700 N/mm², tức là về lý thuyết có thể chịu lực kéo tới ~40,600 N (tương đương ~4100 kgf) trước khi đứt. Tuy nhiên, tải trọng làm việc an toàn thực tế sẽ thấp hơn nhiều (thường chỉ bằng 20-25% giới hạn bền) và cần được tính toán bởi kỹ sư dựa trên ứng dụng cụ thể.
b. Momen xoắn (lực siết) khuyến nghị cho bulong M10 Inox 304 là bao nhiêu?
Đối với bulong M10 Inox 304 (cấp bền A2-70), lực siết khuyến nghị trong điều kiện khô, không bôi trơn là khoảng 50-55 Nm (Newton-mét). Nếu có bôi trơn, lực siết này có thể giảm xuống. Việc siết đúng lực là cực kỳ quan trọng đối với bulong M10 để đảm bảo lực kẹp và tránh phá hủy mối ghép.
c. Tôi cần dùng mũi khoan kích thước nào để tạo ren M10x1.5?
Để taro một lỗ ren M10 với bước ren tiêu chuẩn 1.5mm (ren thô), bạn cần sử dụng một mũi khoan có đường kính 8.5mm. Khoan lỗ với kích thước này sẽ tạo ra đường kính lõi chính xác để mũi taro M10x1.5 hoạt động hiệu quả và tạo ra mối ren bền chắc.
d. Bulong M10x30 có phù hợp để lắp đặt kết cấu thép ngoài trời không?
Có, Inox 304 là vật liệu rất tốt cho các ứng dụng kết cấu thép ngoài trời thông thường (không phải môi trường biển hoặc hóa chất). Nó chống chịu tốt mưa nắng, độ ẩm và không bị gỉ sét. Kích thước M10 cung cấp đủ sức mạnh cho các liên kết kết cấu vừa và nhỏ. Chiều dài 30mm phù hợp để ghép các bản mã hoặc thép hình có độ dày phổ biến.
e. “Bước ren 1.5 mm” có phải là ren thô không?
Đúng vậy. Đối với ren hệ mét, “1.5 mm” là bước ren tiêu chuẩn, hay còn gọi là “ren thô” (Coarse Thread) cho bulong M10. Đây là loại ren phổ biến nhất, dễ lắp ráp và ít bị kẹt ren. Ren mịn (Fine Thread) của M10 sẽ có bước ren nhỏ hơn, ví dụ như 1.25mm hoặc 1.0mm.
14. Kênh hỗ trợ chuyên gia và tư vấn kỹ thuật về giải pháp lắp xiết công nghiệp
Nếu quý khách hàng đang đối mặt với những thách thức kỹ thuật phức tạp, cần sự tư vấn chuyên sâu để lựa chọn vật liệu hay tiêu chuẩn lắp xiết phù hợp, xin vui lòng kết nối ngay với đội ngũ kỹ sư giàu kinh nghiệm thực chiến của Mecsu. Chúng tôi cam kết sẽ đồng hành cùng bạn để tìm ra giải pháp tối ưu, an toàn và kinh tế nhất cho mọi dự án.
Địa chỉ: B28/I – B29/I Đường số 2B, KCN Vĩnh Lộc, P. Bình Hưng Hòa B, Q. Bình Tân, TP.HCM
Hotline: 1800 8137
Email: [email protected]
Website: mecsu.vn
15. Các thông tin mở rộng & Kinh nghiệm thực chiến từ đội ngũ chuyên gia Mecsu
a. Câu Chuyện Thành Công & Bài học Ứng Dụng
Một đối tác của Mecsu trong lĩnh vực chế tạo máy nông nghiệp đã tiêu chuẩn hóa việc sử dụng Lục Giác Chìm Inox 304 DIN912 M10 cho các mối ghép chịu lực chính trên khung máy kéo. Sự thay đổi này không chỉ giúp sản phẩm của họ có vẻ ngoài chuyên nghiệp hơn mà còn giải quyết triệt để vấn đề gỉ sét tại các mối ghép, vốn thường xuyên phải hoạt động trong môi trường khắc nghiệt (bùn đất, độ ẩm cao), qua đó nâng cao độ bền và uy tín sản phẩm.
b. Lời khuyên từ Chuyên gia Kỹ thuật
“Với các mối ghép chịu tải trọng cao trong môi trường khắc nghiệt, Inox 304 M10 là một sự lựa chọn đáng tin cậy. Đầu tư vào vật tư chất lượng ngay từ đầu là cách hiệu quả nhất để giảm thiểu rủi ro hỏng hóc và chi phí bảo trì sau này.” — Kỹ sư ứng dụng, Mecsu – Chuyên gia về vật tư và giải pháp lắp xiết.
c. Tài Liệu Tham Khảo và Nguồn Nghiên Cứu
Các nội dung kỹ thuật trong bài phân tích này được tổng hợp và tham chiếu từ các nguồn đáng tin cậy:
- DIN Standard Catalog (Cổng thông tin chính thức về tiêu chuẩn DIN 912).
- Sổ tay kỹ thuật về thép không gỉ của các nhà sản xuất hàng đầu thế giới.
- Kinh nghiệm thực tiễn và phản hồi được tổng hợp từ hệ thống khách hàng trong các ngành chế tạo máy, tự động hóa và xây dựng của Mecsu.
Biên soạn bởi: Đội ngũ Kỹ sư Mecsu
Với kiến thức chuyên sâu về ngành vật tư kỹ thuật, đội ngũ Mecsu cam kết mang đến những thông tin chính xác, hữu ích và có giá trị thực tiễn cao cho khách hàng.
(Tìm hiểu thêm về chúng tôi tại Website Mecsu)
Lưu ý: Hình ảnh sản phẩm trong bài viết mang tính chất minh họa và có thể khác biệt đôi chút so với sản phẩm thực tế tùy thuộc vào từng lô hàng và nhà sản xuất. Quý khách hàng vui lòng dựa vào bảng thông số kỹ thuật chi tiết hoặc liên hệ trực tiếp với Mecsu để được tư vấn chính xác nhất.
















Đánh giá
Chưa có đánh giá nào.