Mô tả sản phẩm
Thông tin CHUYÊN SÂU về Phe Gài Trục Inox 304 DIN471 D10x1.0
Mục Lục
- 1. Phe Gài Trục Inox 304 D10x1.0 Là Gì? – Giải Thích Chuyên Sâu
- 2. Thông Số Kỹ Thuật Chi Tiết của Phe Gài Trục Inox 304
- 3. Cấu Tạo Chi Tiết Phe Gài Trục D10x1.0
- 4. Phân Tích Chuyên Sâu: Tiêu Chuẩn DIN 471 và Vật Liệu Inox 304
- 5. Ưu và Nhược Điểm của Phe Gài Trục D10x1.0
- 6. Ứng Dụng Thực Tế của Phe Gài Trục D10x1.0
- 7. Hướng Dẫn Lắp Đặt và Tháo Gỡ Phe Gài Trục
- 8. So Sánh Phe Gài Trục với Phe Gài Lỗ và Vòng Đệm
- 9. Cách Phân Biệt Phe Gài Trục Inox 304 Thật – Giả – Lời Khuyên Từ Chuyên Gia Mecsu
- 10. Giá Bán & Gợi Ý Mua Phe Gài Trục Inox 304 Chính Hãng Tại TP.HCM
- 11. FAQ về Phe Gài Trục Inox 304 D10x1.0
- 12. Liên Hệ và Hỗ Trợ Tư Vấn Mua Phe Gài
- 13. Thông Tin Bổ Sung & Kinh Nghiệm Thực Tế Từ Mecsu
1. Phe Gài Trục Inox 304 D10x1.0 Là Gì? – Giải Thích Chuyên Sâu
Phe gài trục Inox 304 DIN471 D10x1.0 là một loại phụ kiện cơ khí thiết yếu, được thiết kế để định vị các chi tiết trên trục. Mã “D10x1.0” là ký hiệu kích thước tiêu chuẩn, với đường kính trong danh nghĩa là 10mm và độ dày 1.0mm. Tiêu chuẩn “DIN 471” là một tiêu chuẩn quốc tế quy định kích thước, vật liệu và dung sai của phe gài trục.
Phe gài trục (hay còn gọi là vòng gài, vòng phe) được sử dụng để ngăn chặn các chi tiết như bánh răng, vòng bi, puli… trượt dọc theo trục. Vật liệu Inox 304 mang lại khả năng chống ăn mòn vượt trội, giúp sản phẩm bền bỉ trong các môi trường ẩm ướt, hóa chất hoặc ngoài trời.
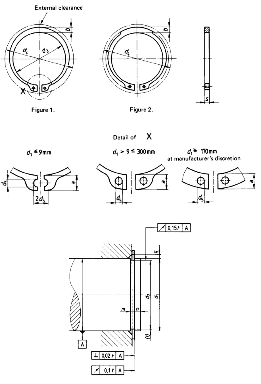
2. Thông Số Kỹ Thuật Chi Tiết của Phe Gài Trục Inox 304
D: Đường kính danh nghĩa
d: Đường kính rãnh sử dụng
t: Độ dày
s: Bề rộng rãnh sử dụng
| Thông số | Giá trị |
|---|---|
| Mã sản phẩm | DIN471 D10x1.0 |
| Loại phe | Phe Gài Trục (External Retaining Ring) |
| Dùng cho trục | 10 mm |
| Vật liệu | Inox 304 |
| Bề rộng rãnh sử dụng (s) | 1.1 mm |
| Đường kính rãnh sử dụng (d) | 9.6 mm |
| Đường kính trong | 9.3 mm |
| Độ dày (t) | 1 mm |
| Tiêu chuẩn | DIN 471 |
| Thương hiệu | MS-PRO |
| Trọng lượng tinh của sản phẩm | ~0.0001 kg |
3. Cấu Tạo Chi Tiết Phe Gài Trục D10x1.0
Phe gài trục Inox 304 D10x1.0 được cấu thành từ một vòng kim loại dạng hở, có hai lỗ ở hai đầu để sử dụng kìm chuyên dụng khi lắp đặt hoặc tháo gỡ. Cấu tạo này cho phép phe gài có độ đàn hồi tốt, ôm sát vào rãnh trên trục và đảm bảo khả năng giữ chặt các chi tiết.
Sơ đồ cấu tạo Phe Gài Trục Inox 304:
- Vòng kim loại hở: Được gia công từ thép không gỉ Inox 304, có hình dạng đặc biệt giúp ôm chặt vào rãnh trên trục.
- Hai lỗ đầu: Dùng để móc kìm phe gài, giúp nới rộng phe khi lắp vào hoặc thu hẹp khi tháo ra khỏi trục.
- Đường kính trong và đường kính rãnh: Được thiết kế chính xác theo tiêu chuẩn DIN 471 để phù hợp với trục có đường kính 10mm.
4. Phân Tích Chuyên Sâu: Tiêu Chuẩn DIN 471 và Vật Liệu Inox 304
Để thực sự hiểu giá trị của phe gài trục Inox 304 D10x1.0, việc phân tích sâu hơn về hai yếu tố then chốt: “Tiêu chuẩn DIN 471” và “vật liệu Inox 304” là rất quan trọng.
Tiêu chuẩn “DIN 471” – Tiêu chuẩn quốc tế cho phe gài trục:
- Chức năng chính: DIN 471 là một tiêu chuẩn của Đức, được chấp nhận rộng rãi trên toàn cầu, quy định các thông số kỹ thuật cho phe gài trục.
- Đặc điểm nổi bật: Tiêu chuẩn này đảm bảo các yếu tố về kích thước, dung sai, hình dạng và vật liệu của phe gài trục được sản xuất đồng nhất, giúp dễ dàng thay thế và đảm bảo độ chính xác.
- Ưu điểm vượt trội: Việc tuân thủ DIN 471 giúp sản phẩm có độ tin cậy cao, khả năng định vị chính xác và sức chịu tải trọng dọc trục ổn định, phù hợp với các yêu cầu kỹ thuật khắt khe.
Vật liệu “Inox 304” (Stainless Steel 304):
- Ý nghĩa: Inox 304 là một loại thép không gỉ phổ biến, chứa 18% Crom và 8% Niken (còn được gọi là thép không gỉ 18/8).
- Tầm quan trọng: Inox 304 mang lại khả năng chống ăn mòn vượt trội trong nhiều môi trường, bao gồm cả môi trường ẩm ướt, nước và một số hóa chất nhẹ.
- Lựa chọn phù hợp: Đối với phe gài trục, việc sử dụng Inox 304 đảm bảo sản phẩm không bị rỉ sét, duy trì độ bền và hiệu quả định vị trong thời gian dài, đặc biệt trong các ứng dụng ngoài trời, trong ngành thực phẩm, y tế hoặc hàng hải.
Sự kết hợp giữa tiêu chuẩn “DIN 471” và vật liệu “Inox 304” giúp Phe Gài Trục D10x1.0 trở thành một giải pháp định vị linh hoạt, đáng tin cậy và bền bỉ trong nhiều ứng dụng công nghiệp.
5. Ưu và Nhược Điểm của Phe Gài Trục D10x1.0
Phe gài trục Inox 304 D10x1.0 được tin dùng nhờ hiệu suất và độ bền vượt trội. Tuy nhiên, việc lựa chọn tối ưu đòi hỏi phải hiểu rõ cả ưu điểm lẫn nhược điểm của nó.
Ưu điểm nổi bật:
- Khả năng chống ăn mòn cao: Vật liệu Inox 304 giúp phe gài chịu được môi trường ẩm ướt, hóa chất, không bị rỉ sét, phù hợp cho các ứng dụng trong ngành thực phẩm, y tế, và hàng hải.
- Định vị chắc chắn: Thiết kế theo tiêu chuẩn DIN 471 giúp phe gài bám chặt vào rãnh trục, ngăn chặn hiệu quả sự dịch chuyển dọc trục của các chi tiết.
- Độ bền cao: Phe gài có khả năng chịu tải trọng dọc trục tốt, đảm bảo sự ổn định và an toàn cho các bộ phận máy móc.
- Dễ dàng lắp đặt và tháo gỡ: Với hai lỗ đầu, việc sử dụng kìm phe gài chuyên dụng giúp quá trình lắp đặt và tháo gỡ diễn ra nhanh chóng, dễ dàng.
- Tuổi thọ sản phẩm dài: Nhờ vật liệu cao cấp và tiêu chuẩn sản xuất nghiêm ngặt, phe gài có tuổi thọ cao, ít cần bảo trì thay thế.
Nhược điểm cần lưu ý:
- Yêu cầu dụng cụ chuyên dụng: Cần có kìm phe gài chuyên dụng để lắp đặt và tháo gỡ, không thể dùng tay không hoặc các dụng cụ thông thường.
- Giá thành: Mức giá của phe gài Inox 304 có thể cao hơn so với phe gài làm từ thép carbon thông thường. Tuy nhiên, đây là sự đầu tư xứng đáng cho độ bền và khả năng chống ăn mòn dài hạn.
- Độ đàn hồi: Nếu bị kéo giãn quá mức trong quá trình lắp đặt, phe gài có thể bị mất độ đàn hồi và không còn giữ chặt được các chi tiết.
6. Ứng Dụng Thực Tế của Phe Gài Trục D10x1.0
Với kích thước tiêu chuẩn, khả năng định vị tốt và đặc tính chống ăn mòn của Inox 304, phe gài trục D10x1.0 được ứng dụng rộng rãi trong nhiều lĩnh vực công nghiệp và dân dụng tại TP. Hồ Chí Minh và các khu công nghiệp lân cận:
- Chế tạo máy: Định vị các bánh răng, vòng bi, puli trên trục của các loại máy công cụ, máy móc sản xuất.
- Hệ thống truyền động: Giữ chặt các chi tiết trong hộp số, các bộ truyền động cơ khí.
- Ngành thực phẩm và y tế: Sử dụng trong các thiết bị sản xuất, chế biến cần độ sạch cao và khả năng chống ăn mòn.
- Thiết bị bơm và van: Định vị các chi tiết bên trong bơm hoặc van, đặc biệt trong môi trường chất lỏng.
- Ứng dụng ngoài trời hoặc môi trường ẩm ướt: Lắp đặt trên các thiết bị, máy móc hoạt động trong môi trường có độ ẩm cao hoặc tiếp xúc với nước.
- Đồ gia dụng và thiết bị nhỏ: Sử dụng trong các thiết bị gia dụng, đồ chơi và các sản phẩm cơ khí nhỏ khác.
7. Hướng Dẫn Lắp Đặt và Tháo Gỡ Phe Gài Trục
Để đảm bảo tuổi thọ và hiệu suất tối ưu cho phe gài trục D10x1.0, việc lắp đặt và tháo gỡ đúng cách là vô cùng quan trọng. Luôn tuân thủ các nguyên tắc an toàn và kỹ thuật. Mecsu cung cấp hướng dẫn chi tiết dựa trên kinh nghiệm thực tế:
- Chuẩn bị: Đảm bảo trục và rãnh sạch sẽ, không có bụi bẩn hay ba via. Chuẩn bị kìm phe gài chuyên dụng có kích thước phù hợp. Luôn đeo găng tay bảo hộ và kính bảo hộ để đảm bảo an toàn.
- Lắp đặt:
- Sử dụng kìm phe gài, đưa hai đầu của kìm vào hai lỗ trên phe gài.
- Nhấn từ từ để nới rộng phe gài, sau đó trượt phe vào vị trí rãnh trên trục.
- Thả tay từ từ để phe gài trở lại kích thước ban đầu, đảm bảo nó nằm gọn trong rãnh. Tuyệt đối không kéo giãn quá mức cần thiết để tránh làm mất độ đàn hồi.
- Tháo gỡ:
- Sử dụng kìm phe gài chuyên dụng, đưa hai đầu kìm vào hai lỗ trên phe gài.
- Nhấn để nới rộng phe gài, sau đó từ từ rút phe ra khỏi rãnh trên trục.
- Tránh dùng các dụng cụ khác như tua vít hoặc kìm thường để tháo gỡ, vì có thể làm biến dạng phe gài hoặc gây nguy hiểm.
- Bảo quản: Nếu không sử dụng ngay, hãy giữ phe gài trong bao bì gốc của nhà sản xuất, ở nơi khô ráo, thoáng mát để ngăn ngừa bụi bẩn và các tác nhân gây hại khác.
8. So Sánh Phe Gài Trục với Phe Gài Lỗ và Vòng Đệm
Việc hiểu rõ sự khác biệt giữa các loại phụ kiện định vị sẽ giúp bạn lựa chọn sản phẩm phù hợp nhất cho ứng dụng của mình, tối ưu hóa hiệu suất và chi phí đầu tư:
| Tiêu chí | Phe Gài Trục (DIN 471) | Phe Gài Lỗ (DIN 472) | Vòng Đệm (Washer) |
|---|---|---|---|
| Vị trí lắp đặt | Lắp vào rãnh trên trục (phần ngoài) | Lắp vào rãnh bên trong một lỗ | Lắp giữa bu lông và đai ốc |
| Chức năng chính | Định vị, ngăn chi tiết trượt dọc trục | Định vị, ngăn chi tiết trượt dọc trong lỗ | Phân tán lực, chống lỏng ốc vít, làm kín |
| Khả năng chịu tải | Chịu tải trọng dọc trục cao | Chịu tải trọng dọc trục cao | Không có khả năng định vị dọc trục |
| Dụng cụ lắp | Kìm phe gài trục | Kìm phe gài lỗ | Không cần, hoặc dùng cờ lê |
| Ứng dụng điển hình | Trục động cơ, trục bánh xe, các chi tiết trên trục | Lỗ trong xi lanh, pít-tông | Kết nối bu lông-đai ốc |
9. Cách Phân Biệt Phe Gài Trục Inox 304 Thật – Giả – Lời Khuyên Từ Chuyên Gia Mecsu
Thị trường hiện nay có rất nhiều hàng giả, hàng nhái kém chất lượng, đặc biệt là với các sản phẩm được ưa chuộng. Để đảm bảo bạn mua được phe gài trục Inox 304 chính hãng tại TP.HCM, Mecsu khuyến nghị kiểm tra các dấu hiệu sau:
a. Dấu hiệu của phe gài trục chính hãng:
- Gia công tinh xảo: Bề mặt phe gài nhẵn mịn, không có ba via, không có cạnh sắc, các lỗ tròn đều và chính xác.
- Độ đàn hồi tốt: Khi dùng kìm nới rộng phe gài, nó sẽ co lại về hình dạng ban đầu một cách dứt khoát và mạnh mẽ.
- Vật liệu đúng chuẩn: Có độ bóng đặc trưng của Inox 304, không có dấu hiệu rỉ sét, ngay cả khi tiếp xúc với môi trường ẩm.
- Kích thước chính xác: Các thông số về đường kính, độ dày, bề rộng rãnh phải đúng theo tiêu chuẩn DIN 471 đã công bố.
- Bao bì sản phẩm: Nếu mua với số lượng lớn, sản phẩm thường có bao bì từ nhà sản xuất uy tín, thông tin sản phẩm rõ ràng, không mờ nhạt.
b. Dấu hiệu của phe gài trục hàng giả/nhái:
- Gia công thô, bề mặt sần sùi, có nhiều ba via, cạnh sắc.
- Độ đàn hồi kém, dễ bị biến dạng, không co lại hoàn toàn sau khi nới rộng.
- Không làm từ Inox 304, dễ bị rỉ sét ngay cả trong môi trường bình thường.
- Kích thước không chính xác, sai lệch so với tiêu chuẩn, khó lắp đặt.
- Giá bán rẻ bất thường so với mức giá thị trường của sản phẩm chất lượng – đây là dấu hiệu cảnh báo lớn nhất.
10. Giá Bán & Gợi Ý Mua Phe Gài Trục Inox 304 Chính Hãng Tại TP.HCM
a. Giá phe gài trục Inox 304 D10x1.0 (TP.Hồ Chí Minh) tại Mecsu: Giá: 2,147 đ / Cái (đã có VAT) – Giá hợp lý, phù hợp với chất lượng sản phẩm chính hãng
Liên hệ để nhận báo giá tốt nhất (giá có thể thay đổi tùy thời điểm và số lượng) – mức giá hợp lý, phù hợp với chất lượng sản phẩm chính hãng MS-PRO tại thị trường linh kiện cơ khí TP.HCM.
b. Gợi ý mua phe gài chính hãng uy tín
- Chọn nhà cung cấp uy tín tại TP.HCM: Ưu tiên đối tác có chứng nhận hoặc đơn vị lâu năm, được nhiều khách hàng tin tưởng và có danh tiếng trên thị trường cung cấp linh kiện cơ khí tại TP.HCM.
- Kiểm tra chứng từ đầy đủ: Luôn yêu cầu đầy đủ chứng nhận chất lượng (CQ) để đảm bảo nguồn gốc và chất lượng sản phẩm. Điều này giúp bạn tránh mua phải hàng kém chất lượng.
- Mua tại Mecsu – Đại lý phân phối chính hãng: Mecsu tự hào là nhà phân phối các sản phẩm phe gài chính hãng tại Việt Nam, cam kết cung cấp phe gài trục D10x1.0 chính hãng và các loại phụ kiện cơ khí khác với nhiều lợi ích vượt trội:
- 100% sản phẩm chính hãng: Đảm bảo nguồn gốc rõ ràng, đầy đủ chứng từ. Chúng tôi cam kết hoàn tiền 100% hoặc đổi trả nếu sản phẩm không phải chính hãng.
- Chính sách bảo hành minh bạch: Hỗ trợ đổi trả nếu có lỗi từ nhà sản xuất, mang lại sự an tâm tuyệt đối cho khách hàng.
- Hỗ trợ kỹ thuật chuyên sâu: Đội ngũ kỹ sư giàu kinh nghiệm sẵn sàng hỗ trợ bạn về kỹ thuật và lựa chọn sản phẩm phù hợp nhất cho mọi ứng dụng.
- Giá cả cạnh tranh: Đảm bảo mức giá tốt nhất đi kèm chất lượng, với chính sách chiết khấu hấp dẫn cho đơn hàng số lượng lớn, đặc biệt khi mua phụ kiện cơ khí số lượng lớn.
MUA THÊM NHIỀU LOẠI PHE GÀI CHÍNH HÃNG KHÁC TẠI MECSU
11. FAQ về Phe Gài Trục Inox 304 D10x1.0
a. Phe gài trục Inox 304 có cần bảo dưỡng không?
Vì được làm từ Inox 304 có khả năng chống ăn mòn cao, phe gài trục này không yêu cầu bảo dưỡng định kỳ. Tuy nhiên, nếu môi trường làm việc quá khắc nghiệt, bạn nên kiểm tra định kỳ để đảm bảo không có hư hại vật lý.
b. Phe gài trục Inox 304 có phải là phe gài chịu nhiệt không?
Phe gài trục Inox 304 hoạt động hiệu quả trong khoảng nhiệt độ thông thường. Đối với các ứng dụng yêu cầu nhiệt độ cao hơn đáng kể, bạn cần tham khảo các loại phe gài chuyên dụng chịu nhiệt hoặc làm từ vật liệu đặc biệt.
c. Làm sao biết phe gài D10x1.0 của tôi là hàng chính hãng?
Bạn nên mua từ nhà phân phối ủy quyền (như Mecsu), kiểm tra bao bì, và quan trọng nhất là kiểm tra chất lượng gia công. Hàng chính hãng sẽ có bề mặt nhẵn mịn, độ đàn hồi tốt và kích thước chính xác theo tiêu chuẩn.
d. Khi nào cần thay thế phe gài D10x1.0?
Bạn nên thay thế phe gài khi nhận thấy các dấu hiệu sau:
- Mất độ đàn hồi: Phe gài không co lại hoàn toàn sau khi nới rộng, không còn khả năng giữ chặt.
- Biến dạng vật lý: Phe gài bị cong vênh, móp méo hoặc có dấu hiệu hư hại rõ rệt.
- Rỉ sét: Mặc dù là Inox 304, nếu bị rỉ sét do môi trường quá khắc nghiệt hoặc vật liệu kém chất lượng.
- Phe gài bị nứt hoặc gãy.
Kinh nghiệm từ các kỹ sư Mecsu: Việc kiểm tra định kỳ bằng mắt thường có thể giúp phát hiện sớm các dấu hiệu cần thay thế, tránh gây hư hại nghiêm trọng hơn cho toàn bộ hệ thống. Đừng ngần ngại liên hệ chúng tôi để được hỗ trợ kỹ thuật về bảo trì hoặc thay thế kịp thời.
e. Mua phe gài trục Inox 304 chính hãng, uy tín ở đâu tại TP.HCM?
Mua phe gài trục Inox 304 chính hãng và đảm bảo chất lượng tại TP.HCM, bạn hãy liên hệ ngay với Mecsu. Chúng tôi tự hào là nhà cung cấp uy tín, chuyên phân phối các sản phẩm phụ kiện cơ khí chính hãng tại Việt Nam.
- Cam kết chất lượng: 100% sản phẩm có nguồn gốc rõ ràng, đầy đủ chứng từ CQ. Chúng tôi cam kết hoàn tiền 100% hoặc đổi trả nếu sản phẩm không phải chính hãng.
- Giá cả cạnh tranh: Đảm bảo mức giá tốt nhất đi kèm chất lượng, với chính sách chiết khấu hấp dẫn cho đơn hàng số lượng lớn.
- Tư vấn chuyên sâu: Đội ngũ kỹ sư giàu kinh nghiệm sẵn sàng hỗ trợ bạn về kỹ thuật và lựa chọn sản phẩm phù hợp nhất.
- Chính sách hậu mãi: Đảm bảo quyền lợi tối đa cho khách hàng với dịch vụ hỗ trợ nhanh chóng, tận tâm.
12. Liên Hệ và Hỗ Trợ Tư Vấn Mua Phe Gài
Nếu bạn có bất kỳ thắc mắc nào về phe gài trục Inox 304 D10x1.0 hoặc cần tư vấn về giải pháp định vị cho ứng dụng cụ thể của mình, đừng ngần ngại liên hệ với đội ngũ chuyên gia của Mecsu. Chúng tôi luôn sẵn lòng hỗ trợ bạn tìm ra sản phẩm phù hợp và tối ưu nhất, đồng thời cung cấp những kiến thức độc quyền về kỹ thuật lắp đặt phụ kiện cơ khí mà bạn khó tìm thấy ở nơi khác.
Địa chỉ: B28/I – B29/I Đường số 2B, KCN Vĩnh Lộc, P. Bình Hưng Hòa B, Q. Bình Tân, TP.HCM
Hotline: 1800 8137
Email: [email protected]
Website: mecsu.vn
13. Thông Tin Bổ Sung & Kinh Nghiệm Thực Tế Từ Mecsu
a. Kinh Nghiệm Thực Tế & Câu Chuyện Thành Công
Tại Mecsu, chúng tôi tự hào là đối tác tin cậy của nhiều doanh nghiệp trong việc cung cấp các giải pháp phụ kiện cơ khí chất lượng cao. Phe gài trục Inox 304 D10x1.0, với đặc tính chống ăn mòn và khả năng định vị chính xác, đã được ứng dụng trong nhiều dự án quan trọng của khách hàng chúng tôi tại TP. Hồ Chí Minh và các tỉnh lân cận, mang lại hiệu quả vượt trội và là minh chứng cho chất lượng sản phẩm cùng kinh nghiệm thực tế của đội ngũ Mecsu:
- Ngành sản xuất thiết bị y tế: Chúng tôi đã cung cấp “phe gài trục Inox 304” cho một nhà sản xuất thiết bị y tế lớn. Nhờ khả năng chống ăn mòn và độ bền cao, sản phẩm này đã góp phần đáng kể vào việc đảm bảo an toàn và vệ sinh cho các thiết bị, đồng thời giảm thiểu chi phí bảo trì.
- Lĩnh vực máy móc chế biến thực phẩm: Phe gài D10x1.0 được lựa chọn cho các ứng dụng trong môi trường tiếp xúc trực tiếp với thực phẩm. Độ tin cậy vượt trội của “phe gài chính hãng” đã giúp máy móc hoạt động ổn định trong thời gian dài, ngay cả trong điều kiện vệ sinh thường xuyên.
- Thiết bị hàng hải: Một khách hàng chuyên sản xuất các thiết bị cho tàu thuyền đã ứng dụng “phe gài trục” này vào các bộ phận trục quay. Khả năng chống ăn mòn hiệu quả của Inox 304 trong môi trường nước biển đã giúp máy móc hoạt động ổn định và kéo dài tuổi thọ.
b. Trích Dẫn Chuyên Gia
“Phe gài trục Inox 304 DIN471 D10x1.0″ là một lựa chọn tuyệt vời cho các ứng dụng công nghiệp cần sự cân bằng hoàn hảo giữa khả năng định vị chính xác và mức độ bảo vệ khỏi ăn mòn. Vật liệu Inox 304 mang lại lợi thế về độ bền và tuổi thọ, rất phù hợp cho những hệ thống mà môi trường làm việc có độ ẩm cao hoặc tiếp xúc với hóa chất. Đây là giải pháp đáng tin cậy và hiệu quả cho nhiều loại máy móc trong môi trường công nghiệp và dân dụng.”
— “Kỹ sư cơ khí Chuyên gia kỹ thuật Mecsu” (TP. Hồ Chí Minh) – Với hơn 10 năm kinh nghiệm trong lĩnh vực “linh kiện cơ khí công nghiệp”.
c. Tài Liệu Tham Khảo và Nghiên Cứu
Nội dung bài viết này được biên soạn dựa trên các tài liệu kỹ thuật chính thức và đáng tin cậy, cùng với kinh nghiệm thực tế chuyên sâu của đội ngũ kỹ sư Mecsu, đảm bảo tính chính xác, cập nhật và chuyên môn cao:
- Catalogue MS-PRO (Danh mục sản phẩm MS-PRO chính thức) – Nguồn dữ liệu kỹ thuật chi tiết nhất.
- Tiêu chuẩn DIN 471 – Cung cấp cái nhìn toàn diện về tiêu chuẩn sản xuất.
- Bảng dữ liệu kỹ thuật (Datasheet) chi tiết của sản phẩm – Nguồn thông số kỹ thuật chính xác.
- Trải nghiệm thực tế và phản hồi từ các dự án khách hàng của Mecsu – “Dữ liệu độc nhất” được thu thập từ hơn 10 năm cung cấp “linh kiện cơ khí” và “giải pháp định vị” cho các doanh nghiệp tại Việt Nam.
Biên soạn bởi: Đội ngũ Kỹ sư Mecsu
Với hơn 10 năm kinh nghiệm chuyên sâu trong lĩnh vực phân phối và tư vấn giải pháp phụ kiện cơ khí, đội ngũ kỹ sư của Mecsu cam kết mang đến những thông tin chính xác, cập nhật và hữu ích nhất, giúp quý khách hàng đưa ra lựa chọn sản phẩm tối ưu cho mọi ứng dụng.
(Xem thêm thông tin về chúng tôi tại Website Mecsu)
Lưu ý: Hình ảnh sản phẩm có thể khác biệt so với thực tế tùy theo lô sản xuất. Vui lòng tham khảo thông số kỹ thuật chi tiết hoặc liên hệ Mecsu để có thông tin chính xác nhất về sản phẩm.



















Đánh giá
Chưa có đánh giá nào.