Mô tả sản phẩm
Thông tin CHUYÊN SÂU về Phe Gài Trục Inox 304 DIN471 D12x1.0
Mục Lục
- 1. Phe Gài Trục Inox 304 DIN471 D12x1.0 Là Gì? – Giải Thích Chuyên Sâu
- 2. Thông Số Kỹ Thuật Chi Tiết của Phe Gài Trục Inox 304 DIN471 D12x1.0
- 3. Cấu Tạo Chi Tiết Phe Gài Trục Inox 304 DIN471 D12x1.0
- 4. Phân Tích Chuyên Sâu: Vật Liệu Inox 304 và Tiêu Chuẩn DIN 471
- 5. Ưu và Nhược Điểm của Phe Gài Trục Inox 304 DIN471 D12x1.0
- 6. Ứng Dụng Thực Tế của Phe Gài Trục Inox 304 DIN471 D12x1.0
- 7. Hướng Dẫn Lắp Đặt và Tháo Gỡ Phe Gài
- 8. So Sánh Phe Gài Trục Inox 304 với Thép Carbon
- 9. Cách Phân Biệt Phe Gài Trục Inox 304 Thật – Giả – Lời Khuyên Từ Chuyên Gia Mecsu
- 10. Giá Bán & Gợi Ý Mua Phe Gài Trục Inox 304 Chính Hãng Tại TP.HCM
- 11. FAQ về Phe Gài Trục Inox 304 DIN471 D12x1.0
- 12. Liên Hệ và Hỗ Trợ Tư Vấn Mua Phe Gài Trục
- 13. Thông Tin Bổ Sung & Kinh Nghiệm Thực Tế Từ Mecsu
1. Phe Gài Trục Inox 304 DIN471 D12x1.0 Là Gì? – Giải Thích Chuyên Sâu
Phe gài trục (hay còn gọi là vòng seeger trục, circlip) Inox 304 DIN471 D12x1.0 là một chi tiết cơ khí quan trọng, được thiết kế để định vị và giữ chặt các bộ phận trên trục. Mã “DIN471” là tiêu chuẩn kỹ thuật quốc tế cho phe gài trục, đảm bảo sản phẩm có kích thước và đặc tính phù hợp. Mã “D12x1.0” chỉ rõ sản phẩm dùng cho trục có đường kính 12mm và có độ dày phe là 1.0mm.
Chất liệu Inox 304 (thép không gỉ) mang lại khả năng chống ăn mòn và gỉ sét vượt trội, làm cho sản phẩm này trở thành lựa chọn lý tưởng trong các môi trường ẩm ướt, hóa chất hoặc ngoài trời. Phe gài trục hoạt động bằng cách đàn hồi và gài vào rãnh đã được gia công trên trục, tạo ra một rào cản chắc chắn để ngăn các chi tiết khác như bánh răng, vòng bi, hoặc khớp nối dịch chuyển dọc theo trục.
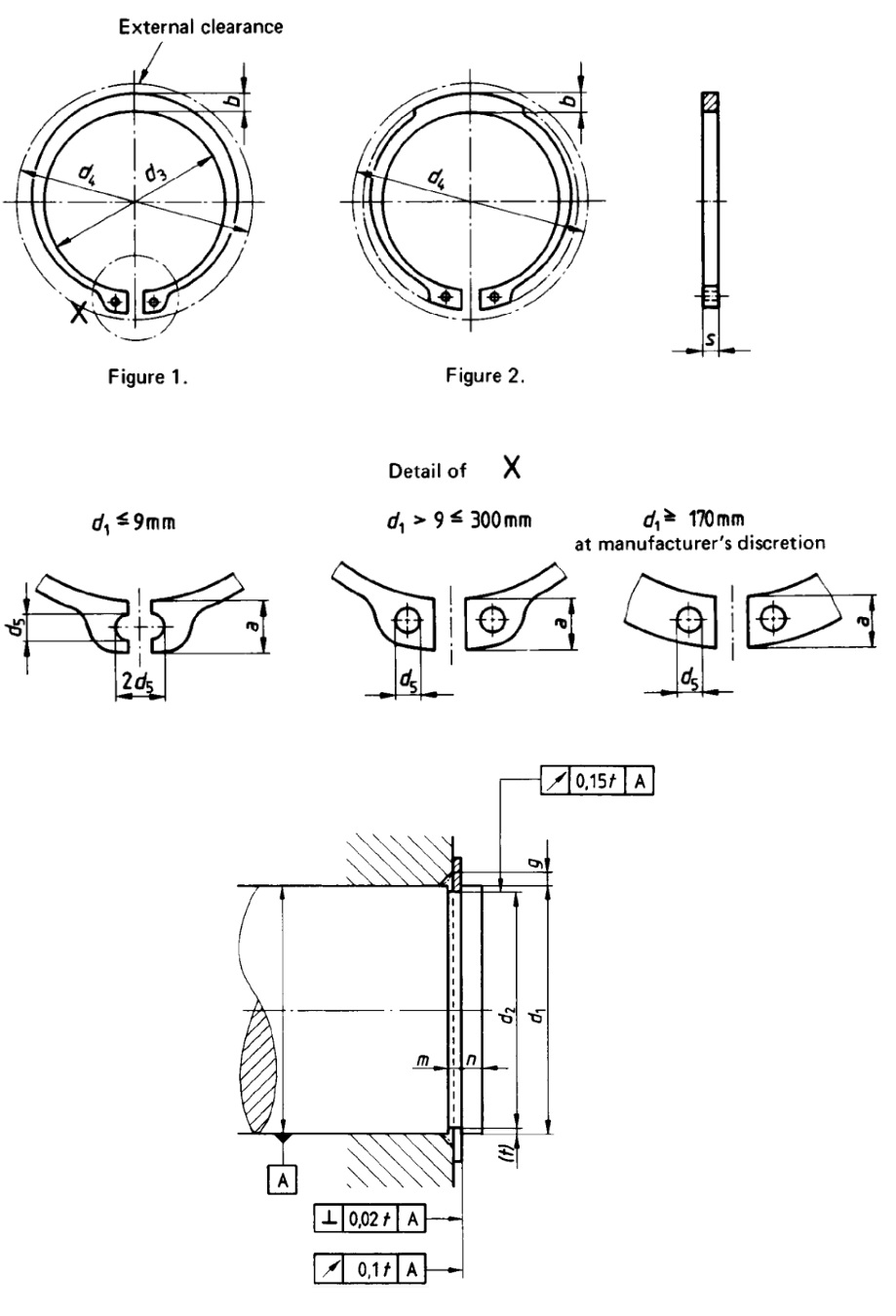
2. Thông Số Kỹ Thuật Chi Tiết của Phe Gài Trục Inox 304 DIN471 D12x1.0
Dùng cho trục: Đường kính trục sử dụng
Bề rộng rãnh sử dụng: Chiều rộng của rãnh trên trục
Đường kính rãnh sử dụng: Đường kính của rãnh trên trục
Độ dày: Độ dày của phe gài
Đường kính trong: Đường kính trong của phe khi chưa lắp
| Thông số | Giá trị |
|---|---|
| Mã sản phẩm | Phe Gài Trục Inox 304 DIN471 D12x1.0 |
| Loại | Phe Gài Trục (Circlip for Shafts) |
| Dùng cho trục | 12 mm |
| Vật liệu | Inox 304 (Thép không gỉ) |
| Bề rộng rãnh sử dụng | 1.1 mm |
| Đường kính rãnh sử dụng | 11.5 mm |
| Đường kính trong | 11 mm |
| Độ dày | 1 mm |
| Tiêu chuẩn | DIN 471 |
| Thương hiệu | MS-PRO |
| Cấu trúc | Vòng mở, có lỗ để tháo lắp |
| Lớp phủ | Không có |
| Khả năng chống ăn mòn | Rất tốt |
| Trọng lượng tinh của sản phẩm | ~0.0005 kg (rất nhẹ) |
| Mã eClass | 23-05-08-01 |
| Mã UNSPSC | 31171504 |
3. Cấu Tạo Chi Tiết Phe Gài Trục Inox 304 DIN471 D12x1.0
Phe gài trục Inox 304 D12x1.0 được cấu thành từ một mảnh thép không gỉ được dập và tạo hình thành một vòng tròn mở, với hai lỗ nhỏ ở hai đầu để sử dụng kìm chuyên dụng khi lắp đặt hoặc tháo gỡ.
Sơ đồ cấu tạo Phe Gài Trục Inox 304:
- Thân phe: Là phần chính của phe gài, có hình dạng chữ C. Khi lắp vào rãnh trên trục, thân phe sẽ giãn ra và sau đó co lại để bám chặt vào rãnh, tạo lực giữ cố định.
- Hai lỗ đầu: Được thiết kế để vừa với mũi của kìm tháo lắp phe gài chuyên dụng. Việc này giúp việc lắp đặt và tháo gỡ phe trở nên dễ dàng, nhanh chóng và an toàn, tránh làm hỏng phe hoặc trục.
4. Phân Tích Chuyên Sâu: Vật Liệu Inox 304 và Tiêu Chuẩn DIN 471
Để thực sự hiểu giá trị của Phe Gài Trục Inox 304 DIN471 D12x1.0, việc phân tích sâu hơn về hai yếu tố then chốt: “vật liệu Inox 304” và “tiêu chuẩn DIN 471” là rất quan trọng.
Vật liệu “Inox 304” – Thép không gỉ cao cấp:
- Chức năng chính: Inox 304 là một trong những loại thép không gỉ phổ biến nhất, với thành phần chứa 18% Crom và 8% Niken. Nó mang lại khả năng chống ăn mòn tuyệt vời, đặc biệt trong các môi trường có nước, không khí ẩm, và một số hóa chất nhẹ.
- Đặc điểm nổi bật: Khả năng chống oxy hóa, chống gỉ sét và độ bền cơ học cao. Phe gài làm từ Inox 304 có thể duy trì độ bền và hình dạng trong thời gian dài mà không bị biến dạng hay ăn mòn, đảm bảo khả năng giữ cố định chi tiết.
- Ưu điểm vượt trội: Phù hợp cho các ứng dụng trong ngành thực phẩm, y tế, hàng hải, và các môi trường khắc nghiệt mà các loại phe gài thép carbon thông thường không thể đáp ứng được. Nó giúp kéo dài tuổi thọ của thiết bị và giảm chi phí bảo trì.
Tiêu chuẩn “DIN 471” (German Industrial Standards):
- Ý nghĩa: “DIN 471” là tiêu chuẩn kỹ thuật của Đức, quy định các thông số về kích thước, dung sai và đặc tính của phe gài trục.
- Tầm quan trọng: Việc tuân thủ tiêu chuẩn này đảm bảo phe gài có kích thước chính xác tuyệt đối, khớp hoàn hảo với rãnh đã gia công trên trục có đường kính 12mm. Điều này rất quan trọng để đảm bảo lực giữ chắc chắn và an toàn trong quá trình hoạt động của máy móc.
- Lựa chọn phù hợp: Khi lựa chọn phe gài, việc chọn sản phẩm theo tiêu chuẩn DIN 471 sẽ đảm bảo sự tương thích và hiệu suất cao nhất.
Sự kết hợp giữa vật liệu “Inox 304” và tiêu chuẩn “DIN 471” giúp Phe Gài Trục MS-PRO D12x1.0 trở thành một giải pháp định vị đáng tin cậy, bền bỉ cho các ứng dụng yêu cầu khả năng chống ăn mòn và độ chính xác cao.
5. Ưu và Nhược Điểm của Phe Gài Trục Inox 304 DIN471 D12x1.0
Phe gài trục Inox 304 DIN471 D12x1.0 được tin dùng rộng rãi nhờ hiệu suất và độ bền vượt trội. Tuy nhiên, việc lựa chọn tối ưu đòi hỏi phải hiểu rõ cả ưu điểm lẫn nhược điểm của nó.
Ưu điểm nổi bật:
- Chống ăn mòn và gỉ sét vượt trội: Vật liệu Inox 304 giúp phe gài chống lại tác động của nước, độ ẩm, và các hóa chất nhẹ, lý tưởng cho môi trường ẩm ướt hoặc ngoài trời.
- Độ bền và tuổi thọ cao: Phe gài giữ được hình dạng và lực đàn hồi trong thời gian dài, đảm bảo khả năng giữ cố định chi tiết một cách an toàn và bền bỉ.
- An toàn và đáng tin cậy: Tuân thủ tiêu chuẩn DIN 471, đảm bảo kích thước chính xác, lực kẹp mạnh mẽ và độ tin cậy cao trong vận hành.
- Ứng dụng đa dạng: Phù hợp cho nhiều ngành công nghiệp khác nhau, từ sản xuất máy móc, ô tô, đến thực phẩm, y tế, nơi yêu cầu cao về vệ sinh và chống ăn mòn.
- Giảm chi phí bảo trì: Nhờ khả năng chống ăn mòn, phe gài không cần thay thế thường xuyên, giúp tiết kiệm chi phí bảo trì và sửa chữa.
Nhược điểm cần lưu ý:
- Giá thành: Mức giá của phe gài Inox 304 cao hơn so với loại làm từ thép carbon thông thường.
- Không phù hợp cho tải trọng cực lớn: Mặc dù có độ bền cao, nhưng trong các ứng dụng có tải trọng va đập hoặc rung động cực lớn, có thể cần xem xét các loại phe gài chuyên dụng hơn.
- Yêu cầu dụng cụ chuyên dụng: Việc tháo lắp cần kìm phe gài chuyên dụng, nếu không có thể gây khó khăn và làm hỏng sản phẩm.
6. Ứng Dụng Thực Tế của Phe Gài Trục Inox 304 DIN471 D12x1.0
Với đặc tính chống ăn mòn và độ chính xác cao, phe gài trục Inox 304 DIN471 D12x1.0 được ứng dụng rộng rãi trong nhiều lĩnh vực công nghiệp và dân dụng tại TP. Hồ Chí Minh và các khu công nghiệp lân cận:
- Ngành sản xuất máy móc: Dùng để định vị các bánh răng, khớp nối, hoặc vòng bi trên các trục truyền động có đường kính 12mm.
- Thiết bị y tế và thực phẩm: Nhờ khả năng chống gỉ sét, sản phẩm lý tưởng cho các thiết bị yêu cầu vệ sinh cao.
- Công nghiệp ô tô và xe máy: Được sử dụng để cố định các bộ phận trong hộp số, hệ thống phanh hoặc các chi tiết nhỏ trong động cơ.
- Các thiết bị ngoài trời: Phù hợp cho các ứng dụng như máy bơm nước, hệ thống tưới tiêu, vì khả năng chống lại tác động của môi trường.
- Sửa chữa và lắp ráp thiết bị điện tử, đồ gia dụng: Dùng để cố định các chi tiết nhỏ trên các trục quay, đảm bảo độ ổn định và an toàn.
- Thiết bị truyền động, hộp số: Đảm bảo truyền động hiệu quả và giảm thiểu tổn thất năng lượng.
7. Hướng Dẫn Lắp Đặt và Tháo Gỡ Phe Gài
Để đảm bảo tuổi thọ và hiệu suất tối ưu cho phe gài, việc lắp đặt và tháo gỡ đúng cách là vô cùng quan trọng. Luôn tuân thủ các nguyên tắc an toàn và kỹ thuật. Mecsu cung cấp hướng dẫn chi tiết dựa trên kinh nghiệm thực tế:
- Chuẩn bị: Đảm bảo môi trường làm việc sạch sẽ, khô ráo, không có bụi bẩn. Chuẩn bị kìm tháo lắp phe gài chuyên dụng có kích thước phù hợp. Kiểm tra rãnh trên trục phải sạch sẽ, không có ba via, và đúng kích thước.
- Lắp đặt:
- Sử dụng kìm phe gài chuyên dụng, bóp nhẹ hai đầu của phe gài để phe co lại.
- Cẩn thận đưa phe gài vào trục, sau đó thả kìm để phe bung ra và gài chặt vào rãnh.
- Kiểm tra lại bằng mắt thường và dùng tay để đảm bảo phe đã gài chặt và đúng vị trí trong rãnh.
- Tháo gỡ:
- Sử dụng kìm phe gài chuyên dụng, bóp nhẹ hai đầu phe để phe co lại.
- Cẩn thận nhấc phe ra khỏi rãnh trên trục.
- Tránh dùng tua vít hoặc các vật sắc nhọn để cạy phe vì có thể gây biến dạng, hư hỏng phe hoặc rãnh.
- Bảo quản: Nếu không sử dụng ngay, hãy giữ phe gài trong bao bì gốc, ở nơi khô ráo, thoáng mát, tránh ánh nắng trực tiếp và các hóa chất ăn mòn để ngăn ngừa rỉ sét và bụi bẩn xâm nhập.
8. So Sánh Phe Gài Trục Inox 304 với Thép Carbon
Việc hiểu rõ sự khác biệt giữa các loại phe gài sẽ giúp bạn lựa chọn sản phẩm phù hợp nhất cho ứng dụng của mình, tối ưu hóa hiệu suất và chi phí đầu tư:
| Tiêu chí | Phe Gài Trục Inox 304 | Phe Gài Trục Thép Carbon (Đen/Phốt phát) |
|---|---|---|
| Vật liệu | Thép không gỉ 304 | Thép carbon (có lớp phủ phốt phát đen) |
| Khả năng chống ăn mòn | Rất tốt (chống gỉ sét trong môi trường ẩm ướt) | Trung bình (dễ bị ăn mòn, gỉ sét nếu lớp phủ bị hỏng) |
| Giá thành | Cao hơn | Thấp hơn |
| Độ bền cơ học | Rất tốt | Tốt |
| Độ đàn hồi | Rất tốt | Tốt |
| Ứng dụng điển hình | Thiết bị y tế, thực phẩm, hàng hải, máy móc hoạt động ngoài trời, môi trường ẩm ướt. | Các ứng dụng công nghiệp thông thường, môi trường khô ráo, không yêu cầu chống ăn mòn cao. |
9. Cách Phân Biệt Phe Gài Trục Inox 304 Thật – Giả – Lời Khuyên Từ Chuyên Gia Mecsu
Thị trường hiện nay có nhiều loại phe gài không rõ nguồn gốc, kém chất lượng. Để đảm bảo bạn mua được phe gài trục Inox 304 chính hãng, Mecsu khuyến nghị kiểm tra các dấu hiệu sau:
a. Dấu hiệu của Phe Gài Trục Inox 304 chính hãng:
- Bao bì chất lượng cao: Sắc nét, in ấn rõ ràng, đầy đủ thông tin sản phẩm và thương hiệu. Bạn sẽ thấy sự tỉ mỉ trong từng chi tiết.
- Bề mặt sản phẩm hoàn thiện: Bề mặt phe gài sáng bóng, nhẵn mịn, không có vết gợn, ba via, hoặc các dấu hiệu gia công thô.
- Độ đàn hồi tốt: Khi dùng kìm bóp nhẹ và nhả ra, phe gài trở về hình dạng ban đầu một cách nhanh chóng và chính xác.
- Kiểm tra bằng nam châm: Inox 304 có tính chất từ tính rất yếu hoặc không có. Khi đưa nam châm lại gần, phe gài Inox 304 sẽ không bị hút hoặc chỉ hút rất nhẹ. Đây là cách đơn giản và hiệu quả để phân biệt với thép carbon mạ.
- Chứng từ đầy đủ: Nhà cung cấp uy tín sẽ cung cấp đầy đủ chứng nhận chất lượng (CQ), đảm bảo nguồn gốc và chất lượng sản phẩm.
b. Dấu hiệu của Phe Gài Trục Inox 304 hàng giả/nhái:
- Bề mặt sản phẩm thô, có vết gợn, ba via hoặc màu sắc không đồng đều.
- Bao bì mờ nhạt, thông tin thiếu hoặc sai.
- Độ đàn hồi kém, dễ bị biến dạng hoặc gãy khi tháo lắp.
- Khi dùng nam châm kiểm tra, sản phẩm bị hút mạnh, chứng tỏ đây là thép carbon mạ bên ngoài chứ không phải Inox 304.
- Giá bán rẻ bất thường so với mức giá thị trường của sản phẩm chính hãng – đây là dấu hiệu cảnh báo lớn nhất.
10. Giá Bán & Gợi Ý Mua Phe Gài Trục Inox 304 Chính Hãng Tại TP.HCM
a. Giá phe gài trục Inox 304 D12x1.0 (TP.Hồ Chí Minh) tại Mecsu: Giá: 2,610 đ / Cái (đã có VAT) – Giá hợp lý, phù hợp với chất lượng sản phẩm chính hãng
Liên hệ để nhận báo giá tốt nhất (giá có thể thay đổi tùy thời điểm và số lượng) – mức giá hợp lý, phù hợp với chất lượng sản phẩm chính hãng MS-PRO tại thị trường linh kiện cơ khí TP.HCM.
b. Gợi ý mua phe gài trục chính hãng MS-PRO uy tín
- Chọn nhà cung cấp uy tín tại TP.HCM: Ưu tiên đối tác có chứng nhận từ thương hiệu hoặc đơn vị lâu năm, được nhiều khách hàng tin tưởng và có danh tiếng trên thị trường cung cấp linh kiện cơ khí tại TP.HCM.
- Kiểm tra chứng từ đầy đủ: Luôn yêu cầu đầy đủ chứng nhận chất lượng (CQ) để đảm bảo nguồn gốc và chất lượng sản phẩm. Điều này giúp bạn tránh mua phải hàng giả trên thị trường.
- Mua tại Mecsu – Nhà phân phối linh kiện cơ khí uy tín: Mecsu tự hào là nhà phân phối chính hãng các sản phẩm MS-PRO tại Việt Nam, cam kết cung cấp phe gài trục Inox 304 DIN471 D12x1.0 chính hãng với nhiều lợi ích vượt trội:
- 100% sản phẩm chính hãng: Đảm bảo nguồn gốc rõ ràng, đầy đủ chứng từ. Chúng tôi cam kết hoàn tiền 100% hoặc đổi trả nếu sản phẩm không phải chính hãng.
- Chính sách bảo hành minh bạch: Hỗ trợ đổi trả nếu có lỗi từ nhà sản xuất, mang lại sự an tâm tuyệt đối cho khách hàng.
- Hỗ trợ kỹ thuật chuyên sâu: Đội ngũ kỹ sư giàu kinh nghiệm sẵn sàng hỗ trợ bạn về kỹ thuật và lựa chọn sản phẩm phù hợp nhất cho mọi ứng dụng.
- Giá cả cạnh tranh: Đảm bảo mức giá tốt nhất đi kèm chất lượng, với chính sách chiết khấu hấp dẫn cho đơn hàng số lượng lớn, đặc biệt khi mua phe gài trục số lượng lớn.
MUA THÊM NHIỀU LOẠI PHE GÀI CHÍNH HÃNG KHÁC TẠI MECSU
11. FAQ về Phe Gài Trục Inox 304 DIN471 D12x1.0
a. Phe gài trục Inox 304 có cần bảo dưỡng không?
Phe gài trục Inox 304 DIN471 D12x1.0 không cần bảo dưỡng định kỳ như tra mỡ, vì bản thân vật liệu đã có khả năng chống ăn mòn và gỉ sét. Tuy nhiên, nếu phe được sử dụng trong môi trường hóa chất mạnh, bạn có thể cần kiểm tra định kỳ để đảm bảo không có dấu hiệu ăn mòn.
b. Tiêu chuẩn DIN 471 có ý nghĩa gì?
Tiêu chuẩn “DIN 471” quy định kích thước, dung sai và đặc tính của phe gài trục, đảm bảo sản phẩm tương thích với các rãnh trục tiêu chuẩn. Việc tuân thủ tiêu chuẩn này giúp phe gài có độ chính xác cao, lắp đặt dễ dàng và lực giữ chắc chắn.
c. Phe gài trục Inox 304 có phải là phe gài chịu nhiệt không?
Phe gài Inox 304 có khả năng chịu nhiệt độ cao hơn so với thép carbon, có thể hoạt động ổn định trong môi trường nhiệt độ lên đến 870°C. Tuy nhiên, đối với các ứng dụng yêu cầu nhiệt độ cực cao, bạn nên tham khảo các loại vật liệu chuyên dụng hơn như Inox 316.
d. Làm sao biết phe gài D12 của tôi là hàng chính hãng MS-PRO?
Bạn nên mua từ nhà phân phối uy tín (như Mecsu), kiểm tra bao bì, bề mặt sản phẩm nhẵn bóng và quan trọng nhất là thử bằng nam châm để xác định đúng vật liệu Inox 304.
e. Khi nào cần thay thế phe gài trục?
Bạn nên thay thế phe gài khi nhận thấy các dấu hiệu sau:
- Biến dạng vật lý: Phe gài bị cong vênh, móp méo, mất đi hình dạng ban đầu.
- Mất lực đàn hồi: Khi tháo ra, phe không trở lại hình dạng tròn đều mà vẫn giữ nguyên trạng thái bị bóp.
- Dấu hiệu ăn mòn, gỉ sét: Mặc dù là Inox, trong môi trường hóa chất mạnh, phe có thể có dấu hiệu bị ăn mòn.
- Rung động bất thường: Các chi tiết trên trục bị lỏng lẻo, dịch chuyển trong quá trình hoạt động.
Kinh nghiệm từ các kỹ sư Mecsu: Việc kiểm tra định kỳ bằng mắt thường có thể giúp phát hiện sớm các dấu hiệu cần thay thế, tránh gây hư hại nghiêm trọng hơn cho toàn bộ hệ thống. Đừng ngần ngại liên hệ chúng tôi để được hỗ trợ kỹ thuật về bảo trì hoặc thay thế kịp thời.
f. Mua phe gài trục Inox 304 chính hãng, uy tín ở đâu tại TP.HCM?
Mua phe gài trục Inox 304 chính hãng và đảm bảo chất lượng tại TP.HCM, bạn hãy liên hệ ngay với Mecsu. Chúng tôi tự hào là nhà cung cấp uy tín, chuyên phân phối các sản phẩm linh kiện cơ khí chất lượng cao tại Việt Nam.
- Cam kết chất lượng: 100% sản phẩm có nguồn gốc rõ ràng, đầy đủ chứng từ CQ. Chúng tôi cam kết hoàn tiền 100% hoặc đổi trả nếu sản phẩm không đạt chất lượng.
- Giá cả cạnh tranh: Đảm bảo mức giá tốt nhất đi kèm chất lượng, với chính sách chiết khấu hấp dẫn cho đơn hàng số lượng lớn.
- Tư vấn chuyên sâu: Đội ngũ kỹ sư giàu kinh nghiệm sẵn sàng hỗ trợ bạn về kỹ thuật và lựa chọn sản phẩm phù hợp nhất.
- Chính sách hậu mãi: Đảm bảo quyền lợi tối đa cho khách hàng với dịch vụ hỗ trợ nhanh chóng, tận tâm.
12. Liên Hệ và Hỗ Trợ Tư Vấn Mua Phe Gài Trục
Nếu bạn có bất kỳ thắc mắc nào về phe gài trục Inox 304 hoặc cần tư vấn về giải pháp định vị cho ứng dụng cụ thể của mình, đừng ngần ngại liên hệ với đội ngũ chuyên gia của Mecsu. Chúng tôi luôn sẵn lòng hỗ trợ bạn tìm ra sản phẩm phù hợp và tối ưu nhất, đồng thời cung cấp những kiến thức độc quyền về kỹ thuật bảo trì mà bạn khó tìm thấy ở nơi khác.
Địa chỉ: B28/I – B29/I Đường số 2B, KCN Vĩnh Lộc, P. Bình Hưng Hòa B, Q. Bình Tân, TP.HCM
Hotline: 1800 8137
Email: [email protected]
Website: mecsu.vn
13. Thông Tin Bổ Sung & Kinh Nghiệm Thực Tế Từ Mecsu
a. Kinh Nghiệm Thực Tế & Câu Chuyện Thành Công
Tại Mecsu, chúng tôi tự hào là đối tác tin cậy của nhiều doanh nghiệp trong việc cung cấp các giải pháp định vị chất lượng cao. Phe Gài Trục Inox 304 DIN471 D12x1.0, với đặc tính chống ăn mòn và độ chính xác cao, đã được ứng dụng trong nhiều dự án quan trọng của khách hàng chúng tôi tại TP. Hồ Chí Minh và các tỉnh lân cận, mang lại hiệu quả vượt trội và là minh chứng cho chất lượng sản phẩm cùng kinh nghiệm thực tế của đội ngũ Mecsu:
a. Kinh Nghiệm Thực Tế & Câu Chuyện Thành Công
Tại Mecsu, chúng tôi tự hào là đối tác tin cậy của nhiều doanh nghiệp trong việc cung cấp các giải pháp định vị chất lượng cao. Phe Gài Trục Inox 304 DIN471 D12x1.0, với đặc tính chống ăn mòn và độ chính xác cao, đã được ứng dụng trong nhiều dự án quan trọng của khách hàng chúng tôi tại TP. Hồ Chí Minh và các tỉnh lân cận, mang lại hiệu quả vượt trội và là minh chứng cho chất lượng sản phẩm cùng kinh nghiệm thực tế của đội ngũ Mecsu:
- Ngành thực phẩm và đồ uống: Chúng tôi đã cung cấp phe gài Inox 304 cho các nhà máy sản xuất nước giải khát tại Bình Dương. Nhờ khả năng chống ăn mòn trong môi trường ẩm ướt, phe gài này đã giúp các chi tiết máy móc hoạt động ổn định và đảm bảo tiêu chuẩn vệ sinh an toàn thực phẩm.
- Lĩnh vực công nghiệp hóa chất: Phe gài Inox 304 được lựa chọn cho các thiết bị bơm và hệ thống truyền dẫn hóa chất nhẹ. Độ bền vượt trội của vật liệu đã giúp các bộ phận máy hoạt động an toàn và tin cậy trong thời gian dài.
- Máy móc nông nghiệp: Một khách hàng chuyên sản xuất máy chế biến nông sản đã ứng dụng phe gài Inox 304 vào các bộ phận trục quay chính. Khả năng chống gỉ sét trong môi trường có nhiều tạp chất và độ ẩm đã giúp máy móc hoạt động ổn định và kéo dài tuổi thọ.
b. Trích Dẫn Chuyên Gia
“Phe gài trục Inox 304 DIN471 D12x1.0 là một lựa chọn tuyệt vời cho các ứng dụng cần độ chính xác cao và khả năng chống ăn mòn. Vật liệu Inox 304 mang lại sự yên tâm tuyệt đối về độ bền và tuổi thọ sản phẩm, đặc biệt trong những môi trường khắc nghiệt mà các loại phe gài thép carbon không thể đáp ứng. Tiêu chuẩn DIN 471 đảm bảo phe gài khớp hoàn hảo với rãnh, tạo ra lực giữ chắc chắn, an toàn cho hệ thống máy móc. Đây là một khoản đầu tư xứng đáng cho hiệu suất và sự an toàn dài hạn.”
— Kỹ sư cơ khí Chuyên gia kỹ thuật Mecsu (TP. Hồ Chí Minh) – Với hơn 10 năm kinh nghiệm trong lĩnh vực linh kiện cơ khí.
c. Tài Liệu Tham Khảo và Nghiên Cứu
Nội dung bài viết này được biên soạn dựa trên các tài liệu kỹ thuật chính thức và đáng tin cậy từ MS-PRO, cùng với kinh nghiệm thực tế chuyên sâu của đội ngũ kỹ sư Mecsu, đảm bảo tính chính xác, cập nhật và chuyên môn cao:
- MS-PRO Product Catalog (Danh mục sản phẩm MS-PRO chính thức) – Nguồn dữ liệu kỹ thuật chi tiết nhất về phe gài.
- Tài liệu tiêu chuẩn kỹ thuật DIN 471 – Cung cấp cái nhìn toàn diện về các thông số của phe gài trục.
- Trải nghiệm thực tế và phản hồi từ các dự án khách hàng của Mecsu – Dữ liệu độc nhất được thu thập từ hơn 10 năm cung cấp linh kiện cơ khí và giải pháp cho các doanh nghiệp tại Việt Nam.
Biên soạn bởi: Đội ngũ Kỹ sư Mecsu
Với hơn 10 năm kinh nghiệm chuyên sâu trong lĩnh vực phân phối và tư vấn giải pháp linh kiện cơ khí, đội ngũ kỹ sư của Mecsu cam kết mang đến những thông tin chính xác, cập nhật và hữu ích nhất, giúp quý khách hàng đưa ra lựa chọn sản phẩm tối ưu cho mọi ứng dụng.
(Xem thêm thông tin về chúng tôi tại Website Mecsu)
Lưu ý: Hình ảnh sản phẩm có thể khác biệt so với thực tế tùy theo lô sản xuất của MS-PRO. Vui lòng tham khảo thông số kỹ thuật chi tiết hoặc liên hệ Mecsu để có thông tin chính xác nhất về sản phẩm.



















Đánh giá
Chưa có đánh giá nào.