Mô tả sản phẩm
Thông tin CHUYÊN SÂU về Phe Gài Trục Inox 304 DIN471 D15x1.0
Mục Lục
- 1. Phe Gài Trục Inox 304 DIN471 D15x1.0 Là Gì? – Giải Thích Chuyên Sâu
- 2. Thông Số Kỹ Thuật Chi Tiết của Phe Gài Trục Inox 304 D15x1.0
- 3. Cấu Tạo Chi Tiết Phe Gài Trục Inox 304
- 4. Phân Tích Chuyên Sâu: Vật Liệu Inox 304 và Tiêu Chuẩn DIN 471
- 5. Ưu và Nhược Điểm của Phe Gài Trục Inox 304 DIN471 D15x1.0
- 6. Ứng Dụng Thực Tế của Phe Gài Trục Inox 304 DIN471
- 7. Hướng Dẫn Lắp Đặt và Tháo Gỡ Phe Gài Trục
- 8. So Sánh Phe Gài Trục Inox 304 với Thép Carbon
- 9. Cách Phân Biệt Phe Gài Trục MS-PRO Thật – Giả – Lời Khuyên Từ Chuyên Gia Mecsu
- 10. Giá Bán & Gợi Ý Mua Phe Gài Trục Chính Hãng Tại TP.HCM
- 11. FAQ về Phe Gài Trục Inox 304 D15x1.0
- 12. Liên Hệ và Hỗ Trợ Tư Vấn Mua Phe Gài MS-PRO
- 13. Thông Tin Bổ Sung & Kinh Nghiệm Thực Tế Từ Mecsu
1. Phe Gài Trục Inox 304 DIN471 D15x1.0 Là Gì? – Giải Thích Chuyên Sâu
Phe gài trục (circlip) Inox 304 DIN471 D15x1.0 là một loại vòng hãm chuyên dụng, được thiết kế để định vị và giữ các chi tiết máy trên trục, ngăn không cho chúng dịch chuyển dọc trục. Mã “D15” chỉ ra rằng phe gài này được sử dụng cho trục có đường kính danh nghĩa là 15 mm. Hậu tố “1.0” thể hiện độ dày của phe là 1.0 mm. Tiêu chuẩn “DIN 471” là tiêu chuẩn của Đức, quy định các thông số kỹ thuật và kích thước của phe gài ngoài (dùng cho trục).
Phe gài trục Inox 304 là loại phe hãm có khả năng chống ăn mòn vượt trội, làm từ thép không gỉ SUS304. Nó lý tưởng cho các ứng dụng trong môi trường ẩm ướt, hóa chất hoặc ngoài trời, nơi yêu cầu độ bền cao và không bị gỉ sét, giúp bảo vệ các chi tiết máy và duy trì độ tin cậy của hệ thống.
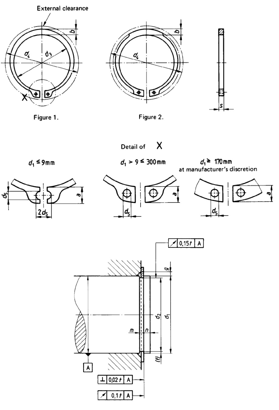
2. Thông Số Kỹ Thuật Chi Tiết của Phe Gài Trục Inox 304 D15x1.0
D: Đường kính danh nghĩa
d: Đường kính rãnh sử dụng
t: Độ dày
b: Bề rộng rãnh sử dụng
| Thông số | Giá trị |
|---|---|
| Mã sản phẩm | Phe Gài Trục DIN471 D15x1.0 |
| Loại phe gài | Phe gài trục ngoài (External Circlip) |
| Đường kính trục sử dụng (D) | 15 mm |
| Vật liệu | Inox 304 |
| Tiêu chuẩn | DIN 471 |
| Bề rộng rãnh sử dụng (b) | 1.1 mm |
| Đường kính rãnh sử dụng (d) | 14.3 mm |
| Đường kính trong | 13.8 mm |
| Độ dày (t) | 1 mm |
| Thương hiệu | MS-PRO |
| Lớp mạ | Không có (Tự nhiên) |
| Mục đích sử dụng | Định vị, hãm các chi tiết trên trục |
| Trọng lượng tinh của sản phẩm | ~0.2 gram |
3. Cấu Tạo Chi Tiết Phe Gài Trục Inox 304
Phe gài trục Inox 304 có cấu tạo đơn giản nhưng hiệu quả, được tạo thành từ các bộ phận chính:
Sơ đồ cấu tạo Phe Gài Trục Inox 304 DIN471:
- Thân phe: Là phần chính hình tròn hở, được cắt rãnh hoặc tạo hình từ tấm thép không gỉ Inox 304. Thân phe sẽ co lại để lắp vào rãnh trên trục.
- Tai gài: Hai đầu của phe được thiết kế dạng tai, có lỗ để sử dụng kìm phe chuyên dụng. Tai gài giúp việc tháo lắp trở nên dễ dàng và chính xác.
- Vật liệu Inox 304: Đây là điểm mấu chốt, đảm bảo phe gài có khả năng chống ăn mòn, gỉ sét vượt trội so với các loại thép thông thường.
4. Phân Tích Chuyên Sâu: Vật Liệu Inox 304 và Tiêu Chuẩn DIN 471
Để thực sự hiểu giá trị của phe gài trục Inox 304 DIN471, việc phân tích sâu hơn về hai yếu tố then chốt: “vật liệu Inox 304” và “tiêu chuẩn DIN 471” là rất quan trọng.
Vật liệu “Inox 304” – Thép không gỉ cao cấp:
- Chức năng chính: Cung cấp khả năng chống ăn mòn và độ bền cơ học. Inox 304 là một trong những loại thép không gỉ phổ biến nhất, chứa 18% Crom và 8% Niken (còn gọi là thép không gỉ 18/8).
- Đặc điểm nổi bật: Khả năng chống oxy hóa, chống gỉ sét tuyệt vời trong nhiều môi trường, bao gồm môi trường ẩm ướt, hóa chất nhẹ, nước biển.
- Ưu điểm vượt trội: Nhờ khả năng chống ăn mòn, phe gài trục Inox 304 có tuổi thọ cao hơn đáng kể và duy trì vẻ ngoài sáng bóng, sạch sẽ, không bị rỉ sét làm hỏng các chi tiết xung quanh. Điều này làm cho nó lý tưởng cho các ứng dụng trong ngành thực phẩm, y tế, hóa chất hoặc ngoài trời.
- Hạn chế: Mặc dù chống ăn mòn tốt, Inox 304 có thể bị ăn mòn rỗ trong môi trường có nồng độ clorua cao.
Tiêu chuẩn “DIN 471”:
- Ý nghĩa: “DIN 471” là tiêu chuẩn kỹ thuật của Đức cho phe gài ngoài (External Circlips). Tiêu chuẩn này quy định kích thước, dung sai và đặc điểm kỹ thuật để đảm bảo tính đồng nhất và khả năng hoán đổi của sản phẩm.
- Tầm quan trọng: Khi một sản phẩm tuân thủ tiêu chuẩn DIN 471, nó đảm bảo rằng phe gài sẽ vừa khít với rãnh trên trục có kích thước tương ứng, đảm bảo lực giữ chắc chắn và độ tin cậy cao.
- Lựa chọn phù hợp: Đối với phe gài D15x1.0, tiêu chuẩn DIN 471 đảm bảo rằng nó được thiết kế và sản xuất với độ chính xác cao nhất, phù hợp cho các ứng dụng đòi hỏi sự ổn định và an toàn.
Sự kết hợp giữa vật liệu “Inox 304” và tiêu chuẩn “DIN 471” giúp Phe Gài Trục D15x1.0 trở thành một giải pháp hãm trục linh hoạt, đáng tin cậy cho các máy móc và thiết bị hoạt động trong môi trường đòi hỏi độ bền và khả năng chống ăn mòn cao.
5. Ưu và Nhược Điểm của Phe Gài Trục Inox 304 DIN471 D15x1.0
Phe gài trục Inox 304 DIN471 D15x1.0 được tin dùng rộng rãi nhờ khả năng chống ăn mòn và độ bền vượt trội. Tuy nhiên, việc lựa chọn tối ưu đòi hỏi phải hiểu rõ cả ưu điểm lẫn nhược điểm của nó.
Ưu điểm nổi bật:
- Khả năng chống ăn mòn và gỉ sét: Vật liệu Inox 304 giúp phe gài không bị gỉ sét trong điều kiện làm việc ẩm ướt, ngoài trời hoặc tiếp xúc với hóa chất.
- Độ bền cao và tuổi thọ dài: Nhờ tính chất cơ học tốt của Inox 304, phe gài có độ cứng và độ đàn hồi cao, đảm bảo lực giữ ổn định và lâu dài.
- Lắp đặt và tháo gỡ dễ dàng: Thiết kế tai gài cho phép sử dụng kìm phe chuyên dụng, giúp quá trình thao tác nhanh chóng, an toàn và không làm hỏng phe gài hay trục.
- Tuân thủ tiêu chuẩn: Sản phẩm được sản xuất theo tiêu chuẩn DIN 471, đảm bảo tính chính xác về kích thước và khả năng tương thích với các rãnh trục tiêu chuẩn.
- Giảm thiểu chi phí bảo trì: Vì không bị gỉ sét và có tuổi thọ cao, phe gài Inox 304 giảm đáng kể nhu cầu thay thế và bảo trì định kỳ so với các loại phe bằng thép carbon.
Nhược điểm cần lưu ý:
- Giá thành: Mức giá của phe gài Inox 304 thường cao hơn so với loại làm bằng thép carbon cùng kích thước. Đây là sự đầu tư xứng đáng cho độ bền và khả năng chống ăn mòn.
- Khả năng chống clorua: Mặc dù chống ăn mòn tốt, Inox 304 không phải là lựa chọn tối ưu trong các môi trường có nồng độ clorua cao (ví dụ: nước biển mặn hoặc hóa chất chứa clo), có thể gây ăn mòn rỗ.
6. Ứng Dụng Thực Tế của Phe Gài Trục Inox 304 DIN471
Với khả năng chống ăn mòn, độ bền cao và tiêu chuẩn chính xác, phe gài trục Inox 304 DIN471 D15x1.0 được ứng dụng rộng rãi trong nhiều lĩnh vực công nghiệp và dân dụng tại TP. Hồ Chí Minh và các khu vực lân cận, đặc biệt là những nơi yêu cầu vệ sinh và chống ăn mòn:
- Ngành thực phẩm và đồ uống: Sử dụng trong các máy móc chế biến thực phẩm, thiết bị đóng gói, nơi yêu cầu cao về vệ sinh và không được phép có rỉ sét.
- Ngành y tế: Lắp đặt trong các thiết bị y tế, dụng cụ phẫu thuật, máy móc sản xuất dược phẩm.
- Thiết bị chế tạo máy: Dùng để định vị các chi tiết như bánh răng, vòng bi, puli trên trục quay trong các máy móc công nghiệp.
- Ứng dụng ngoài trời: Phù hợp cho các thiết bị lắp đặt ngoài trời, chịu ảnh hưởng của mưa, nắng và các tác nhân môi trường.
- Ngành hóa chất: Sử dụng trong các hệ thống bơm, van và thiết bị có tiếp xúc với hóa chất ăn mòn nhẹ.
- Sản xuất phụ tùng xe máy, ô tô: Dùng để giữ các chi tiết trong hệ thống truyền động, trục.
7. Hướng Dẫn Lắp Đặt và Tháo Gỡ Phe Gài Trục
Để đảm bảo hiệu quả và độ an toàn cho phe gài trục Inox 304 DIN471, việc lắp đặt và tháo gỡ đúng cách là vô cùng quan trọng. Luôn tuân thủ các nguyên tắc an toàn và sử dụng dụng cụ chuyên dụng. Mecsu cung cấp hướng dẫn chi tiết dựa trên kinh nghiệm thực tế:
- Chuẩn bị: Đảm bảo môi trường làm việc sạch sẽ. Chuẩn bị kìm phe gài chuyên dụng có đầu phù hợp với đường kính của phe. Kiểm tra rãnh trên trục phải sạch, không có ba via, rỉ sét và đúng dung sai. Luôn đeo găng tay bảo hộ và kính bảo hộ để đảm bảo an toàn. Lưu ý quan trọng: Chọn kìm phe có kích cỡ phù hợp để thao tác dễ dàng và không làm biến dạng phe gài.
- Lắp đặt:
- Sử dụng kìm phe gài chuyên dụng, bóp hai tai của phe để thu nhỏ đường kính.
- Từ từ đưa phe vào trục và định vị đúng rãnh.
- Nhả kìm, để phe tự bung ra và cài chặt vào rãnh. Đảm bảo phe đã nằm hoàn toàn trong rãnh và không bị lệch.
- Kiểm tra lại bằng mắt thường và dùng tay để chắc chắn phe đã được định vị đúng.
- Tháo gỡ:
- Sử dụng kìm phe gài chuyên dụng, bóp hai tai của phe để thu nhỏ đường kính, tách phe ra khỏi rãnh.
- Cẩn thận trượt phe ra khỏi trục. Tránh dùng lực quá mạnh hoặc các dụng cụ không chuyên dụng (như tua vít, búa) vì có thể làm hỏng phe, rãnh trục hoặc gây nguy hiểm.
- Bảo quản: Nếu chưa sử dụng, hãy giữ phe gài trong bao bì gốc của nhà sản xuất, ở nơi khô ráo, thoáng mát, tránh ánh nắng trực tiếp và các hóa chất ăn mòn để ngăn ngừa hư hại.
8. So Sánh Phe Gài Trục Inox 304 với Thép Carbon
Việc hiểu rõ sự khác biệt giữa các loại phe gài trục sẽ giúp bạn lựa chọn sản phẩm phù hợp nhất cho ứng dụng của mình, tối ưu hóa hiệu suất và chi phí đầu tư:
| Tiêu chí | Phe gài trục Inox 304 | Phe gài trục Thép Carbon |
|---|---|---|
| Chất liệu | Thép không gỉ (Stainless Steel) – Inox 304 | Thép Carbon (Carbon Steel) |
| Khả năng chống ăn mòn | Rất tốt (chống gỉ sét, chống oxy hóa) | Kém (dễ bị gỉ sét trong môi trường ẩm) |
| Độ bền cơ học | Tốt (độ cứng, độ đàn hồi cao) | Tốt (độ cứng cao) |
| Khả năng chống ẩm/lỏng | Tuyệt vời | Rất kém |
| Yêu cầu bảo trì | Thấp (không cần bôi trơn chống gỉ) | Cao (cần bảo quản khô ráo, có thể cần lớp chống gỉ) |
| Giá thành | Cao | Thấp |
| Ứng dụng điển hình | Ngành thực phẩm, y tế, hóa chất, ngoài trời, môi trường ẩm ướt | Máy móc công nghiệp, cơ khí thông thường, môi trường khô ráo |
9. Cách Phân Biệt Phe Gài Trục MS-PRO Thật – Giả – Lời Khuyên Từ Chuyên Gia Mecsu
Thị trường hiện nay có rất nhiều hàng giả, hàng nhái kém chất lượng, đặc biệt là với các sản phẩm linh kiện cơ khí chính hãng được ưa chuộng. Để đảm bảo bạn mua được phe gài trục MS-PRO chính hãng tại TP.HCM, Mecsu khuyến nghị kiểm tra các dấu hiệu sau:
a. Dấu hiệu của phe gài trục MS-PRO chính hãng:
- Bao bì chất lượng cao: Sắc nét, in ấn rõ ràng, thông tin sản phẩm đầy đủ mã số, kích thước, vật liệu. Bạn sẽ thấy sự tỉ mỉ trong từng chi tiết.
- Bề mặt phe gài hoàn thiện: Bề mặt nhẵn mịn, không có ba via, không có dấu hiệu rỉ sét, trầy xước hoặc biến dạng. Các tai gài phải được hoàn thiện tinh xảo để dễ dàng thao tác với kìm.
- Độ đàn hồi tốt: Khi bóp phe gài bằng kìm chuyên dụng, bạn sẽ cảm nhận được độ đàn hồi tốt, chắc chắn và phe gài trở về hình dạng ban đầu một cách hoàn hảo.
- Vật liệu chuẩn: Với phe gài Inox 304, màu sắc sẽ sáng bóng đặc trưng, không bị xỉn màu. Bạn có thể dùng nam châm để kiểm tra (Inox 304 thường không hút nam châm hoặc hút rất nhẹ).
- Chứng từ đầy đủ: Nhà cung cấp uy tín sẽ cung cấp đầy đủ chứng từ xuất xứ, chứng nhận chất lượng nếu có, đảm bảo nguồn gốc sản phẩm.
b. Dấu hiệu của phe gài trục MS-PRO hàng giả/nhái:
- Bao bì thô, in ấn mờ nhạt, thiếu thông tin hoặc sai lệch.
- Bề mặt phe gài có ba via, xước, hoặc có dấu hiệu bị rỉ sét do làm từ vật liệu kém chất lượng.
- Độ đàn hồi kém, dễ bị biến dạng vĩnh viễn sau khi bóp hoặc bị gãy.
- Sản phẩm có thể bị hút nam châm mạnh, cho thấy không phải là Inox 304.
- Giá bán rẻ bất thường so với mức giá thị trường của sản phẩm chính hãng – đây là dấu hiệu cảnh báo lớn nhất.
10. Giá Bán & Gợi Ý Mua Phe Gài Trục Chính Hãng Tại TP.HCM
a. Giá Phe Gài Trục Inox 304 D15x1.0 (TP.Hồ Chí Minh) tại Mecsu: Giá: 3,091 đ / Cái (đã có VAT) – Giá hợp lý, phù hợp với chất lượng sản phẩm chính hãng
Liên hệ để nhận báo giá tốt nhất (giá có thể thay đổi tùy thời điểm và số lượng) – mức giá hợp lý, phù hợp với chất lượng sản phẩm chính hãng MS-PRO tại thị trường linh kiện cơ khí TP.HCM.
b. Gợi ý mua phe gài chính hãng MS-PRO uy tín
- Chọn nhà cung cấp uy tín tại TP.HCM: Ưu tiên đối tác có chứng nhận hoặc đơn vị lâu năm, được nhiều khách hàng tin tưởng và có danh tiếng trên thị trường cung cấp linh kiện cơ khí tại TP.HCM.
- Kiểm tra chứng từ đầy đủ: Luôn yêu cầu đầy đủ chứng nhận chất lượng để đảm bảo nguồn gốc và chất lượng sản phẩm. Điều này giúp bạn tránh mua phải “linh kiện giả” trên thị trường.
- Mua tại Mecsu – Nhà phân phối chính hãng MS-PRO: Mecsu tự hào là nhà phân phối chính hãng MS-PRO tại Việt Nam, cam kết cung cấp “phe gài trục Inox 304 chính hãng” và các loại “phe gài khác” với nhiều lợi ích vượt trội:
- 100% sản phẩm chính hãng: Đảm bảo nguồn gốc rõ ràng, đầy đủ chứng từ. Chúng tôi cam kết hoàn tiền 100% hoặc đổi trả nếu sản phẩm không phải chính hãng.
- Chính sách bảo hành minh bạch: Hỗ trợ đổi trả nếu có lỗi từ nhà sản xuất, mang lại sự an tâm tuyệt đối cho khách hàng.
- Hỗ trợ kỹ thuật chuyên sâu: Đội ngũ kỹ sư giàu kinh nghiệm sẵn sàng hỗ trợ bạn về kỹ thuật và lựa chọn sản phẩm phù hợp nhất cho mọi ứng dụng.
- Giá cả cạnh tranh: Đảm bảo mức giá tốt nhất đi kèm chất lượng, với chính sách chiết khấu hấp dẫn cho đơn hàng số lượng lớn, đặc biệt khi “mua phe gài trục số lượng lớn”.
MUA THÊM NHIỀU LOẠI PHE GÀI CHÍNH HÃNG KHÁC TẠI MECSU
11. FAQ về Phe Gài Trục Inox 304 D15x1.0
a. Phe gài trục Inox 304 có cần bảo dưỡng, tra mỡ không?
Với vật liệu Inox 304, phe gài trục có khả năng chống ăn mòn và gỉ sét rất tốt, do đó gần như không cần bảo dưỡng hay tra mỡ định kỳ như các loại phe bằng thép carbon. Tuy nhiên, bạn nên giữ phe sạch sẽ và tránh để dính các hóa chất mạnh có thể gây ăn mòn.
b. Phe gài trục Inox 304 có sử dụng được trong môi trường nước biển không?
Mặc dù Inox 304 có khả năng chống ăn mòn tốt, nhưng trong môi trường có nồng độ clorua cao như nước biển, nó có thể bị ăn mòn rỗ (pitting corrosion). Đối với các ứng dụng trong môi trường này, Mecsu khuyến nghị sử dụng các loại Inox cao cấp hơn như Inox 316 để đảm bảo độ bền tối đa.
c. Ký hiệu “DIN 471” có ý nghĩa gì?
Ký hiệu “DIN 471” là tiêu chuẩn kỹ thuật của Đức, chỉ định các thông số kỹ thuật và kích thước cho phe gài ngoài (dùng cho trục). Tiêu chuẩn này đảm bảo tính chính xác và khả năng tương thích của sản phẩm.
d. Làm sao biết phe gài của tôi là hàng chính hãng MS-PRO?
Bạn nên mua từ nhà phân phối ủy quyền (như Mecsu), kiểm tra bao bì, bề mặt sản phẩm (nhẵn mịn, không ba via), và đặc biệt là độ đàn hồi khi thao tác. Quan trọng nhất, hãy mua từ một nguồn cung cấp uy tín và có đầy đủ chứng từ. Đây là cách chắc chắn nhất để phân biệt linh kiện thật giả.
e. Khi nào cần thay thế phe gài trục?
Bạn nên thay thế phe gài khi nhận thấy các dấu hiệu sau:
- Biến dạng vật lý: Phe bị cong, vênh, gãy hoặc biến dạng sau khi tháo lắp, làm giảm lực giữ.
- Rỉ sét: Với phe thép carbon, nếu có dấu hiệu rỉ sét nghiêm trọng. Với phe Inox, nếu có dấu hiệu ăn mòn rỗ.
- Lỏng lẻo: Phe không còn bám chặt vào rãnh hoặc bị dịch chuyển dễ dàng.
Kinh nghiệm từ các kỹ sư Mecsu: Việc kiểm tra định kỳ bằng mắt thường có thể giúp phát hiện sớm các dấu hiệu cần thay thế, tránh gây hư hại nghiêm trọng hơn cho toàn bộ hệ thống. Đừng ngần ngại liên hệ chúng tôi để được hỗ trợ kỹ thuật về lựa chọn linh kiện cơ khí hoặc thay thế phe gài kịp thời.
f. Mua phe gài trục Inox 304 chính hãng, uy tín ở đâu tại TP.HCM?
Mua phe gài trục Inox 304 chính hãng và đảm bảo chất lượng tại TP.HCM, bạn hãy liên hệ ngay với Mecsu. Chúng tôi tự hào là nhà cung cấp uy tín, chuyên phân phối các sản phẩm MS-PRO chính hãng tại Việt Nam.
- Cam kết chất lượng: 100% sản phẩm có nguồn gốc rõ ràng, đầy đủ chứng từ CO, CQ. Chúng tôi cam kết hoàn tiền 100% hoặc đổi trả nếu sản phẩm không phải chính hãng.
- Giá cả cạnh tranh: Đảm bảo mức giá tốt nhất đi kèm chất lượng, với chính sách chiết khấu hấp dẫn cho đơn hàng số lượng lớn.
- Tư vấn chuyên sâu: Đội ngũ kỹ sư giàu kinh nghiệm sẵn sàng hỗ trợ bạn về kỹ thuật và lựa chọn sản phẩm phù hợp nhất.
- Chính sách hậu mãi: Đảm bảo quyền lợi tối đa cho khách hàng với dịch vụ hỗ trợ nhanh chóng, tận tâm.
12. Liên Hệ và Hỗ Trợ Tư Vấn Mua Phe Gài MS-PRO
Nếu bạn có bất kỳ thắc mắc nào về phe gài trục Inox 304 hoặc cần tư vấn về giải pháp linh kiện cho ứng dụng cụ thể của mình, đừng ngần ngại liên hệ với đội ngũ chuyên gia của Mecsu. Chúng tôi luôn sẵn lòng hỗ trợ bạn tìm ra sản phẩm phù hợp và tối ưu nhất, đồng thời cung cấp những kiến thức độc quyền về kỹ thuật lắp đặt linh kiện mà bạn khó tìm thấy ở nơi khác.
Địa chỉ: B28/I – B29/I Đường số 2B, KCN Vĩnh Lộc, P. Bình Hưng Hòa B, Q. Bình Tân, TP.HCM
Hotline: 1800 8137
Email: [email protected]
Website: mecsu.vn
13. Thông Tin Bổ Sung & Kinh Nghiệm Thực Tế Từ Mecsu
a. Kinh Nghiệm Thực Tế & Câu Chuyện Thành Công
Tại Mecsu, chúng tôi tự hào là đối tác tin cậy của nhiều doanh nghiệp trong việc cung cấp các giải pháp linh kiện chất lượng cao. Phe gài trục Inox 304 DIN471 D15x1.0, với đặc tính chống ăn mòn và độ bền cao, đã được ứng dụng trong nhiều dự án quan trọng của khách hàng chúng tôi tại TP. Hồ Chí Minh và các tỉnh lân cận, mang lại hiệu quả vượt trội và là minh chứng cho chất lượng sản phẩm
a. Kinh Nghiệm Thực Tế & Câu Chuyện Thành Công
Tại Mecsu, chúng tôi tự hào là đối tác tin cậy của nhiều doanh nghiệp trong việc cung cấp các giải pháp linh kiện chất lượng cao. “Phe gài trục Inox 304 DIN471 D15x1.0”, với đặc tính chống ăn mòn và độ bền cao, đã được ứng dụng trong nhiều dự án quan trọng của khách hàng chúng tôi tại “TP. Hồ Chí Minh” và các tỉnh lân cận, mang lại hiệu quả vượt trội và là minh chứng cho chất lượng sản phẩm cùng kinh nghiệm thực tế của đội ngũ Mecsu:
- Ngành sản xuất thực phẩm: Chúng tôi đã cung cấp “phe gài Inox 304” cho một nhà sản xuất máy móc thực phẩm lớn. Nhờ khả năng chống gỉ sét trong môi trường ẩm ướt và vệ sinh, phe gài đã góp phần đáng kể vào việc đảm bảo an toàn thực phẩm và độ bền của thiết bị.
- Lĩnh vực máy bơm công nghiệp: Phe gài Inox 304 được lựa chọn cho các ứng dụng máy bơm cần chịu tải và hoạt động trong môi trường có độ ẩm cao. Độ tin cậy vượt trội của “linh kiện chính hãng” đã giúp máy bơm hoạt động ổn định trong thời gian dài.
- Thiết bị chế biến hóa chất: Một khách hàng chuyên sản xuất thiết bị trong ngành hóa chất đã ứng dụng “phe gài trục” này vào các bộ phận trục quay. Khả năng chống ăn mòn của vật liệu Inox 304 đã giúp máy móc hoạt động ổn định và kéo dài tuổi thọ trong môi trường có nhiều tạp chất từ hóa chất.
b. Trích Dẫn Chuyên Gia
““Phe gài trục Inox 304” là một lựa chọn tuyệt vời cho các ứng dụng công nghiệp cần sự cân bằng hoàn hảo giữa khả năng giữ chắc, độ bền và mức độ chống ăn mòn. Vật liệu Inox 304 mang lại lợi thế về khả năng chống gỉ sét đáng kể so với thép carbon, rất phù hợp cho những hệ thống yêu cầu vệ sinh cao hoặc hoạt động trong môi trường ẩm ướt. Đây là giải pháp đáng tin cậy và hiệu quả cho nhiều loại máy móc.”
— “Kỹ sư cơ khí Chuyên gia kỹ thuật Mecsu” (TP. Hồ Chí Minh) – Với hơn 10 năm kinh nghiệm trong lĩnh vực “linh kiện cơ khí”.
c. Tài Liệu Tham Khảo và Nghiên Cứu
Nội dung bài viết này được biên soạn dựa trên các tài liệu kỹ thuật chính thức và đáng tin cậy từ MS-PRO, cùng với kinh nghiệm thực tế chuyên sâu của đội ngũ kỹ sư Mecsu, đảm bảo tính chính xác, cập nhật và chuyên môn cao:
- MS-PRO Product Catalog (Danh mục sản phẩm MS-PRO chính thức) – Nguồn dữ liệu kỹ thuật chi tiết nhất về “phe gài”.
- Tài liệu kỹ thuật DIN 471 (Thông tin chuyên sâu về “tiêu chuẩn phe gài ngoài”) – Cung cấp cái nhìn toàn diện về tiêu chuẩn này.
- Bảng dữ liệu kỹ thuật (Datasheet) chi tiết của Phe Gài Trục Inox 304 DIN471 D15x1.0 – Nguồn thông số kỹ thuật chính xác.
- Trải nghiệm thực tế và phản hồi từ các dự án khách hàng của Mecsu – “Dữ liệu độc nhất” được thu thập từ hơn 10 năm cung cấp “linh kiện cơ khí” và “giải pháp cho nhà máy” cho các doanh nghiệp tại Việt Nam.
Biên soạn bởi: Đội ngũ Kỹ sư Mecsu
Với hơn 10 năm kinh nghiệm chuyên sâu trong lĩnh vực phân phối và tư vấn giải pháp linh kiện cơ khí, đội ngũ kỹ sư của Mecsu cam kết mang đến những thông tin chính xác, cập nhật và hữu ích nhất, giúp quý khách hàng đưa ra lựa chọn sản phẩm tối ưu cho mọi ứng dụng.
(Xem thêm thông tin về chúng tôi tại Website Mecsu)
Lưu ý: Hình ảnh sản phẩm có thể khác biệt so với thực tế tùy theo lô sản xuất của MS-PRO. Vui lòng tham khảo thông số kỹ thuật chi tiết hoặc liên hệ Mecsu để có thông tin chính xác nhất về sản phẩm.



















Đánh giá
Chưa có đánh giá nào.