Mô tả sản phẩm
Thông tin CHUYÊN SÂU về Phe Gài Trục Inox 316 DIN471 D35x1.5
Mục Lục
- 1. Phe Gài Trục Inox 316 DIN471 D35x1.5 Là Gì? – Giải Thích Chuyên Sâu
- 2. Thông Số Kỹ Thuật Chi Tiết của Phe Gài Trục Inox 316 DIN471
- 3. Cấu Tạo Chi Tiết Phe Gài Trục Inox 316 DIN471 D35x1.5
- 4. Phân Tích Chuyên Sâu: Vật Liệu Inox 316 và Tiêu Chuẩn DIN471
- 5. Ưu và Nhược Điểm của Phe Gài Trục Inox 316 DIN471 D35x1.5
- 6. Ứng Dụng Thực Tế của Phe Gài Trục Inox 316 DIN471 D35x1.5
- 7. Hướng Dẫn Lắp Đặt và Tháo Gỡ Phe Gài Trục
- 8. So Sánh Phe Gài Inox 316 với các loại vật liệu khác
- 9. Cách Phân Biệt Phe Gài MS-PRO Thật – Giả – Lời Khuyên Từ Chuyên Gia Mecsu
- 10. Giá Bán & Gợi Ý Mua Phe Gài Trục Inox 316 D35x1.5 Chính Hãng Tại TP.HCM
- 11. FAQ về Phe Gài Trục Inox 316 DIN471 D35x1.5
- 12. Liên Hệ và Hỗ Trợ Tư Vấn Mua Phe Gài MS-PRO
- 13. Thông Tin Bổ Sung & Kinh Nghiệm Thực Tế Từ Mecsu
1. Phe Gài Trục Inox 316 DIN471 D35x1.5 Là Gì? – Giải Thích Chuyên Sâu
Phe gài trục (hay còn gọi là vòng gài, vòng chặn) Inox 316 DIN471 D35x1.5 là một loại chi tiết cơ khí quan trọng, được thiết kế để định vị các bộ phận trên trục. Mã “D35x1.5” chỉ kích thước sử dụng, với đường kính trục tương ứng là 35mm và độ dày của phe là 1.5mm. Tiêu chuẩn “DIN 471” là tiêu chuẩn của Đức, quy định kích thước và đặc điểm kỹ thuật cho các loại phe gài trục. Vật liệu “Inox 316” là điểm nhấn quan trọng, chỉ ra rằng phe gài này có khả năng chống ăn mòn vượt trội trong các môi trường hóa chất hoặc nước biển.
Phe gài trục DIN471 được thiết kế để lắp vào rãnh trên trục, tạo thành một vai chặn chắc chắn, ngăn không cho các chi tiết khác (như vòng bi, bánh răng, puli) di chuyển dọc trục. Việc sử dụng vật liệu Inox 316 giúp sản phẩm này lý tưởng cho các ứng dụng trong ngành thực phẩm, y tế, hàng hải, nơi mà khả năng chống ăn mòn là yếu tố sống còn.
2. Thông Số Kỹ Thuật Chi Tiết của Phe Gài Trục Inox 316 DIN471
Dùng Cho Trục: Đường kính trục sử dụng
Bề Rộng Rãnh Sử Dụng: Chiều rộng rãnh trên trục để lắp phe
Đường Kính Rãnh Sử Dụng: Đường kính rãnh trên trục
Đường Kính Trong: Đường kính trong của phe gài
Độ Dày: Độ dày của phe gài
Tiêu Chuẩn: Tiêu chuẩn sản xuất
| Thông số | Giá trị |
|---|---|
| Mã sản phẩm | Phe Gài Trục Inox 316 DIN471 D35x1.5 |
| Loại sản phẩm | Phe Gài Trục (Retaining Ring for Shaft) |
| Dùng Cho Trục | 35 mm |
| Vật Liệu | Inox 316 |
| Bề Rộng Rãnh Sử Dụng | 1.6 mm |
| Đường Kính Rãnh Sử Dụng | 33 mm |
| Đường Kính Trong | 32.2 mm |
| Độ Dày | 1.5 mm |
| Tiêu Chuẩn | DIN 471 |
| Thương Hiệu | MS-PRO |
| Loại | Phe gài ngoài |
| Khả năng chịu nhiệt | Tùy thuộc vào ứng dụng và môi trường |
| Khả năng chống ăn mòn | Vượt trội (đặc biệt trong môi trường acid, clo) |
| Trọng lượng | Tùy kích thước cụ thể |
| Giá bán | 16,131 đ/ Cái (đã có VAT) |
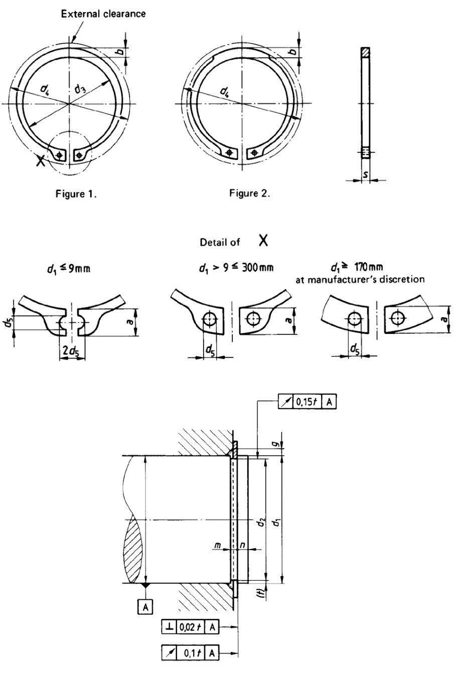
3. Cấu Tạo Chi Tiết Phe Gài Trục Inox 316 DIN471 D35x1.5
Phe gài Inox 316 DIN471 D35x1.5 được cấu thành từ một mảnh kim loại duy nhất, nhưng thiết kế đặc biệt giúp nó thực hiện chức năng chặn một cách hiệu quả:
Sơ đồ cấu tạo Phe Gài Trục Inox 316 DIN471:
- Vòng phe: Là phần thân chính của phe gài, có dạng hở với hai đầu được uốn cong hoặc có lỗ. Khi lắp vào rãnh trên trục, phe sẽ co lại để ôm chặt và định vị.
- Đầu phe: Hai đầu của phe được thiết kế đặc biệt (thường có lỗ) để sử dụng kìm phe gài chuyên dụng, giúp việc lắp đặt và tháo gỡ trở nên dễ dàng và an toàn.
Đặc biệt, việc sử dụng vật liệu Inox 316 giúp phe gài này không chỉ có khả năng chịu lực tốt mà còn chống lại sự ăn mòn từ các tác nhân bên ngoài như nước, hóa chất, muối..
4. Phân Tích Chuyên Sâu: Vật Liệu Inox 316 và Tiêu Chuẩn DIN471
Để thực sự hiểu giá trị của phe gài trục Inox 316 DIN471, việc phân tích sâu hơn về hai yếu tố then chốt: “vật liệu Inox 316” và “tiêu chuẩn DIN471” là rất quan trọng.
Vật liệu Inox 316 – Thép không gỉ cao cấp:
- Thành phần chính: Inox 316 là một loại thép không gỉ austenitic chứa Crom, Niken và đặc biệt là Molypden. Molypden là yếu tố tạo nên khả năng chống ăn mòn vượt trội, đặc biệt là chống ăn mòn rỗ (pitting corrosion) và ăn mòn kẽ hở (crevice corrosion) trong môi trường có clorua như nước biển hoặc hóa chất.
- Khả năng chống ăn mòn: Vật liệu này có khả năng chống ăn mòn cao hơn đáng kể so với Inox 304, lý tưởng cho các ứng dụng trong môi trường khắc nghiệt như nhà máy chế biến thực phẩm, thiết bị y tế, ngành hàng hải, hóa dầu.
- Ưu điểm vượt trội: Inox 316 không chỉ chống gỉ sét hiệu quả mà còn duy trì độ bền cơ học cao, chịu được nhiệt độ và áp lực tốt. Điều này đảm bảo phe gài luôn giữ được chức năng định vị chắc chắn trong các điều kiện làm việc khắc nghiệt.
Tiêu chuẩn DIN471:
- Ý nghĩa: “DIN 471” là tiêu chuẩn của Đức, quy định kích thước và đặc tính kỹ thuật cho các loại phe gài ngoài (dùng cho trục). Tiêu chuẩn này đảm bảo tính tương thích và khả năng thay thế giữa các nhà sản xuất khác nhau.
- Tầm quan trọng: Các sản phẩm tuân thủ tiêu chuẩn DIN471 đảm bảo độ chính xác cao về kích thước (đường kính trong, độ dày, bề rộng rãnh), giúp phe gài lắp khít và hoạt động hiệu quả.
- Lựa chọn phù hợp: Việc sử dụng phe gài theo tiêu chuẩn DIN471 giúp các kỹ sư và nhà sản xuất dễ dàng thiết kế và bảo trì máy móc, đảm bảo tính đồng nhất và an toàn cho hệ thống.
Sự kết hợp giữa vật liệu Inox 316 và tiêu chuẩn DIN471 giúp phe gài trục D35x1.5 trở thành một giải pháp định vị đáng tin cậy, bền bỉ và hiệu quả cho các ứng dụng đòi hỏi cao về khả năng chống ăn mòn và độ chính xác.
5. Ưu và Nhược Điểm của Phe Gài Trục Inox 316 DIN471 D35x1.5
Phe gài trục Inox 316 DIN471 D35x1.5 được tin dùng nhờ hiệu suất và độ bền vượt trội. Tuy nhiên, việc lựa chọn tối ưu đòi hỏi phải hiểu rõ cả ưu điểm lẫn nhược điểm của nó.
Ưu điểm nổi bật:
- Khả năng chống ăn mòn vượt trội: Nhờ thành phần Molypden, phe gài Inox 316 có khả năng chống gỉ sét và ăn mòn rất tốt, đặc biệt trong môi trường muối, hóa chất.
- Độ bền cao và khả năng chịu lực tốt: Vật liệu Inox 316 có độ bền cơ học cao, đảm bảo phe gài chịu được tải trọng và lực tác động lớn trong quá trình hoạt động.
- Tính chính xác và tương thích cao: Sản xuất theo tiêu chuẩn DIN471, đảm bảo kích thước chính xác, dễ dàng lắp đặt và thay thế.
- Ứng dụng đa dạng: Phù hợp cho các ngành công nghiệp đặc thù như thực phẩm, y tế, hàng hải, hóa chất, nơi yêu cầu cao về vệ sinh và chống ăn mòn.
- Dễ dàng lắp đặt và tháo gỡ: Thiết kế với hai đầu có lỗ giúp sử dụng kìm phe gài chuyên dụng một cách thuận tiện, an toàn.
Nhược điểm cần lưu ý:
- Giá thành: Mức giá của phe gài Inox 316 cao hơn đáng kể so với các loại làm từ thép carbon hoặc Inox 304 do chi phí vật liệu cao hơn.
- Độ cứng thấp hơn thép carbon: Mặc dù bền, Inox 316 có độ cứng thấp hơn một số loại thép carbon tôi luyện, có thể không phải là lựa chọn tối ưu cho các ứng dụng chịu ma sát hoặc mài mòn cao.
- Phân biệt chất lượng: Việc phân biệt Inox 316 thật với các loại inox kém hơn bằng mắt thường khá khó, yêu cầu phải mua từ nhà cung cấp uy tín để tránh hàng kém chất lượng.
6. Ứng Dụng Thực Tế của Phe Gài Trục Inox 316 DIN471 D35x1.5
Với kích thước tiêu chuẩn và đặc tính chống ăn mòn vượt trội, phe gài trục Inox 316 DIN471 D35x1.5 được ứng dụng rộng rãi trong nhiều lĩnh vực công nghiệp và dân dụng tại TP. Hồ Chí Minh và các khu công nghiệp lân cận, đặc biệt là những nơi yêu cầu khả năng chống ăn mòn cao:
- Ngành thực phẩm và đồ uống: Sử dụng trong các máy móc chế biến thực phẩm, băng chuyền, hệ thống đóng chai… nơi thường xuyên tiếp xúc với nước và các dung môi.
- Ngành y tế: Dùng cho các thiết bị y tế, dụng cụ phẫu thuật, giường bệnh… do yêu cầu cao về vệ sinh và chống gỉ.
- Công nghiệp hàng hải: Phù hợp cho các thiết bị trên tàu biển, giàn khoan, máy bơm nước biển… do khả năng chống ăn mòn muối và nước biển cực tốt.
- Ngành hóa chất: Sử dụng trong các hệ thống bơm, đường ống, thiết bị chứa hóa chất ăn mòn.
- Các thiết bị công nghiệp ngoài trời: Chịu được tác động của môi trường, mưa, nắng, đảm bảo độ bền cho các chi tiết máy.
- Thiết bị thủy lực: Ứng dụng trong các bộ phận của xy lanh, van, bơm thủy lực để định vị chi tiết và chống ăn mòn.
7. Hướng Dẫn Lắp Đặt và Tháo Gỡ Phe Gài Trục
Để đảm bảo tuổi thọ và hiệu suất tối ưu cho phe gài trục Inox 316 DIN471, việc lắp đặt và tháo gỡ đúng cách là vô cùng quan trọng. Luôn tuân thủ các nguyên tắc an toàn và kỹ thuật. Mecsu cung cấp hướng dẫn chi tiết dựa trên kinh nghiệm thực tế:
- Chuẩn bị: Đảm bảo trục và rãnh sạch sẽ, không có ba via, bụi bẩn. Chuẩn bị đầy đủ dụng cụ chuyên dụng, đặc biệt là kìm phe gài trục tương ứng với kích thước. Luôn đeo găng tay bảo hộ và kính bảo hộ để đảm bảo an toàn.
- Lắp đặt:
- Sử dụng kìm phe gài chuyên dụng. Đưa hai đầu kìm vào hai lỗ trên phe gài.
- Bóp kìm để mở rộng phe gài vừa đủ để trượt qua đầu trục.
- Từ từ trượt phe gài dọc theo trục đến khi phe nằm gọn vào rãnh. Nhả kìm để phe gài co lại và ôm chặt vào rãnh. Kiểm tra bằng cách xoay nhẹ phe để đảm bảo nó đã được định vị chắc chắn.
- Tháo gỡ:
- Sử dụng kìm phe gài chuyên dụng. Đặt hai đầu kìm vào hai lỗ trên phe gài.
- Bóp kìm để mở rộng phe gài, đồng thời từ từ kéo phe ra khỏi rãnh.
- Khi phe đã ra khỏi rãnh, bạn có thể dễ dàng trượt nó ra khỏi trục.
- Bảo quản: Nếu không sử dụng ngay, hãy giữ phe gài trong bao bì gốc của nhà sản xuất, ở nơi khô ráo, thoáng mát để ngăn ngừa bụi bẩn và các tác nhân gây ăn mòn.
8. So Sánh Phe Gài Inox 316 với các loại vật liệu khác
Việc hiểu rõ sự khác biệt giữa các loại phe gài với vật liệu khác nhau sẽ giúp bạn lựa chọn sản phẩm phù hợp nhất cho ứng dụng của mình, tối ưu hóa hiệu suất và chi phí đầu tư:
| Tiêu chí | Phe Gài Trục Inox 316 | Phe Gài Trục Inox 304 | Phe Gài Trục Thép Carbon (Đen) |
|---|---|---|---|
| Vật liệu | Inox 316 | Inox 304 | Thép carbon tôi luyện |
| Khả năng chống ăn mòn | Vượt trội (đặc biệt trong môi trường clorua, muối) | Tốt (chống gỉ sét thông thường) | Kém (dễ gỉ sét, thường cần lớp mạ bảo vệ) |
| Độ bền/Độ cứng | Tốt | Tốt | Rất tốt (độ cứng cao) |
| Giá thành | Cao nhất | Trung bình | Thấp nhất |
| Ứng dụng điển hình | Ngành hàng hải, thực phẩm, hóa chất, y tế. | Máy móc thông thường, môi trường khô ráo, ít ăn mòn. | Hộp số, thiết bị cơ khí thông thường, ứng dụng chịu tải cao. |
9. Cách Phân Biệt Phe Gài MS-PRO Thật – Giả – Lời Khuyên Từ Chuyên Gia Mecsu
Thị trường hiện nay có rất nhiều hàng giả, hàng nhái kém chất lượng. Để đảm bảo bạn mua được phe gài MS-PRO chính hãng tại TP.HCM, Mecsu khuyến nghị kiểm tra các dấu hiệu sau:
a. Dấu hiệu của phe gài MS-PRO chính hãng:
- Bao bì chất lượng cao: Sắc nét, đầy đủ thông tin sản phẩm, mã vạch và thông tin thương hiệu MS-PRO.
- Hoàn thiện sản phẩm tinh xảo: Phe gài được gia công chính xác, bề mặt nhẵn mịn, không có ba via, cạnh sắc nét, không có dấu hiệu nứt vỡ.
- Độ đàn hồi tốt: Khi dùng kìm bóp phe gài, phe có độ đàn hồi cao, không bị biến dạng và dễ dàng trở lại hình dạng ban đầu.
- Màu sắc đặc trưng của vật liệu: Phe gài Inox 316 có màu trắng sáng đặc trưng, đồng đều, không có dấu hiệu rỉ sét hay ố màu.
- Chứng từ đầy đủ: Nhà cung cấp uy tín sẽ cung cấp đầy đủ chứng từ xuất xứ và chất lượng, đảm bảo nguồn gốc và chất lượng sản phẩm.
b. Dấu hiệu của phe gài MS-PRO hàng giả/nhái:
- Bao bì thô, thông tin thiếu hoặc không chính xác.
- Sản phẩm gia công thô sơ, có nhiều ba via, cạnh không đều, bề mặt không nhẵn mịn.
- Khi bóp phe gài bằng kìm, phe có thể bị biến dạng vĩnh viễn, không trở lại hình dạng ban đầu do vật liệu kém chất lượng.
- Bề mặt sản phẩm có dấu hiệu ố màu, xỉn màu hoặc đã bị rỉ sét do không phải Inox 316 thật.
- Giá bán rẻ bất thường so với mức giá thị trường của sản phẩm chính hãng – đây là dấu hiệu cảnh báo lớn nhất.
10. Giá Bán & Gợi Ý Mua Phe Gài Trục Inox 316 D35x1.5 Chính Hãng Tại TP.HCM
a. Giá phe gài trục Inox 316 D35x1.5 (TP.Hồ Chí Minh) tại Mecsu: Giá: 16,131 đ/ Cái (đã có VAT) – Giá hợp lý, phù hợp với chất lượng sản phẩm chính hãng
Liên hệ để nhận báo giá tốt nhất (giá có thể thay đổi tùy thời điểm và số lượng) – mức giá hợp lý, phù hợp với chất lượng sản phẩm chính hãng MS-PRO tại thị trường linh kiện cơ khí TP.HCM.
b. Gợi ý mua phe gài chính hãng MS-PRO uy tín
- Chọn nhà cung cấp uy tín tại TP.HCM: Ưu tiên đối tác có chứng nhận từ MS-PRO hoặc đơn vị lâu năm, được nhiều khách hàng tin tưởng và có danh tiếng trên thị trường cung cấp linh kiện cơ khí tại TP.HCM.
- Kiểm tra chứng từ đầy đủ: Luôn yêu cầu đầy đủ chứng từ xuất xứ và chất lượng để đảm bảo nguồn gốc và chất lượng sản phẩm.
- Mua tại Mecsu – Đại lý ủy quyền MS-PRO tại Việt Nam: Mecsu tự hào là nhà phân phối chính hãng MS-PRO tại Việt Nam, cam kết cung cấp phe gài trục Inox 316 D35x1.5 chính hãng và các loại phe gài khác với nhiều lợi ích vượt trội:
- 100% sản phẩm chính hãng: Đảm bảo nguồn gốc rõ ràng, đầy đủ chứng từ. Chúng tôi cam kết hoàn tiền 100% hoặc đổi trả nếu sản phẩm không phải chính hãng.
- Chính sách bảo hành minh bạch: Hỗ trợ đổi trả nếu có lỗi từ nhà sản xuất, mang lại sự an tâm tuyệt đối cho khách hàng.
- Hỗ trợ kỹ thuật chuyên sâu: Đội ngũ kỹ sư giàu kinh nghiệm sẵn sàng hỗ trợ bạn về kỹ thuật và lựa chọn sản phẩm phù hợp nhất cho mọi ứng dụng.
- Giá cả cạnh tranh: Đảm bảo mức giá tốt nhất đi kèm chất lượng, với chính sách chiết khấu hấp dẫn cho đơn hàng số lượng lớn, đặc biệt khi mua phe gài số lượng lớn.
MUA THÊM NHIỀU LOẠI PHE GÀI CHÍNH HÃNG KHÁC TẠI MECSU
11. FAQ về Phe Gài Trục Inox 316 DIN471 D35x1.5
a. Phe gài trục Inox 316 có cần bảo dưỡng không?
Phe gài trục Inox 316 được thiết kế để chống ăn mòn và ít yêu cầu bảo dưỡng. Tuy nhiên, trong môi trường làm việc cực kỳ khắc nghiệt (nồng độ clorua rất cao, nhiệt độ quá lớn), việc kiểm tra định kỳ vẫn được khuyến nghị để đảm bảo phe không bị ăn mòn rỗ hoặc biến dạng.
b. Phe gài Inox 316 có thể thay thế cho phe gài Inox 304 không?
Về mặt kích thước và chức năng, chúng có thể thay thế. Tuy nhiên, phe gài Inox 316 có khả năng chống ăn mòn vượt trội hơn, đặc biệt trong môi trường hóa chất, nước biển. Do đó, việc thay thế Inox 304 bằng Inox 316 là một nâng cấp về mặt vật liệu và độ bền.
c. Tiêu chuẩn DIN471 có ý nghĩa gì?
Tiêu chuẩn DIN471 là tiêu chuẩn của Đức, quy định các thông số kỹ thuật cho phe gài ngoài (sử dụng trên trục). Tiêu chuẩn này đảm bảo tính đồng nhất về kích thước, giúp sản phẩm có thể thay thế lẫn nhau và đảm bảo hiệu suất định vị.
d. Làm sao biết phe gài 316 của tôi là hàng chính hãng MS-PRO?
Bạn nên mua từ nhà phân phối ủy quyền (như Mecsu). Sản phẩm chính hãng có bao bì rõ ràng, đầy đủ thông tin, sản phẩm được gia công tinh xảo, không có ba via, và có độ đàn hồi tốt. Giá cả cũng là một yếu tố để cân nhắc.
e. Khi nào cần thay thế phe gài?
Bạn nên thay thế phe gài khi nhận thấy các dấu hiệu sau:
- Biến dạng vật lý: Phe gài bị cong, vênh, nứt hoặc biến dạng vĩnh viễn do quá tải hoặc tháo lắp không đúng cách.
- Ăn mòn: Bề mặt phe gài bị rỉ sét, ăn mòn rỗ hoặc ăn mòn kẽ hở làm giảm độ bền và khả năng giữ vị trí.
- Độ đàn hồi kém: Phe gài bị lỏng hoặc không còn khả năng ôm chặt vào rãnh.
- Hư hỏng: Phe gài bị rơi ra khỏi vị trí hoặc không thể giữ các chi tiết trên trục.
Kinh nghiệm từ các kỹ sư Mecsu: Việc kiểm tra định kỳ bằng mắt thường có thể giúp phát hiện sớm các dấu hiệu cần thay thế, tránh gây hư hại nghiêm trọng hơn cho toàn bộ hệ thống. Đừng ngần ngại liên hệ chúng tôi để được hỗ trợ kỹ thuật về lắp đặt hoặc thay thế phe gài kịp thời.
f. Mua phe gài trục Inox 316 chính hãng, uy tín ở đâu tại TP.HCM?
Mua phe gài trục Inox 316 chính hãng và đảm bảo chất lượng tại TP.HCM, bạn hãy liên hệ ngay với Mecsu. Chúng tôi tự hào là nhà cung cấp uy tín, chuyên phân phối các sản phẩm MS-PRO chính hãng tại Việt Nam.
- Cam kết chất lượng: 100% sản phẩm có nguồn gốc rõ ràng, đầy đủ chứng từ. Chúng tôi cam kết hoàn tiền 100% hoặc đổi trả nếu sản phẩm không phải chính hãng.
- Giá cả cạnh tranh: Đảm bảo mức giá tốt nhất đi kèm chất lượng, với chính sách chiết khấu hấp dẫn cho đơn hàng số lượng lớn.
- Tư vấn chuyên sâu: Đội ngũ kỹ sư giàu kinh nghiệm sẵn sàng hỗ trợ bạn về kỹ thuật và lựa chọn sản phẩm phù hợp nhất.
- Chính sách hậu mãi: Đảm bảo quyền lợi tối đa cho khách hàng với dịch vụ hỗ trợ nhanh chóng, tận tâm.
12. Liên Hệ và Hỗ Trợ Tư Vấn Mua Phe Gài MS-PRO
Nếu bạn có bất kỳ thắc mắc nào về phe gài trục Inox 316 DIN471 hoặc cần tư vấn về giải pháp định vị cho ứng dụng cụ thể của mình, đừng ngần ngại liên hệ với đội ngũ chuyên gia của Mecsu. Chúng tôi luôn sẵn lòng hỗ trợ bạn tìm ra sản phẩm phù hợp và tối ưu nhất, đồng thời cung cấp những kiến thức độc quyền về kỹ thuật lắp đặt và bảo trì mà bạn khó tìm thấy ở nơi khác.
Địa chỉ: B28/I – B29/I Đường số 2B, KCN Vĩnh Lộc, P. Bình Hưng Hòa B, Q. Bình Tân, TP.HCM
Hotline: 1800 8137
Email: [email protected]
Website: mecsu.vn
13. Thông Tin Bổ Sung & Kinh Nghiệm Thực Tế Từ Mecsu
a. Kinh Nghiệm Thực Tế & Câu Chuyện Thành Công
Tại Mecsu, chúng tôi tự hào là đối tác tin cậy của nhiều doanh nghiệp trong việc cung cấp các giải pháp linh kiện cơ khí chất lượng cao. Phe gài trục Inox 316 DIN471 D35x1.5, với đặc tính chống ăn mòn vượt trội, đã được ứng dụng trong nhiều dự án quan trọng của khách hàng chúng tôi tại TP. Hồ Chí Minh và các tỉnh lân cận, mang lại hiệu quả vượt trội và là minh chứng cho chất lượng sản phẩm
a. Kinh Nghiệm Thực Tế & Câu Chuyện Thành Công
Tại Mecsu, chúng tôi tự hào là đối tác tin cậy của nhiều doanh nghiệp trong việc cung cấp các giải pháp linh kiện cơ khí chất lượng cao. “Phe gài trục Inox 316 DIN471 D35x1.5”, với đặc tính chống ăn mòn vượt trội, đã được ứng dụng trong nhiều dự án quan trọng của khách hàng chúng tôi tại “TP. Hồ Chí Minh” và các tỉnh lân cận, mang lại hiệu quả vượt trội và là minh chứng cho chất lượng sản phẩm cùng kinh nghiệm thực tế của đội ngũ Mecsu:
- Ngành thực phẩm: Chúng tôi đã cung cấp “phe gài Inox 316” cho một nhà máy sản xuất thực phẩm. Nhờ khả năng chống gỉ sét trong môi trường ẩm ướt và thường xuyên vệ sinh bằng hóa chất, phe gài này đã góp phần đáng kể vào việc đảm bảo an toàn vệ sinh và độ bền của máy móc.
- Lĩnh vực thiết bị y tế: Phe gài Inox 316 được lựa chọn cho các ứng dụng trong thiết bị y tế. Độ bền và khả năng chống ăn mòn của sản phẩm đã giúp các thiết bị này hoạt động ổn định và đáp ứng các tiêu chuẩn nghiêm ngặt về vệ sinh.
- Ứng dụng ngoài trời/môi trường biển: Một khách hàng chuyên sản xuất thiết bị hàng hải đã ứng dụng “phe gài D35x1.5 Inox 316” vào các bộ phận của tàu. Khả năng chống ăn mòn muối hiệu quả đã giúp máy móc hoạt động ổn định và kéo dài tuổi thọ trong môi trường biển khắc nghiệt.
b. Trích Dẫn Chuyên Gia
““Phe gài trục Inox 316 DIN471” là một lựa chọn tuyệt vời cho các ứng dụng cần sự bền bỉ và khả năng chống ăn mòn cao. Với tiêu chuẩn DIN471, sản phẩm đảm bảo sự chính xác về kích thước, trong khi vật liệu Inox 316 cung cấp khả năng chống lại các tác nhân gây ăn mòn khắc nghiệt nhất. Đây là giải pháp đáng tin cậy và hiệu quả cho nhiều loại máy móc trong môi trường công nghiệp đặc thù.”
— “Kỹ sư cơ khí Chuyên gia kỹ thuật Mecsu” (TP. Hồ Chí Minh) – Với hơn 10 năm kinh nghiệm trong lĩnh vực “linh kiện cơ khí công nghiệp”.
c. Tài Liệu Tham Khảo và Nghiên Cứu
Nội dung bài viết này được biên soạn dựa trên các tài liệu kỹ thuật chính thức và đáng tin cậy từ MS-PRO, cùng với kinh nghiệm thực tế chuyên sâu của đội ngũ kỹ sư Mecsu, đảm bảo tính chính xác, cập nhật và chuyên môn cao:
- MS-PRO Product Catalog (Danh mục sản phẩm MS-PRO chính thức) – Nguồn dữ liệu kỹ thuật chi tiết nhất về phe gài.
- Tài liệu kỹ thuật về vật liệu Inox 316 – Cung cấp cái nhìn toàn diện về đặc tính chống ăn mòn của vật liệu này.
- Bảng dữ liệu kỹ thuật (Datasheet) chi tiết của phe gài DIN471 D35x1.5 – Nguồn thông số kỹ thuật chính xác.
- Trải nghiệm thực tế và phản hồi từ các dự án khách hàng của Mecsu – “Dữ liệu độc nhất” được thu thập từ hơn 10 năm cung cấp “linh kiện cơ khí” và “giải pháp định vị” cho các doanh nghiệp tại Việt Nam.
Biên soạn bởi: Đội ngũ Kỹ sư Mecsu
Với hơn 10 năm kinh nghiệm chuyên sâu trong lĩnh vực phân phối và tư vấn giải pháp linh kiện cơ khí, đội ngũ kỹ sư của Mecsu cam kết mang đến những thông tin chính xác, cập nhật và hữu ích nhất, giúp quý khách hàng đưa ra lựa chọn sản phẩm tối ưu cho mọi ứng dụng.
(Xem thêm thông tin về chúng tôi tại Website Mecsu)
Lưu ý: Hình ảnh sản phẩm có thể khác biệt so với thực tế tùy theo lô sản xuất. Vui lòng tham khảo thông số kỹ thuật chi tiết hoặc liên hệ Mecsu để có thông tin chính xác nhất về sản phẩm.



















Đánh giá
Chưa có đánh giá nào.