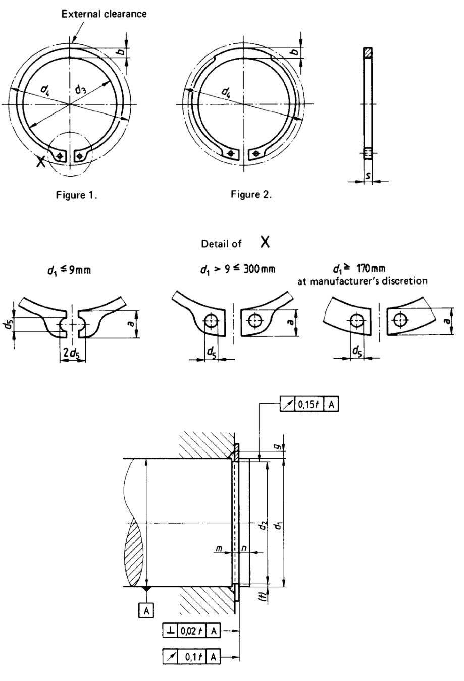
Phe Gài Trục Inox 420 DIN471 D11x1.0

1.018 

Dùng Cho Trục 11 mm
Vật Liệu Inox 420
Bề Rộng Rãnh Sử Dụng 1.1 mm
Đường Kính Rãnh Sử Dụng 10.5 mm
Đường Kính Trong 10.2 mm
SKU: 0060159 Danh mục: , Thương hiệu: