Mô tả sản phẩm
Thông tin CHUYÊN SÂU về Phe Gài Trục Inox 420 DIN471 D11x1.0 (10Cái/Bịch)
Mục Lục
- 1. Phe Gài Trục Inox 420 DIN471 D11x1.0 Là Gì? – Giải Thích Chuyên Sâu
- 2. Thông Số Kỹ Thuật Chi Tiết của Phe Gài Trục Inox 420 DIN471 D11x1.0
- 3. Cấu Tạo Chi Tiết Phe Gài Trục Inox 420 DIN471 D11x1.0
- 4. Phân Tích Chuyên Sâu: Tiêu Chuẩn DIN 471 và Vật Liệu Inox 420
- 5. Ưu và Nhược Điểm của Phe Gài Trục Inox 420 DIN471 D11x1.0
- 6. Ứng Dụng Thực Tế của Phe Gài Trục Inox 420 DIN471 D11x1.0
- 7. Hướng Dẫn Lắp Đặt và Tháo Gỡ Phe Gài Trục Inox 420 DIN471 D11x1.0
- 8. So Sánh Phe Gài Trục Inox 420 D11 với các loại khác
- 9. Cách Phân Biệt Phe Gài MS-PRO Thật – Giả – Lời Khuyên Từ Chuyên Gia Mecsu
- 10. Giá Bán & Gợi Ý Mua Phe Gài MS-PRO Chính Hãng Tại TP.HCM
- 11. FAQ về Phe Gài Trục Inox 420 DIN471 D11x1.0
- 12. Liên Hệ và Hỗ Trợ Tư Vấn Mua Phe Gài MS-PRO
- 13. Thông Tin Bổ Sung & Kinh Nghiệm Thực Tế Từ Mecsu
1. Phe Gài Trục Inox 420 DIN471 D11x1.0 Là Gì? – Giải Thích Chuyên Sâu
Phe gài trục Inox 420 DIN471 D11x1.0 là một loại vòng phe chuyên dụng, được thiết kế để lắp vào rãnh trên trục có đường kính 11mm. Chữ “D11” trong tên sản phẩm thể hiện đường kính trục mà phe gài này được sử dụng, trong khi “1.0” thể hiện độ dày của phe gài là 1.0mm. Sản phẩm được đóng gói 10 cái/bịch.
Phe gài này có chức năng giữ cố định các chi tiết trên trục, ngăn chúng di chuyển dọc trục. Sản phẩm được sản xuất từ vật liệu Inox 420, một loại thép không gỉ martensitic có độ cứng cao, khả năng chịu mài mòn và ăn mòn tốt trong nhiều môi trường. Tiêu chuẩn DIN 471 quy định kích thước và dung sai cho phe gài trục, đảm bảo tính chính xác và khả năng tương thích cao với các chi tiết cơ khí tiêu chuẩn.
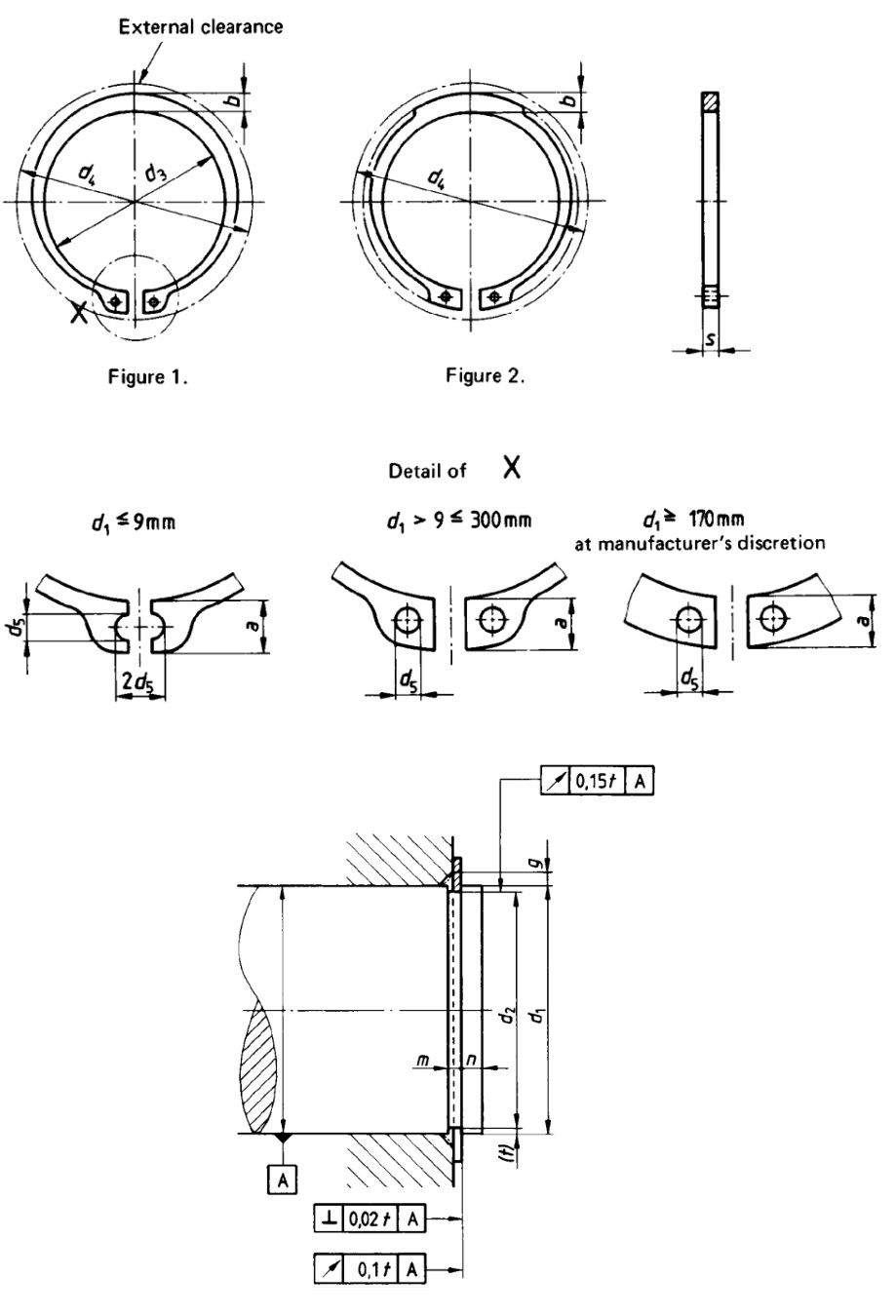
2. Thông Số Kỹ Thuật Chi Tiết của Phe Gài Trục Inox 420 DIN471 D11x1.0
d1: Đường kính trục
d2: Đường kính rãnh
d3: Đường kính ngoài
b: Bề rộng rãnh
s: Độ dày
| Thông số | Giá trị |
|---|---|
| Mã sản phẩm | DIN471 D11x1.0 |
| Loại phe gài | Phe Gài Trục (External Retaining Ring) |
| d1: Dùng Cho Trục | 11 mm |
| Vật Liệu | Inox 420 |
| Bề Rộng Rãnh Sử Dụng | 1.1 mm |
| Đường Kính Rãnh Sử Dụng | 10.5 mm |
| Đường Kính Trong | 10.2 mm |
| s: Độ Dày | 1 mm |
| Tiêu Chuẩn | DIN 471 |
| Thương Hiệu | MS-PRO |
| Trọng lượng tinh của sản phẩm | 0.00067 kg |
3. Cấu Tạo Chi Tiết Phe Gài Trục Inox 420 DIN471 D11x1.0
Phe gài trục Inox 420 DIN471 D11x1.0 được cấu tạo từ một vòng kim loại dạng hở, có hai tai ở hai đầu. Cấu tạo này giúp phe gài có thể co lại khi lắp vào trục và bung ra để bám chặt vào rãnh, đảm bảo khả năng giữ cố định mạnh mẽ và an toàn.
Sơ đồ cấu tạo Phe Gài Trục DIN 471:
- Vòng kim loại hở: Được chế tạo từ Inox 420, có khả năng chịu lực và chống ăn mòn.
- Hai tai gài: Được thiết kế để sử dụng kìm chuyên dụng, giúp việc lắp đặt và tháo gỡ trở nên dễ dàng và chính xác.
- Rãnh gài: Khi lắp vào trục, phe gài sẽ co lại và bám chặt vào rãnh được gia công sẵn, tạo ra lực giữ cố định các chi tiết khác như vòng bi hoặc bánh răng.
4. Phân Tích Chuyên Sâu: Tiêu Chuẩn DIN 471 và Vật Liệu Inox 420
Để thực sự hiểu giá trị của phe gài trục Inox 420 DIN471 D11x1.0, việc phân tích sâu hơn về hai yếu tố then chốt: “Tiêu chuẩn DIN 471” và “Vật liệu Inox 420” là rất quan trọng.
Tiêu chuẩn “DIN 471” – Độ chính xác và khả năng tương thích:
- Ý nghĩa: DIN 471 là tiêu chuẩn của Đức quy định các thông số kỹ thuật cho phe gài trục (External Retaining Rings).
- Chức năng chính: Tiêu chuẩn này xác định kích thước, dung sai và yêu cầu vật liệu, đảm bảo rằng phe gài có thể được sử dụng với các chi tiết máy được sản xuất theo cùng tiêu chuẩn mà không gặp vấn đề về lắp ráp.
- Ưu điểm vượt trội: Việc tuân thủ tiêu chuẩn DIN 471 giúp phe gài D11x1.0 của MS-PRO có độ chính xác cao, lắp khít vào rãnh trục, và chịu được lực đẩy dọc trục hiệu quả.
Vật liệu “Inox 420” – Sức mạnh và chống ăn mòn:
- Ý nghĩa: Inox 420 là một loại thép không gỉ martensitic, có hàm lượng carbon cao, cho phép nó đạt được độ cứng rất cao sau khi xử lý nhiệt.
- Đặc điểm nổi bật: Ngoài độ cứng và khả năng chịu mài mòn tốt, Inox 420 còn có khả năng chống ăn mòn trong nhiều môi trường. Tuy nhiên, khả năng chống ăn mòn này kém hơn các loại Inox austenitic như 304 hay 316.
- Tầm quan trọng: Với phe gài trục, vật liệu Inox 420 mang lại lợi thế kép: độ cứng cần thiết để chịu tải và độ bền, cùng với khả năng chống ăn mòn trong môi trường ẩm ướt hoặc có một số hóa chất nhẹ. Điều này làm cho nó trở thành lựa chọn lý tưởng cho các ứng dụng đòi hỏi cả về sức mạnh cơ học và khả năng chống ăn mòn.
Sự kết hợp giữa tiêu chuẩn “DIN 471” và vật liệu “Inox 420” giúp phe gài D11x1.0 trở thành một giải pháp giữ cố định đáng tin cậy cho các ứng dụng công nghiệp, đảm bảo sự an toàn và hiệu quả của hệ thống máy móc.
5. Ưu và Nhược Điểm của Phe Gài Trục Inox 420 DIN471 D11x1.0
Phe gài trục Inox 420 DIN471 D11x1.0 được tin dùng rộng rãi nhờ hiệu suất và độ bền vượt trội. Tuy nhiên, việc lựa chọn tối ưu đòi hỏi phải hiểu rõ cả ưu điểm lẫn nhược điểm của nó.
Ưu điểm nổi bật:
- Vật liệu chất lượng cao: Sản xuất từ Inox 420, giúp phe gài có độ cứng, độ bền và khả năng chống ăn mòn, phù hợp cho các môi trường ẩm ướt hoặc có tính ăn mòn nhẹ.
- Độ chính xác và tương thích: Tuân thủ tiêu chuẩn DIN 471, đảm bảo kích thước chính xác, dễ dàng lắp đặt và tương thích với các chi tiết máy tiêu chuẩn.
- Dễ dàng lắp đặt và tháo gỡ: Thiết kế có tai ở hai đầu cho phép sử dụng kìm chuyên dụng, giúp việc lắp đặt và tháo gỡ nhanh chóng, tiết kiệm thời gian bảo trì.
- Khả năng giữ cố định mạnh mẽ: Phe gài bám chặt vào rãnh, tạo lực ép mạnh mẽ, ngăn chặn hiệu quả sự di chuyển dọc trục của các chi tiết.
- Giá thành hợp lý: Là sản phẩm của thương hiệu MS-PRO, phe gài trục D11x1.0 mang lại hiệu suất tốt với mức giá cạnh tranh.
Nhược điểm cần lưu ý:
- Đòi hỏi rãnh trục chính xác: Chỉ hoạt động hiệu quả khi được lắp vào rãnh có kích thước và dung sai đúng theo tiêu chuẩn DIN 471.
- Khả năng chống ăn mòn hạn chế: So với các loại Inox khác như 304 hay 316, Inox 420 có khả năng chống ăn mòn thấp hơn và không phù hợp với môi trường có hóa chất mạnh hoặc nước biển.
6. Ứng Dụng Thực Tế của Phe Gài Trục Inox 420 DIN471 D11x1.0
Với kích thước tiêu chuẩn và khả năng giữ cố định mạnh mẽ, phe gài trục Inox 420 DIN471 D11x1.0 được ứng dụng rộng rãi trong nhiều lĩnh vực công nghiệp và dân dụng tại TP. Hồ Chí Minh và các khu công nghiệp lân cận:
- Chế tạo máy móc: Dùng để giữ cố định các chi tiết trên trục, như bánh răng, vòng bi, khớp nối.
- Sản xuất ô tô, xe máy: Sử dụng trong các hệ thống truyền động, động cơ để cố định các trục và bánh răng.
- Thiết bị công nghiệp: Lắp đặt trong các máy bơm, máy nén khí, quạt công nghiệp để giữ các vòng bi hoặc chi tiết khác trong vị trí.
- Sửa chữa và bảo trì: Là linh kiện thay thế phổ biến trong các xưởng sửa chữa cơ khí, bảo trì máy móc thiết bị.
7. Hướng Dẫn Lắp Đặt và Tháo Gỡ Phe Gài Trục Inox 420 DIN471 D11x1.0
Để đảm bảo tuổi thọ và hiệu suất tối ưu cho phe gài trục Inox 420 DIN471 D11x1.0, việc lắp đặt và tháo gỡ đúng cách là vô cùng quan trọng. Luôn tuân thủ các nguyên tắc an toàn và kỹ thuật của nhà sản xuất. Mecsu cung cấp hướng dẫn chi tiết dựa trên kinh nghiệm thực tế:
- Chuẩn bị: Đảm bảo môi trường làm việc sạch sẽ, khô ráo. Chuẩn bị đầy đủ dụng cụ chuyên dụng như kìm phe gài trục. Luôn đeo găng tay bảo hộ và kính bảo hộ để đảm bảo an toàn. Kiểm tra rãnh trục phải sạch sẽ, không có ba via, rỉ sét và đúng kích thước.
- Lắp đặt:
- Sử dụng kìm phe gài trục, bóp nhẹ hai tai của phe gài để co nó lại.
- Đặt phe gài vào vị trí rãnh trên trục và nhả kìm.
- Khi phe gài đã nằm gọn trong rãnh, bạn sẽ nghe thấy tiếng “tách” và cảm nhận được nó đã khóa chặt.
- Tháo gỡ:
- Sử dụng kìm phe gài trục, bóp nhẹ hai tai của phe gài để co nó lại.
- Nhẹ nhàng nhấc phe gài ra khỏi rãnh.
- Luôn giữ chặt phe gài để tránh nó bung ra đột ngột gây nguy hiểm.
- Bảo quản: Nếu không sử dụng ngay, hãy giữ phe gài trong bao bì gốc của nhà sản xuất, ở nơi khô ráo, thoáng mát, tránh ánh nắng trực tiếp và các hóa chất ăn mòn để ngăn ngừa rỉ sét.
8. So Sánh Phe Gài Trục Inox 420 D11 với các loại khác
Việc hiểu rõ sự khác biệt giữa các loại phe gài sẽ giúp bạn lựa chọn sản phẩm phù hợp nhất cho ứng dụng của mình, tối ưu hóa hiệu suất và chi phí đầu tư:
| Tiêu chí | Phe Gài Lỗ (Internal Retaining Ring) | Phe Gài Trục (External Retaining Ring) |
|---|---|---|
| Vị trí lắp đặt | Trong lỗ, đường kính trong của phe gài nhỏ hơn lỗ | Trên trục, đường kính trong của phe gài lớn hơn trục |
| Tiêu chuẩn | DIN 472 | DIN 471 |
| Hình dạng | Hình tròn hở, có tai ở hai đầu, bung ra để bám vào rãnh lỗ | Hình tròn hở, có tai ở hai đầu, co lại để bám vào rãnh trục |
| Dụng cụ lắp đặt | Kìm phe gài lỗ | Kìm phe gài trục |
| Ứng dụng điển hình | Cố định vòng bi trong vỏ máy, giữ piston trong xi lanh | Cố định bánh răng, pulley trên trục, giữ vòng bi trên trục |
9. Cách Phân Biệt Phe Gài MS-PRO Thật – Giả – Lời Khuyên Từ Chuyên Gia Mecsu
Để đảm bảo bạn mua được phe gài MS-PRO chính hãng tại TP.HCM, Mecsu khuyến nghị kiểm tra các dấu hiệu sau:
a. Dấu hiệu của phe gài MS-PRO chính hãng:
- Bao bì chất lượng cao: Sản phẩm MS-PRO thường được đóng gói cẩn thận, có tem nhãn rõ ràng, thông tin sản phẩm đầy đủ và không bị mờ.
- Chất liệu và hoàn thiện tốt: Phe gài MS-PRO chính hãng được làm từ Inox 420, có độ cứng và độ đàn hồi cao. Bề mặt sản phẩm nhẵn, không có ba via, vết rạn hoặc dấu hiệu rỉ sét.
- Kích thước chính xác: Các thông số kích thước (đường kính, độ dày) đúng với tiêu chuẩn DIN 471 và thông tin được công bố, đảm bảo việc lắp đặt dễ dàng và hiệu quả.
- Tem nhãn sản phẩm: Tem nhãn trên bao bì có thông tin rõ ràng về thương hiệu MS-PRO, mã sản phẩm và các thông số kỹ thuật.
- Chứng từ đầy đủ: Nhà cung cấp uy tín sẽ cung cấp đầy đủ chứng từ xuất xứ và chất lượng, đảm bảo nguồn gốc và chất lượng sản phẩm.
b. Dấu hiệu của phe gài MS-PRO hàng giả/nhái:
- Bề mặt thô, có ba via, dễ bị biến dạng hoặc rỉ sét.
- Sản phẩm có độ đàn hồi kém, dễ bị cong vênh khi tháo lắp.
- Kích thước không chính xác, gây khó khăn khi lắp đặt hoặc không giữ được chi tiết.
- Bao bì thô, in ấn mờ nhạt, thiếu thông tin hoặc có dấu hiệu làm lại.
- Giá bán rẻ bất thường so với mức giá thị trường của sản phẩm chính hãng – đây là dấu hiệu cảnh báo lớn nhất.
10. Giá Bán & Gợi Ý Mua Phe Gài MS-PRO Chính Hãng Tại TP.HCM
a. Giá phe gài trục Inox 420 DIN471 D11x1.0 (TP.Hồ Chí Minh) tại Mecsu: Giá: 18,660 đ/ Bịch (đã có VAT) – Giá hợp lý, phù hợp với chất lượng sản phẩm chính hãng
Liên hệ để nhận báo giá tốt nhất (giá có thể thay đổi tùy thời điểm và số lượng) – mức giá hợp lý, phù hợp với chất lượng sản phẩm chính hãng MS-PRO tại thị trường linh kiện TP.HCM.
b. Gợi ý mua phe gài chính hãng MS-PRO uy tín
- Chọn nhà cung cấp uy tín tại TP.HCM: Ưu tiên đối tác có chứng nhận hoặc đơn vị lâu năm, được nhiều khách hàng tin tưởng và có danh tiếng trên thị trường cung cấp linh kiện cơ khí tại TP.HCM.
- Kiểm tra chứng từ đầy đủ: Luôn yêu cầu đầy đủ chứng nhận xuất xứ và chất lượng để đảm bảo nguồn gốc và chất lượng sản phẩm.
- Mua tại Mecsu – Nhà phân phối MS-PRO tại Việt Nam: Mecsu tự hào là nhà phân phối chính hãng MS-PRO tại Việt Nam, cam kết cung cấp phe gài MS-PRO chính hãng và các loại phe gài khác với nhiều lợi ích vượt trội:
- 100% sản phẩm chính hãng: Đảm bảo nguồn gốc rõ ràng, đầy đủ chứng từ. Chúng tôi cam kết hoàn tiền 100% hoặc đổi trả nếu sản phẩm không phải chính hãng.
- Chính sách bảo hành minh bạch: Hỗ trợ đổi trả nếu có lỗi từ nhà sản xuất, mang lại sự an tâm tuyệt đối cho khách hàng.
- Hỗ trợ kỹ thuật chuyên sâu: Đội ngũ kỹ sư giàu kinh nghiệm sẵn sàng hỗ trợ bạn về kỹ thuật và lựa chọn sản phẩm phù hợp nhất cho mọi ứng dụng.
- Giá cả cạnh tranh: Đảm bảo mức giá tốt nhất đi kèm chất lượng, với chính sách chiết khấu hấp dẫn cho đơn hàng số lượng lớn, đặc biệt khi mua phe gài số lượng lớn.
MUA THÊM NHIỀU LOẠI PHE GÀI CHÍNH HÃNG KHÁC TẠI MECSU
11. FAQ về Phe Gài Trục Inox 420 DIN471 D11x1.0
a. Phe gài trục Inox 420 DIN471 D11x1.0 có thể tái sử dụng không?
Phe gài trục Inox 420 DIN471 D11x1.0 được làm từ Inox 420 có độ đàn hồi cao, cho phép tái sử dụng nhiều lần. Tuy nhiên, sau khi tháo gỡ, bạn nên kiểm tra xem phe gài có bị biến dạng, nứt gãy hoặc mất độ đàn hồi không. Nếu có bất kỳ dấu hiệu hư hỏng nào, bạn nên thay thế bằng phe gài mới để đảm bảo an toàn và hiệu quả.
b. Có cần kìm phe gài chuyên dụng để lắp đặt không?
Có. Với các phe gài kích thước nhỏ như D11x1.0, việc sử dụng kìm phe gài chuyên dụng là rất cần thiết để đảm bảo việc lắp đặt và tháo gỡ diễn ra an toàn, chính xác và không làm hỏng phe gài.
c. Phe gài trục Inox 420 DIN471 D11x1.0 chịu được nhiệt độ cao không?
Phe gài làm từ Inox 420 có khả năng chịu nhiệt tốt hơn thép thông thường. Tuy nhiên, đối với các ứng dụng yêu cầu nhiệt độ cao đặc biệt, bạn cần tham khảo các loại vật liệu chuyên dụng chịu nhiệt hoặc liên hệ Mecsu để được tư vấn giải pháp phù hợp.
d. Làm sao biết phe gài D11x1.0 của tôi là hàng chính hãng MS-PRO?
Bạn nên mua từ nhà phân phối uy tín (như Mecsu), kiểm tra bao bì có tem nhãn rõ ràng, sản phẩm có độ hoàn thiện tốt và kích thước chính xác.
e. Khi nào cần thay thế phe gài trục Inox 420 DIN471 D11x1.0?
Bạn nên thay thế phe gài khi nhận thấy các dấu hiệu sau:
- Biến dạng vật lý: Phe gài bị cong vênh, nứt gãy hoặc không còn giữ được hình dạng ban đầu.
- Mất độ đàn hồi: Phe gài không bám chặt vào rãnh khi được lắp đặt.
- Rỉ sét: Bề mặt phe gài bị rỉ sét nghiêm trọng, làm giảm độ bền và khả năng chịu lực.
Kinh nghiệm từ các kỹ sư Mecsu: Việc kiểm tra định kỳ tình trạng của phe gài có thể giúp phát hiện sớm các dấu hiệu cần thay thế, tránh gây hư hại nghiêm trọng hơn cho toàn bộ hệ thống máy móc. Đừng ngần ngại liên hệ chúng tôi để được hỗ trợ kỹ thuật kịp thời.
f. Mua phe gài trục Inox 420 DIN471 D11x1.0 chính hãng, uy tín ở đâu tại TP.HCM?
Mua phe gài trục Inox 420 DIN471 D11x1.0 chính hãng và đảm bảo chất lượng tại TP.HCM, bạn hãy liên hệ ngay với Mecsu. Chúng tôi tự hào là nhà cung cấp uy tín, chuyên phân phối các sản phẩm MS-PRO chính hãng tại Việt Nam.
- Cam kết chất lượng: 100% sản phẩm có nguồn gốc rõ ràng, đầy đủ chứng từ. Chúng tôi cam kết hoàn tiền 100% hoặc đổi trả nếu sản phẩm không phải chính hãng.
- Giá cả cạnh tranh: Đảm bảo mức giá tốt nhất đi kèm chất lượng, với chính sách chiết khấu hấp dẫn cho đơn hàng số lượng lớn, đặc biệt khi mua phe gài số lượng lớn.
- Tư vấn chuyên sâu: Đội ngũ kỹ sư giàu kinh nghiệm sẵn sàng hỗ trợ bạn về kỹ thuật và lựa chọn sản phẩm phù hợp nhất.
- Chính sách hậu mãi: Đảm bảo quyền lợi tối đa cho khách hàng với dịch vụ hỗ trợ nhanh chóng, tận tâm.
12. Liên Hệ và Hỗ Trợ Tư Vấn Mua Phe Gài MS-PRO
Nếu bạn có bất kỳ thắc mắc nào về phe gài trục Inox 420 DIN471 D11x1.0 hoặc cần tư vấn về giải pháp phe gài cho ứng dụng cụ thể của mình, đừng ngần ngại liên hệ với đội ngũ chuyên gia của Mecsu. Chúng tôi luôn sẵn lòng hỗ trợ bạn tìm ra sản phẩm phù hợp và tối ưu nhất, đồng thời cung cấp những kiến thức độc quyền về kỹ thuật bảo trì mà bạn khó tìm thấy ở nơi khác.
Địa chỉ: B28/I – B29/I Đường số 2B, KCN Vĩnh Lộc, P. Bình Hưng Hòa B, Q. Bình Tân, TP.HCM
Hotline: 1800 8137
Email: [email protected]
Website: mecsu.vn
13. Thông Tin Bổ Sung & Kinh Nghiệm Thực Tế Từ Mecsu
a. Kinh Nghiệm Thực Tế & Câu Chuyện Thành Công
Tại Mecsu, chúng tôi tự hào là đối tác tin cậy của nhiều doanh nghiệp trong việc cung cấp các giải pháp phe gài chất lượng cao. “Phe gài trục Inox 420 DIN471 D11x1.0”, với đặc tính chịu tải tốt và chống ăn mòn, đã được ứng dụng trong nhiều dự án quan trọng của khách hàng chúng tôi tại “TP. Hồ Chí Minh” và các tỉnh lân cận, mang lại hiệu quả vượt trội và là minh chứng cho chất lượng sản phẩm cùng kinh nghiệm thực tế của đội ngũ Mecsu:
- Ngành sản xuất máy bơm: Chúng tôi đã cung cấp “phe gài trục Inox 420 D11” cho một nhà sản xuất máy bơm lớn, nơi sản phẩm cần hoạt động trong môi trường có độ ẩm cao. Nhờ khả năng chống ăn mòn của Inox 420, phe gài đã hoạt động bền bỉ, giúp giảm thiểu chi phí bảo trì cho khách hàng.
- Lĩnh vực chế biến thực phẩm: Phe gài trục Inox 420 DIN471 D11x1.0 được lựa chọn cho các ứng dụng trong dây chuyền sản xuất thực phẩm, nơi yêu cầu cao về vệ sinh và khả năng chống ăn mòn. Độ tin cậy của phe gài chính hãng đã giúp máy móc hoạt động ổn định và an toàn trong thời gian dài.
- Thiết bị công nghiệp: Một khách hàng chuyên sản xuất thiết bị công nghiệp đã ứng dụng “phe gài D11x1.0” vào các bộ phận truyền động. Khả năng giữ cố định hiệu quả và độ bền của phe gài đã giúp máy móc hoạt động ổn định và kéo dài tuổi thọ trong môi trường có nhiều tạp chất và tải nặng.
b. Trích Dẫn Chuyên Gia
““Phe gài trục Inox 420 DIN471 D11x1.0” là một lựa chọn tuyệt vời cho các ứng dụng công nghiệp cần sự kết hợp giữa sức mạnh cơ học và khả năng chống ăn mòn. Vật liệu Inox 420 mang lại lợi thế về độ cứng và độ bền, rất phù hợp cho những hệ thống cần sự an toàn và độ tin cậy. Đây là giải pháp đáng tin cậy và hiệu quả cho nhiều loại máy móc trong môi trường công nghiệp.”
— “Kỹ sư cơ khí Chuyên gia kỹ thuật Mecsu” (TP. Hồ Chí Minh) – Với hơn 10 năm kinh nghiệm trong lĩnh vực “linh kiện công nghiệp”.
c. Tài Liệu Tham Khảo và Nghiên Cứu
Nội dung bài viết này được biên soạn dựa trên các tài liệu kỹ thuật chính thức và đáng tin cậy từ MS-PRO, cùng với kinh nghiệm thực tế chuyên sâu của đội ngũ kỹ sư Mecsu, đảm bảo tính chính xác, cập nhật và chuyên môn cao:
- MS-PRO Product Catalog (Danh mục sản phẩm MS-PRO chính thức) – Nguồn dữ liệu kỹ thuật chi tiết nhất về “phe gài MS-PRO”.
- Tài liệu kỹ thuật DIN 471 (Thông tin chuyên sâu về “tiêu chuẩn DIN cho phe gài trục”) – Cung cấp cái nhìn toàn diện về tiêu chuẩn này.
- Bảng dữ liệu kỹ thuật (Datasheet) chi tiết của Phe gài trục Inox 420 DIN471 D11x1.0 – Nguồn thông số kỹ thuật chính xác.
- Trải nghiệm thực tế và phản hồi từ các dự án khách hàng của Mecsu – “Dữ liệu độc nhất” được thu thập từ hơn 10 năm cung cấp “linh kiện cơ khí” và “giải pháp phe gài” cho các doanh nghiệp tại Việt Nam.
Biên soạn bởi: Đội ngũ Kỹ sư Mecsu
Với hơn 10 năm kinh nghiệm chuyên sâu trong lĩnh vực phân phối và tư vấn giải pháp phe gài, đội ngũ kỹ sư của Mecsu cam kết mang đến những thông tin chính xác, cập nhật và hữu ích nhất, giúp quý khách hàng đưa ra lựa chọn sản phẩm tối ưu cho mọi ứng dụng.
(Xem thêm thông tin về chúng tôi tại Website Mecsu)
Lưu ý: Hình ảnh sản phẩm có thể khác biệt so với thực tế tùy theo lô sản xuất của MS-PRO. Vui lòng tham khảo thông số kỹ thuật chi tiết hoặc liên hệ Mecsu để có thông tin chính xác nhất về sản phẩm.



















Đánh giá
Chưa có đánh giá nào.