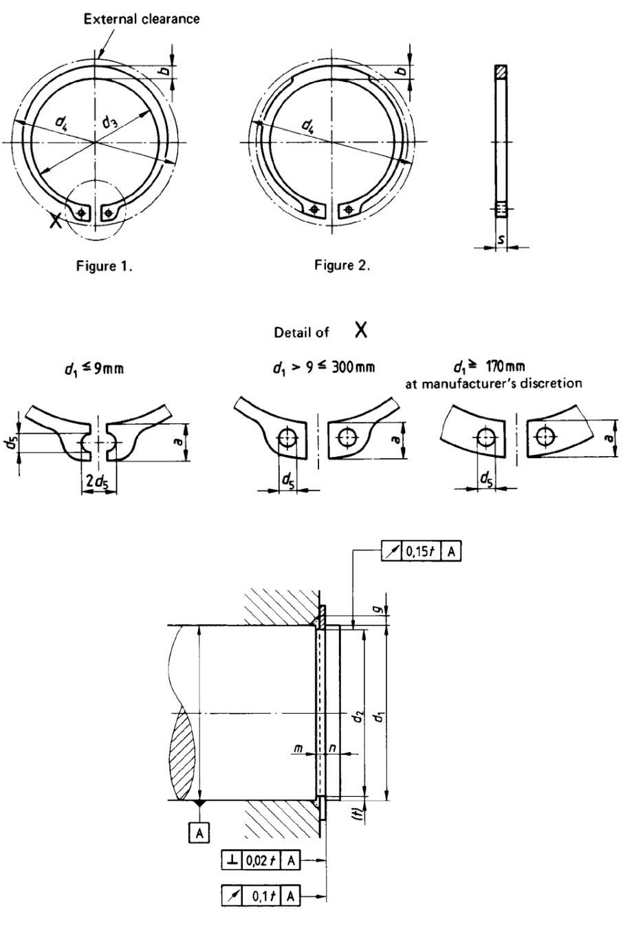
Phe Gài Trục Inox 420 DIN471 D120x4.0

82.197 

Dùng Cho Trục 120 mm
Vật Liệu Inox 420
Bề Rộng Rãnh Sử Dụng 4.15 mm
Đường Kính Rãnh Sử Dụng 116 mm
Đường Kính Trong 113 mm
SKU: 0059774 Danh mục: , Thương hiệu: