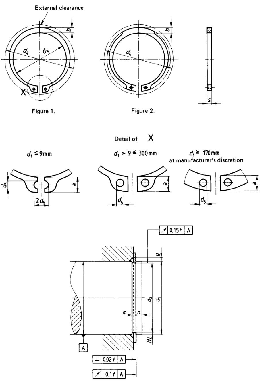
Phe Gài Trục Inox 420 DIN471 D165x4.0

156.168 

Dùng Cho Trục 165 mm
Vật Liệu Inox 420
Bề Rộng Rãnh Sử Dụng 4.15 mm
Đường Kính Rãnh Sử Dụng 160 mm
Đường Kính Trong 155.5 mm
SKU: 0056369 Danh mục: , Thương hiệu: