Mô tả sản phẩm
Thông tin CHUYÊN SÂU về Phe Gài Trục Inox 420 DIN471 D16x1.0
Mục Lục
- 1. Phe Gài Trục Inox 420 DIN471 D16x1.0 Là Gì? – Giải Thích Chuyên Sâu
- 2. Thông Số Kỹ Thuật Chi Tiết của Phe Gài Trục Inox 420 DIN471 D16x1.0
- 3. Cấu Tạo Chi Tiết Phe Gài Trục Inox 420 DIN471 D16x1.0
- 4. Phân Tích Chuyên Sâu: Tiêu Chuẩn DIN 471 và Vật Liệu Inox 420
- 5. Ưu và Nhược Điểm của Phe Gài Trục Inox 420 DIN471 D16x1.0
- 6. Ứng Dụng Thực Tế của Phe Gài Trục Inox 420 DIN471 D16x1.0
- 7. Hướng Dẫn Lắp Đặt và Tháo Gỡ Phe Gài Trục Inox 420 DIN471 D16x1.0
- 8. So Sánh Phe Gài Trục Inox 420 DIN471 D16 với các loại khác
- 9. Cách Phân Biệt Phe Gài MS-PRO Thật – Giả – Lời Khuyên Từ Chuyên Gia Mecsu
- 10. Giá Bán & Gợi Ý Mua Phe Gài MS-PRO Chính Hãng Tại TP.HCM
- 11. FAQ về Phe Gài Trục Inox 420 DIN471 D16x1.0
- 12. Liên Hệ và Hỗ Trợ Tư Vấn Mua Phe Gài MS-PRO
- 13. Thông Tin Bổ Sung & Kinh Nghiệm Thực Tế Từ Mecsu
1. Phe Gài Trục Inox 420 DIN471 D16x1.0 Là Gì? – Giải Thích Chuyên Sâu
Phe gài trục Inox 420 DIN471 D16x1.0 là một loại vòng phe chuyên dụng, được thiết kế để lắp đặt vào các rãnh bên ngoài trên trục. Phe gài này có chức năng giữ cố định các chi tiết bên ngoài, ngăn chúng di chuyển dọc trục. Mã sản phẩm D16x1.0 cho thấy nó được thiết kế cho trục có đường kính 16mm với độ dày 1.0mm.
Phe gài trục D16x1.0 được sản xuất từ vật liệu Inox 420, một loại thép không gỉ martensitic có hàm lượng carbon cao. Điều này giúp phe gài có độ cứng, độ bền và khả năng chống mài mòn vượt trội, đồng thời vẫn có khả năng chống ăn mòn nhất định. Tiêu chuẩn DIN 471 quy định kích thước và dung sai cho phe gài lắp trên trục, đảm bảo tính chính xác và khả năng tương thích cao với các chi tiết cơ khí tiêu chuẩn.
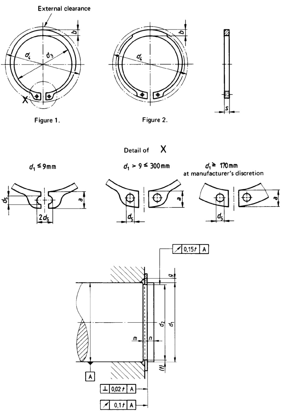
2. Thông Số Kỹ Thuật Chi Tiết của Phe Gài Trục Inox 420 DIN471 D16x1.0
d1: Đường kính trục
d2: Đường kính rãnh
d3: Đường kính trong
b: Bề rộng rãnh
s: Độ dày
| Thông số | Giá trị |
|---|---|
| Mã sản phẩm | DIN 471 D16x1.0 |
| Loại phe gài | Phe Gài Trục (External Retaining Ring) |
| d1: Đường kính trục | 16 mm |
| Vật Liệu | Inox 420 |
| b: Bề rộng rãnh | 1.1 mm |
| d2: Đường kính rãnh | 15.2 mm |
| d3: Đường kính trong | 14.7 mm |
| s: Độ dày | 1 mm |
| Tiêu Chuẩn | DIN 471 |
| Thương Hiệu | MS-PRO |
| Đóng gói | Theo quy cách nhà sản xuất |
3. Cấu Tạo Chi Tiết Phe Gài Trục Inox 420 DIN471 D16x1.0
Phe gài trục Inox 420 DIN471 D16x1.0 được cấu tạo từ một vòng kim loại hở, có hai tai ở hai đầu. Thiết kế này cho phép sử dụng kìm chuyên dụng để nén phe gài, giúp việc lắp đặt và tháo gỡ trên trục trở nên dễ dàng và an toàn.
Sơ đồ cấu tạo Phe Gài Trục DIN 471:
- Vòng kim loại hở: Được chế tạo từ Inox 420, có hình dạng gần tròn, không khép kín. Khi được nén lại, nó sẽ dễ dàng trượt vào trục.
- Tai gài: Nằm ở hai đầu của vòng, được thiết kế để kìm phe gài chuyên dụng có thể kẹp vào, giúp nén hoặc mở phe gài một cách chính xác.
- Rãnh gài: Khi được lắp vào trục, phe gài sẽ bung ra và bám chặt vào rãnh được gia công sẵn trên trục, tạo ra lực giữ cố định các chi tiết khác như vòng bi, bánh răng, hoặc pulley.
4. Phân Tích Chuyên Sâu: Tiêu Chuẩn DIN 471 và Vật Liệu Inox 420
Để thực sự hiểu giá trị của phe gài trục Inox 420 DIN471 D16x1.0, việc phân tích sâu hơn về hai yếu tố then chốt: “Tiêu chuẩn DIN 471” và “Vật liệu Inox 420” là rất quan trọng.
Tiêu chuẩn “DIN 471” – Độ chính xác và khả năng tương thích:
- Ý nghĩa: DIN 471 là tiêu chuẩn của Đức quy định các thông số kỹ thuật cho phe gài lắp trên trục.
- Chức năng chính: Tiêu chuẩn này xác định kích thước, dung sai và yêu cầu vật liệu, đảm bảo rằng phe gài có thể được sử dụng với các chi tiết máy được sản xuất theo cùng tiêu chuẩn mà không gặp vấn đề về lắp ráp.
- Ưu điểm vượt trội: Việc tuân thủ tiêu chuẩn DIN 471 giúp phe gài D16x1.0 của MS-PRO có độ chính xác cao, lắp khít vào rãnh trục, và chịu được lực đẩy dọc trục hiệu quả.
Vật liệu “Inox 420” – Sức mạnh và khả năng chống ăn mòn:
- Ý nghĩa: Inox 420 là một loại thép không gỉ martensitic, có khả năng tôi cứng và đạt được độ cứng cao.
- Đặc điểm nổi bật: Sau khi tôi luyện và xử lý nhiệt, Inox 420 có độ cứng và khả năng chống mài mòn vượt trội so với các loại thép thông thường. Nó cũng có khả năng chống ăn mòn tốt trong môi trường không quá khắc nghiệt.
- Tầm quan trọng: Với phe gài trục, vật liệu Inox 420 đảm bảo phe không bị biến dạng khi tháo lắp, có thể duy trì lực ép cần thiết để giữ chi tiết máy cố định và chống lại tác động của môi trường làm việc, kéo dài tuổi thọ và độ tin cậy của phe gài.
Sự kết hợp giữa tiêu chuẩn “DIN 471” và vật liệu “Inox 420” giúp phe gài D16x1.0 trở thành một giải pháp giữ cố định linh hoạt, đáng tin cậy cho các ứng dụng công nghiệp, đảm bảo sự an toàn và hiệu quả của hệ thống máy móc.
5. Ưu và Nhược Điểm của Phe Gài Trục Inox 420 DIN471 D16x1.0
Phe gài trục Inox 420 DIN471 D16x1.0 được tin dùng rộng rãi nhờ hiệu suất và độ bền vượt trội. Tuy nhiên, việc lựa chọn tối ưu đòi hỏi phải hiểu rõ cả ưu điểm lẫn nhược điểm của nó.
Ưu điểm nổi bật:
- Vật liệu chất lượng cao: Sản xuất từ Inox 420, giúp phe gài có độ cứng cao, độ bền tốt, chịu được tải trọng lớn và chống mài mòn.
- Khả năng chống ăn mòn: Mặc dù không bằng Inox 304 hay 316, Inox 420 vẫn có khả năng chống ăn mòn tốt hơn so với thép carbon, phù hợp với môi trường làm việc ẩm ướt.
- Độ chính xác và tương thích: Tuân thủ tiêu chuẩn DIN 471, đảm bảo kích thước chính xác, dễ dàng lắp đặt và tương thích với các chi tiết máy tiêu chuẩn.
- Khả năng giữ cố định mạnh mẽ: Phe gài bám chặt vào rãnh, tạo lực ép mạnh mẽ, ngăn chặn hiệu quả sự di chuyển dọc trục của các chi tiết.
Nhược điểm cần lưu ý:
- Yêu cầu dụng cụ chuyên dụng: Để lắp đặt và tháo gỡ, cần sử dụng kìm phe gài trục chuyên dụng.
- Khả năng chống ăn mòn: Không phù hợp với môi trường có hóa chất hoặc muối cao, nơi cần sử dụng Inox 316 hoặc các vật liệu cao cấp hơn.
6. Ứng Dụng Thực Tế của Phe Gài Trục Inox 420 DIN471 D16x1.0
Với kích thước nhỏ gọn và khả năng giữ cố định mạnh mẽ, phe gài trục Inox 420 DIN471 D16x1.0 được ứng dụng rộng rãi trong nhiều lĩnh vực công nghiệp và dân dụng tại TP. Hồ Chí Minh và các khu công nghiệp lân cận:
- Thiết bị điện tử và thiết bị gia dụng: Sử dụng để cố định các bộ phận trên trục động cơ nhỏ, quạt, máy in, máy ảnh, và các thiết bị điện tử khác, nơi cần sự chính xác và độ bền cao.
- Ngành sản xuất ô tô, xe máy: Lắp đặt trong các hệ thống nhỏ như trục phanh, khóa cửa, và các bộ phận truyền động phụ trợ, đặc biệt trong môi trường cần chống ăn mòn.
- Dụng cụ cầm tay: Cố định các chi tiết trên trục của máy khoan, máy mài, và các dụng cụ khác, đảm bảo an toàn và hiệu suất khi sử dụng.
- Mô hình và đồ chơi: Được sử dụng trong các mô hình cơ khí, đồ chơi điều khiển từ xa, và các thiết bị giải trí khác yêu cầu các chi tiết nhỏ, bền.
7. Hướng Dẫn Lắp Đặt và Tháo Gỡ Phe Gài Trục Inox 420 DIN471 D16x1.0
Để đảm bảo tuổi thọ và hiệu suất tối ưu cho phe gài trục Inox 420 DIN471 D16x1.0, việc lắp đặt và tháo gỡ đúng cách là vô cùng quan trọng. Luôn tuân thủ các nguyên tắc an toàn và kỹ thuật của nhà sản xuất. Mecsu cung cấp hướng dẫn chi tiết dựa trên kinh nghiệm thực tế:
- Chuẩn bị: Đảm bảo môi trường làm việc sạch sẽ, khô ráo. Chuẩn bị đầy đủ dụng cụ chuyên dụng như kìm phe gài trục, vải sạch. Luôn đeo găng tay bảo hộ và kính bảo hộ để đảm bảo an toàn. Kiểm tra rãnh trục phải sạch sẽ, không có ba via, rỉ sét và đúng kích thước.
- Lắp đặt:
- Sử dụng kìm phe gài trục chuyên dụng, đưa hai đầu kìm vào hai lỗ trên tai của phe gài.
- Bóp kìm lại, phe gài sẽ co vào, cho phép bạn trượt nó vào trục.
- Trượt phe gài vào rãnh đã chuẩn bị sẵn.
- Nhả tay kìm để phe gài bung ra, bám chặt vào rãnh và giữ cố định chi tiết.
- Kiểm tra lại bằng mắt thường để đảm bảo phe gài đã nằm gọn và phẳng trong rãnh.
- Tháo gỡ:
- Sử dụng kìm phe gài trục chuyên dụng, đưa hai đầu kìm vào hai lỗ trên tai của phe gài.
- Bóp kìm lại để phe gài co lại hoàn toàn.
- Nhẹ nhàng trượt phe gài ra khỏi trục.
- Luôn giữ chặt phe gài để tránh nó bung ra đột ngột gây nguy hiểm.
- Bảo quản: Nếu không sử dụng ngay, hãy giữ phe gài trong bao bì gốc của nhà sản xuất, ở nơi khô ráo, thoáng mát, tránh ánh nắng trực tiếp và các hóa chất ăn mòn để ngăn ngừa rỉ sét.
8. So Sánh Phe Gài Trục Inox 420 DIN471 D16 với các loại khác
Việc hiểu rõ sự khác biệt giữa các loại phe gài sẽ giúp bạn lựa chọn sản phẩm phù hợp nhất cho ứng dụng của mình, tối ưu hóa hiệu suất và chi phí đầu tư:
| Tiêu chí | Phe Gài Lỗ (Internal Retaining Ring) | Phe Gài Trục (External Retaining Ring) |
|---|---|---|
| Vị trí lắp đặt | Trong lỗ, đường kính trong của phe gài nhỏ hơn lỗ | Trên trục, đường kính trong của phe gài lớn hơn trục |
| Tiêu chuẩn | DIN 472 | DIN 471 |
| Hình dạng | Hình tròn hở, có tai ở hai đầu, bung ra để bám vào rãnh lỗ | Hình tròn hở, có tai ở hai đầu, co lại để bám vào rãnh trục |
| Dụng cụ lắp đặt | Kìm phe gài lỗ | Kìm phe gài trục |
| Ứng dụng điển hình | Cố định vòng bi trong vỏ máy, giữ piston trong xi lanh | Cố định bánh răng, pulley trên trục, giữ vòng bi trên trục |
9. Cách Phân Biệt Phe Gài MS-PRO Thật – Giả – Lời Khuyên Từ Chuyên Gia Mecsu
Để đảm bảo bạn mua được phe gài MS-PRO chính hãng tại TP.HCM, Mecsu khuyến nghị kiểm tra các dấu hiệu sau:
a. Dấu hiệu của phe gài MS-PRO chính hãng:
- Bao bì chất lượng cao: Sản phẩm MS-PRO thường được đóng gói cẩn thận, có tem nhãn rõ ràng, thông tin sản phẩm đầy đủ và không bị mờ.
- Chất liệu và hoàn thiện tốt: Phe gài MS-PRO chính hãng được làm từ Inox 420, có độ cứng và độ đàn hồi cao. Bề mặt sản phẩm nhẵn, không có ba via, vết rạn hoặc dấu hiệu rỉ sét.
- Kích thước chính xác: Các thông số kích thước (đường kính, độ dày) đúng với tiêu chuẩn DIN 471 và thông tin được công bố, đảm bảo việc lắp đặt dễ dàng và hiệu quả.
- Tem nhãn sản phẩm: Tem nhãn trên bao bì có thông tin rõ ràng về thương hiệu MS-PRO, mã sản phẩm và các thông số kỹ thuật.
- Chứng từ đầy đủ: Nhà cung cấp uy tín sẽ cung cấp đầy đủ chứng từ xuất xứ và chất lượng, đảm bảo nguồn gốc và chất lượng sản phẩm.
b. Dấu hiệu của phe gài MS-PRO hàng giả/nhái:
- Bề mặt thô, có ba via, dễ bị biến dạng hoặc rỉ sét.
- Sản phẩm có độ đàn hồi kém, dễ bị cong vênh khi tháo lắp.
- Kích thước không chính xác, gây khó khăn khi lắp đặt hoặc không giữ được chi tiết.
- Bao bì thô, in ấn mờ nhạt, thiếu thông tin hoặc có dấu hiệu làm lại.
- Giá bán rẻ bất thường so với mức giá thị trường của sản phẩm chính hãng – đây là dấu hiệu cảnh báo lớn nhất.
10. Giá Bán & Gợi Ý Mua Phe Gài MS-PRO Chính Hãng Tại TP.HCM
a. Giá phe gài trục Inox 420 DIN471 D16x1.0 (TP.Hồ Chí Minh) tại Mecsu: Giá: 1,074 đ/ Cái (đã có VAT) – Giá hợp lý, phù hợp với chất lượng sản phẩm chính hãng
Liên hệ để nhận báo giá tốt nhất (giá có thể thay đổi tùy thời điểm và số lượng) – mức giá hợp lý, phù hợp với chất lượng sản phẩm chính hãng MS-PRO tại thị trường linh kiện TP.HCM.
b. Gợi ý mua phe gài chính hãng MS-PRO uy tín
- Chọn nhà cung cấp uy tín tại TP.HCM: Ưu tiên đối tác có chứng nhận hoặc đơn vị lâu năm, được nhiều khách hàng tin tưởng và có danh tiếng trên thị trường cung cấp linh kiện cơ khí tại TP.HCM.
- Kiểm tra chứng từ đầy đủ: Luôn yêu cầu đầy đủ chứng nhận xuất xứ và chất lượng để đảm bảo nguồn gốc và chất lượng sản phẩm.
- Mua tại Mecsu – Nhà phân phối MS-PRO tại Việt Nam: Mecsu tự hào là nhà phân phối chính hãng MS-PRO tại Việt Nam, cam kết cung cấp phe gài MS-PRO chính hãng và các loại phe gài khác với nhiều lợi ích vượt trội:
- 100% sản phẩm chính hãng: Đảm bảo nguồn gốc rõ ràng, đầy đủ chứng từ. Chúng tôi cam kết hoàn tiền 100% hoặc đổi trả nếu sản phẩm không phải chính hãng.
- Chính sách bảo hành minh bạch: Hỗ trợ đổi trả nếu có lỗi từ nhà sản xuất, mang lại sự an tâm tuyệt đối cho khách hàng.
- Hỗ trợ kỹ thuật chuyên sâu: Đội ngũ kỹ sư giàu kinh nghiệm sẵn sàng hỗ trợ bạn về kỹ thuật và lựa chọn sản phẩm phù hợp nhất cho mọi ứng dụng.
- Giá cả cạnh tranh: Đảm bảo mức giá tốt nhất đi kèm chất lượng, với chính sách chiết khấu hấp dẫn cho đơn hàng số lượng lớn, đặc biệt khi mua phe gài số lượng lớn.
MUA THÊM NHIỀU LOẠI PHE GÀI CHÍNH HÃNG KHÁC TẠI MECSU
11. FAQ về Phe Gài Trục Inox 420 DIN471 D16x1.0
a. Phe gài trục Inox 420 DIN471 D16x1.0 có thể tái sử dụng không?
Phe gài trục Inox 420 DIN471 D16x1.0 được làm từ Inox 420, có độ đàn hồi cao, cho phép tái sử dụng nhiều lần. Tuy nhiên, sau khi tháo gỡ, bạn nên kiểm tra xem phe gài có bị biến dạng, nứt gãy hoặc mất độ đàn hồi không. Nếu có bất kỳ dấu hiệu hư hỏng nào, bạn nên thay thế bằng phe gài mới để đảm bảo an toàn và hiệu quả.
b. Kìm phe gài có cần thiết khi lắp đặt không?
Có. Khác với phe gài chữ E, phe gài trục DIN 471 có hai lỗ ở hai đầu để sử dụng kìm chuyên dụng. Việc sử dụng kìm phe gài trục là bắt buộc để đảm bảo việc lắp đặt và tháo gỡ an toàn, dễ dàng và không làm hỏng phe gài.
c. Phe gài trục Inox 420 DIN471 D16x1.0 chịu được nhiệt độ cao không?
Phe gài làm từ Inox 420 có thể hoạt động tốt trong khoảng nhiệt độ thông thường. Đối với các ứng dụng yêu cầu nhiệt độ cao đặc biệt, bạn cần tham khảo các loại vật liệu chuyên dụng chịu nhiệt hoặc liên hệ Mecsu để được tư vấn giải pháp phù hợp.
d. Làm sao biết phe gài D16x1.0 của tôi là hàng chính hãng MS-PRO?
Bạn nên mua từ nhà phân phối uy tín (như Mecsu), kiểm tra bao bì có tem nhãn rõ ràng, sản phẩm có độ hoàn thiện tốt và kích thước chính xác.
e. Khi nào cần thay thế phe gài trục Inox 420 DIN471 D16x1.0?
Bạn nên thay thế phe gài khi nhận thấy các dấu hiệu sau:
- Biến dạng vật lý: Phe gài bị cong vênh, nứt gãy hoặc không còn giữ được hình dạng ban đầu.
- Mất độ đàn hồi: Phe gài không bung ra và bám chặt vào rãnh khi được lắp đặt.
- Rỉ sét: Bề mặt phe gài bị rỉ sét nghiêm trọng, làm giảm độ bền và khả năng chịu lực.
Kinh nghiệm từ các kỹ sư Mecsu: Việc kiểm tra định kỳ tình trạng của phe gài có thể giúp phát hiện sớm các dấu hiệu cần thay thế, tránh gây hư hại nghiêm trọng hơn cho toàn bộ hệ thống máy móc. Đừng ngần ngại liên hệ chúng tôi để được hỗ trợ kỹ thuật kịp thời.
f. Mua phe gài trục Inox 420 DIN471 D16x1.0 chính hãng, uy tín ở đâu tại TP.HCM?
Mua phe gài trục Inox 420 DIN471 D16x1.0 chính hãng và đảm bảo chất lượng tại TP.HCM, bạn hãy liên hệ ngay với Mecsu. Chúng tôi tự hào là nhà cung cấp uy tín, chuyên phân phối các sản phẩm MS-PRO chính hãng tại Việt Nam.
- Cam kết chất lượng: 100% sản phẩm có nguồn gốc rõ ràng, đầy đủ chứng từ. Chúng tôi cam kết hoàn tiền 100% hoặc đổi trả nếu sản phẩm không phải chính hãng.
- Giá cả cạnh tranh: Đảm bảo mức giá tốt nhất đi kèm chất lượng, với chính sách chiết khấu hấp dẫn cho đơn hàng số lượng lớn.
- Tư vấn chuyên sâu: Đội ngũ kỹ sư giàu kinh nghiệm sẵn sàng hỗ trợ bạn về kỹ thuật và lựa chọn sản phẩm phù hợp nhất.
- Chính sách hậu mãi: Đảm bảo quyền lợi tối đa cho khách hàng với dịch vụ hỗ trợ nhanh chóng, tận tâm.
12. Liên Hệ và Hỗ Trợ Tư Vấn Mua Phe Gài MS-PRO
Nếu bạn có bất kỳ thắc mắc nào về phe gài trục Inox 420 DIN471 D16x1.0 hoặc cần tư vấn về giải pháp phe gài cho ứng dụng cụ thể của mình, đừng ngần ngại liên hệ với đội ngũ chuyên gia của Mecsu. Chúng tôi luôn sẵn lòng hỗ trợ bạn tìm ra sản phẩm phù hợp và tối ưu nhất, đồng thời cung cấp những kiến thức độc quyền về kỹ thuật bảo trì mà bạn khó tìm thấy ở nơi khác.
Địa chỉ: B28/I – B29/I Đường số 2B, KCN Vĩnh Lộc, P. Bình Hưng Hòa B, Q. Bình Tân, TP.HCM
Hotline: 1800 8137
Email: [email protected]
Website: mecsu.vn
13. Thông Tin Bổ Sung & Kinh Nghiệm Thực Tế Từ Mecsu
a. Kinh Nghiệm Thực Tế & Câu Chuyện Thành Công
Tại Mecsu, chúng tôi tự hào là đối tác tin cậy của nhiều doanh nghiệp trong việc cung cấp các giải pháp phe gài chất lượng cao. “Phe Gài Trục Inox 420 DIN471 D16x1.0”, với đặc tính chịu tải tốt và khả năng chống ăn mòn, đã được ứng dụng trong nhiều dự án quan trọng của khách hàng chúng tôi tại “TP. Hồ Chí Minh” và các tỉnh lân cận, mang lại hiệu quả vượt trội và là minh chứng cho chất lượng sản phẩm cùng kinh nghiệm thực tế của đội ngũ Mecsu:
- Ngành sản xuất thiết bị điện tử: Chúng tôi đã cung cấp “phe gài trục DIN471 D16” cho một nhà máy lắp ráp động cơ servo nhỏ. Nhờ khả năng giữ cố định chi tiết hiệu quả và bền bỉ, phe gài này đã góp phần đáng kể vào việc nâng cao hiệu suất và độ tin cậy của sản phẩm, đồng thời giảm thiểu chi phí bảo trì cho khách hàng.
- Lĩnh vực thiết bị gia dụng: Phe gài trục Inox 420 DIN471 D16x1.0 được lựa chọn cho các ứng dụng cần độ chính xác cao và khả năng chống mài mòn, đặc biệt là trong các hệ thống trục quay chịu tải trọng nhỏ. Độ tin cậy vượt trội của phe gài chính hãng đã giúp máy móc hoạt động ổn định trong thời gian dài.
- Thiết bị tự động hóa: Một khách hàng chuyên sản xuất thiết bị đóng gói đã ứng dụng “phe gài DIN471 D16” vào các bộ phận trục chính. Khả năng chống ăn mòn của vật liệu Inox 420 đã giúp sản phẩm hoạt động ổn định và kéo dài tuổi thọ trong môi trường khắc nghiệt.
b. Trích Dẫn Chuyên Gia
““Phe Gài Trục Inox 420 DIN471 D16x1.0” là một lựa chọn tuyệt vời cho các ứng dụng công nghiệp cần sự cân bằng hoàn hảo giữa khả năng chịu tải, độ bền và khả năng chống ăn mòn. Vật liệu Inox 420 mang lại lợi thế về độ cứng và chống mài mòn, rất phù hợp cho những hệ thống mà sự an toàn và độ tin cậy là yếu tố then chốt. Đây là giải pháp đáng tin cậy và hiệu quả cho nhiều loại máy móc trong môi trường công nghiệp.”
— “Kỹ sư cơ khí Chuyên gia kỹ thuật Mecsu” (TP. Hồ Chí Minh) – Với hơn 10 năm kinh nghiệm trong lĩnh vực “linh kiện công nghiệp”.
c. Tài Liệu Tham Khảo và Nghiên Cứu
Nội dung bài viết này được biên soạn dựa trên các tài liệu kỹ thuật chính thức và đáng tin cậy từ MS-PRO, cùng với kinh nghiệm thực tế chuyên sâu của đội ngũ kỹ sư Mecsu, đảm bảo tính chính xác, cập nhật và chuyên môn cao:
- MS-PRO Product Catalog (Danh mục sản phẩm MS-PRO chính thức) – Nguồn dữ liệu kỹ thuật chi tiết nhất về “phe gài MS-PRO”.
- Tài liệu kỹ thuật DIN 471 (Thông tin chuyên sâu về “tiêu chuẩn DIN cho phe gài trục”) – Cung cấp cái nhìn toàn diện về tiêu chuẩn này.
- Bảng dữ liệu kỹ thuật (Datasheet) chi tiết của Phe Gài Trục Inox 420 DIN471 D16x1.0 – Nguồn thông số kỹ thuật chính xác.
- Trải nghiệm thực tế và phản hồi từ các dự án khách hàng của Mecsu – “Dữ liệu độc nhất” được thu thập từ hơn 10 năm cung cấp “linh kiện cơ khí” và “giải pháp phe gài” cho các doanh nghiệp tại Việt Nam.
Biên soạn bởi: Đội ngũ Kỹ sư Mecsu
Với hơn 10 năm kinh nghiệm chuyên sâu trong lĩnh vực phân phối và tư vấn giải pháp phe gài, đội ngũ kỹ sư của Mecsu cam kết mang đến những thông tin chính xác, cập nhật và hữu ích nhất, giúp quý khách hàng đưa ra lựa chọn sản phẩm tối ưu cho mọi ứng dụng.
(Xem thêm thông tin về chúng tôi tại Website Mecsu)
Lưu ý: Hình ảnh sản phẩm có thể khác biệt so với thực tế tùy theo lô sản xuất của MS-PRO. Vui lòng tham khảo thông số kỹ thuật chi tiết hoặc liên hệ Mecsu để có thông tin chính xác nhất về sản phẩm.



















Đánh giá
Chưa có đánh giá nào.