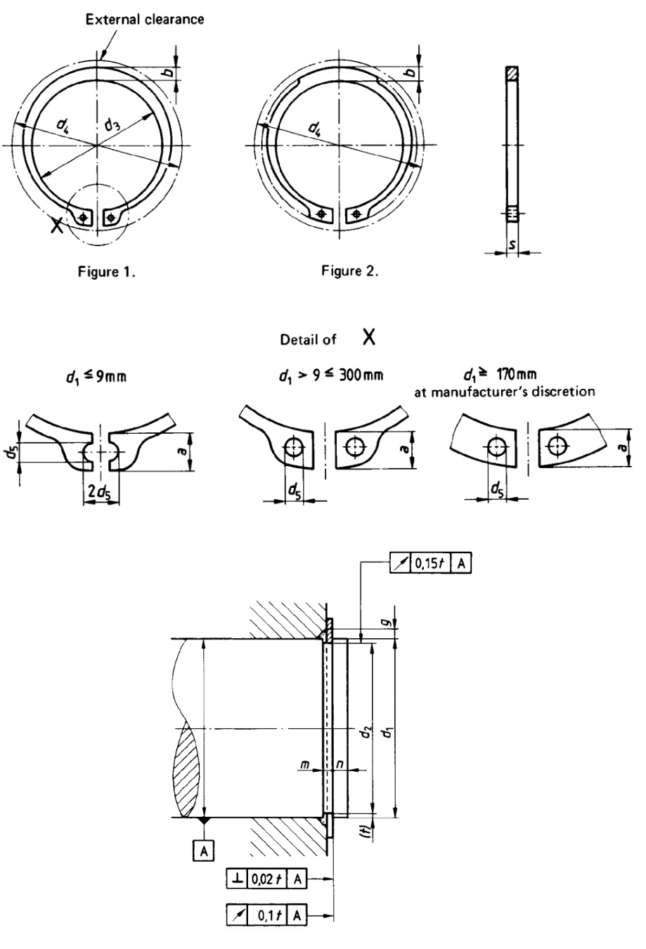
Phe Gài Trục Inox 420 DIN471 D20x1.2

1.625 

Dùng Cho Trục 20 mm
Vật Liệu Inox 420
Bề Rộng Rãnh Sử Dụng 1.3 mm
Đường Kính Rãnh Sử Dụng 19 mm
Đường Kính Trong 18.5 mm
SKU: 0061117 Danh mục: , Thương hiệu: