Mô tả sản phẩm
Thông tin CHUYÊN SÂU về Phe Gài Trục Inox 420 DIN471 D22x1.2
Mục Lục
- 1. Phe Gài Trục Inox 420 DIN471 D22x1.2 Là Gì? – Giải Thích Chuyên Sâu
- 2. Thông Số Kỹ Thuật Chi Tiết của Phe Gài Trục Inox 420 DIN471 D22x1.2
- 3. Cấu Tạo Chi Tiết Phe Gài Trục DIN471
- 4. Phân Tích Chuyên Sâu: Tiêu Chuẩn DIN 471 và Vật Liệu Inox 420
- 5. Ưu và Nhược Điểm của Phe Gài Trục Inox 420
- 6. Ứng Dụng Thực Tế của Phe Gài Trục Inox 420 DIN471 D22x1.2
- 7. Hướng Dẫn Lắp Đặt và Tháo Gỡ Phe Gài Trục
- 8. So Sánh Phe Gài Trục DIN471 với Phe Gài Lỗ DIN472
- 9. Cách Phân Biệt Phe Gài MS-PRO Thật – Giả – Lời Khuyên Từ Chuyên Gia Mecsu
- 10. Giá Bán & Gợi Ý Mua Phe Gài Trục Inox 420 Chính Hãng Tại TP.HCM
- 11. FAQ về Phe Gài Trục Inox 420 DIN471 D22x1.2
- 12. Liên Hệ và Hỗ Trợ Tư Vấn Mua Phe Gài MS-PRO
- 13. Thông Tin Bổ Sung & Kinh Nghiệm Thực Tế Từ Mecsu
1. Phe Gài Trục Inox 420 DIN471 D22x1.2 Là Gì? – Giải Thích Chuyên Sâu
Phe gài trục Inox 420 DIN471 D22x1.2 là một loại chi tiết cơ khí quan trọng, được thiết kế để giữ các bộ phận trên trục một cách chắc chắn, ngăn chúng di chuyển dọc theo trục. Ký hiệu “D22” là điểm nhấn quan trọng, chỉ ra rằng phe này được sử dụng cho các trục có đường kính 22mm. Tiêu chuẩn “DIN 471” là tiêu chuẩn của Đức quy định kích thước và đặc tính của phe gài trục, trong khi “Inox 420” là vật liệu thép không gỉ chất lượng cao, mang lại độ bền và khả năng chống ăn mòn vượt trội.
Phe gài trục DIN471 có hình dạng vòng hở, với hai lỗ nhỏ ở hai đầu để sử dụng kìm chuyên dụng khi lắp đặt hoặc tháo gỡ. Phe được lắp vào một rãnh đã được gia công sẵn trên trục, tạo ra một vai tựa vững chắc để các chi tiết như vòng bi, bánh răng, hoặc puli không bị trượt ra ngoài. Vật liệu Inox 420 cung cấp độ cứng cao sau khi tôi nhiệt, đảm bảo khả năng chịu lực cắt và tải trọng đáng kể.
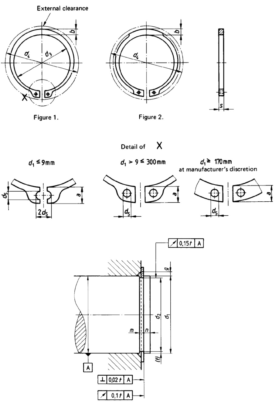
2. Thông Số Kỹ Thuật Chi Tiết của Phe Gài Trục Inox 420 DIN471 D22x1.2
d1: Đường kính trục sử dụng
d2: Đường kính trong của phe
d3: Đường kính rãnh sử dụng
s: Độ dày
t: Bề rộng rãnh sử dụng
| Thông số | Giá trị |
|---|---|
| Mã sản phẩm | DIN471 D22x1.2 |
| Loại | Phe Gài Trục |
| Dùng cho đường kính trục | 22 mm |
| Đường kính rãnh sử dụng | 21 mm |
| Bề rộng rãnh sử dụng | 1.3 mm |
| Đường kính trong | 20.5 mm |
| Độ dày | 1.2 mm |
| Tiêu chuẩn | DIN 471 |
| Vật liệu | Inox 420 |
| Thương hiệu | MS-PRO |
3. Cấu Tạo Chi Tiết Phe Gài Trục DIN471
Phe gài trục DIN471 được cấu thành từ một chi tiết duy nhất nhưng đóng vai trò quan trọng trong việc đảm bảo hiệu suất và độ tin cậy của bộ phận máy móc:
Sơ đồ cấu tạo Phe Gài Trục DIN471:
- Thân phe: Là phần chính của phe, có hình dạng vòng hở, được gia công chính xác để vừa khít với rãnh trên trục. Thân phe chịu lực chính khi có tải trọng tác dụng lên chi tiết được gài.
- Hai lỗ nhỏ ở đầu: Được thiết kế để vừa với đầu kìm chuyên dụng. Hai lỗ này giúp việc lắp đặt và tháo gỡ phe trở nên dễ dàng và an toàn hơn, tránh làm biến dạng phe.
- Vật liệu: Phe gài trục này được làm từ Inox 420, một loại thép không gỉ có khả năng tôi cứng, mang lại độ bền cao, chống ăn mòn tốt trong nhiều môi trường.
4. Phân Tích Chuyên Sâu: Tiêu Chuẩn DIN 471 và Vật Liệu Inox 420
Để thực sự hiểu giá trị của phe gài trục Inox 420 DIN471 D22x1.2, việc phân tích sâu hơn về hai yếu tố then chốt: “Tiêu chuẩn DIN 471” và “vật liệu Inox 420” là rất quan trọng.
Tiêu chuẩn “DIN 471” – Tiêu chuẩn quốc tế cho phe gài trục:
- Chức năng chính: “DIN 471” là một tiêu chuẩn của Đức, quy định các thông số kỹ thuật chi tiết cho phe gài trục lắp trên trục (External Circlips for Shafts).
- Đặc điểm nổi bật: Tiêu chuẩn này đảm bảo các phe gài được sản xuất với dung sai chặt chẽ, kích thước chính xác và đặc tính cơ học đáp ứng yêu cầu kỹ thuật.
- Ưu điểm vượt trội: Việc tuân thủ tiêu chuẩn DIN 471 giúp đảm bảo phe gài tương thích hoàn hảo với các trục có đường kính tiêu chuẩn, mang lại sự chắc chắn và độ tin cậy cao cho các kết nối. Nó cũng tạo ra sự đồng nhất trong sản xuất và thay thế phụ tùng.
Vật liệu “Inox 420” – Thép không gỉ có khả năng tôi cứng:
- Ý nghĩa: “Inox 420” (Stainless Steel 420) là một loại thép không gỉ thuộc nhóm Mactensit. Nó chứa hàm lượng crom cao (khoảng 13%) và carbon, giúp nó có khả năng chống ăn mòn tốt.
- Tầm quan trọng: Điều quan trọng nhất là vật liệu này có khả năng tôi cứng (hardenable), giúp tăng độ cứng và sức bền sau khi được xử lý nhiệt. Điều này làm cho nó trở nên lý tưởng cho các ứng dụng cần chịu lực và chống mài mòn, như phe gài.
- Lựa chọn phù hợp: Inox 420 là lựa chọn cân bằng giữa khả năng chống ăn mòn và độ cứng, phù hợp cho nhiều môi trường công nghiệp mà không cần đến vật liệu đắt tiền hơn như Inox 304 hay 316 khi yêu cầu chịu lực là ưu tiên.
Sự kết hợp giữa tiêu chuẩn “DIN 471” và vật liệu “Inox 420” giúp Phe Gài Trục MS-PRO trở thành một giải pháp đáng tin cậy, bền bỉ cho các ứng dụng cần sự chắc chắn, chống ăn mòn và chịu lực tốt.
5. Ưu và Nhược Điểm của Phe Gài Trục Inox 420
Phe gài trục Inox 420 được tin dùng rộng rãi nhờ hiệu suất và độ bền vượt trội. Tuy nhiên, việc lựa chọn tối ưu đòi hỏi phải hiểu rõ cả ưu điểm lẫn nhược điểm của nó.
Ưu điểm nổi bật:
- Độ bền cao và khả năng chịu lực: Nhờ vật liệu Inox 420 có khả năng tôi cứng, phe gài có độ cứng cao, chịu được tải trọng cắt và tải trọng va đập lớn.
- Khả năng chống ăn mòn tốt: Vật liệu Inox 420 cung cấp khả năng chống gỉ sét và ăn mòn hiệu quả trong môi trường ẩm ướt hoặc có hóa chất nhẹ.
- Tiết kiệm chi phí và không gian: Phe gài trục là một giải pháp đơn giản, hiệu quả và kinh tế để cố định các chi tiết trên trục, tiết kiệm không gian và chi phí so với các phương pháp khác như lắp ghép bằng ren hoặc chốt.
- Lắp đặt và tháo gỡ dễ dàng: Với các lỗ tiêu chuẩn và kìm chuyên dụng, việc lắp đặt và tháo gỡ phe gài trở nên nhanh chóng và an toàn.
- Độ tin cậy cao từ thương hiệu MS-PRO: MS-PRO là thương hiệu uy tín trong lĩnh vực linh kiện cơ khí, đảm bảo chất lượng và độ tin cậy vượt trội cho sản phẩm.
Nhược điểm cần lưu ý:
- Độ chống ăn mòn: Mặc dù tốt, nhưng khả năng chống ăn mòn của Inox 420 kém hơn so với Inox 304 hoặc 316, đặc biệt trong môi trường hóa chất mạnh hoặc nước biển.
- Yêu cầu gia công rãnh chính xác: Việc lắp đặt phe gài đòi hỏi trục phải được gia công rãnh với kích thước chính xác theo tiêu chuẩn DIN 471, nếu không sẽ ảnh hưởng đến khả năng giữ và chịu lực của phe.
- Nguy cơ biến dạng nếu dùng sai dụng cụ: Nếu không sử dụng kìm chuyên dụng, phe gài có thể bị biến dạng, ảnh hưởng đến khả năng làm việc của nó.
6. Ứng Dụng Thực Tế của Phe Gài Trục Inox 420 DIN471 D22x1.2
Với kích thước tiêu chuẩn và đặc tính bền bỉ, phe gài trục Inox 420 DIN471 D22x1.2 được ứng dụng rộng rãi trong nhiều lĩnh vực công nghiệp và dân dụng tại TP. Hồ Chí Minh và các khu công nghiệp lân cận:
- Lắp ráp máy móc: Dùng để gài các chi tiết như bánh răng, puli, vòng bi, bạc lót vào đúng vị trí trên các trục truyền động.
- Thiết bị công nghiệp: Ứng dụng trong các máy bơm, quạt công nghiệp, hộp số, nơi cần cố định các chi tiết quay trên trục.
- Ngành ô tô, xe máy: Sử dụng trong các bộ phận truyền động, hệ thống phanh, giúp giữ các chi tiết không bị dịch chuyển.
- Máy công cụ, máy gia công: Đảm bảo sự ổn định của các chi tiết trên trục chính của máy tiện, máy phay, v.v.
- Các thiết bị trong môi trường ẩm ướt: Nhờ vật liệu Inox 420, phe gài này phù hợp cho các thiết bị hoạt động trong môi trường có độ ẩm cao hoặc tiếp xúc với nước.
7. Hướng Dẫn Lắp Đặt và Tháo Gỡ Phe Gài Trục
Để đảm bảo tuổi thọ và hiệu suất tối ưu cho phe gài trục DIN471, việc lắp đặt và tháo gỡ đúng cách là vô cùng quan trọng. Luôn tuân thủ các nguyên tắc an toàn và kỹ thuật. Mecsu cung cấp hướng dẫn chi tiết dựa trên kinh nghiệm thực tế:
- Chuẩn bị: Đảm bảo trục và rãnh sạch sẽ, không có ba via, rỉ sét. Chuẩn bị kìm chuyên dụng cho phe gài trục (kìm mũi thẳng hoặc cong tùy ứng dụng). Luôn đeo găng tay bảo hộ và kính bảo hộ để đảm bảo an toàn.
- Lắp đặt:
- Sử dụng kìm phe gài chuyên dụng, bóp hai đầu của phe gài lại để thu hẹp đường kính.
- Cẩn thận trượt phe gài vào rãnh trên trục.
- Thả kìm để phe tự bung ra và ôm chặt vào rãnh. Đảm bảo phe đã vào đúng vị trí và nằm phẳng trong rãnh.
- Tháo gỡ:
- Sử dụng kìm chuyên dụng, kẹp vào hai lỗ nhỏ ở đầu phe.
- Bóp kìm để phe co lại, tạo khoảng trống để trượt phe ra khỏi rãnh.
- Cẩn thận lấy phe ra khỏi trục.
- Bảo quản: Nếu không sử dụng ngay, hãy giữ phe gài trong bao bì gốc, ở nơi khô ráo, thoáng mát để ngăn ngừa rỉ sét và bụi bẩn xâm nhập.
8. So Sánh Phe Gài Trục DIN471 với Phe Gài Lỗ DIN472
Việc hiểu rõ sự khác biệt giữa các loại **phe gài** sẽ giúp bạn lựa chọn sản phẩm phù hợp nhất cho ứng dụng của mình, tối ưu hóa hiệu suất và chi phí đầu tư:
| Tiêu chí | Phe Gài Trục (DIN 471) | Phe Gài Lỗ (DIN 472) |
|---|---|---|
| Hình dáng | Vòng hở, mũi phe hướng ra ngoài | Vòng hở, mũi phe hướng vào trong |
| Vị trí lắp đặt | Lắp trên trục | Lắp trong lỗ |
| Cách thức hoạt động | Phe bung ra để giữ chặt vào rãnh trên trục | Phe co lại để giữ chặt vào rãnh trong lỗ |
| Kìm sử dụng | Kìm phe gài mũi thẳng hoặc cong, bóp lại | Kìm phe gài mũi thẳng hoặc cong, bung ra |
| Ứng dụng điển hình | Cố định bánh răng, vòng bi trên trục | Cố định vòng bi, bạc lót trong gối đỡ, hộp số |
9. Cách Phân Biệt Phe Gài MS-PRO Thật – Giả – Lời Khuyên Từ Chuyên Gia Mecsu
Thị trường hiện nay có rất nhiều hàng giả, hàng nhái kém chất lượng, đặc biệt là với các sản phẩm phe gài chính hãng được ưa chuộng. Để đảm bảo bạn mua được phe gài MS-PRO chính hãng tại TP.HCM, Mecsu khuyến nghị kiểm tra các dấu hiệu sau:
a. Dấu hiệu của phe gài MS-PRO chính hãng:
- Bao bì chất lượng cao: Sắc nét, đầy đủ thông tin sản phẩm, mã vạch/QR code và thông tin xuất xứ. Bạn sẽ thấy sự tỉ mỉ trong từng chi tiết.
- Hoàn thiện sản phẩm cao cấp: Phe gài có bề mặt nhẵn, không có ba via, không có dấu hiệu bị rỉ sét. Các góc cạnh được bo đều, chính xác.
- Độ đàn hồi tốt: Phe chính hãng có độ đàn hồi tốt, khi dùng kìm bóp vào và thả ra, phe sẽ trở lại hình dạng ban đầu một cách nhanh chóng và chính xác.
- Mã QR/Bar code xác thực: Có thể quét mã trên bao bì (nếu có) để xác minh nguồn gốc và tính chính hãng của sản phẩm.
- Chứng từ đầy đủ: Nhà cung cấp uy tín sẽ cung cấp đầy đủ chứng nhận chất lượng (CQ) từ nhà sản xuất, đảm bảo nguồn gốc và chất lượng sản phẩm.
b. Dấu hiệu của phe gài MS-PRO hàng giả/nhái:
- Bao bì thô, màu sắc lệch chuẩn, thiếu thông tin quan trọng hoặc có dấu hiệu làm lại.
- Bề mặt sản phẩm có ba via, xước, hoặc có dấu hiệu rỉ sét, hoàn thiện kém.
- Khi dùng kìm bóp, phe có cảm giác “cứng” hoặc không đàn hồi tốt, dễ bị biến dạng vĩnh viễn, không trở lại hình dạng ban đầu.
- Giá bán rẻ bất thường so với mức giá thị trường của sản phẩm chính hãng – đây là dấu hiệu cảnh báo lớn nhất.
10. Giá Bán & Gợi Ý Mua Phe Gài Trục Inox 420 Chính Hãng Tại TP.HCM
a. Giá Phe Gài Trục Inox 420 (TP.Hồ Chí Minh) tại Mecsu: Giá: 2,220 đ / Cái (đã có VAT) – Giá hợp lý, phù hợp với chất lượng sản phẩm chính hãng
Liên hệ để nhận báo giá tốt nhất (giá có thể thay đổi tùy thời điểm và số lượng) – mức giá hợp lý, phù hợp với chất lượng sản phẩm chính hãng MS-PRO tại thị trường linh kiện cơ khí TP.HCM.
b. Gợi ý mua phe gài chính hãng MS-PRO uy tín
- Chọn nhà cung cấp uy tín tại TP.HCM: Ưu tiên đối tác lâu năm, được nhiều khách hàng tin tưởng và có danh tiếng trên thị trường cung cấp linh kiện cơ khí tại TP.HCM.
- Kiểm tra chứng từ đầy đủ: Luôn yêu cầu chứng nhận chất lượng (CQ) để đảm bảo nguồn gốc và chất lượng sản phẩm. Điều này giúp bạn tránh mua phải “phe gài giả” trên thị trường.
- Mua tại Mecsu – Nhà phân phối linh kiện uy tín tại Việt Nam: Mecsu tự hào là nhà phân phối các sản phẩm MS-PRO chính hãng tại Việt Nam, cam kết cung cấp “phe gài trục Inox 420 chính hãng” và các loại “linh kiện cơ khí khác” với nhiều lợi ích vượt trội:
- 100% sản phẩm chính hãng: Đảm bảo nguồn gốc rõ ràng, đầy đủ chứng từ. Chúng tôi cam kết hoàn tiền 100% hoặc đổi trả nếu sản phẩm không phải chính hãng.
- Chính sách bảo hành minh bạch: Hỗ trợ đổi trả nếu có lỗi từ nhà sản xuất, mang lại sự an tâm tuyệt đối cho khách hàng.
- Hỗ trợ kỹ thuật chuyên sâu: Đội ngũ kỹ sư giàu kinh nghiệm sẵn sàng hỗ trợ bạn về kỹ thuật và lựa chọn sản phẩm phù hợp nhất cho mọi ứng dụng.
- Giá cả cạnh tranh: Đảm bảo mức giá tốt nhất đi kèm chất lượng, với chính sách chiết khấu hấp dẫn cho đơn hàng số lượng lớn, đặc biệt khi “mua phe gài trục số lượng lớn”.
MUA THÊM NHIỀU LOẠI PHE GÀI CHÍNH HÃNG KHÁC TẠI MECSU
11. FAQ về Phe Gài Trục Inox 420 DIN471 D22x1.2
a. Phe gài trục Inox 420 có bị gỉ sét không?
Phe gài trục được làm từ Inox 420 có khả năng chống ăn mòn tốt trong các môi trường bình thường. Tuy nhiên, nếu sử dụng trong môi trường hóa chất mạnh, nước biển hoặc axit, khả năng chống ăn mòn của nó sẽ không bằng các loại thép không gỉ cao cấp hơn như Inox 304 hoặc 316.
b. Phe gài trục khác gì phe gài lỗ?
Phe gài trục (DIN471) được lắp trên rãnh của trục để cố định các chi tiết bên ngoài. Phe gài lỗ (DIN472) được lắp trong rãnh của lỗ để cố định các chi tiết bên trong. Hai loại này có hình dạng và cách lắp đặt khác nhau, yêu cầu kìm chuyên dụng khác nhau.
c. Tôi có thể dùng phe gài này cho trục có đường kính khác 22mm không?
Không. Phe gài trục DIN471 D22x1.2 được thiết kế chính xác để sử dụng cho trục có đường kính 22mm. Việc sử dụng cho các trục có đường kính khác sẽ không đảm bảo độ chắc chắn và có thể gây hư hỏng.
d. Làm sao để phân biệt phe gài MS-PRO thật – giả?
Bạn nên mua từ nhà phân phối uy tín (như Mecsu), kiểm tra bao bì, và đặc biệt là kiểm tra độ hoàn thiện cũng như độ đàn hồi của phe. Phe gài chính hãng sẽ có bề mặt nhẵn, không ba via và có độ đàn hồi rất tốt, trở về hình dạng ban đầu sau khi bóp.
e. Khi nào cần thay thế phe gài?
Bạn nên thay thế phe gài khi nhận thấy các dấu hiệu sau:
- Biến dạng vật lý: Phe bị cong vênh, móp méo, không trở lại hình dạng ban đầu.
- Rạn nứt: Có các vết nứt nhỏ trên bề mặt phe, báo hiệu phe đã bị mỏi vật liệu.
- Mòn rãnh: Vòng gài bị mòn, không còn giữ chặt vào rãnh trên trục.
- Lắp đặt lỏng lẻo: Phe không còn ôm chặt vào rãnh, có độ rơ.
Kinh nghiệm từ các kỹ sư Mecsu: Việc kiểm tra định kỳ bằng mắt thường và cảm nhận độ chắc chắn có thể giúp phát hiện sớm các dấu hiệu cần thay thế, tránh gây hư hại nghiêm trọng hơn cho toàn bộ hệ thống. Đừng ngần ngại liên hệ chúng tôi để được hỗ trợ kỹ thuật kịp thời.
f. Mua phe gài trục Inox 420 chính hãng, uy tín ở đâu tại TP.HCM?
Mua phe gài trục Inox 420 chính hãng và đảm bảo chất lượng tại TP.HCM, bạn hãy liên hệ ngay với Mecsu. Chúng tôi tự hào là nhà cung cấp uy tín, chuyên phân phối các sản phẩm linh kiện cơ khí chính hãng tại Việt Nam.
- Cam kết chất lượng: 100% sản phẩm có nguồn gốc rõ ràng, đầy đủ chứng từ CQ. Chúng tôi cam kết hoàn tiền 100% hoặc đổi trả nếu sản phẩm không phải chính hãng.
- Giá cả cạnh tranh: Đảm bảo mức giá tốt nhất đi kèm chất lượng, với chính sách chiết khấu hấp dẫn cho đơn hàng số lượng lớn.
- Tư vấn chuyên sâu: Đội ngũ kỹ sư giàu kinh nghiệm sẵn sàng hỗ trợ bạn về kỹ thuật và lựa chọn sản phẩm phù hợp nhất.
- Chính sách hậu mãi: Đảm bảo quyền lợi tối đa cho khách hàng với dịch vụ hỗ trợ nhanh chóng, tận tâm.
12. Liên Hệ và Hỗ Trợ Tư Vấn Mua Phe Gài MS-PRO
Nếu bạn có bất kỳ thắc mắc nào về phe gài trục Inox 420 DIN471 D22x1.2 hoặc cần tư vấn về giải pháp phe gài cho ứng dụng cụ thể của mình, đừng ngần ngại liên hệ với đội ngũ chuyên gia của Mecsu. Chúng tôi luôn sẵn lòng hỗ trợ bạn tìm ra sản phẩm phù hợp và tối ưu nhất, đồng thời cung cấp những kiến thức độc quyền về kỹ thuật lắp đặt và bảo trì mà bạn khó tìm thấy ở nơi khác.
Địa chỉ: B28/I – B29/I Đường số 2B, KCN Vĩnh Lộc, P. Bình Hưng Hòa B, Q. Bình Tân, TP.HCM
Hotline: 1800 8137
Email: [email protected]
Website: mecsu.vn
13. Thông Tin Bổ Sung & Kinh Nghiệm Thực Tế Từ Mecsu
a. Kinh Nghiệm Thực Tế & Câu Chuyện Thành Công
Tại Mecsu, chúng tôi tự hào là đối tác tin cậy của nhiều doanh nghiệp trong việc cung cấp các giải pháp linh kiện cơ khí chất lượng cao. “Phe gài trục Inox 420 DIN471 D22x1.2”, với đặc tính chịu tải tốt và khả năng chống ăn mòn, đã được ứng dụng trong nhiều dự án quan trọng của khách hàng chúng tôi tại “TP. Hồ Chí Minh” và các tỉnh lân cận, mang lại hiệu quả vượt trội và là minh chứng cho chất lượng sản phẩm cùng kinh nghiệm thực tế của đội ngũ Mecsu:
- Ngành sản xuất máy móc công nghiệp: Chúng tôi đã cung cấp “Phe gài trục Inox 420” cho một nhà sản xuất máy móc lớn. Nhờ khả năng cố định chắc chắn và bền bỉ trong môi trường làm việc khắc nghiệt, phe gài này đã góp phần đáng kể vào việc nâng cao hiệu suất và độ tin cậy của máy móc.
- Lĩnh vực thiết bị chế biến thực phẩm: Phe gài trục Inox 420 được lựa chọn cho các ứng dụng trong ngành chế biến thực phẩm, nơi yêu cầu cao về khả năng chống gỉ sét và vệ sinh. Độ tin cậy của “phe gài chính hãng” đã giúp thiết bị hoạt động ổn định trong môi trường thường xuyên tiếp xúc với nước và chất lỏng.
- Thiết bị nông nghiệp và chế biến: Một khách hàng chuyên sản xuất máy nông nghiệp đã ứng dụng “phe gài trục” này vào các bộ phận truyền động. Khả năng chịu lực và độ bền của phe đã giúp máy móc hoạt động ổn định và kéo dài tuổi thọ trong môi trường có nhiều bụi bẩn và độ ẩm.
b. Trích Dẫn Chuyên Gia
““Phe gài trục Inox 420” là một lựa chọn tuyệt vời cho các ứng dụng công nghiệp cần sự cân bằng hoàn hảo giữa khả năng chịu lực, chống ăn mòn và giá thành hợp lý. Tiêu chuẩn DIN 471 đảm bảo kích thước chính xác và khả năng lắp đặt dễ dàng, trong khi vật liệu Inox 420 mang lại độ bền cần thiết cho các mối ghép chịu tải trọng. Đây là giải pháp đáng tin cậy và hiệu quả cho nhiều loại máy móc.”
— “Kỹ sư cơ khí Chuyên gia kỹ thuật Mecsu” (TP. Hồ Chí Minh) – Với hơn 10 năm kinh nghiệm trong lĩnh vực “linh kiện cơ khí công nghiệp”.
c. Tài Liệu Tham Khảo và Nghiên Cứu
Nội dung bài viết này được biên soạn dựa trên các tài liệu kỹ thuật chính thức và đáng tin cậy từ các tiêu chuẩn công nghiệp, cùng với kinh nghiệm thực tế chuyên sâu của đội ngũ kỹ sư Mecsu, đảm bảo tính chính xác, cập nhật và chuyên môn cao:
- DIN 471 Standard (Tiêu chuẩn DIN 471 chính thức) – Nguồn dữ liệu kỹ thuật chi tiết nhất về “phe gài trục”.
- Tài liệu kỹ thuật về vật liệu Inox 420 – Cung cấp cái nhìn toàn diện về đặc tính vật liệu và ứng dụng.
- Trải nghiệm thực tế và phản hồi từ các dự án khách hàng của Mecsu – “Dữ liệu độc nhất” được thu thập từ hơn 10 năm cung cấp “linh kiện cơ khí” và “giải pháp lắp ghép” cho các doanh nghiệp tại Việt Nam.
Biên soạn bởi: Đội ngũ Kỹ sư Mecsu
Với hơn 10 năm kinh nghiệm chuyên sâu trong lĩnh vực phân phối và tư vấn giải pháp linh kiện cơ khí, đội ngũ kỹ sư của Mecsu cam kết mang đến những thông tin chính xác, cập nhật và hữu ích nhất, giúp quý khách hàng đưa ra lựa chọn sản phẩm tối ưu cho mọi ứng dụng.
(Xem thêm thông tin về chúng tôi tại Website Mecsu)
Lưu ý: Hình ảnh sản phẩm có thể khác biệt so với thực tế tùy theo lô sản xuất. Vui lòng tham khảo thông số kỹ thuật chi tiết hoặc liên hệ Mecsu để có thông tin chính xác nhất về sản phẩm.



















Đánh giá
Chưa có đánh giá nào.