Mô tả sản phẩm
Thông tin CHUYÊN SÂU về Phe Gài Trục Inox 420 DIN471 D23x1.2
Mục Lục
- 1. Phe Gài Trục Là Gì? – Giải Thích Chuyên Sâu
- 2. Thông Số Kỹ Thuật Chi Tiết của Phe Gài Trục Inox 420 DIN471 D23x1.2
- 3. Cấu Tạo Chi Tiết Phe Gài Trục Inox 420 DIN471 D23x1.2
- 4. Phân Tích Chuyên Sâu: Vật Liệu Inox 420 và Tiêu Chuẩn DIN 471
- 5. Ưu và Nhược Điểm của Phe Gài Trục Inox 420
- 6. Ứng Dụng Thực Tế của Phe Gài Trục Inox 420 D23x1.2
- 7. Hướng Dẫn Lắp Đặt và Tháo Gỡ Phe Gài Trục
- 8. So Sánh Phe Gài Trục DIN 471 và Phe Gài Lỗ DIN 472
- 9. Cách Phân Biệt Phe Gài Trục MS-PRO Thật – Giả – Lời Khuyên Từ Chuyên Gia Mecsu
- 10. Giá Bán & Gợi Ý Mua Phe Gài Trục Chính Hãng Tại TP.HCM
- 11. FAQ về Phe Gài Trục Inox 420
- 12. Liên Hệ và Hỗ Trợ Tư Vấn Mua Phe Gài
- 13. Thông Tin Bổ Sung & Kinh Nghiệm Thực Tế Từ Mecsu
1. Phe Gài Trục Là Gì? – Giải Thích Chuyên Sâu
Phe gài trục là một loại vòng đệm có thể tháo rời, được thiết kế để lắp vào rãnh trên trục và có tác dụng định vị hoặc hạn chế chuyển động dọc trục của các bộ phận khác như bạc đạn, bánh răng, hoặc puli. Sản phẩm “Phe Gài Trục Inox 420 DIN471 D23x1.2” là một ví dụ điển hình, được sản xuất theo tiêu chuẩn DIN 471, với đường kính trục sử dụng là 23mm và độ dày 1.2mm.
Vật liệu Inox 420 mang lại khả năng chống ăn mòn và độ cứng cao, phù hợp với nhiều ứng dụng trong môi trường công nghiệp ẩm ướt hoặc yêu cầu độ bền cơ học lớn. Phe gài trục MS-PRO D23x1.2 là lựa chọn lý tưởng cho các chi tiết máy cần được định vị chắc chắn, đảm bảo hệ thống vận hành ổn định và an toàn.
2. Thông Số Kỹ Thuật Chi Tiết của Phe Gài Trục Inox 420 DIN471 D23x1.2
D23: Đường kính trục sử dụng
1.2: Độ dày của phe gài
Bề Rộng Rãnh: Bề rộng rãnh tương thích trên trục
Đường Kính Rãnh: Đường kính rãnh sử dụng trên trục
| Thông số | Giá trị |
|---|---|
| Mã sản phẩm | D23x1.2 (10 Cái/Bịch) |
| Loại sản phẩm | Phe Gài Trục (External Retaining Ring) |
| Dùng cho trục | 23 mm |
| Vật liệu | Inox 420 |
| Độ dày | 1.2 mm |
| Bề rộng rãnh sử dụng | 1.3 mm |
| Đường kính rãnh sử dụng | 22 mm |
| Đường kính trong | 21.5 mm |
| Tiêu chuẩn | DIN 471 |
| Số lượng | 10 Cái/Bịch |
| Thương hiệu | MS-PRO |
| Trọng lượng tinh của sản phẩm | … kg |
| Mã eClass | … |
| Mã UNSPSC | … |
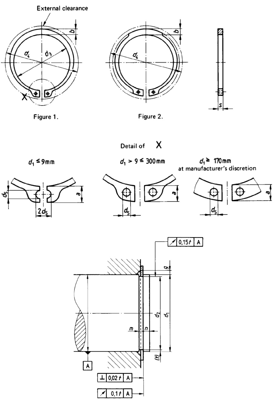
3. Cấu Tạo Chi Tiết Phe Gài Trục Inox 420 DIN471 D23x1.2
Phe gài trục Inox 420 được cấu thành từ các bộ phận chính, mỗi bộ phận đóng vai trò quan trọng trong việc đảm bảo chức năng định vị và độ bền:
Sơ đồ cấu tạo Phe Gài Trục DIN 471:
- Vòng phe: Là vòng đệm hình chữ C, được cắt rãnh để tạo độ đàn hồi, cho phép lắp đặt vào rãnh trên trục. Chức năng chính là tạo một “gờ” để giữ các chi tiết máy khác không bị trượt ra ngoài.
- Tai phe: Là hai phần đầu của vòng phe được uốn cong ra ngoài, có hai lỗ nhỏ. Đây là nơi để sử dụng kìm phe chuyên dụng khi lắp đặt hoặc tháo gỡ.
- Đường kính trong/ngoài: Các kích thước này được tính toán chuẩn xác để đảm bảo phe gài bám chặt vào rãnh trục, phù hợp với tiêu chuẩn DIN 471.
4. Phân Tích Chuyên Sâu: Vật Liệu Inox 420 và Tiêu Chuẩn DIN 471
Để thực sự hiểu giá trị của phe gài trục Inox 420, việc phân tích sâu hơn về hai yếu tố then chốt: “vật liệu Inox 420” và “tiêu chuẩn DIN 471” là rất quan trọng.
Vật liệu Inox 420:
- Thành phần và đặc tính: Inox 420 là một loại thép không gỉ mactenxit (Martensitic stainless steel). Nó chứa hàm lượng crom cao, giúp chống ăn mòn tốt hơn so với thép carbon thông thường. Điểm đặc biệt của loại vật liệu này là khả năng làm cứng sau khi xử lý nhiệt.
- Ưu điểm vượt trội: Nhờ khả năng làm cứng, phe gài Inox 420 có độ cứng và độ bền kéo rất cao, giúp nó chịu được lực tải dọc trục lớn mà không bị biến dạng. Khả năng chống ăn mòn của nó cũng giúp sản phẩm bền bỉ trong môi trường ẩm ướt hoặc hóa chất nhẹ.
- Hạn chế: Khả năng chống ăn mòn của Inox 420 không bằng các loại Inox austenitic (như 304, 316) trong môi trường hóa chất mạnh.
Tiêu chuẩn DIN 471:
- Ý nghĩa: DIN 471 là tiêu chuẩn của Đức quy định kích thước, vật liệu và yêu cầu kỹ thuật cho phe gài trục (External Circlips for Shafts).
- Tầm quan trọng: Tuân thủ DIN 471 đảm bảo rằng phe gài có kích thước chính xác, phù hợp với các rãnh trục tiêu chuẩn, giúp việc lắp đặt và tháo gỡ dễ dàng và an toàn. Nó cũng đảm bảo khả năng chịu tải và độ bền của phe gài.
- Lựa chọn phù hợp: Đối với phe gài trục D23x1.2, tiêu chuẩn DIN 471 đảm bảo sự tương thích hoàn hảo với các trục có đường kính 23mm, giúp tối ưu hóa chức năng định vị và bảo vệ các chi tiết máy.
Sự kết hợp giữa vật liệu Inox 420 và tiêu chuẩn DIN 471 giúp phe gài trục MS-PRO D23x1.2 trở thành một giải pháp định vị chắc chắn, đáng tin cậy cho các ứng dụng yêu cầu độ bền cao và khả năng chống ăn mòn.
5. Ưu và Nhược Điểm của Phe Gài Trục Inox 420
Phe gài trục Inox 420 được tin dùng nhờ hiệu suất và độ bền vượt trội. Tuy nhiên, việc lựa chọn tối ưu đòi hỏi phải hiểu rõ cả ưu điểm lẫn nhược điểm của nó.
Ưu điểm nổi bật:
- Độ cứng và độ bền cao: Nhờ vật liệu Inox 420 đã qua xử lý nhiệt, phe gài có độ cứng vượt trội, chịu được lực tải dọc trục lớn mà không bị biến dạng.
- Khả năng chống ăn mòn: Inox 420 có khả năng chống gỉ sét tốt, phù hợp với các ứng dụng trong môi trường ẩm ướt hoặc tiếp xúc với nước.
- Tuân thủ tiêu chuẩn: Sản phẩm được sản xuất theo tiêu chuẩn DIN 471, đảm bảo kích thước chính xác và khả năng tương thích hoàn hảo với các trục tiêu chuẩn.
- Dễ dàng lắp đặt và tháo gỡ: Thiết kế có hai lỗ tai phe giúp việc sử dụng kìm phe chuyên dụng trở nên nhanh chóng và an toàn, tiết kiệm thời gian bảo trì.
- Hiệu quả kinh tế: So với các giải pháp định vị phức tạp hơn, phe gài trục là một giải pháp đơn giản, hiệu quả và có chi phí thấp.
Nhược điểm cần lưu ý:
- Khả năng chống ăn mòn hạn chế: Mặc dù chống gỉ tốt, Inox 420 vẫn có thể bị ăn mòn trong môi trường hóa chất mạnh hoặc axit.
- Yêu cầu dụng cụ chuyên dụng: Cần có kìm phe chuyên dụng để lắp đặt và tháo gỡ một cách an toàn và hiệu quả.
- Không chịu được tải trọng va đập lớn: Trong các ứng dụng có lực va đập dọc trục quá lớn, phe gài có thể bị biến dạng hoặc gãy. Cần tính toán tải trọng kỹ lưỡng khi lựa chọn.
- Giá thành: Mức giá của phe gài Inox 420 có thể cao hơn so với loại làm từ thép carbon, nhưng đây là sự đầu tư xứng đáng cho độ bền và khả năng chống ăn mòn.
6. Ứng Dụng Thực Tế của Phe Gài Trục Inox 420 D23x1.2
Với kích thước tiêu chuẩn, khả năng chịu tải tốt và đặc tính chống ăn mòn, phe gài trục Inox 420 DIN471 D23x1.2 được ứng dụng rộng rãi trong nhiều lĩnh vực công nghiệp và dân dụng tại TP. Hồ Chí Minh và các khu công nghiệp lân cận, đặc biệt là những nơi yêu cầu độ bền và khả năng chống gỉ:
- Chế tạo máy móc và thiết bị công nghiệp: Dùng để định vị bạc đạn, bánh răng, puli trên các trục quay của máy bơm, động cơ, hộp số.
- Ngành ô tô, xe máy: Sử dụng trong các hệ thống truyền động, trục phanh, trục bánh xe để định vị các chi tiết.
- Ngành nông nghiệp: Phù hợp cho các thiết bị máy móc hoạt động trong môi trường ẩm ướt.
- Thiết bị y tế và thực phẩm: Nhờ vật liệu Inox 420, phe gài có thể sử dụng trong các môi trường yêu cầu vệ sinh cao, chống gỉ sét.
- Sửa chữa và bảo trì máy móc: Là linh kiện không thể thiếu trong các công việc bảo trì, thay thế các chi tiết trên trục.
- Lắp đặt các chi tiết trên trục: Đảm bảo các bộ phận như đĩa xích, khớp nối không bị dịch chuyển dọc trục.
7. Hướng Dẫn Lắp Đặt và Tháo Gỡ Phe Gài Trục
Để đảm bảo tuổi thọ và hiệu suất tối ưu cho phe gài trục Inox 420, việc lắp đặt và tháo gỡ đúng cách là vô cùng quan trọng. Luôn tuân thủ các nguyên tắc an toàn và kỹ thuật. Mecsu cung cấp hướng dẫn chi tiết dựa trên kinh nghiệm thực tế:
- Chuẩn bị: Đảm bảo môi trường làm việc sạch sẽ, khô ráo. Chuẩn bị kìm phe gài trục chuyên dụng có kích thước phù hợp. Luôn đeo găng tay bảo hộ và kính bảo hộ để đảm bảo an toàn. Kiểm tra rãnh trên trục phải sạch sẽ, không có ba via, rỉ sét và đúng kích thước.
- Lắp đặt:
- Sử dụng kìm phe gài: Đưa hai đầu kìm vào hai lỗ tai phe. Bóp kìm để mở rộng vòng phe, sau đó cẩn thận trượt phe vào vị trí rãnh trên trục.
- Kiểm tra sau lắp đặt: Đảm bảo phe gài đã được lắp khít hoàn toàn vào rãnh trên trục và không có dấu hiệu bị kẹt hoặc cong vênh.
- Lưu ý: Tuyệt đối tránh dùng lực cơ học (búa, kìm thông thường) để cố gắng gài phe vào rãnh, việc này có thể làm biến dạng hoặc gãy phe, gây nguy hiểm và giảm khả năng định vị.
- Tháo gỡ:
- Sử dụng kìm phe gài trục chuyên dụng, đưa hai đầu kìm vào hai lỗ tai phe. Bóp kìm để mở rộng vòng phe và nhẹ nhàng trượt phe ra khỏi rãnh trên trục.
- Nếu phe gài đã bị rỉ sét hoặc kẹt, cần vệ sinh sạch sẽ trước khi tháo.
- Bảo quản: Nếu không sử dụng ngay, hãy giữ phe gài trong bao bì gốc, ở nơi khô ráo, thoáng mát, tránh ánh nắng trực tiếp và các hóa chất ăn mòn để ngăn ngừa rỉ sét.
8. So Sánh Phe Gài Trục DIN 471 và Phe Gài Lỗ DIN 472
Việc hiểu rõ sự khác biệt giữa các loại phe gài sẽ giúp bạn lựa chọn sản phẩm phù hợp nhất cho ứng dụng của mình, tối ưu hóa hiệu suất và chi phí đầu tư:
| Tiêu chí | Phe Gài Trục (DIN 471) | Phe Gài Lỗ (DIN 472) |
|---|---|---|
| Ứng dụng | Dùng để lắp vào rãnh trên trục | Dùng để lắp vào rãnh bên trong lỗ (housing) |
| Nguyên lý hoạt động | Lắp vào trục, khi bóp kìm phe sẽ mở rộng ra | Lắp vào lỗ, khi bóp kìm phe sẽ co lại |
| Mục đích | Hạn chế chuyển động dọc trục của các chi tiết lắp trên trục | Hạn chế chuyển động dọc trục của các chi tiết lắp trong lỗ |
| Hình dạng | Vòng ngoài mở | Vòng trong co |
| Ví dụ | Định vị bạc đạn trên trục | Định vị bạc đạn trong gối đỡ |
9. Cách Phân Biệt Phe Gài Trục MS-PRO Thật – Giả – Lời Khuyên Từ Chuyên Gia Mecsu
Thị trường hiện nay có rất nhiều hàng giả, hàng nhái kém chất lượng, đặc biệt là với các sản phẩm phe gài chính hãng được ưa chuộng. Để đảm bảo bạn mua được phe gài trục MS-PRO chính hãng tại TP.HCM, Mecsu khuyến nghị kiểm tra các dấu hiệu sau:
a. Dấu hiệu của phe gài trục MS-PRO chính hãng:
- Bao bì chất lượng cao: Sắc nét, đầy đủ thông tin sản phẩm, mã vạch/QR code và thông tin xuất xứ. Bạn sẽ thấy sự tỉ mỉ trong từng chi tiết.
- Độ hoàn thiện cao: Phe gài được sản xuất từ vật liệu chất lượng cao, bề mặt sáng, không có dấu hiệu rỉ sét, ba via hoặc móp méo.
- Kích thước chuẩn xác: Kích thước đường kính, độ dày, và bề rộng rãnh hoàn toàn khớp với thông số kỹ thuật, đảm bảo lắp đặt dễ dàng và chắc chắn.
- Độ đàn hồi tốt: Phe gài chính hãng có độ đàn hồi lý tưởng, không quá cứng cũng không quá lỏng, giúp việc lắp đặt và tháo gỡ an toàn, hiệu quả.
- Chứng từ đầy đủ: Nhà cung cấp uy tín sẽ cung cấp đầy đủ chứng từ xuất xứ và chất lượng, đảm bảo nguồn gốc và chất lượng sản phẩm.
b. Dấu hiệu của phe gài trục MS-PRO hàng giả/nhái:
- In ấn mờ nhạt, sai chính tả, font chữ lạ, thông tin thiếu hoặc không chính xác trên bao bì.
- Bề mặt sản phẩm thô, có nhiều ba via, rỉ sét hoặc được làm từ vật liệu kém chất lượng, dễ bị biến dạng.
- Kích thước không chuẩn, gây khó khăn khi lắp đặt hoặc lắp vào bị lỏng lẻo, không đảm bảo chức năng định vị.
- Độ đàn hồi kém, có thể quá cứng khiến phe dễ gãy hoặc quá lỏng khiến phe bị trượt.
- Giá bán rẻ bất thường so với mức giá thị trường của sản phẩm chính hãng – đây là dấu hiệu cảnh báo lớn nhất.
10. Giá Bán & Gợi Ý Mua Phe Gài Trục Chính Hãng Tại TP.HCM
a. Giá phe gài trục Inox 420 (TP.Hồ Chí Minh) tại Mecsu: Giá: 36,863 đ/ Bịch (đã có VAT) – Giá hợp lý, phù hợp với chất lượng sản phẩm chính hãng
Liên hệ để nhận báo giá tốt nhất (giá có thể thay đổi tùy thời điểm và số lượng) – mức giá hợp lý, phù hợp với chất lượng sản phẩm chính hãng MS-PRO tại thị trường linh kiện cơ khí TP.HCM.
b. Gợi ý mua phe gài chính hãng MS-PRO uy tín
- Chọn nhà cung cấp uy tín tại TP.HCM: Ưu tiên đối tác có chứng nhận hoặc đơn vị lâu năm, được nhiều khách hàng tin tưởng và có danh tiếng trên thị trường cung cấp linh kiện cơ khí tại TP.HCM.
- Kiểm tra chứng từ đầy đủ: Luôn yêu cầu đầy đủ chứng từ xuất xứ và chất lượng để đảm bảo nguồn gốc và chất lượng sản phẩm. Điều này giúp bạn tránh mua phải “phe gài giả” trên thị trường.
- Mua tại Mecsu – Đại lý ủy quyền MS-PRO tại Việt Nam: Mecsu tự hào là nhà phân phối chính hãng MS-PRO tại Việt Nam, cam kết cung cấp “phe gài trục Inox 420 chính hãng” và các loại “phe gài khác” với nhiều lợi ích vượt trội:
- 100% sản phẩm chính hãng: Đảm bảo nguồn gốc rõ ràng, đầy đủ chứng từ. Chúng tôi cam kết hoàn tiền 100% hoặc đổi trả nếu sản phẩm không phải chính hãng.
- Chính sách bảo hành minh bạch: Hỗ trợ đổi trả nếu có lỗi từ nhà sản xuất, mang lại sự an tâm tuyệt đối cho khách hàng.
- Hỗ trợ kỹ thuật chuyên sâu: Đội ngũ kỹ sư giàu kinh nghiệm sẵn sàng hỗ trợ bạn về kỹ thuật và lựa chọn sản phẩm phù hợp nhất cho mọi ứng dụng.
- Giá cả cạnh tranh: Đảm bảo mức giá tốt nhất đi kèm chất lượng, với chính sách chiết khấu hấp dẫn cho đơn hàng số lượng lớn, đặc biệt khi “mua phe gài số lượng lớn”.
MUA THÊM NHIỀU LOẠI PHE GÀI CHÍNH HÃNG KHÁC TẠI MECSU
11. FAQ về Phe Gài Trục Inox 420
a. Phe gài trục Inox 420 có cần bảo dưỡng không?
Phe gài trục Inox 420 là một linh kiện cơ khí đơn giản, không yêu cầu bảo dưỡng định kỳ. Tuy nhiên, bạn nên kiểm tra định kỳ để đảm bảo phe không bị biến dạng, rỉ sét quá mức hoặc trượt khỏi rãnh. Nếu phát hiện các dấu hiệu hư hỏng, cần thay thế ngay lập tức.
b. Phe gài trục Inox 420 khác gì so với phe gài trục bằng thép carbon?
Phe gài trục Inox 420 có khả năng chống ăn mòn vượt trội hơn so với thép carbon, đặc biệt trong môi trường ẩm ướt. Tuy nhiên, nó có thể có giá thành cao hơn. Lựa chọn vật liệu phù hợp tùy thuộc vào môi trường làm việc của ứng dụng.
c. Phe gài trục D23x1.2 có dùng cho trục 22mm được không?
Không. Phe gài trục D23x1.2 được thiết kế để sử dụng cho trục có đường kính 23mm theo tiêu chuẩn DIN 471. Việc sử dụng sai kích thước có thể làm hỏng phe hoặc trục, và không đảm bảo khả năng định vị.
d. Làm sao biết phe gài trục MS-PRO của tôi là hàng chính hãng?
Bạn nên mua từ nhà phân phối uy tín (như Mecsu), kiểm tra bao bì và chất lượng hoàn thiện của sản phẩm. Sản phẩm chính hãng có bề mặt nhẵn mịn, kích thước chuẩn xác và độ đàn hồi tốt. Hãy yêu cầu đầy đủ chứng từ xuất xứ để đảm bảo nguồn gốc.
e. Khi nào cần thay thế phe gài trục?
Bạn nên thay thế phe gài khi nhận thấy các dấu hiệu sau:
- Biến dạng vật lý: Phe bị cong vênh, móp méo hoặc có dấu hiệu hư hại rõ rệt.
- Rỉ sét nghiêm trọng: Lớp rỉ sét quá nhiều làm giảm độ bền và khả năng chịu tải của phe.
Kinh nghiệm từ các kỹ sư Mecsu: Phe gài bị biến dạng dù chỉ một chút cũng có thể ảnh hưởng nghiêm trọng đến khả năng định vị và gây hư hại cho các chi tiết khác trong hệ thống. Việc kiểm tra định kỳ và thay thế kịp thời là vô cùng quan trọng. Đừng ngần ngại liên hệ chúng tôi để được hỗ trợ kỹ thuật về lắp đặt và thay thế phe gài kịp thời.
f. Mua phe gài trục MS-PRO chính hãng, uy tín ở đâu tại TP.HCM?
Mua phe gài trục MS-PRO chính hãng và đảm bảo chất lượng tại TP.HCM, bạn hãy liên hệ ngay với Mecsu. Chúng tôi tự hào là nhà cung cấp uy tín, chuyên phân phối các sản phẩm linh kiện cơ khí chính hãng tại Việt Nam.
- Cam kết chất lượng: 100% sản phẩm có nguồn gốc rõ ràng, đầy đủ chứng từ. Chúng tôi cam kết hoàn tiền 100% hoặc đổi trả nếu sản phẩm không phải chính hãng.
- Giá cả cạnh tranh: Đảm bảo mức giá tốt nhất đi kèm chất lượng, với chính sách chiết khấu hấp dẫn cho đơn hàng số lượng lớn.
- Tư vấn chuyên sâu: Đội ngũ kỹ sư giàu kinh nghiệm sẵn sàng hỗ trợ bạn về kỹ thuật và lựa chọn sản phẩm phù hợp nhất.
- Chính sách hậu mãi: Đảm bảo quyền lợi tối đa cho khách hàng với dịch vụ hỗ trợ nhanh chóng, tận tâm.
12. Liên Hệ và Hỗ Trợ Tư Vấn Mua Phe Gài
Nếu bạn có bất kỳ thắc mắc nào về phe gài trục Inox 420 hoặc cần tư vấn về giải pháp định vị cho ứng dụng cụ thể của mình, đừng ngần ngại liên hệ với đội ngũ chuyên gia của Mecsu. Chúng tôi luôn sẵn lòng hỗ trợ bạn tìm ra sản phẩm phù hợp và tối ưu nhất, đồng thời cung cấp những kiến thức độc quyền về kỹ thuật lắp đặt và bảo trì linh kiện cơ khí mà bạn khó tìm thấy ở nơi khác.
Địa chỉ: B28/I – B29/I Đường số 2B, KCN Vĩnh Lộc, P. Bình Hưng Hòa B, Q. Bình Tân, TP.HCM
Hotline: 1800 8137
Email: [email protected]
Website: mecsu.vn
13. Thông Tin Bổ Sung & Kinh Nghiệm Thực Tế Từ Mecsu
a. Kinh Nghiệm Thực Tế & Câu Chuyện Thành Công
Tại Mecsu, chúng tôi tự hào là đối tác tin cậy của nhiều doanh nghiệp trong việc cung cấp các giải pháp linh kiện cơ khí chất lượng cao. Phe gài trục Inox 420 DIN471 D23x1.2, với đặc tính chịu tải tốt và khả năng chống ăn mòn, đã được ứng dụng trong nhiều dự án quan trọng của khách hàng chúng tôi tại TP. Hồ Chí Minh và các tỉnh lân cận, mang lại hiệu quả vượt trội và là minh chứng cho chất lượng sản phẩm cùng kinh nghiệm thực tế của đội ngũ Mecsu:
- Ngành chế tạo máy móc: Chúng tôi đã cung cấp “phe gài trục Inox 420” cho một nhà sản xuất máy bơm lớn tại Đồng Nai. Nhờ khả năng định vị chắc chắn và chống gỉ, phe gài này đã góp phần đáng kể vào việc nâng cao hiệu suất và độ tin cậy của máy bơm, đồng thời giảm thiểu chi phí bảo trì cho khách hàng.
- Lĩnh vực thiết bị nông nghiệp: Phe gài trục Inox 420 được lựa chọn cho các ứng dụng máy móc hoạt động trong môi trường ẩm ướt và bùn đất. Độ tin cậy vượt trội của “phe gài MS-PRO chính hãng” đã giúp máy móc hoạt động ổn định trong thời gian dài, ngay cả trong điều kiện làm việc khắc nghiệt.
- Thiết bị y tế: Một khách hàng chuyên sản xuất thiết bị y tế đã ứng dụng “phe gài trục D23x1.2” vào các bộ phận trục quay chính. Khả năng chống ăn mòn của vật liệu Inox 420 và độ bền của phe đã giúp máy móc hoạt động ổn định và đáp ứng các tiêu chuẩn vệ sinh khắt khe.
b. Trích Dẫn Chuyên Gia
““Phe gài trục Inox 420 DIN471” là một lựa chọn tuyệt vời cho các ứng dụng công nghiệp cần sự cân bằng hoàn hảo giữa khả năng chịu tải, độ bền và mức độ chống ăn mòn. Vật liệu Inox 420 đã qua xử lý nhiệt mang lại lợi thế về độ cứng, rất phù hợp cho những hệ thống mà lực dọc trục là yếu tố then chốt, đồng thời vẫn cung cấp một mức độ bảo vệ nhất định cho phe khỏi các tác nhân môi trường. Đây là giải pháp đáng tin cậy và hiệu quả cho nhiều loại máy móc trong môi trường công nghiệp.”
— “Kỹ sư cơ khí Chuyên gia kỹ thuật Mecsu” (TP. Hồ Chí Minh) – Với hơn 10 năm kinh nghiệm trong lĩnh vực “linh kiện cơ khí công nghiệp”.
c. Tài Liệu Tham Khảo và Nghiên Cứu
Nội dung bài viết này được biên soạn dựa trên các tài liệu kỹ thuật chính thức và đáng tin cậy từ MS-PRO, cùng với kinh nghiệm thực tế chuyên sâu của đội ngũ kỹ sư Mecsu, đảm bảo tính chính xác, cập nhật và chuyên môn cao:
- MS-PRO Product Catalog (Danh mục sản phẩm MS-PRO chính thức) – Nguồn dữ liệu kỹ thuật chi tiết nhất về “phe gài MS-PRO”.
- Tài liệu tiêu chuẩn kỹ thuật DIN 471 – Cung cấp cái nhìn toàn diện về các yêu cầu kỹ thuật của phe gài trục.
- Bảng dữ liệu kỹ thuật (Datasheet) chi tiết của Phe Gài Trục Inox 420 – Nguồn thông số kỹ thuật chính xác.
- Trải nghiệm thực tế và phản hồi từ các dự án khách hàng của Mecsu – “Dữ liệu độc nhất” được thu thập từ hơn 10 năm cung cấp “linh kiện cơ khí” và “giải pháp phe gài” cho các doanh nghiệp tại Việt Nam.
Biên soạn bởi: Đội ngũ Kỹ sư Mecsu
Với hơn 10 năm kinh nghiệm chuyên sâu trong lĩnh vực phân phối và tư vấn giải pháp linh kiện cơ khí, đội ngũ kỹ sư của Mecsu cam kết mang đến những thông tin chính xác, cập nhật và hữu ích nhất, giúp quý khách hàng đưa ra lựa chọn sản phẩm tối ưu cho mọi ứng dụng.
(Xem thêm thông tin về chúng tôi tại Website Mecsu)
Lưu ý: Hình ảnh sản phẩm có thể khác biệt so với thực tế tùy theo lô sản xuất của MS-PRO. Vui lòng tham khảo thông số kỹ thuật chi tiết hoặc liên hệ Mecsu để có thông tin chính xác nhất về sản phẩm.



















Đánh giá
Chưa có đánh giá nào.