Mô tả sản phẩm
Thông tin CHUYÊN SÂU về Phe Gài Trục Inox 420 DIN471 D24x1.2
Mục Lục
- 1. Phe Gài Trục Inox 420 DIN471 Là Gì? – Giải Thích Chuyên Sâu
- 2. Thông Số Kỹ Thuật Chi Tiết của Phe Gài Trục Inox 420 D24x1.2
- 3. Cấu Tạo Chi Tiết Phe Gài Trục DIN471
- 4. Phân Tích Chuyên Sâu: Vật Liệu Inox 420 và Tiêu Chuẩn DIN471
- 5. Ưu và Nhược Điểm của Phe Gài Trục D24x1.2
- 6. Ứng Dụng Thực Tế của Phe Gài Trục Inox 420
- 7. Hướng Dẫn Lắp Đặt và Tháo Gỡ Phe Gài Trục
- 8. So Sánh Phe Gài Trục với Phe Gài Lỗ và các vật liệu khác
- 9. Cách Phân Biệt Phe Gài Trục Inox 420 Thật – Giả – Lời Khuyên Từ Chuyên Gia Mecsu
- 10. Giá Bán & Gợi Ý Mua Phe Gài Trục Inox 420 Chính Hãng Tại TP.HCM
- 11. FAQ về Phe Gài Trục Inox 420
- 12. Liên Hệ và Hỗ Trợ Tư Vấn Mua Phe Gài
- 13. Thông Tin Bổ Sung & Kinh Nghiệm Thực Tế Từ Mecsu
1. Phe Gài Trục Inox 420 DIN471 Là Gì? – Giải Thích Chuyên Sâu
Phe gài trục (còn gọi là vòng chặn trục, vòng seger ngoài) Inox 420 DIN471 D24x1.2 là một loại phụ kiện cơ khí chuyên dụng, được thiết kế để định vị và giữ chặt các chi tiết máy trên trục. Mã “D24” là ký hiệu kích thước, với đường kính danh nghĩa (đường kính trục) là 24mm và bề dày 1.2mm. Hậu tố “DIN471” chỉ ra rằng sản phẩm được sản xuất theo tiêu chuẩn chất lượng của Đức, đảm bảo độ chính xác và khả năng chịu lực.
Vật liệu Inox 420 là một loại thép không gỉ mactenxit với hàm lượng crom cao, mang lại khả năng chống ăn mòn tốt ở điều kiện thường và đặc biệt là độ cứng sau khi nhiệt luyện. Điều này làm cho phe gài trục Inox 420 lý tưởng cho các ứng dụng đòi hỏi độ bền cao, chịu mài mòn và chống gỉ sét, chẳng hạn như trong môi trường ẩm ướt hoặc có hóa chất nhẹ.
2. Thông Số Kỹ Thuật Chi Tiết của Phe Gài Trục Inox 420 D24x1.2
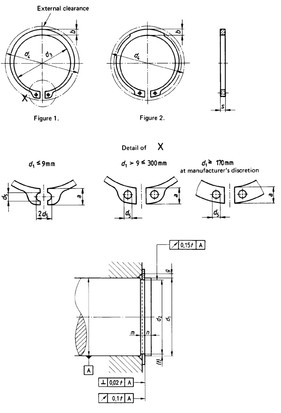
d: Đường kính danh nghĩa (đường kính trục)
s: Độ dày
b: Chiều rộng rãnh
d3: Đường kính ngoài
d2: Đường kính trong
fn: Lực ép dọc trục
| Thông số | Giá trị |
|---|---|
| Mã sản phẩm | DIN471 D24x1.2 |
| Loại phe gài | Phe gài trục (External Retaining Ring) |
| Dùng cho trục | 24 mm |
| Độ dày (s) | 1.2 mm |
| Bề rộng rãnh sử dụng | 1.3 mm |
| Đường kính rãnh sử dụng | 22.9 mm |
| Đường kính trong | 22.2 mm |
| Vật liệu | Inox 420 (DIN 1.4021) |
| Độ cứng | 45 – 55 HRC (sau khi nhiệt luyện) |
| Tiêu chuẩn sản xuất | DIN 471 |
| Bề mặt | Xử lý nhiệt, được tôi luyện |
| Khả năng chống ăn mòn | Tốt ở môi trường thường và hóa chất nhẹ |
| Trọng lượng tinh của sản phẩm | ~20 g |
| Mã eClass | 23-05-08-01 |
| Mã UNSPSC | 31171504 |
3. Cấu Tạo Chi Tiết Phe Gài Trục DIN471
Phe gài trục DIN471 D24x1.2 có cấu tạo đơn giản nhưng đóng vai trò cực kỳ quan trọng trong việc định vị và cố định các chi tiết máy:
Sơ đồ cấu tạo Phe Gài Trục DIN471:
- Thân phe: Là một vòng tròn hở được chế tạo từ thép tấm Inox 420, với thiết kế cong nhẹ để tạo lực đàn hồi.
- Tai phe: Hai đầu của phe được bẻ cong ra ngoài, tạo thành hai lỗ nhỏ. Đây là điểm để kìm chuyên dụng kẹp vào khi lắp đặt hoặc tháo gỡ.
- Rãnh gài: Khe hở nhỏ ở giữa phe, giúp phe có thể giãn ra để lắp vào hoặc tháo ra khỏi rãnh trên trục.
4. Phân Tích Chuyên Sâu: Vật Liệu Inox 420 và Tiêu Chuẩn DIN471
Để thực sự hiểu giá trị của phe gài trục Inox 420 DIN471, việc phân tích sâu hơn về hai yếu tố then chốt: “vật liệu Inox 420” và “tiêu chuẩn DIN471” là rất quan trọng.
Vật liệu “Inox 420” – Thép không gỉ mactenxit:
- Thành phần chính: Inox 420 chứa khoảng 12-14% Crom, mang lại khả năng chống ăn mòn. Quan trọng hơn, nó có hàm lượng carbon tương đối cao, cho phép vật liệu có thể được xử lý nhiệt (tôi, ram) để đạt độ cứng rất cao.
- Đặc điểm nổi bật: Sau khi được xử lý nhiệt, Inox 420 đạt độ cứng lên tới 45-55 HRC. Điều này giúp phe gài có khả năng chịu lực cắt, chịu mài mòn và chịu tải trọng dọc trục cực tốt.
- Ưu điểm vượt trội: Sự kết hợp giữa khả năng chống gỉ (tốt ở môi trường thường) và độ cứng cao làm cho Inox 420 lý tưởng cho các ứng dụng trong môi trường ẩm ướt hoặc có thể bị mài mòn do ma sát.
- Hạn chế: Khả năng chống ăn mòn của Inox 420 kém hơn so với các loại Inox Austenit như 304 hay 316, đặc biệt trong môi trường hóa chất mạnh hoặc nước biển.
Tiêu chuẩn “DIN471” (Tiêu chuẩn Đức):
- Ý nghĩa: DIN471 là tiêu chuẩn quốc tế quy định kích thước, vật liệu và dung sai cho vòng chặn trục (circlip for shafts).
- Tầm quan trọng: Khi một sản phẩm được sản xuất theo DIN471, nó đảm bảo rằng phe gài sẽ có các thông số kỹ thuật chính xác, phù hợp với rãnh được thiết kế theo tiêu chuẩn tương ứng. Điều này mang lại sự tương thích và hiệu suất ổn định.
- Lựa chọn phù hợp: Tiêu chuẩn DIN471 đảm bảo rằng phe gài D24x1.2 sẽ vừa khít với rãnh trên trục có đường kính 24mm, giúp các chi tiết máy được định vị chính xác và an toàn.
Sự kết hợp giữa vật liệu “Inox 420” và tiêu chuẩn “DIN471” giúp phe gài trục này trở thành một giải pháp đáng tin cậy, bền bỉ và chính xác cho nhiều ứng dụng công nghiệp, từ máy móc sản xuất đến các thiết bị điện tử.
5. Ưu và Nhược Điểm của Phe Gài Trục D24x1.2
Phe gài trục Inox 420 DIN471 D24x1.2 được tin dùng nhờ hiệu suất và độ bền vượt trội. Tuy nhiên, việc lựa chọn tối ưu đòi hỏi phải hiểu rõ cả ưu điểm lẫn nhược điểm của nó.
Ưu điểm nổi bật:
- Độ cứng và chịu lực cao: Vật liệu Inox 420 sau khi xử lý nhiệt đạt độ cứng vượt trội, giúp phe gài chịu được tải trọng dọc trục và lực cắt lớn, đảm bảo các chi tiết được cố định chắc chắn.
- Khả năng chống gỉ: Mặc dù không chống ăn mòn bằng Inox 304, Inox 420 vẫn có khả năng chống gỉ tốt trong môi trường khô ráo, ẩm ướt thông thường, kéo dài tuổi thọ sản phẩm.
- Độ chính xác cao: Sản xuất theo tiêu chuẩn DIN471, phe gài có kích thước và dung sai chính xác, đảm bảo lắp đặt vừa vặn và an toàn trên các rãnh tiêu chuẩn.
- Độ bền và tuổi thọ: Nhờ vật liệu và quy trình sản xuất chất lượng, phe gài có độ bền cao, không dễ bị biến dạng hay gãy vỡ trong quá trình làm việc.
- Linh hoạt và dễ sử dụng: Thiết kế đơn giản, dễ dàng lắp đặt và tháo gỡ bằng kìm phe gài chuyên dụng.
Nhược điểm cần lưu ý:
- Chống ăn mòn hạn chế: Khả năng chống ăn mòn của Inox 420 không cao bằng Inox 304 hoặc 316, không phù hợp cho các ứng dụng trong môi trường hóa chất mạnh, nước mặn hoặc môi trường ăn mòn cao.
- Giá thành: Mức giá của phe gài Inox 420 có thể cao hơn so với các loại phe gài làm từ thép carbon thông thường do đặc tính vật liệu.
6. Ứng Dụng Thực Tế của Phe Gài Trục Inox 420
Với kích thước tiêu chuẩn, khả năng chịu lực tốt và đặc tính chống gỉ, phe gài trục Inox 420 DIN471 D24x1.2 được ứng dụng rộng rãi trong nhiều lĩnh vực công nghiệp và dân dụng tại TP. Hồ Chí Minh và các khu công nghiệp lân cận, đặc biệt là những nơi yêu cầu độ bền và khả năng chống ăn mòn cơ bản:
- Sản xuất máy móc công nghiệp: Dùng để định vị các chi tiết như bánh răng, vòng bi, puli trên trục của hộp số, động cơ, máy nén khí.
- Thiết bị y tế và dược phẩm: Nơi yêu cầu các chi tiết có khả năng chống gỉ, đảm bảo vệ sinh và độ bền cao.
- Hệ thống thủy lực và khí nén: Dùng để cố định piston hoặc các chi tiết trên trục trong van, xy lanh.
- Công nghiệp ô tô, xe máy: Sử dụng trên trục bánh xe, trục truyền động, trục khuỷu.
- Thiết bị gia dụng và điện tử: Định vị các chi tiết nhỏ trong máy giặt, máy hút bụi công nghiệp.
- Ngành xây dựng: Ứng dụng trong các thiết bị cơ khí, máy bơm nước, quạt công nghiệp.
7. Hướng Dẫn Lắp Đặt và Tháo Gỡ Phe Gài Trục
Để đảm bảo hiệu suất và độ bền tối ưu cho phe gài trục Inox 420, việc lắp đặt và tháo gỡ đúng cách là vô cùng quan trọng. Luôn tuân thủ các nguyên tắc an toàn và sử dụng dụng cụ chuyên dụng. Mecsu cung cấp hướng dẫn chi tiết dựa trên kinh nghiệm thực tế:
- Chuẩn bị: Đảm bảo môi trường làm việc sạch sẽ. Chuẩn bị kìm phe gài trục (External Circlip Pliers) có đầu phù hợp với đường kính lỗ trên tai phe. Luôn đeo găng tay bảo hộ và kính bảo hộ để đảm bảo an toàn. Kiểm tra rãnh trên trục phải sạch sẽ, không có ba via, rỉ sét và đảm bảo đúng dung sai.
- Lắp đặt:
- Sử dụng kìm phe gài, kẹp chặt hai đầu tai phe và bóp nhẹ để phe giãn ra.
- Từ từ đưa phe vào trên trục, đảm bảo phe nằm thẳng hàng với rãnh.
- Thả nhẹ kìm, để phe co lại và nằm khít vào rãnh. Dùng tay hoặc dụng cụ nhỏ đẩy nhẹ để chắc chắn phe đã vào đúng vị trí.
- Tháo gỡ:
- Sử dụng kìm phe gài, kẹp chặt hai đầu tai phe và bóp nhẹ để phe giãn ra, tách ra khỏi rãnh.
- Từ từ rút phe ra khỏi trục. Tránh dùng lực quá mạnh hoặc dụng cụ không chuyên dụng vì có thể làm hỏng phe hoặc rãnh.
- Lưu ý:
- Không sử dụng búa hoặc các dụng cụ không chuyên dụng để lắp/tháo phe, điều này có thể làm biến dạng phe và gây hỏng rãnh.
- Nếu phe bị cong vênh hoặc biến dạng trong quá trình tháo, nên thay thế bằng phe mới để đảm bảo an toàn và hiệu suất.
- Bảo quản: Nếu không sử dụng ngay, hãy giữ phe gài trong bao bì gốc của nhà sản xuất, ở nơi khô ráo, thoáng mát, tránh ánh nắng trực tiếp và các hóa chất ăn mòn để ngăn ngừa rỉ sét và bụi bẩn xâm nhập.
8. So Sánh Phe Gài Trục với Phe Gài Lỗ và các vật liệu khác
Việc hiểu rõ sự khác biệt giữa các loại phe gài sẽ giúp bạn lựa chọn sản phẩm phù hợp nhất cho ứng dụng của mình, tối ưu hóa hiệu suất và chi phí đầu tư:
| Tiêu chí | Phe Gài Trục (External) | Phe Gài Lỗ (Internal) | Phe Gài Thép Carbon | Phe Gài Inox 304 |
|---|---|---|---|---|
| Hình dạng | Lắp vào trục, có tai bẻ ra ngoài | Lắp vào lỗ, có tai bẻ vào trong | Hình dạng tương tự | Hình dạng tương tự |
| Vị trí lắp đặt | Bên ngoài trục | Bên trong lỗ khoan | Trong lỗ/trên trục | Trong lỗ/trên trục |
| Đặc tính vật liệu | Inox 420: độ cứng cao, chống ăn mòn khá | Inox 420: độ cứng cao, chống ăn mòn khá | Độ cứng cao, dễ bị gỉ sét, giá rẻ | Độ cứng trung bình, chống ăn mòn cực tốt |
| Khả năng chịu tải | Rất tốt (nhờ độ cứng của Inox 420) | Rất tốt (nhờ độ cứng của Inox 420) | Tốt | Tốt |
| Giá thành | Trung bình – cao | Trung bình – cao | Thấp nhất | Cao nhất |
| Ứng dụng điển hình | Định vị chi tiết trên trục của máy bơm, motor | Định vị chi tiết trong lỗ của hộp số, xi lanh | Môi trường khô ráo, không yêu cầu chống gỉ | Môi trường ẩm ướt, hóa chất nhẹ, thực phẩm |
9. Cách Phân Biệt Phe Gài Trục Inox 420 Thật – Giả – Lời Khuyên Từ Chuyên Gia Mecsu
Thị trường hiện nay có rất nhiều hàng giả, hàng nhái kém chất lượng, đặc biệt là với các sản phẩm phe gài chính hãng được ưa chuộng. Để đảm bảo bạn mua được phe gài trục Inox 420 chính hãng tại TP.HCM, Mecsu khuyến nghị kiểm tra các dấu hiệu sau:
a. Dấu hiệu của phe gài trục inox 420 chính hãng:
- Hoàn thiện bề mặt: Bề mặt phe gài nhẵn, sáng bóng do được xử lý nhiệt và tôi luyện chuyên nghiệp. Không có dấu hiệu rỉ sét, ba via hoặc vết cắt thô.
- Độ đàn hồi: Phe gài chất lượng cao có độ đàn hồi tốt, khi dùng kìm bóp vào và nhả ra, nó sẽ trở về hình dạng ban đầu một cách nhanh chóng và chính xác. Phe gài giả thường mềm hơn, dễ bị biến dạng.
- Thông số kỹ thuật chính xác: Đường kính trong và độ dày đúng chuẩn theo mã sản phẩm (D24, s1.2). Sai số cực nhỏ, đảm bảo lắp đặt vừa khít.
- Chứng từ đầy đủ: Nhà cung cấp uy tín sẽ cung cấp đầy đủ chứng từ xuất xứ (CO) và chất lượng (CQ) của sản phẩm.
- Khả năng chống gỉ: Khi thử nghiệm trong môi trường ẩm, phe gài chính hãng làm từ Inox 420 sẽ có khả năng chống gỉ tốt hơn hẳn so với phe gài thép carbon kém chất lượng.
b. Dấu hiệu của phe gài trục inox 420 hàng giả/nhái:
- Bề mặt thô, có nhiều vết cắt, ba via, thậm chí có dấu hiệu rỉ sét ngay từ ban đầu.
- Độ đàn hồi kém, dễ bị cong, gãy khi lắp đặt hoặc tháo gỡ.
- Kích thước không chính xác, gây khó khăn khi lắp đặt hoặc không thể định vị chi tiết một cách chắc chắn.
- Giá bán rẻ bất thường so với mức giá thị trường của sản phẩm chính hãng – đây là dấu hiệu cảnh báo lớn nhất.
10. Giá Bán & Gợi Ý Mua Phe Gài Trục Inox 420 Chính Hãng Tại TP.HCM
a. Giá phe gài trục Inox 420 (TP.Hồ Chí Minh) tại Mecsu: Giá: 2,340 đ / Cái (đã có VAT) – Giá hợp lý, phù hợp với chất lượng sản phẩm chính hãng
Liên hệ để nhận báo giá tốt nhất (giá có thể thay đổi tùy thời điểm và số lượng) – mức giá hợp lý, phù hợp với chất lượng sản phẩm chính hãng tại thị trường linh kiện cơ khí TP.HCM.
b. Gợi ý mua phe gài chính hãng uy tín
- Chọn nhà cung cấp uy tín tại TP.HCM: Ưu tiên đối tác có chứng nhận hoặc đơn vị lâu năm, được nhiều khách hàng tin tưởng và có danh tiếng trên thị trường cung cấp linh kiện cơ khí tại TP.HCM.
- Kiểm tra chứng từ đầy đủ: Luôn yêu cầu đầy đủ chứng nhận xuất xứ (CO) và chất lượng (CQ) để đảm bảo nguồn gốc và chất lượng sản phẩm.
- Mua tại Mecsu – Đại lý ủy quyền chính hãng tại Việt Nam: Mecsu tự hào là nhà phân phối chính hãng các sản phẩm phe gài, cam kết cung cấp “phe gài trục Inox 420 chính hãng” và các loại “linh kiện cơ khí khác” với nhiều lợi ích vượt trội:
- 100% sản phẩm chính hãng: Đảm bảo nguồn gốc rõ ràng, đầy đủ chứng từ. Chúng tôi cam kết hoàn tiền 100% hoặc đổi trả nếu sản phẩm không phải chính hãng.
- Chính sách bảo hành minh bạch: Hỗ trợ đổi trả nếu có lỗi từ nhà sản xuất, mang lại sự an tâm tuyệt đối cho khách hàng.
- Hỗ trợ kỹ thuật chuyên sâu: Đội ngũ kỹ sư giàu kinh nghiệm sẵn sàng hỗ trợ bạn về kỹ thuật và lựa chọn sản phẩm phù hợp nhất cho mọi ứng dụng.
- Giá cả cạnh tranh: Đảm bảo mức giá tốt nhất đi kèm chất lượng, với chính sách chiết khấu hấp dẫn cho đơn hàng số lượng lớn, đặc biệt khi “mua phe gài số lượng lớn”.
MUA THÊM NHIỀU LOẠI PHE GÀI CHÍNH HÃNG KHÁC TẠI MECSU
11. FAQ về Phe Gài Trục Inox 420
a. Phe gài trục Inox 420 có cần bảo dưỡng không?
Phe gài trục Inox 420 có khả năng chống gỉ tốt, nên không cần bảo dưỡng đặc biệt trong môi trường thường. Tuy nhiên, nếu sử dụng trong môi trường có hóa chất hoặc bụi bẩn, nên vệ sinh định kỳ để đảm bảo hiệu suất tốt nhất.
b. Phe gài Inox 420 khác gì Inox 304?
Phe gài Inox 420 có độ cứng cao hơn rất nhiều sau khi nhiệt luyện, phù hợp cho các ứng dụng cần chịu lực và mài mòn. Ngược lại, Inox 304 có khả năng chống ăn mòn vượt trội, đặc biệt trong môi trường hóa chất, nhưng lại mềm hơn.
c. Phe gài trục có phải là vòng chặn không?
Đúng vậy, phe gài trục còn được gọi là vòng chặn trục, vòng seger ngoài, hay circlip for shafts. Chức năng chính của nó là định vị và ngăn chặn các chi tiết máy dịch chuyển ra khỏi vị trí trên trục.
d. Làm sao để chọn đúng kích thước phe gài?
Bạn cần đo đường kính trục cần lắp phe. Ví dụ, nếu đường kính trục là 24mm, bạn sẽ chọn phe gài trục có kích thước danh nghĩa D24, như “Phe Gài Trục D24x1.2”.
e. Khi nào cần thay thế phe gài?
Bạn nên thay thế phe gài khi nhận thấy các dấu hiệu sau:
- Biến dạng vật lý: Phe bị cong, vênh, nứt hoặc bị móp méo do quá tải hoặc lắp đặt sai cách.
- Giảm độ đàn hồi: Phe không trở lại hình dạng ban đầu sau khi bóp, chứng tỏ đã mất đi khả năng đàn hồi và không còn giữ chi tiết hiệu quả.
- Ăn mòn, rỉ sét: Phe bị rỉ sét nghiêm trọng, ảnh hưởng đến độ bền và khả năng chịu lực.
Kinh nghiệm từ các kỹ sư Mecsu: Việc kiểm tra định kỳ bằng mắt thường có thể giúp phát hiện sớm các dấu hiệu cần thay thế, tránh gây hư hại nghiêm trọng hơn cho toàn bộ hệ thống. Đừng ngần ngại liên hệ chúng tôi để được hỗ trợ kỹ thuật về lắp đặt phe gài hoặc lựa chọn linh kiện cơ khí kịp thời.
f. Mua phe gài trục Inox 420 chính hãng, uy tín ở đâu tại TP.HCM?
Mua phe gài trục Inox 420 chính hãng và đảm bảo chất lượng tại TP.HCM, bạn hãy liên hệ ngay với Mecsu. Chúng tôi tự hào là nhà cung cấp uy tín, chuyên phân phối các sản phẩm linh kiện cơ khí chính hãng tại Việt Nam.
- Cam kết chất lượng: 100% sản phẩm có nguồn gốc rõ ràng, đầy đủ chứng từ CO, CQ. Chúng tôi cam kết hoàn tiền 100% hoặc đổi trả nếu sản phẩm không phải chính hãng.
- Giá cả cạnh tranh: Đảm bảo mức giá tốt nhất đi kèm chất lượng, với chính sách chiết khấu hấp dẫn cho đơn hàng số lượng lớn.
- Tư vấn chuyên sâu: Đội ngũ kỹ sư giàu kinh nghiệm sẵn sàng hỗ trợ bạn về kỹ thuật và lựa chọn sản phẩm phù hợp nhất.
- Chính sách hậu mãi: Đảm bảo quyền lợi tối đa cho khách hàng với dịch vụ hỗ trợ nhanh chóng, tận tâm.
12. Liên Hệ và Hỗ Trợ Tư Vấn Mua Phe Gài
Nếu bạn có bất kỳ thắc mắc nào về phe gài trục Inox 420 hoặc cần tư vấn về giải pháp linh kiện cơ khí cho ứng dụng cụ thể của mình, đừng ngần ngại liên hệ với đội ngũ chuyên gia của Mecsu. Chúng tôi luôn sẵn lòng hỗ trợ bạn tìm ra sản phẩm phù hợp và tối ưu nhất, đồng thời cung cấp những kiến thức độc quyền về kỹ thuật lắp đặt phe gài mà bạn khó tìm thấy ở nơi khác.
Địa chỉ: B28/I – B29/I Đường số 2B, KCN Vĩnh Lộc, P. Bình Hưng Hòa B, Q. Bình Tân, TP.HCM
Hotline: 1800 8137
Email: [email protected]
Website: mecsu.vn
13. Thông Tin Bổ Sung & Kinh Nghiệm Thực Tế Từ Mecsu
a. Kinh Nghiệm Thực Tế & Câu Chuyện Thành Công
Tại Mecsu, chúng tôi tự hào là đối tác tin cậy của nhiều doanh nghiệp trong việc cung cấp các giải pháp linh kiện cơ khí chất lượng cao. Phe gài trục Inox 420 DIN471, với đặc tính chịu lực và khả năng chống gỉ, đã được ứng dụng trong nhiều dự án quan trọng của khách hàng chúng tôi tại TP. Hồ Chí Minh và các tỉnh lân cận, mang lại hiệu quả vượt trội và là minh chứng cho chất lượng sản phẩm
a. Kinh Nghiệm Thực Tế & Câu Chuyện Thành Công
Tại Mecsu, chúng tôi tự hào là đối tác tin cậy của nhiều doanh nghiệp trong việc cung cấp các giải pháp linh kiện cơ khí chất lượng cao. “Phe gài trục Inox 420 DIN471”, với đặc tính chịu lực và khả năng chống gỉ, đã được ứng dụng trong nhiều dự án quan trọng của khách hàng chúng tôi tại “TP. Hồ Chí Minh” và các tỉnh lân cận, mang lại hiệu quả vượt trội và là minh chứng cho chất lượng sản phẩm cùng kinh nghiệm thực tế của đội ngũ Mecsu:
- Ngành sản xuất động cơ điện: Chúng tôi đã cung cấp “phe gài trục Inox 420” cho một nhà sản xuất động cơ điện lớn tại Bình Dương. Nhờ khả năng định vị chính xác và độ bền cao trong môi trường hoạt động liên tục, phe gài này đã góp phần đáng kể vào việc nâng cao hiệu suất và độ tin cậy của động cơ, đồng thời giảm thiểu chi phí bảo trì cho khách hàng.
- Lĩnh vực máy bơm công nghiệp: Phe gài D24x1.2 được lựa chọn cho các ứng dụng máy bơm cần cố định các chi tiết trên trục. Độ bền của “phe gài chính hãng” đã giúp máy bơm hoạt động ổn định trong thời gian dài, ngay cả trong điều kiện làm việc liên tục và tải nặng.
- Thiết bị chế biến thực phẩm: Một khách hàng chuyên sản xuất thiết bị chế biến thực phẩm đã ứng dụng “phe gài trục Inox 420” vào các bộ phận trục quay chính. Khả năng chống gỉ của vật liệu Inox 420 đã giúp máy móc hoạt động ổn định và đáp ứng các tiêu chuẩn vệ sinh an toàn thực phẩm cơ bản.
b. Trích Dẫn Chuyên Gia
““Phe gài trục Inox 420 DIN471” là một lựa chọn tuyệt vời cho các ứng dụng công nghiệp cần sự kết hợp hoàn hảo giữa độ cứng cao và khả năng chống ăn mòn. Tiêu chuẩn DIN471 đảm bảo tính tương thích và độ chính xác, trong khi vật liệu Inox 420 mang lại khả năng chịu tải vượt trội, rất phù hợp cho những hệ thống cần định vị chắc chắn các chi tiết trên trục. Đây là giải pháp đáng tin cậy và hiệu quả cho nhiều loại máy móc trong môi trường sản xuất.”
— “Kỹ sư cơ khí Chuyên gia kỹ thuật Mecsu” (TP. Hồ Chí Minh) – Với hơn 10 năm kinh nghiệm trong lĩnh vực “linh kiện cơ khí”.
c. Tài Liệu Tham Khảo và Nghiên Cứu
Nội dung bài viết này được biên soạn dựa trên các tài liệu kỹ thuật chính thức và đáng tin cậy từ các nhà sản xuất, cùng với kinh nghiệm thực tế chuyên sâu của đội ngũ kỹ sư Mecsu, đảm bảo tính chính xác, cập nhật và chuyên môn cao:
- DIN 471 Standard (Tiêu chuẩn DIN 471 chính thức) – Nguồn dữ liệu kỹ thuật chi tiết nhất về “phe gài trục”.
- Datasheet vật liệu Inox 420 (Thông tin chuyên sâu về “đặc tính vật liệu Inox 420”) – Cung cấp cái nhìn toàn diện về loại thép không gỉ này.
- Bảng dữ liệu kỹ thuật (Datasheet) chi tiết của Phe Gài Trục D24x1.2 – Nguồn thông số kỹ thuật chính xác.
- Trải nghiệm thực tế và phản hồi từ các dự án khách hàng của Mecsu – “Dữ liệu độc nhất” được thu thập từ hơn 10 năm cung cấp “linh kiện cơ khí” và “giải pháp phe gài” cho các doanh nghiệp tại Việt Nam.
Biên soạn bởi: Đội ngũ Kỹ sư Mecsu
Với hơn 10 năm kinh nghiệm chuyên sâu trong lĩnh vực phân phối và tư vấn giải pháp linh kiện cơ khí, đội ngũ kỹ sư của Mecsu cam kết mang đến những thông tin chính xác, cập nhật và hữu ích nhất, giúp quý khách hàng đưa ra lựa chọn sản phẩm tối ưu cho mọi ứng dụng.
(Xem thêm thông tin về chúng tôi tại Website Mecsu)
Lưu ý: Hình ảnh sản phẩm có thể khác biệt so với thực tế tùy theo lô sản xuất. Vui lòng tham khảo thông số kỹ thuật chi tiết hoặc liên hệ Mecsu để có thông tin chính xác nhất về sản phẩm.



















Đánh giá
Chưa có đánh giá nào.