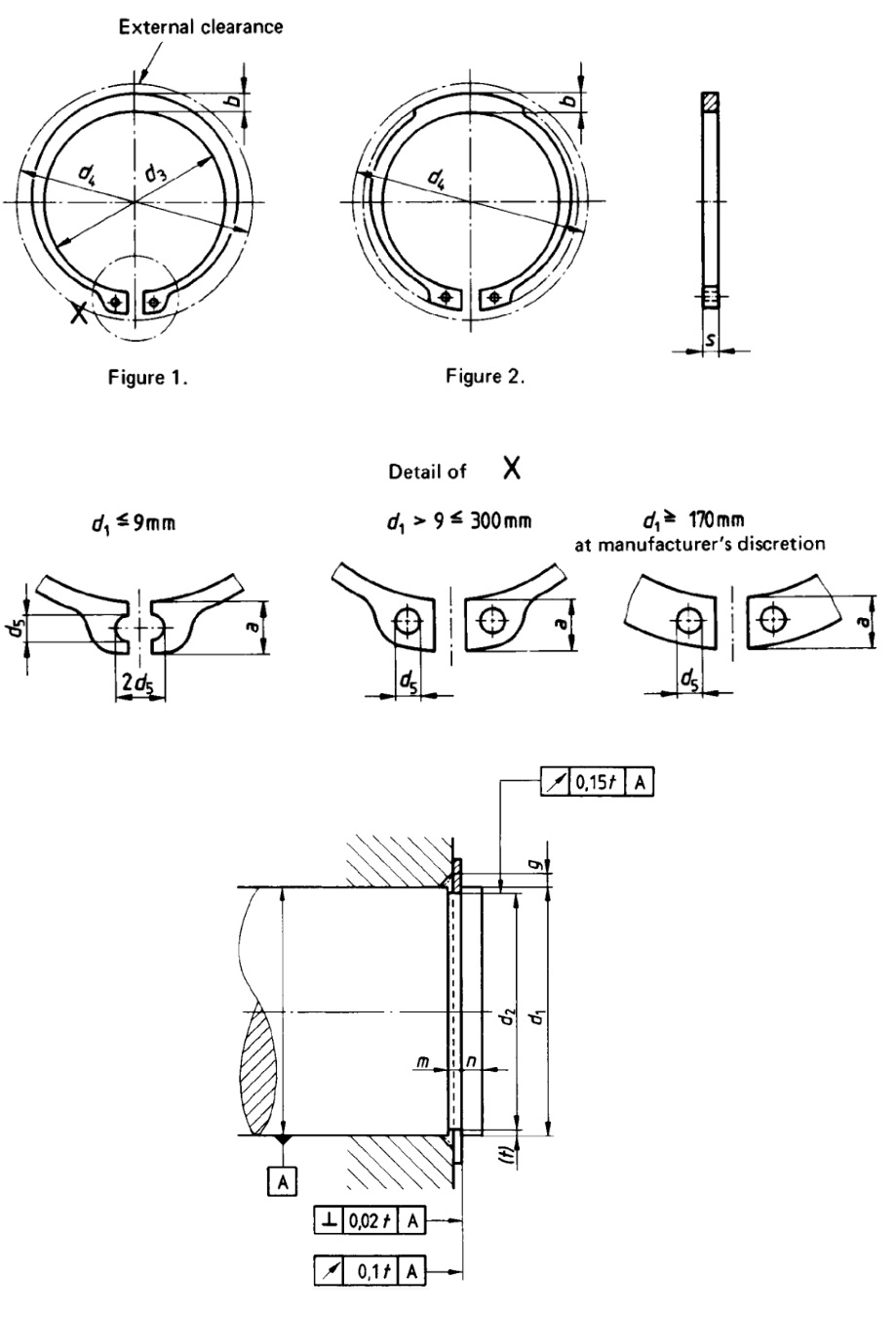
Phe Gài Trục Inox 420 DIN471 D25x1.2

2.919 

Dùng Cho Trục 25 mm
Vật Liệu Inox 420
Bề Rộng Rãnh Sử Dụng 1.3 mm
Đường Kính Rãnh Sử Dụng 23.9 mm
Đường Kính Trong 23.2 mm
SKU: 0056274 Danh mục: , Thương hiệu: