Mô tả sản phẩm
Thông tin CHUYÊN SÂU về Phe Gài Trục Inox 420 DIN471 D26x1.2
Mục Lục
- 1. Phe Gài Trục Inox 420 D26x1.2 Là Gì? – Giải Thích Chuyên Sâu
- 2. Thông Số Kỹ Thuật Chi Tiết của Phe Gài Trục D26x1.2
- 3. Cấu Tạo Chi Tiết Phe Gài Trục Inox 420
- 4. Phân Tích Chuyên Sâu: Tiêu Chuẩn DIN 471 và Vật Liệu Inox 420
- 5. Ưu và Nhược Điểm của Phe Gài Trục Inox 420
- 6. Ứng Dụng Thực Tế của Phe Gài Trục D26x1.2
- 7. Hướng Dẫn Lắp Đặt và Tháo Gỡ Phe Gài Trục
- 8. So Sánh Phe Gài Trục với các loại phe gài khác
- 9. Cách Phân Biệt Phe Gài Trục Inox 420 Thật – Giả – Lời Khuyên Từ Chuyên Gia Mecsu
- 10. Giá Bán & Gợi Ý Mua Phe Gài Trục Chính Hãng Tại TP.HCM
- 11. FAQ về Phe Gài Trục Inox 420
- 12. Liên Hệ và Hỗ Trợ Tư Vấn Mua Phe Gài MS-PRO
- 13. Thông Tin Bổ Sung & Kinh Nghiệm Thực Tế Từ Mecsu
1. Phe Gài Trục Inox 420 D26x1.2 Là Gì? – Giải Thích Chuyên Sâu
Phe gài trục Inox 420 D26x1.2 là một chi tiết cơ khí quan trọng, được sử dụng để định vị và giữ chặt các bộ phận trên trục, ngăn không cho chúng dịch chuyển dọc theo trục. Ký hiệu “D26x1.2” cho biết phe gài này được thiết kế để sử dụng cho trục có đường kính 26 mm và có độ dày là 1.2 mm. Vật liệu Inox 420 mang lại khả năng chống gỉ và độ cứng cao, phù hợp cho nhiều môi trường làm việc.
Phe gài trục theo tiêu chuẩn DIN 471 có hình dạng một vòng tròn hở, được lắp vào rãnh trên trục. Nó hoạt động như một điểm tựa vững chắc, đảm bảo các chi tiết như vòng bi, bánh răng, hoặc puly được giữ đúng vị trí, không bị trượt ra ngoài khi máy móc hoạt động.
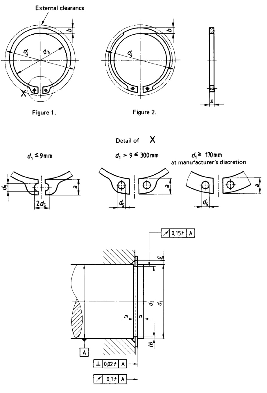
2. Thông Số Kỹ Thuật Chi Tiết của Phe Gài Trục D26x1.2
d1: Đường kính trục
d2: Đường kính rãnh sử dụng
b: Bề rộng rãnh sử dụng
d3: Đường kính trong
s: Độ dày
| Thông số | Giá trị |
|---|---|
| Mã sản phẩm | DIN471 D26x1.2 |
| Loại sản phẩm | Phe Gài Trục |
| Dùng cho trục (d1) | 26 mm |
| Đường kính rãnh sử dụng (d2) | 24.9 mm |
| Bề rộng rãnh sử dụng (b) | 1.3 mm |
| Đường kính trong (d3) | 24.2 mm |
| Độ dày (s) | 1.2 mm |
| Vật liệu | Inox 420 |
| Tiêu chuẩn | DIN 471 |
| Thương hiệu | MS-PRO |
| Quy cách đóng gói | 10 Cái/Bịch |
| Trọng lượng tinh của sản phẩm | ~ 10 g |
3. Cấu Tạo Chi Tiết Phe Gài Trục Inox 420
Phe gài trục Inox 420 được cấu thành từ các bộ phận chính, mỗi bộ phận đóng vai trò quan trọng trong việc đảm bảo hiệu suất hoạt động và độ bền:
Sơ đồ cấu tạo Phe Gài Trục theo tiêu chuẩn DIN 471:
- Vòng tròn hở: Chi tiết chính, có hình dạng chữ C, được lắp vào rãnh trên trục.
- Hai lỗ đầu: Hai lỗ nhỏ ở hai đầu của phe gài, được sử dụng để lắp kìm chuyên dụng (kìm gài phe) khi lắp đặt hoặc tháo gỡ.
- Mép phe gài: Là phần tiếp xúc với các chi tiết khác (vòng bi, bánh răng) để giữ chúng cố định.
- Vật liệu Inox 420: Vật liệu chính tạo nên phe gài, mang lại khả năng chống ăn mòn và độ cứng cần thiết để chịu lực.
4. Phân Tích Chuyên Sâu: Tiêu Chuẩn DIN 471 và Vật Liệu Inox 420
Để thực sự hiểu giá trị của Phe Gài Trục Inox 420 DIN471 D26x1.2, việc phân tích sâu hơn về hai yếu tố then chốt: “tiêu chuẩn DIN 471” và “vật liệu Inox 420” là rất quan trọng.
Tiêu chuẩn DIN 471 – Tiêu chuẩn quốc tế cho phe gài trục:
- Chức năng chính: Tiêu chuẩn DIN 471 quy định kích thước, dung sai và yêu cầu kỹ thuật cho các loại phe gài trục, đảm bảo sự đồng nhất và khả năng hoán đổi cho nhau giữa các nhà sản xuất.
- Đặc điểm nổi bật: Việc tuân thủ DIN 471 đảm bảo rằng phe gài trục D26x1.2 sẽ vừa khít với rãnh có kích thước tiêu chuẩn, tạo ra lực giữ chắc chắn và đáng tin cậy.
- Ưu điểm vượt trội: Nhờ tuân thủ tiêu chuẩn này, phe gài dễ dàng được tìm kiếm và thay thế trên thị trường, giảm thiểu rủi ro về không tương thích khi sửa chữa hoặc bảo trì.
Vật liệu Inox 420 – Sự lựa chọn cho độ bền và chống gỉ:
- Ý nghĩa: Inox 420 là một loại thép không gỉ mactensit (martensitic stainless steel). Đây là loại thép có khả năng làm cứng sau khi xử lý nhiệt.
- Tầm quan trọng: Vật liệu này mang lại hai đặc tính quan trọng: khả năng chống ăn mòn tương đối tốt trong môi trường thông thường và đặc biệt là độ cứng rất cao sau khi tôi (hardened). Độ cứng cao giúp phe gài chịu được lực tác động lớn mà không bị biến dạng.
- Lựa chọn phù hợp: Sự kết hợp giữa khả năng chống gỉ của Inox và độ cứng của thép tôi giúp phe gài D26x1.2 trở thành một lựa chọn lý tưởng cho các ứng dụng yêu cầu độ bền và khả năng chống ăn mòn nhẹ.
Sự kết hợp giữa tiêu chuẩn DIN 471 và vật liệu Inox 420 giúp Phe Gài Trục D26x1.2 trở thành một giải pháp định vị trục linh hoạt, đáng tin cậy cho các máy móc cần độ bền và khả năng chống gỉ vừa phải, đồng thời giảm thiểu nhu cầu bảo trì so với các loại vật liệu kém chất lượng khác.
5. Ưu và Nhược Điểm của Phe Gài Trục Inox 420
Phe Gài Trục Inox 420 D26x1.2 được tin dùng rộng rãi nhờ hiệu suất và độ bền vượt trội. Tuy nhiên, việc lựa chọn tối ưu đòi hỏi phải hiểu rõ cả ưu điểm lẫn nhược điểm của nó.
Ưu điểm nổi bật:
- Độ cứng và khả năng chịu tải cao: Vật liệu Inox 420 sau khi tôi mang lại độ cứng vượt trội, giúp phe gài chịu được lực tác động mạnh và giữ chặt các chi tiết.
- Khả năng chống gỉ sét tốt: So với phe gài làm từ thép carbon thông thường, phe gài Inox 420 có khả năng chống ăn mòn tốt hơn, phù hợp với môi trường ẩm ướt.
- Tuân thủ tiêu chuẩn DIN: Đảm bảo kích thước chính xác, dễ dàng lắp đặt và thay thế.
- Độ tin cậy cao từ thương hiệu uy tín: MS-PRO là thương hiệu được thị trường đánh giá cao về chất lượng sản phẩm.
- Yêu cầu bảo trì thấp: Do tính chất vật liệu, phe gài không cần bảo trì đặc biệt, tiết kiệm chi phí vận hành.
Nhược điểm cần lưu ý:
- Khả năng chống ăn mòn hạn chế: Mặc dù là inox, Inox 420 không có khả năng chống ăn mòn tốt bằng các loại inox cao cấp hơn như 304 hay 316. Nó có thể bị gỉ trong môi trường axit hoặc muối.
- Giá thành: Mức giá của phe gài Inox 420 có thể cao hơn so với loại phe gài thép carbon cùng kích thước. Tuy nhiên, đây là sự đầu tư xứng đáng cho độ bền và hiệu suất dài hạn.
6. Ứng Dụng Thực Tế của Phe Gài Trục D26x1.2
Với kích thước tiêu chuẩn và đặc tính vật liệu bền bỉ, phe gài trục Inox 420 D26x1.2 được ứng dụng rộng rãi trong nhiều lĩnh vực công nghiệp và dân dụng tại TP. Hồ Chí Minh và các khu công nghiệp lân cận, đặc biệt là những nơi yêu cầu độ bền và chống gỉ:
- Máy móc công nghiệp: Định vị vòng bi, bánh răng, puly trên các trục quay của động cơ, máy bơm, quạt công nghiệp.
- Thiết bị truyền động: Giữ chặt các chi tiết trong hộp số, hệ thống truyền động.
- Máy công cụ: Lắp đặt trên các máy gia công, máy CNC để cố định các bộ phận.
- Thiết bị y tế và thực phẩm: Dù không phải là loại inox cao cấp nhất, nó vẫn được sử dụng trong một số ứng dụng không trực tiếp tiếp xúc với thực phẩm hoặc yêu cầu chống ăn mòn cao.
- Các ứng dụng trong ngành nông nghiệp và xây dựng: Phù hợp cho các thiết bị cần độ bền và khả năng chống gỉ cơ bản.
7. Hướng Dẫn Lắp Đặt và Tháo Gỡ Phe Gài Trục
Để đảm bảo hiệu quả và an toàn khi sử dụng phe gài trục Inox 420 D26x1.2, việc lắp đặt và tháo gỡ đúng cách là vô cùng quan trọng. Luôn tuân thủ các nguyên tắc an toàn và kỹ thuật. Mecsu cung cấp hướng dẫn chi tiết dựa trên kinh nghiệm thực tế:
- Chuẩn bị: Đảm bảo môi trường làm việc sạch sẽ. Chuẩn bị đầy đủ dụng cụ chuyên dụng như kìm gài phe. Kiểm tra rãnh trên trục phải sạch sẽ, không có ba via, rỉ sét và đúng kích thước.
- Lắp đặt:
- Sử dụng kìm gài phe chuyên dụng, bóp phe gài lại sao cho hai đầu phe khép vào nhau.
- Đặt phe gài vào đúng vị trí rãnh trên trục.
- Nhả kìm từ từ để phe gài bung ra và gài chặt vào rãnh. Đảm bảo phe gài đã nằm hoàn toàn trong rãnh.
- Tháo gỡ:
- Sử dụng kìm gài phe chuyên dụng, đưa hai đầu kìm vào hai lỗ trên phe gài.
- Bóp kìm để hai đầu phe gài khép lại, làm nó tách ra khỏi rãnh.
- Nhẹ nhàng nhấc phe gài ra khỏi trục.
- Lưu ý: Tuyệt đối không dùng tua vít hoặc các dụng cụ không chuyên dụng để cạy phe gài, việc này có thể làm biến dạng phe hoặc gây nguy hiểm.
8. So Sánh Phe Gài Trục với các loại phe gài khác
Việc hiểu rõ sự khác biệt giữa các loại phe gài sẽ giúp bạn lựa chọn sản phẩm phù hợp nhất cho ứng dụng của mình, tối ưu hóa hiệu suất và chi phí đầu tư:
| Tiêu chí | Phe Gài Lỗ (Phe Gài trong) | Phe Gài Trục (Phe Gài ngoài) | Phe Gài Bán Nguyệt (Phe Gài C) |
|---|---|---|---|
| Vị trí lắp đặt | Lắp trong lỗ | Lắp trên trục | Lắp trên trục |
| Hình dạng | Hình tròn hở, lắp vào rãnh trong lỗ | Hình tròn hở, lắp vào rãnh ngoài trục | Hình bán nguyệt, chỉ dùng cho tải nhẹ |
| Chức năng | Định vị chi tiết bên trong lỗ | Định vị chi tiết trên trục | Định vị tải nhẹ trên trục |
| Vật liệu phổ biến | Thép Carbon, Inox, Thép lò xo | Thép Carbon, Inox, Thép lò xo | Thép Carbon |
| Ứng dụng điển hình | Hộp số, xi lanh | Lắp vòng bi, bánh răng | Ứng dụng đơn giản, tải trọng thấp |
9. Cách Phân Biệt Phe Gài Trục Inox 420 Thật – Giả – Lời Khuyên Từ Chuyên Gia Mecsu
Để đảm bảo bạn mua được phe gài trục chính hãng tại TP.HCM, Mecsu khuyến nghị kiểm tra các dấu hiệu sau:
a. Dấu hiệu của phe gài trục chính hãng:
- Bao bì chất lượng cao: Sắc nét, có logo, thông tin sản phẩm rõ ràng, đầy đủ mã vạch và thông tin xuất xứ. Bạn sẽ thấy sự tỉ mỉ trong từng chi tiết.
- Vật liệu hoàn thiện tốt: Phe gài có bề mặt nhẵn mịn, không có ba via, không bị cong vênh, không có dấu hiệu rỉ sét.
- Kích thước chính xác: Tuân thủ dung sai của tiêu chuẩn DIN 471, đảm bảo lắp đặt vừa khít và chắc chắn.
- Độ đàn hồi tốt: Khi bóp phe gài bằng kìm chuyên dụng, nó sẽ có độ đàn hồi tốt và trở về hình dạng ban đầu.
- Chứng từ đầy đủ: Nhà cung cấp uy tín sẽ cung cấp đầy đủ chứng nhận chất lượng và nguồn gốc (nếu có).
b. Dấu hiệu của phe gài trục hàng giả/nhái:
- Bao bì thô, màu sắc lệch chuẩn, thiếu thông tin quan trọng hoặc có dấu hiệu làm lại.
- Vật liệu kém chất lượng, dễ bị biến dạng, có ba via, bề mặt không nhẵn mịn, có dấu hiệu rỉ sét.
- Kích thước sai lệch, không đúng dung sai tiêu chuẩn, gây khó khăn khi lắp đặt hoặc không đảm bảo lực giữ.
- Độ đàn hồi kém, dễ bị gãy hoặc biến dạng vĩnh viễn khi dùng kìm.
- Giá bán rẻ bất thường so với mức giá thị trường – đây là dấu hiệu cảnh báo lớn nhất.
10. Giá Bán & Gợi Ý Mua Phe Gài Trục Chính Hãng Tại TP.HCM
a. Giá Phe Gài Trục Inox 420 (TP.Hồ Chí Minh) tại Mecsu: Giá: 40,755 đ / Bịch (đã có VAT) – Giá hợp lý, phù hợp với chất lượng sản phẩm chính hãng
Liên hệ để nhận báo giá tốt nhất (giá có thể thay đổi tùy thời điểm và số lượng) – mức giá hợp lý, phù hợp với chất lượng sản phẩm chính hãng MS-PRO tại thị trường linh kiện cơ khí TP.HCM.
b. Gợi ý mua phe gài trục chính hãng uy tín
- Chọn nhà cung cấp uy tín tại TP.HCM: Ưu tiên đối tác có chứng nhận hoặc đơn vị lâu năm, được nhiều khách hàng tin tưởng và có danh tiếng trên thị trường cung cấp linh kiện cơ khí tại TP.HCM.
- Kiểm tra chứng từ đầy đủ: Luôn yêu cầu đầy đủ chứng nhận chất lượng để đảm bảo nguồn gốc và chất lượng sản phẩm. Điều này giúp bạn tránh mua phải “linh kiện giả” trên thị trường.
- Mua tại Mecsu – Nhà phân phối linh kiện cơ khí uy tín: Mecsu tự hào là nhà phân phối các sản phẩm cơ khí uy tín, cam kết cung cấp “Phe Gài Trục Inox 420 chính hãng” và các loại “phe gài khác” với nhiều lợi ích vượt trội:
- 100% sản phẩm chính hãng: Đảm bảo nguồn gốc rõ ràng, đầy đủ chứng từ. Chúng tôi cam kết hoàn tiền 100% hoặc đổi trả nếu sản phẩm không đúng chất lượng.
- Chính sách bảo hành minh bạch: Hỗ trợ đổi trả nếu có lỗi từ nhà sản xuất, mang lại sự an tâm tuyệt đối cho khách hàng.
- Hỗ trợ kỹ thuật chuyên sâu: Đội ngũ kỹ sư giàu kinh nghiệm sẵn sàng hỗ trợ bạn về kỹ thuật và lựa chọn sản phẩm phù hợp nhất cho mọi ứng dụng.
- Giá cả cạnh tranh: Đảm bảo mức giá tốt nhất đi kèm chất lượng, với chính sách chiết khấu hấp dẫn cho đơn hàng số lượng lớn, đặc biệt khi “mua phe gài số lượng lớn”.
MUA THÊM NHIỀU LOẠI PHE GÀI CHÍNH HÃNG KHÁC TẠI MECSU
11. FAQ về Phe Gài Trục Inox 420
a. Phe gài trục Inox 420 có cần bảo dưỡng không?
Phe gài trục Inox 420 có khả năng chống gỉ tốt trong môi trường thông thường nên không cần bảo dưỡng đặc biệt. Tuy nhiên, nếu sử dụng trong môi trường hóa chất ăn mòn mạnh hoặc ẩm ướt liên tục, bạn nên kiểm tra định kỳ để đảm bảo không bị gỉ sét.
b. Phe gài trục và phe gài lỗ khác nhau như thế nào?
Phe gài trục (phe gài ngoài) được dùng để định vị các chi tiết trên một trục (trục có rãnh ngoài). Ngược lại, phe gài lỗ (phe gài trong) được dùng để định vị các chi tiết bên trong một lỗ (lỗ có rãnh bên trong).
c. Ký hiệu DIN 471 có ý nghĩa gì?
DIN 471 là một tiêu chuẩn của Đức, quy định kích thước và đặc tính kỹ thuật của các loại phe gài trục. Việc tuân thủ tiêu chuẩn này giúp đảm bảo sự đồng nhất và khả năng tương thích của sản phẩm.
d. Làm sao biết phe gài trục của tôi là hàng chính hãng?
Bạn nên mua từ nhà phân phối uy tín (như Mecsu), kiểm tra bao bì, và quan trọng nhất là kiểm tra độ hoàn thiện của sản phẩm. Phe gài chính hãng có bề mặt nhẵn, không ba via, và có độ đàn hồi tốt.
e. Khi nào cần thay thế phe gài trục?
Bạn nên thay thế phe gài khi nhận thấy các dấu hiệu sau:
- Biến dạng vật lý: Phe gài bị cong, móp, hoặc không còn giữ được hình dạng ban đầu.
- Mất độ đàn hồi: Khi tháo ra, phe gài không trở lại hình dạng ban đầu, có thể bị gãy khi lắp lại.
- Ăn mòn nghiêm trọng: Phe gài bị rỉ sét quá mức, ảnh hưởng đến khả năng chịu lực.
Kinh nghiệm từ các kỹ sư Mecsu: Việc kiểm tra định kỳ bằng mắt thường có thể giúp phát hiện sớm các dấu hiệu cần thay thế, tránh gây hư hại nghiêm trọng hơn cho toàn bộ hệ thống. Đừng ngần ngại liên hệ chúng tôi để được hỗ trợ kỹ thuật.
f. Mua phe gài trục Inox 420 chính hãng, uy tín ở đâu tại TP.HCM?
Mua phe gài trục Inox 420 chính hãng và đảm bảo chất lượng tại TP.HCM, bạn hãy liên hệ ngay với Mecsu. Chúng tôi tự hào là nhà cung cấp uy tín, chuyên phân phối các sản phẩm linh kiện cơ khí chính hãng tại Việt Nam.
- Cam kết chất lượng: 100% sản phẩm có nguồn gốc rõ ràng, đầy đủ chứng từ CO, CQ. Chúng tôi cam kết hoàn tiền 100% hoặc đổi trả nếu sản phẩm không phải chính hãng.
- Giá cả cạnh tranh: Đảm bảo mức giá tốt nhất đi kèm chất lượng, với chính sách chiết khấu hấp dẫn cho đơn hàng số lượng lớn.
- Tư vấn chuyên sâu: Đội ngũ kỹ sư giàu kinh nghiệm sẵn sàng hỗ trợ bạn về kỹ thuật và lựa chọn sản phẩm phù hợp nhất.
- Chính sách hậu mãi: Đảm bảo quyền lợi tối đa cho khách hàng với dịch vụ hỗ trợ nhanh chóng, tận tâm.
12. Liên Hệ và Hỗ Trợ Tư Vấn Mua Phe Gài MS-PRO
Nếu bạn có bất kỳ thắc mắc nào về Phe Gài Trục Inox 420 DIN471 D26x1.2 hoặc cần tư vấn về giải pháp định vị trục cho ứng dụng cụ thể của mình, đừng ngần ngại liên hệ với đội ngũ chuyên gia của Mecsu. Chúng tôi luôn sẵn lòng hỗ trợ bạn tìm ra sản phẩm phù hợp và tối ưu nhất, đồng thời cung cấp những kiến thức độc quyền về kỹ thuật lắp đặt linh kiện mà bạn khó tìm thấy ở nơi khác.
Địa chỉ: B28/I – B29/I Đường số 2B, KCN Vĩnh Lộc, P. Bình Hưng Hòa B, Q. Bình Tân, TP.HCM
Hotline: 1800 8137
Email: [email protected]
Website: mecsu.vn
13. Thông Tin Bổ Sung & Kinh Nghiệm Thực Tế Từ Mecsu
a. Kinh Nghiệm Thực Tế & Câu Chuyện Thành Công
Tại Mecsu, chúng tôi tự hào là đối tác tin cậy của nhiều doanh nghiệp trong việc cung cấp các giải pháp linh kiện cơ khí chất lượng cao. Phe Gài Trục Inox 420 DIN471 D26x1.2, với đặc tính chịu lực tốt và khả năng chống gỉ, đã được ứng dụng trong nhiều dự án quan trọng của khách hàng chúng tôi tại TP. Hồ Chí Minh và các tỉnh lân cận, mang lại hiệu quả vượt trội và là minh chứng cho chất lượng sản phẩm cùng kinh nghiệm thực tế của đội ngũ Mecsu:
a. Kinh Nghiệm Thực Tế & Câu Chuyện Thành Công
Tại Mecsu, chúng tôi tự hào là đối tác tin cậy của nhiều doanh nghiệp trong việc cung cấp các giải pháp linh kiện cơ khí chất lượng cao. “Phe Gài Trục Inox 420 DIN471 D26x1.2”, với đặc tính chịu lực tốt và khả năng chống gỉ, đã được ứng dụng trong nhiều dự án quan trọng của khách hàng chúng tôi tại “TP. Hồ Chí Minh” và các tỉnh lân cận, mang lại hiệu quả vượt trội và là minh chứng cho chất lượng sản phẩm cùng kinh nghiệm thực tế của đội ngũ Mecsu:
- Ngành sản xuất máy bơm: Chúng tôi đã cung cấp “Phe Gài Trục Inox 420” cho một nhà sản xuất máy bơm lớn tại Bình Dương. Nhờ khả năng chống gỉ và độ bền cao, phe gài này đã góp phần đáng kể vào việc nâng cao hiệu suất và độ tin cậy của máy bơm, đồng thời giảm thiểu chi phí bảo trì cho khách hàng.
- Lĩnh vực máy móc chế biến: Phe gài trục Inox 420 được lựa chọn cho các ứng dụng máy móc chế biến cần chịu tải trọng và môi trường ẩm ướt. Độ tin cậy vượt trội của “linh kiện chính hãng” đã giúp máy móc hoạt động ổn định trong thời gian dài.
- Thiết bị chế biến nông sản: Một khách hàng chuyên sản xuất máy chế biến nông sản đã ứng dụng “phe gài trục” vào các bộ phận trục quay chính. Khả năng chống ăn mòn hiệu quả của Inox 420 và độ bền của phe gài đã giúp máy móc hoạt động ổn định và kéo dài tuổi thọ trong môi trường có nhiều tạp chất từ nông sản.
b. Trích Dẫn Chuyên Gia
““Phe Gài Trục Inox 420” là một lựa chọn tuyệt vời cho các ứng dụng công nghiệp cần sự cân bằng hoàn hảo giữa khả năng chịu tải và khả năng chống ăn mòn trong môi trường thông thường. Vật liệu Inox 420 mang lại lợi thế về độ cứng và độ bền, rất phù hợp cho những hệ thống mà sự cố định trục là yếu tố then chốt. Đây là giải pháp đáng tin cậy và hiệu quả cho nhiều loại máy móc trong môi trường công nghiệp.”
— “Kỹ sư cơ khí Chuyên gia kỹ thuật Mecsu” (TP. Hồ Chí Minh) – Với hơn 10 năm kinh nghiệm trong lĩnh vực “linh kiện cơ khí”.
c. Tài Liệu Tham Khảo và Nghiên Cứu
Nội dung bài viết này được biên soạn dựa trên các tài liệu kỹ thuật chính thức và đáng tin cậy từ MS-PRO, cùng với kinh nghiệm thực tế chuyên sâu của đội ngũ kỹ sư Mecsu, đảm bảo tính chính xác, cập nhật và chuyên môn cao:
- MS-PRO Product Catalog (Danh mục sản phẩm MS-PRO chính thức) – Nguồn dữ liệu kỹ thuật chi tiết nhất về “linh kiện cơ khí”.
- Tài liệu kỹ thuật tiêu chuẩn DIN 471 – Cung cấp cái nhìn toàn diện về các yêu cầu kỹ thuật của phe gài trục.
- Bảng dữ liệu kỹ thuật (Datasheet) chi tiết của Phe Gài Trục – Nguồn thông số kỹ thuật chính xác.
- Trải nghiệm thực tế và phản hồi từ các dự án khách hàng của Mecsu – “Dữ liệu độc nhất” được thu thập từ hơn 10 năm cung cấp “linh kiện cơ khí” và “giải pháp cho nhà máy sản xuất” cho các doanh nghiệp tại Việt Nam.
Biên soạn bởi: Đội ngũ Kỹ sư Mecsu
Với hơn 10 năm kinh nghiệm chuyên sâu trong lĩnh vực phân phối và tư vấn giải pháp linh kiện cơ khí, đội ngũ kỹ sư của Mecsu cam kết mang đến những thông tin chính xác, cập nhật và hữu ích nhất, giúp quý khách hàng đưa ra lựa chọn sản phẩm tối ưu cho mọi ứng dụng.
(Xem thêm thông tin về chúng tôi tại Website Mecsu)
Lưu ý: Hình ảnh sản phẩm có thể khác biệt so với thực tế tùy theo lô sản xuất. Vui lòng tham khảo thông số kỹ thuật chi tiết hoặc liên hệ Mecsu để có thông tin chính xác nhất về sản phẩm.



















Đánh giá
Chưa có đánh giá nào.