Mô tả sản phẩm
Thông tin CHUYÊN SÂU về Phe Gài Trục Inox 420 DIN471 D27x1.2 (10Cái/Bịch)
Mục Lục
- 1. Phe Gài Trục Là Gì? – Giải Thích Chuyên Sâu
- 2. Thông Số Kỹ Thuật Chi Tiết của Phe Gài Trục Inox 420 DIN471 D27x1.2
- 3. Cấu Tạo Chi Tiết Phe Gài Trục
- 4. Phân Tích Chuyên Sâu: Vật Liệu Inox 420 và Tiêu Chuẩn DIN 471
- 5. Ưu và Nhược Điểm của Phe Gài Trục Inox 420
- 6. Ứng Dụng Thực Tế của Phe Gài Trục
- 7. Hướng Dẫn Lắp Đặt và Tháo Gỡ Phe Gài Trục
- 8. So Sánh Phe Gài Trục DIN 471 với Phe Gài Lỗ DIN 472
- 9. Cách Phân Biệt Phe Gài Trục MS-PRO Thật – Giả – Lời Khuyên Từ Chuyên Gia Mecsu
- 10. Giá Bán & Gợi Ý Mua Phe Gài Trục Chính Hãng Tại TP.HCM
- 11. FAQ về Phe Gài Trục Inox 420 DIN471 D27x1.2
- 12. Liên Hệ và Hỗ Trợ Tư Vấn Mua Phe Gài
- 13. Thông Tin Bổ Sung & Kinh Nghiệm Thực Tế Từ Mecsu
1. Phe Gài Trục Là Gì? – Giải Thích Chuyên Sâu
Phe gài trục Inox 420 DIN471 D27x1.2 là một chi tiết cơ khí quan trọng, có chức năng định vị và ngăn chặn các bộ phận khác (như bánh răng, vòng bi) trượt dọc theo một trục. Phe gài này được thiết kế để lắp đặt vào rãnh đã được gia công trên trục. Mã sản phẩm “D27” chỉ ra rằng nó được sử dụng cho trục có đường kính 27 mm, với độ dày phe là 1.2 mm. Hậu tố “DIN 471” là tiêu chuẩn của Đức, đảm bảo các thông số kỹ thuật và kích thước chính xác, phù hợp với các ứng dụng công nghiệp và cơ khí chính xác. Sản phẩm được đóng gói theo bịch 10 cái, tiện lợi cho các nhu cầu sản xuất và lắp ráp.
Vật liệu “Inox 420” là điểm nhấn quan trọng, chỉ ra rằng phe gài này được làm từ thép không gỉ loại 420, một loại vật liệu có độ cứng cao sau khi xử lý nhiệt và khả năng chống ăn mòn tốt trong nhiều môi trường. Sự kết hợp giữa tiêu chuẩn DIN 471 và vật liệu Inox 420 giúp sản phẩm này trở thành một lựa chọn tin cậy cho các ứng dụng yêu cầu cả về độ bền cơ học lẫn khả năng chống gỉ sét.
2. Thông Số Kỹ Thuật Chi Tiết của Phe Gài Trục Inox 420 DIN471 D27x1.2
Phe gài trục Inox 420 DIN471 D27x1.2 có các thông số kỹ thuật chi tiết sau:
| Thông số | Giá trị |
|---|---|
| Mã sản phẩm | Phe Gài Trục Inox 420 DIN471 D27x1.2 |
| Loại sản phẩm | Phe gài trục (External Circlip) |
| Dùng cho trục | 27 mm |
| Vật liệu | Inox 420 |
| Bề rộng rãnh sử dụng | 1.3 mm |
| Đường kính rãnh sử dụng | 25.6 mm |
| Đường kính trong | 24.9 mm |
| Độ dày | 1.2 mm |
| Tiêu chuẩn | DIN 471 |
| Thương hiệu | MS-PRO |
| Quy cách đóng gói | 10 Cái/Bịch |
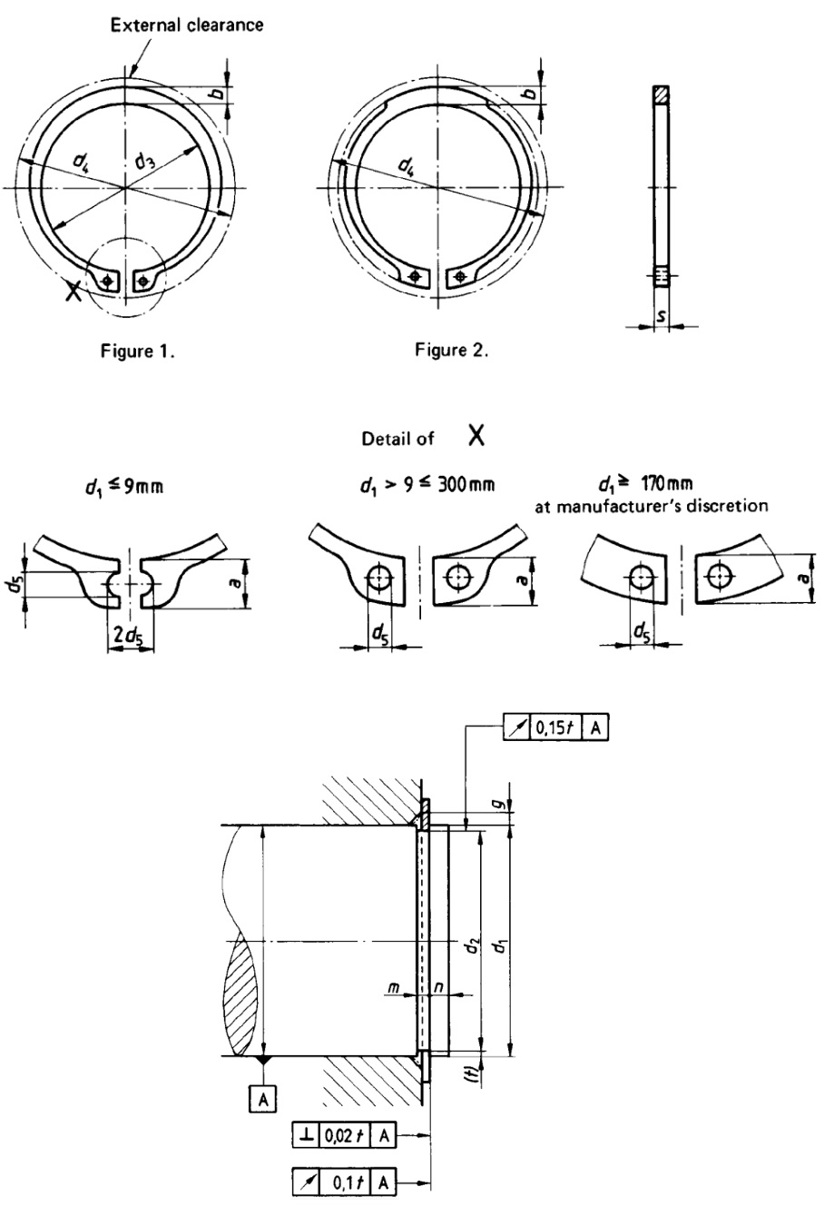
3. Cấu Tạo Chi Tiết Phe Gài Trục
Phe gài trục DIN 471 có cấu tạo đơn giản nhưng hiệu quả, được thiết kế để dễ dàng lắp đặt vào rãnh trên trục và giữ chặt các chi tiết khác:
Cấu tạo Phe Gài Trục Inox 420 DIN471 D27x1.2:
- Thân phe: Dạng vòng tròn hở, được làm từ Inox 420. Phần thân này có chức năng tạo lực ép vào thành rãnh để cố định vị trí.
- Mắt phe: Hai đầu của phe gài được uốn cong thành hình mắt, dùng để kẹp và bóp phe bằng kìm chuyên dụng khi lắp đặt hoặc tháo gỡ.
- Đường kính phe: Phe có kích thước được chế tạo chính xác để tạo lực căng phù hợp với đường kính trục 27 mm.
- Tiêu chuẩn DIN 471: Đảm bảo độ chính xác về kích thước và vật liệu, giúp phe gài phát huy tối đa chức năng định vị và chịu lực.
4. Phân Tích Chuyên Sâu: Vật Liệu Inox 420 và Tiêu Chuẩn DIN 471 của Phe Gài Trục
Để thực sự hiểu giá trị của phe gài trục Inox 420 DIN471 D27x1.2, việc phân tích sâu hơn về hai yếu tố then chốt: “vật liệu Inox 420“ và “tiêu chuẩn DIN 471“ là rất quan trọng.
Vật liệu “Inox 420” – Thép không gỉ có độ cứng cao:
- Chức năng chính: Chống ăn mòn, chịu lực tốt. Inox 420 là loại thép không gỉ mactenxit, có hàm lượng cacbon cao hơn các loại Inox thông thường, cho phép nó đạt được độ cứng rất cao sau khi xử lý nhiệt.
- Đặc điểm nổi bật: Khả năng chịu lực và chống mài mòn tốt, giúp phe gài giữ được hình dạng và chức năng định vị trong thời gian dài, đặc biệt trong các ứng dụng có lực tác động lớn.
- Ưu điểm vượt trội: Nhờ khả năng chống gỉ sét, phe gài có thể sử dụng hiệu quả trong môi trường ẩm ướt hoặc tiếp xúc với hóa chất nhẹ mà các loại thép cacbon thông thường không thể đáp ứng. Điều này làm tăng tuổi thọ và độ tin cậy của chi tiết máy.
- Hạn chế: Khả năng chống ăn mòn của Inox 420 thấp hơn so với các loại Inox Austenit như 304, 316, nên không phù hợp cho môi trường có tính ăn mòn cao như nước biển hoặc axit mạnh.
Tiêu chuẩn “DIN 471” (German Industrial Standards):
- Ý nghĩa: “DIN 471” quy định kích thước, vật liệu, và các yêu cầu kỹ thuật cho phe gài trục. Việc tuân thủ tiêu chuẩn này đảm bảo sản phẩm có độ chính xác cao và có thể thay thế cho nhau giữa các nhà sản xuất.
- Tầm quan trọng: Tiêu chuẩn DIN 471 là một trong những tiêu chuẩn phổ biến và được công nhận rộng rãi nhất trên thế giới. Nó giúp người dùng và nhà sản xuất dễ dàng lựa chọn và tích hợp phe gài vào các thiết kế cơ khí mà không lo ngại về sự không tương thích.
- Lựa chọn phù hợp: Đối với phe gài trục, việc tuân thủ DIN 471 đảm bảo lực kẹp, độ đàn hồi và khả năng chịu tải phù hợp với đường kính trục đã quy định. Khi sử dụng phe gài đạt chuẩn, bạn có thể yên tâm về tính an toàn và hiệu suất của thiết bị.
Sự kết hợp giữa vật liệu “Inox 420” và tiêu chuẩn “DIN 471” giúp Phe Gài Trục D27x1.2 trở thành một giải pháp định vị linh hoạt, đáng tin cậy cho các máy móc cần khả năng chống ăn mòn vừa phải và độ bền cơ học cao.
5. Ưu và Nhược Điểm của Phe Gài Trục Inox 420
Phe gài trục Inox 420 mang lại nhiều lợi ích, nhưng cũng có một số hạn chế cần lưu ý để đảm bảo lựa chọn tối ưu.
Ưu điểm nổi bật:
- Độ bền và khả năng chống ăn mòn tốt: Vật liệu Inox 420 cung cấp độ cứng và độ bền cao sau xử lý nhiệt, đồng thời chống gỉ sét hiệu quả trong môi trường thông thường, kéo dài tuổi thọ sản phẩm.
- Thiết kế chính xác theo tiêu chuẩn: Sản xuất theo tiêu chuẩn DIN 471 đảm bảo độ chính xác cao về kích thước, lực kẹp và khả năng định vị, mang lại hiệu suất làm việc ổn định.
- Linh hoạt trong ứng dụng: Phe gài trục có thể được sử dụng trong nhiều ngành công nghiệp khác nhau, từ máy móc, ô tô đến thiết bị điện tử, nhờ vào tính năng định vị chắc chắn.
- Dễ dàng lắp đặt và tháo gỡ: Với kìm gài phe chuyên dụng, việc lắp đặt và tháo gỡ phe gài trở nên nhanh chóng và đơn giản, tiết kiệm thời gian bảo trì.
Nhược điểm cần lưu ý:
- Khả năng chống ăn mòn hạn chế: Inox 420 không phải là vật liệu tốt nhất để chống ăn mòn trong môi trường khắc nghiệt như axit, muối, hoặc nước biển. Trong các trường hợp này, bạn nên cân nhắc các loại vật liệu cao cấp hơn như Inox 316.
- Có thể bị biến dạng nếu sử dụng sai cách: Việc sử dụng kìm không phù hợp hoặc tác dụng lực quá mạnh khi lắp đặt/tháo gỡ có thể làm biến dạng phe, ảnh hưởng đến chức năng định vị.
6. Ứng Dụng Thực Tế của Phe Gài Trục
Phe gài trục Inox 420 DIN471 D27x1.2 được ứng dụng rộng rãi trong nhiều lĩnh vực công nghiệp và dân dụng, đặc biệt là những nơi yêu cầu độ bền cơ học và khả năng chống ăn mòn cơ bản:
- Ngành chế tạo máy: Dùng để định vị bánh răng, puli, vòng bi trên các trục quay của máy móc công nghiệp.
- Thiết bị ô tô và xe máy: Sử dụng trong các bộ phận truyền động, hộp số, hệ thống phanh để giữ các chi tiết không bị trượt.
- Thiết bị điện tử và gia dụng: Ứng dụng trong các thiết bị như máy in, máy khoan, quạt để cố định các trục và các bộ phận quay.
- Ngành nông nghiệp và xây dựng: Phù hợp cho các thiết bị cần độ bền và khả năng chống gỉ sét cơ bản.
7. Hướng Dẫn Lắp Đặt và Tháo Gỡ Phe Gài Trục
Việc lắp đặt và tháo gỡ phe gài đúng cách là yếu tố then chốt để đảm bảo hiệu suất và tuổi thọ của cả phe gài lẫn các chi tiết máy. Luôn tuân thủ các nguyên tắc an toàn và kỹ thuật.
- Chuẩn bị: Đảm bảo môi trường làm việc sạch sẽ. Chuẩn bị đúng loại kìm gài phe (kìm mở) phù hợp với đường kính phe và loại trục. Đeo kính và găng tay bảo hộ để đảm bảo an toàn. Kiểm tra rãnh trên trục phải sạch, không có ba via và đúng kích thước.
- Lắp đặt:
- Sử dụng kìm gài phe, luồn hai đầu kìm vào hai mắt của phe gài.
- Bóp nhẹ kìm để mở phe rộng ra một chút, đủ để phe gài có thể trượt qua trục và vào rãnh đã chuẩn bị.
- Thả lỏng kìm khi phe gài đã nằm gọn trong rãnh. Đảm bảo phe gài đã ăn khớp hoàn toàn vào rãnh để định vị chắc chắn.
- Tháo gỡ:
- Sử dụng kìm gài phe tương tự như khi lắp đặt.
- Bóp kìm để thu hẹp phe gài lại, đủ để nó bật ra khỏi rãnh trên trục.
- Bảo quản: Nếu không sử dụng ngay, hãy giữ phe gài trong bao bì gốc ở nơi khô ráo, thoáng mát để ngăn ngừa rỉ sét và bụi bẩn.
8. So Sánh Phe Gài Trục DIN 471 với Phe Gài Lỗ DIN 472
Để lựa chọn đúng loại phe gài cho ứng dụng, việc hiểu rõ sự khác biệt giữa phe gài trục (External Circlip) và phe gài lỗ (Internal Circlip) là rất quan trọng:
| Tiêu chí | Phe Gài Trục (DIN 471) | Phe Gài Lỗ (DIN 472) |
|---|---|---|
| Chức năng chính | Định vị, ngăn chặn chi tiết trượt trên trục. | Định vị, ngăn chặn chi tiết trượt bên trong lỗ. |
| Lắp đặt | Trượt vào rãnh trên trục. | Trượt vào rãnh bên trong lỗ. |
| Kìm sử dụng | Kìm mở (khi bóp vào, hai đầu kìm tách ra). | Kìm đóng (khi bóp vào, hai đầu kìm khép lại). |
| Ứng dụng điển hình | Định vị bánh răng, bạc đạn trên trục. | Định vị vòng bi trong ổ đỡ. |
| Hướng lắp | Lắp từ bên ngoài. | Lắp từ bên trong. |
9. Cách Phân Biệt Phe Gài Trục MS-PRO Thật – Giả – Lời Khuyên Từ Chuyên Gia Mecsu
Để đảm bảo bạn mua được phe gài trục MS-PRO chính hãng tại TP.HCM và các tỉnh lân cận, Mecsu khuyến nghị kiểm tra các dấu hiệu sau:
a. Dấu hiệu của phe gài trục MS-PRO chính hãng:
- Bao bì và nhãn mác chất lượng cao: Sản phẩm chính hãng thường được đóng gói cẩn thận, nhãn mác rõ ràng, có đầy đủ thông tin về sản phẩm, vật liệu, kích thước và tiêu chuẩn. Với sản phẩm này là đóng gói 10 cái/bịch.
- Độ hoàn thiện bề mặt tốt: Phe gài chính hãng có bề mặt nhẵn mịn, không có ba via, không có dấu hiệu rỉ sét hay các vết lỗi gia công. Các mắt phe được uốn cong đều và không biến dạng.
- Độ chính xác kích thước: Kích thước phe gài phải tuân thủ chặt chẽ tiêu chuẩn DIN 471. Bạn có thể dùng thước kẹp điện tử để kiểm tra các thông số như độ dày (1.2mm), đường kính trong (24.9mm) và đảm bảo chúng khớp với thông số kỹ thuật.
- Vật liệu đúng chuẩn: Phe gài Inox 420 thật sẽ có độ cứng và độ đàn hồi tốt, không bị biến dạng vĩnh viễn khi lắp đặt đúng cách.
- Chứng từ đầy đủ: Nhà cung cấp uy tín sẽ cung cấp đầy đủ chứng từ xuất xứ và chất lượng nếu bạn yêu cầu, đảm bảo nguồn gốc sản phẩm.
b. Dấu hiệu của phe gài trục hàng giả/nhái:
- Bề mặt thô ráp, có các vết xước, ba via, hoặc dấu hiệu rỉ sét sớm.
- Kích thước không chính xác, không đúng tiêu chuẩn, dẫn đến việc lắp đặt khó khăn hoặc lỏng lẻo sau khi gài.
- Vật liệu kém chất lượng, dễ bị biến dạng vĩnh viễn khi dùng kìm hoặc bị gãy sau một thời gian sử dụng.
- Giá bán rẻ bất thường so với thị trường – đây là dấu hiệu cảnh báo lớn nhất.
10. Giá Bán & Gợi Ý Mua Phe Gài Trục Chính Hãng Tại TP.HCM
a. Giá phe gài trục MS-PRO D27x1.2 (TP.Hồ Chí Minh) tại Mecsu: Giá: 39,152 đ / Bịch (đã có VAT) – Giá hợp lý, phù hợp với chất lượng sản phẩm chính hãng
Liên hệ để nhận báo giá tốt nhất (giá có thể thay đổi tùy thời điểm và số lượng) – mức giá hợp lý, phù hợp với chất lượng sản phẩm chính hãng MS-PRO tại thị trường linh kiện cơ khí TP.HCM.
b. Gợi ý mua phe gài chính hãng MS-PRO uy tín
- Chọn nhà cung cấp uy tín tại TP.HCM: Ưu tiên các đối tác có danh tiếng, cung cấp đầy đủ thông tin sản phẩm và có chính sách bảo hành, đổi trả rõ ràng.
- Kiểm tra chứng từ đầy đủ: Luôn yêu cầu chứng từ chất lượng sản phẩm để đảm bảo nguồn gốc.
- Mua tại Mecsu – Nhà phân phối chính hãng: Mecsu tự hào là nhà cung cấp các sản phẩm phe gài MS-PRO và các loại linh kiện cơ khí chất lượng cao khác với nhiều lợi ích vượt trội:
- 100% sản phẩm chính hãng: Đảm bảo nguồn gốc rõ ràng, đầy đủ thông tin kỹ thuật. Chúng tôi cam kết hoàn tiền 100% hoặc đổi trả nếu sản phẩm không đúng chất lượng.
- Chính sách bảo hành minh bạch: Hỗ trợ đổi trả nếu có lỗi từ nhà sản xuất, mang lại sự an tâm tuyệt đối cho khách hàng.
- Hỗ trợ kỹ thuật chuyên sâu: Đội ngũ kỹ sư giàu kinh nghiệm sẵn sàng hỗ trợ bạn về kỹ thuật và lựa chọn sản phẩm phù hợp nhất cho mọi ứng dụng.
- Giá cả cạnh tranh: Đảm bảo mức giá tốt nhất đi kèm chất lượng, với chính sách chiết khấu hấp dẫn cho đơn hàng số lượng lớn.
MUA THÊM NHIỀU LOẠI PHE GÀI CHÍNH HÃNG KHÁC TẠI MECSU
11. FAQ về Phe Gài Trục Inox 420 DIN471 D27x1.2
a. Phe gài trục Inox 420 có chống gỉ hoàn toàn không?
Vật liệu Inox 420 có khả năng chống ăn mòn tốt trong môi trường thông thường, nhưng không hoàn toàn miễn nhiễm với gỉ sét. Đối với môi trường có tính ăn mòn cao như nước mặn hoặc hóa chất mạnh, bạn nên cân nhắc sử dụng các loại phe gài làm từ Inox 316 hoặc các vật liệu chuyên dụng khác.
b. Tiêu chuẩn DIN 471 có ý nghĩa gì đối với sản phẩm này?
Tiêu chuẩn DIN 471 quy định các thông số kỹ thuật và kích thước cho phe gài trục. Việc tuân thủ tiêu chuẩn này đảm bảo phe gài MS-PRO D27x1.2 có độ chính xác cao và phù hợp với các trục có kích thước tương ứng, mang lại sự an toàn và hiệu quả cho thiết bị.
c. Phe gài trục có sử dụng lại được không?
Phe gài trục có thể được sử dụng lại nếu nó không bị biến dạng trong quá trình tháo gỡ. Tuy nhiên, nếu phe bị cong, vênh, hoặc mất đi độ đàn hồi, bạn nên thay thế bằng một phe mới để đảm bảo chức năng định vị và an toàn tối đa.
d. Làm sao biết phe gài MS-PRO của tôi là hàng chính hãng?
Bạn nên mua từ nhà phân phối uy tín (như Mecsu), kiểm tra bao bì, nhãn mác rõ ràng. Phe chính hãng sẽ có độ hoàn thiện bề mặt tốt, không có ba via, và các kích thước chính xác theo tiêu chuẩn.
12. Liên Hệ và Hỗ Trợ Tư Vấn Mua Phe Gài
Nếu bạn có bất kỳ thắc mắc nào về phe gài trục hoặc cần tư vấn về giải pháp linh kiện cơ khí cho ứng dụng cụ thể của mình, đừng ngần ngại liên hệ với đội ngũ chuyên gia của Mecsu. Chúng tôi luôn sẵn lòng hỗ trợ bạn tìm ra sản phẩm phù hợp và tối ưu nhất, đồng thời cung cấp những kiến thức độc quyền về kỹ thuật lắp đặt và bảo trì mà bạn khó tìm thấy ở nơi khác.
Địa chỉ: B28/I – B29/I Đường số 2B, KCN Vĩnh Lộc, P. Bình Hưng Hòa B, Q. Bình Tân, TP.HCM
Hotline: 1800 8137
Email: [email protected]
Website: mecsu.vn
13. Thông Tin Bổ Sung & Kinh Nghiệm Thực Tế Từ Mecsu
a. Kinh Nghiệm Thực Tế & Câu Chuyện Thành Công
Tại Mecsu, chúng tôi tự hào là đối tác tin cậy của nhiều doanh nghiệp trong việc cung cấp các giải pháp linh kiện cơ khí chất lượng cao. Phe gài trục Inox 420 DIN471 D27x1.2, với đặc tính chống gỉ sét và khả năng định vị chắc chắn, đã được ứng dụng trong nhiều dự án quan trọng của khách hàng chúng tôi tại TP. Hồ Chí Minh và các tỉnh lân cận, mang lại hiệu quả vượt trội và là minh chứng cho chất lượng sản phẩm cùng kinh nghiệm thực tế của đội ngũ Mecsu:
- Ngành sản xuất máy bơm công nghiệp: Chúng tôi đã cung cấp phe gài trục D27x1.2 cho một nhà sản xuất máy bơm tại Bình Dương. Phe gài được sử dụng để cố định các cánh quạt và bộ phận truyền động trên trục động cơ, đảm bảo hoạt động ổn định và bền bỉ trong môi trường ẩm ướt.
- Lĩnh vực thiết bị chế biến thực phẩm: Phe gài Inox 420 được lựa chọn cho các ứng dụng trong dây chuyền sản xuất thực phẩm do khả năng chống ăn mòn tốt trong môi trường tiếp xúc với nước và các chất lỏng khác, giúp bảo vệ các chi tiết máy và duy trì vệ sinh an toàn.
- Thiết bị chế biến nông sản: Một khách hàng chuyên sản xuất máy chế biến nông sản đã ứng dụng phe gài D27x1.2 vào các bộ phận trục quay chính. Khả năng định vị chắc chắn và độ bền của phe đã giúp máy móc hoạt động ổn định và kéo dài tuổi thọ trong môi trường có nhiều tạp chất.
b. Trích Dẫn Chuyên Gia
“Phe gài trục Inox 420 DIN471 là một lựa chọn tuyệt vời cho các ứng dụng cần sự cân bằng giữa độ bền cơ học và khả năng chống ăn mòn. Tiêu chuẩn DIN 471 đảm bảo độ chính xác lắp ráp, trong khi vật liệu Inox 420 mang lại độ cứng cần thiết và khả năng chống gỉ cơ bản, rất phù hợp cho nhiều loại máy móc trong môi trường công nghiệp.”
— “Kỹ sư cơ khí Chuyên gia kỹ thuật Mecsu” (TP. Hồ Chí Minh) – Với hơn 10 năm kinh nghiệm trong lĩnh vực “linh kiện cơ khí và bạc đạn công nghiệp”.
c. Tài Liệu Tham Khảo và Nghiên Cứu
Nội dung bài viết này được biên soạn dựa trên các tài liệu kỹ thuật chính thức và đáng tin cậy từ MS-PRO, cùng với kinh nghiệm thực tế chuyên sâu của đội ngũ kỹ sư Mecsu, đảm bảo tính chính xác, cập nhật và chuyên môn cao:
- MS-PRO Product Catalog (Danh mục sản phẩm MS-PRO chính thức) – Nguồn dữ liệu kỹ thuật chi tiết nhất về “phe gài trục”.
- Tài liệu kỹ thuật và bảng dữ liệu (Datasheet) chi tiết của phe gài DIN 471 – Nguồn thông số kỹ thuật chính xác.
- Tiêu chuẩn DIN 471 và ISO 471 về phe gài trục – Tài liệu tham khảo quốc tế về các yêu cầu kỹ thuật.
- Trải nghiệm thực tế và phản hồi từ các dự án khách hàng của Mecsu – “Dữ liệu độc nhất” được thu thập từ hơn 10 năm cung cấp “linh kiện cơ khí” và “giải pháp cho nhà máy” cho các doanh nghiệp tại Việt Nam.
Biên soạn bởi: Đội ngũ Kỹ sư Mecsu
Với hơn 10 năm kinh nghiệm chuyên sâu trong lĩnh vực phân phối và tư vấn giải pháp linh kiện cơ khí, đội ngũ kỹ sư của Mecsu cam kết mang đến những thông tin chính xác, cập nhật và hữu ích nhất, giúp quý khách hàng đưa ra lựa chọn sản phẩm tối ưu cho mọi ứng dụng.
(Xem thêm thông tin về chúng tôi tại Website Mecsu)
Lưu ý: Hình ảnh sản phẩm có thể khác biệt so với thực tế tùy theo lô sản xuất của MS-PRO. Vui lòng tham khảo thông số kỹ thuật chi tiết hoặc liên hệ Mecsu để có thông tin chính xác nhất về sản phẩm.



















Đánh giá
Chưa có đánh giá nào.