Mô tả sản phẩm
Thông tin CHUYÊN SÂU về Phe Gài Trục Inox 420 DIN471 D28x1.5
Mục Lục
- 1. Phe Gài Trục Inox 420 D28x1.5 Là Gì? – Giải Thích Chuyên Sâu
- 2. Thông Số Kỹ Thuật Chi Tiết của Phe Gài Trục DIN471 D28x1.5
- 3. Cấu Tạo Chi Tiết Phe Gài Trục D28x1.5
- 4. Phân Tích Chuyên Sâu: Tiêu Chuẩn DIN 471 và Vật Liệu Inox 420 của D28x1.5
- 5. Ưu và Nhược Điểm của Phe Gài Trục D28x1.5
- 6. Ứng Dụng Thực Tế của Phe Gài Trục D28x1.5
- 7. Hướng Dẫn Lắp Đặt và Tháo Gỡ Phe Gài Trục D28x1.5
- 8. So Sánh Phe Gài DIN471 D28x1.5 với các loại Phe Gài khác
- 9. Cách Phân Biệt Phe Gài MS-PRO Thật – Giả – Lời Khuyên Từ Chuyên Gia Mecsu
- 10. Giá Bán & Gợi Ý Mua Phe Gài Trục D28x1.5 Chính Hãng Tại TP.HCM
- 11. FAQ về Phe Gài Trục D28x1.5
- 12. Liên Hệ và Hỗ Trợ Tư Vấn Mua Phe Gài Trục
- 13. Thông Tin Bổ Sung & Kinh Nghiệm Thực Tế Từ Mecsu
1. Phe Gài Trục Inox 420 D28x1.5 Là Gì? – Giải Thích Chuyên Sâu
Phe gài trục Inox 420 DIN471 D28x1.5 là một loại vòng hãm trục (retaining ring for shaft) tiêu chuẩn, được thiết kế để định vị các chi tiết cơ khí trên trục. Mã “D28” là ký hiệu kích thước tiêu chuẩn, với đường kính trục sử dụng là 28 mm, độ dày 1.5 mm và được làm từ vật liệu inox 420. Tiêu chuẩn “DIN 471” là điểm nhấn quan trọng, chỉ ra rằng phe gài này tuân thủ các yêu cầu kỹ thuật nghiêm ngặt của Đức về kích thước và đặc tính cơ học.
Phe gài trục D28x1.5 hoạt động bằng cách lắp vào rãnh đã được gia công sẵn trên trục. Lực đàn hồi của phe gài sẽ giữ chặt chi tiết (như vòng bi, bánh răng) và ngăn không cho chúng dịch chuyển dọc trục. Vật liệu Inox 420 giúp phe gài có khả năng chống ăn mòn tốt và độ cứng cao sau khi xử lý nhiệt, lý tưởng cho các ứng dụng yêu cầu độ bền và khả năng chống rỉ sét.
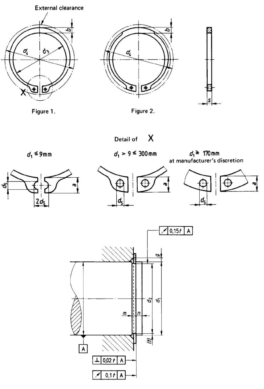
2. Thông Số Kỹ Thuật Chi Tiết của Phe Gài Trục DIN471 D28x1.5
D: Đường kính trục sử dụng
T: Độ dày phe gài
B: Bề rộng rãnh sử dụng
d3: Đường kính rãnh sử dụng
| Thông số | Giá trị |
|---|---|
| Mã sản phẩm | D28x1.5 |
| Loại phe gài | Phe Gài Trục (Vòng Hãm Trục) |
| Dùng cho trục | 28 mm |
| Đường kính rãnh sử dụng (d3) | 26.6 mm |
| Bề rộng rãnh sử dụng (B) | 1.6 mm |
| Đường kính trong (d) | 25.9 mm |
| Độ dày (T) | 1.5 mm |
| Chất liệu | Inox 420 |
| Tiêu chuẩn | DIN 471 |
| Độ cứng | 45 – 55 HRC |
| Độ đàn hồi | Tốt |
| Khả năng chống ăn mòn | Khá tốt |
| Thương hiệu | MS-PRO |
| Trọng lượng tinh của sản phẩm | ~ 0.003 kg |
3. Cấu Tạo Chi Tiết Phe Gài Trục D28x1.5
Phe gài trục DIN471 D28x1.5 có cấu tạo đơn giản nhưng đóng vai trò quan trọng trong việc định vị và hãm chi tiết. Cấu tạo chính bao gồm:
Sơ đồ cấu tạo Phe Gài Trục DIN 471:
- Thân phe gài: Là một vòng tròn hở được chế tạo từ thép tấm Inox 420, có độ dày đồng nhất.
- Mấu gài: Hai đầu của vòng phe được uốn cong tạo thành hai mấu nhỏ, đây là nơi để kìm chuyên dụng bóp vào khi lắp đặt hoặc tháo gỡ.
- Rãnh trên trục: Phe gài được thiết kế để vừa khít với rãnh đã gia công sẵn trên trục. Kích thước rãnh này phải tuân thủ tiêu chuẩn DIN 471 để đảm bảo phe gài hoạt động hiệu quả.
4. Phân Tích Chuyên Sâu: Tiêu Chuẩn DIN 471 và Vật Liệu Inox 420 của D28x1.5
Để thực sự hiểu giá trị của phe gài trục DIN471 D28x1.5, việc phân tích sâu hơn về hai yếu tố then chốt: “tiêu chuẩn DIN 471” và “vật liệu Inox 420” là rất quan trọng.
Tiêu chuẩn “DIN 471” – Đảm bảo độ chính xác và an toàn:
- Chức năng chính: Tiêu chuẩn DIN 471 của Đức quy định chi tiết về kích thước, dung sai và đặc tính cơ học của vòng hãm trục ngoài (external retaining rings for shafts).
- Đặc điểm nổi bật: Tiêu chuẩn này đảm bảo rằng phe gài D28x1.5 có các thông số kỹ thuật chính xác, như đường kính rãnh, bề rộng rãnh và đường kính trong, giúp phe gài lắp vừa khít và an toàn trên trục 28mm.
- Ưu điểm vượt trội: Tuân thủ DIN 471 giúp phe gài có độ tin cậy cao, chịu được tải trọng dọc trục hiệu quả và dễ dàng thay thế mà không cần phải lo lắng về sự không tương thích.
Vật liệu “Inox 420” – Sức mạnh và khả năng chống ăn mòn:
- Ý nghĩa: Inox 420 là một loại thép không gỉ mactenxit (martensitic stainless steel).
- Tầm quan trọng: Vật liệu này có hàm lượng carbon cao hơn so với các loại inox thông thường, cho phép nó đạt được độ cứng rất cao (45-55 HRC) thông qua quá trình tôi và ram. Độ cứng này mang lại khả năng chống mài mòn và chịu lực tốt, giúp phe gài hoạt động bền bỉ.
- Lựa chọn phù hợp: Inox 420 cung cấp khả năng chống ăn mòn khá tốt trong môi trường thông thường (không phải môi trường quá khắc nghiệt như nước muối hay axit mạnh), đồng thời đảm bảo độ bền cơ học cần thiết cho chức năng hãm trục.
Sự kết hợp giữa tiêu chuẩn “DIN 471” và vật liệu “Inox 420” giúp Phe Gài Trục D28x1.5 trở thành một giải pháp định vị linh hoạt, đáng tin cậy cho các máy móc cần sự chính xác và khả năng chống rỉ sét nhất định.
5. Ưu và Nhược Điểm của Phe Gài Trục D28x1.5
Phe gài trục Inox 420 D28x1.5 được tin dùng rộng rãi nhờ hiệu suất và độ bền vượt trội. Tuy nhiên, việc lựa chọn tối ưu đòi hỏi phải hiểu rõ cả ưu điểm lẫn nhược điểm của nó.
Ưu điểm nổi bật:
- Độ bền cao và khả năng định vị chắc chắn: Nhờ tuân thủ tiêu chuẩn DIN 471 và vật liệu Inox 420, phe gài có độ cứng và độ đàn hồi tốt, đảm bảo giữ chặt các chi tiết trên trục một cách an toàn.
- Chống ăn mòn: Vật liệu Inox 420 cung cấp khả năng chống ăn mòn hiệu quả trong môi trường bình thường, phù hợp cho nhiều ứng dụng công nghiệp.
- Dễ dàng lắp đặt và tháo gỡ: Thiết kế có hai mấu gài giúp việc lắp đặt và tháo gỡ trở nên nhanh chóng và đơn giản bằng kìm chuyên dụng, tiết kiệm thời gian bảo trì.
- Tiết kiệm chi phí: So với các phương pháp định vị khác như dùng đai ốc, chốt, phe gài có giá thành hợp lý hơn và dễ dàng sử dụng.
- Tính linh hoạt: Là một chi tiết tiêu chuẩn, dễ dàng tìm mua và thay thế khi cần.
Nhược điểm cần lưu ý:
- Khả năng chống ăn mòn hạn chế: Inox 420 không chống ăn mòn tốt bằng các loại inox khác như 304 hay 316. Vì vậy, không nên sử dụng trong môi trường nước biển, axit mạnh hoặc hóa chất ăn mòn cao.
- Yêu cầu gia công rãnh chính xác: Việc lắp đặt phe gài yêu cầu trục phải được gia công rãnh với kích thước và dung sai chính xác theo tiêu chuẩn DIN 471. Nếu rãnh không đúng chuẩn, phe gài có thể bị lỏng hoặc gãy.
- Không chịu được tải trọng quá lớn: Mặc dù có khả năng chịu tải tốt, phe gài không phải là giải pháp cho các ứng dụng có tải trọng dọc trục cực lớn hoặc chịu lực va đập liên tục.
6. Ứng Dụng Thực Tế của Phe Gài Trục D28x1.5
Với kích thước tiêu chuẩn và khả năng định vị chắc chắn, phe gài trục DIN471 D28x1.5 được ứng dụng rộng rãi trong nhiều lĩnh vực công nghiệp và dân dụng tại TP. Hồ Chí Minh và các khu công nghiệp lân cận:
- Máy móc công nghiệp: Định vị vòng bi, bánh răng, puly và các chi tiết khác trên trục trong các máy công cụ, máy bơm, quạt công nghiệp.
- Hộp số và thiết bị truyền động: Đảm bảo các bánh răng và chi tiết khác không bị dịch chuyển trong quá trình truyền động.
- Thiết bị nông nghiệp và xây dựng: Sử dụng trong các bộ phận trục quay của máy móc nhỏ, nơi cần sự định vị đơn giản nhưng hiệu quả.
- Thiết bị gia dụng: Có thể tìm thấy trong các thiết bị như máy giặt, máy hút bụi, quạt điện, nơi các trục quay cần được hãm lại.
- Xe đạp và xe máy: Sử dụng để định vị các chi tiết như vòng bi trong hệ thống bánh xe, phanh.
7. Hướng Dẫn Lắp Đặt và Tháo Gỡ Phe Gài Trục D28x1.5
Để đảm bảo hiệu suất và an toàn tối ưu cho phe gài trục D28x1.5, việc lắp đặt và tháo gỡ đúng cách là vô cùng quan trọng. Luôn tuân thủ các nguyên tắc an toàn và sử dụng dụng cụ chuyên dụng. Mecsu cung cấp hướng dẫn chi tiết dựa trên kinh nghiệm thực tế:
- Chuẩn bị: Đảm bảo trục và rãnh sạch sẽ, không có ba via, rỉ sét. Chuẩn bị kìm phe gài chuyên dụng có đầu bóp phù hợp với kích thước D28. Luôn đeo kính bảo hộ để tránh phe gài bật ra gây nguy hiểm.
- Lắp đặt:
- Sử dụng kìm phe gài chuyên dụng, bóp hai mấu gài của phe gài lại với nhau. Điều này sẽ làm đường kính ngoài của phe gài nhỏ lại.
- Từ từ đưa phe gài vào trục cho đến khi nó tiếp cận rãnh đã gia công.
- Nhả tay cầm kìm để phe gài bung ra và gài chặt vào rãnh. Đảm bảo phe gài đã nằm gọn và chắc chắn trong rãnh, không bị lỏng.
- Tháo gỡ:
- Sử dụng kìm phe gài chuyên dụng, bóp hai mấu gài lại.
- Nhẹ nhàng tháo phe gài ra khỏi rãnh.
- Tránh dùng tua vít hoặc các dụng cụ không chuyên để nạy phe gài, điều này có thể làm biến dạng phe gài hoặc làm hỏng rãnh trên trục.
- Bảo quản: Nếu không sử dụng ngay, hãy giữ phe gài trong bao bì gốc của nhà sản xuất, ở nơi khô ráo, thoáng mát, tránh tiếp xúc trực tiếp với hóa chất ăn mòn để ngăn ngừa rỉ sét và duy trì độ bền.
8. So Sánh Phe Gài DIN471 D28x1.5 với các loại Phe Gài khác
Việc hiểu rõ sự khác biệt giữa các loại phe gài sẽ giúp bạn lựa chọn sản phẩm phù hợp nhất cho ứng dụng của mình, tối ưu hóa hiệu suất và chi phí đầu tư:
| Tiêu chí | Phe Gài Trục (DIN 471) | Phe Gài Lỗ (DIN 472) | Vòng Hãm E (DIN 6799) |
|---|---|---|---|
| Ứng dụng | Sử dụng cho trục | Sử dụng cho lỗ | Sử dụng cho các chi tiết nhỏ trên trục |
| Hình dạng | Vòng hở, hai mấu hướng ra ngoài | Vòng hở, hai mấu hướng vào trong | Hình chữ “E” với ba mấu tiếp xúc |
| Dụng cụ lắp | Kìm bóp phe gài | Kìm bung phe gài | Kìm hoặc dụng cụ đóng chuyên dụng |
| Độ chắc chắn | Rất cao, chịu tải dọc trục tốt | Rất cao, chịu tải dọc trục tốt | Trung bình, phù hợp cho tải nhẹ |
| Giá thành | Trung bình | Trung bình | Thấp nhất |
| Ứng dụng điển hình | Định vị vòng bi, bánh răng trên trục | Định vị vòng bi trong lỗ | Hãm bánh xe đồ chơi, các bộ phận nhỏ trong thiết bị |
9. Cách Phân Biệt Phe Gài MS-PRO Thật – Giả – Lời Khuyên Từ Chuyên Gia Mecsu
Thị trường hiện nay có rất nhiều hàng giả, hàng nhái kém chất lượng, đặc biệt là với các sản phẩm phe gài chính hãng được ưa chuộng. Để đảm bảo bạn mua được phe gài trục Inox 420 MS-PRO chính hãng tại TP.HCM, Mecsu khuyến nghị kiểm tra các dấu hiệu sau:
a. Dấu hiệu của Phe Gài Trục MS-PRO chính hãng:
- Bao bì chất lượng cao: Sắc nét, thông tin sản phẩm rõ ràng, đầy đủ mã vạch/QR code và thông tin xuất xứ. Bạn sẽ thấy sự tỉ mỉ trong từng chi tiết.
- Hoàn thiện sản phẩm tinh xảo: Bề mặt nhẵn mịn, không có ba via, không có dấu hiệu rỉ sét, đường cắt đều và sắc nét, đảm bảo độ chính xác cao.
- Độ đàn hồi tốt: Khi bóp kìm vào, phe gài có độ đàn hồi cao, không bị biến dạng vĩnh viễn sau khi nhả ra.
- Đầy đủ chứng từ: Nhà cung cấp uy tín sẽ cung cấp đầy đủ chứng từ xuất xứ và chất lượng, đảm bảo nguồn gốc sản phẩm.
b. Dấu hiệu của Phe Gài Trục MS-PRO hàng giả/nhái:
- Bao bì thô, thông tin thiếu hoặc không chính xác.
- Sản phẩm có bề mặt thô, có nhiều ba via, dễ bị biến dạng hoặc rỉ sét.
- Độ đàn hồi kém, có thể bị biến dạng sau một vài lần sử dụng.
- Giá bán rẻ bất thường so với mức giá thị trường của sản phẩm chính hãng – đây là dấu hiệu cảnh báo lớn nhất.
10. Giá Bán & Gợi Ý Mua Phe Gài Trục D28x1.5 Chính Hãng Tại TP.HCM
a. Giá phe gài trục D28x1.5 (TP.Hồ Chí Minh) tại Mecsu: Giá: 3,439 đ / Cái (đã có VAT) – Giá hợp lý, phù hợp với chất lượng sản phẩm chính hãng
Liên hệ để nhận báo giá tốt nhất (giá có thể thay đổi tùy thời điểm và số lượng) – mức giá hợp lý, phù hợp với chất lượng sản phẩm chính hãng MS-PRO tại thị trường linh kiện cơ khí TP.HCM.
b. Gợi ý mua phe gài chính hãng MS-PRO uy tín
- Chọn nhà cung cấp uy tín tại TP.HCM: Ưu tiên đối tác có chứng nhận từ MS-PRO hoặc đơn vị lâu năm, được nhiều khách hàng tin tưởng và có danh tiếng trên thị trường cung cấp linh kiện cơ khí tại TP.HCM.
- Kiểm tra chứng từ đầy đủ: Luôn yêu cầu đầy đủ chứng từ để đảm bảo nguồn gốc và chất lượng sản phẩm.
- Mua tại Mecsu – Đại lý ủy quyền MS-PRO tại Việt Nam: Mecsu tự hào là nhà phân phối chính hãng MS-PRO tại Việt Nam, cam kết cung cấp “phe gài trục D28x1.5 chính hãng” và các loại “vòng hãm khác” với nhiều lợi ích vượt trội:
- 100% sản phẩm chính hãng: Đảm bảo nguồn gốc rõ ràng, đầy đủ chứng từ. Chúng tôi cam kết hoàn tiền 100% hoặc đổi trả nếu sản phẩm không phải chính hãng.
- Chính sách bảo hành minh bạch: Hỗ trợ đổi trả nếu có lỗi từ nhà sản xuất, mang lại sự an tâm tuyệt đối cho khách hàng.
- Hỗ trợ kỹ thuật chuyên sâu: Đội ngũ kỹ sư giàu kinh nghiệm sẵn sàng hỗ trợ bạn về kỹ thuật và lựa chọn sản phẩm phù hợp nhất cho mọi ứng dụng.
- Giá cả cạnh tranh: Đảm bảo mức giá tốt nhất đi kèm chất lượng, với chính sách chiết khấu hấp dẫn cho đơn hàng số lượng lớn, đặc biệt khi “mua phe gài số lượng lớn”.
MUA THÊM NHIỀU LOẠI PHE GÀI CHÍNH HÃNG KHÁC TẠI MECSU
11. FAQ về Phe Gài Trục D28x1.5
a. Phe gài trục D28x1.5 có cần bảo dưỡng không?
Phe gài trục D28x1.5 không cần bảo dưỡng định kỳ. Tuy nhiên, bạn nên kiểm tra định kỳ để đảm bảo phe gài không bị biến dạng, ăn mòn hoặc bị lỏng sau một thời gian dài sử dụng.
b. Phe gài trục khác gì phe gài lỗ?
Phe gài trục (DIN 471) được thiết kế để lắp trên các rãnh gia công trên trục (đường kính ngoài). Phe gài lỗ (DIN 472) được thiết kế để lắp trong các rãnh gia công bên trong một lỗ (đường kính trong). Chúng có hình dạng và dụng cụ lắp đặt khác nhau.
c. Vật liệu Inox 420 có chống ăn mòn tốt không?
Vật liệu Inox 420 có khả năng chống ăn mòn khá tốt trong môi trường thông thường, đặc biệt là trong môi trường khô ráo. Tuy nhiên, nó không phù hợp cho các môi trường có tính ăn mòn cao như hóa chất mạnh, nước biển, vì khả năng chống rỉ sét của nó kém hơn các loại inox như 304 hay 316.
d. Làm sao biết phe gài D28x1.5 của tôi là hàng chính hãng MS-PRO?
Bạn nên mua từ nhà phân phối ủy quyền (như Mecsu), kiểm tra bao bì sản phẩm, chất lượng hoàn thiện của phe gài (không có ba via, bề mặt nhẵn mịn, đường cắt sắc nét) và quan trọng nhất là yêu cầu đầy đủ chứng từ xuất xứ và chất lượng.
e. Khi nào cần thay thế phe gài D28x1.5?
Bạn nên thay thế phe gài khi nhận thấy các dấu hiệu sau:
- Biến dạng vật lý: Phe gài bị cong, vênh, nứt hoặc móp méo.
- Rỉ sét hoặc ăn mòn: Bị rỉ sét nặng, ảnh hưởng đến độ bền và tính thẩm mỹ.
- Độ đàn hồi kém: Khi tháo ra, phe gài không trở lại hình dạng ban đầu, có nghĩa là đã mất đi độ đàn hồi cần thiết.
Kinh nghiệm từ các kỹ sư Mecsu: Việc kiểm tra định kỳ bằng mắt thường có thể giúp phát hiện sớm các dấu hiệu cần thay thế, tránh gây hư hại nghiêm trọng hơn cho toàn bộ hệ thống. Đừng ngần ngại liên hệ chúng tôi để được hỗ trợ kỹ thuật về lắp đặt phe gài hoặc thay thế vòng hãm kịp thời.
f. Mua phe gài trục D28x1.5 chính hãng, uy tín ở đâu tại TP.HCM?
Mua phe gài trục D28x1.5 chính hãng và đảm bảo chất lượng tại TP.HCM, bạn hãy liên hệ ngay với Mecsu. Chúng tôi tự hào là nhà cung cấp uy tín, chuyên phân phối các sản phẩm MS-PRO chính hãng tại Việt Nam.
- Cam kết chất lượng: 100% sản phẩm có nguồn gốc rõ ràng, đầy đủ chứng từ CO, CQ. Chúng tôi cam kết hoàn tiền 100% hoặc đổi trả nếu sản phẩm không phải chính hãng.
- Giá cả cạnh tranh: Đảm bảo mức giá tốt nhất đi kèm chất lượng, với chính sách chiết khấu hấp dẫn cho đơn hàng số lượng lớn.
- Tư vấn chuyên sâu: Đội ngũ kỹ sư giàu kinh nghiệm sẵn sàng hỗ trợ bạn về kỹ thuật và lựa chọn sản phẩm phù hợp nhất.
- Chính sách hậu mãi: Đảm bảo quyền lợi tối đa cho khách hàng với dịch vụ hỗ trợ nhanh chóng, tận tâm.
12. Liên Hệ và Hỗ Trợ Tư Vấn Mua Phe Gài Trục
Nếu bạn có bất kỳ thắc mắc nào về phe gài trục D28x1.5 hoặc cần tư vấn về giải pháp vòng hãm cho ứng dụng cụ thể của mình, đừng ngần ngại liên hệ với đội ngũ chuyên gia của Mecsu. Chúng tôi luôn sẵn lòng hỗ trợ bạn tìm ra sản phẩm phù hợp và tối ưu nhất, đồng thời cung cấp những kiến thức độc quyền về kỹ thuật định vị chi tiết cơ khí mà bạn khó tìm thấy ở nơi khác.
Địa chỉ: B28/I – B29/I Đường số 2B, KCN Vĩnh Lộc, P. Bình Hưng Hòa B, Q. Bình Tân, TP.HCM
Hotline: 1800 8137
Email: [email protected]
Website: mecsu.vn
13. Thông Tin Bổ Sung & Kinh Nghiệm Thực Tế Từ Mecsu
a. Kinh Nghiệm Thực Tế & Câu Chuyện Thành Công
Tại Mecsu, chúng tôi tự hào là đối tác tin cậy của nhiều doanh nghiệp trong việc cung cấp các giải pháp định vị chất lượng cao. Phe gài trục D28x1.5, với đặc tính chịu tải tốt và độ bền cao, đã được ứng dụng trong nhiều dự án quan trọng của khách hàng chúng tôi tại TP. Hồ Chí Minh và các tỉnh lân cận, mang lại hiệu quả vượt trội và là minh chứng cho chất lượng sản phẩm cùng kinh nghiệm thực tế của đội ngũ Mecsu:
a. Kinh Nghiệm Thực Tế & Câu Chuyện Thành Công
Tại Mecsu, chúng tôi tự hào là đối tác tin cậy của nhiều doanh nghiệp trong việc cung cấp các giải pháp định vị chất lượng cao. “Phe gài trục D28x1.5”, với đặc tính chịu tải tốt và độ bền cao, đã được ứng dụng trong nhiều dự án quan trọng của khách hàng chúng tôi tại “TP. Hồ Chí Minh” và các tỉnh lân cận, mang lại hiệu quả vượt trội và là minh chứng cho chất lượng sản phẩm cùng kinh nghiệm thực tế của đội ngũ Mecsu:
- Ngành sản xuất máy công cụ: Chúng tôi đã cung cấp “phe gài trục D28x1.5” cho một nhà sản xuất máy CNC tại Bình Dương. Nhờ khả năng định vị chính xác và độ bền cao, phe gài này đã góp phần đáng kể vào việc nâng cao độ chính xác và độ tin cậy của máy móc.
- Lĩnh vực máy bơm công nghiệp: Phe gài trục D28x1.5 được lựa chọn để định vị cánh bơm trên trục trong các ứng dụng máy bơm. Độ tin cậy của “phe gài chính hãng” đã giúp máy bơm hoạt động ổn định trong thời gian dài, ngay cả trong điều kiện làm việc liên tục.
- Thiết bị chế biến thực phẩm: Một khách hàng chuyên sản xuất thiết bị chế biến thực phẩm đã ứng dụng “phe gài trục” vào các bộ phận trục quay chính. Khả năng chống ăn mòn của vật liệu Inox 420 đã giúp máy móc hoạt động ổn định và an toàn trong môi trường ẩm ướt.
b. Trích Dẫn Chuyên Gia
““Phe gài trục D28x1.5” là một lựa chọn tuyệt vời cho các ứng dụng công nghiệp cần sự cân bằng hoàn hảo giữa khả năng chịu tải và độ bền. Tiêu chuẩn DIN 471 đảm bảo độ chính xác, trong khi vật liệu Inox 420 mang lại khả năng chống ăn mòn và độ cứng cần thiết. Đây là giải pháp đáng tin cậy và hiệu quả cho nhiều loại máy móc trong môi trường công nghiệp.”
— “Kỹ sư cơ khí Chuyên gia kỹ thuật Mecsu” (TP. Hồ Chí Minh) – Với hơn 10 năm kinh nghiệm trong lĩnh vực “linh kiện cơ khí công nghiệp”.
c. Tài Liệu Tham Khảo và Nghiên Cứu
Nội dung bài viết này được biên soạn dựa trên các tài liệu kỹ thuật chính thức và đáng tin cậy từ MS-PRO, cùng với kinh nghiệm thực tế chuyên sâu của đội ngũ kỹ sư Mecsu, đảm bảo tính chính xác, cập nhật và chuyên môn cao:
- MS-PRO Product Catalog (Danh mục sản phẩm MS-PRO chính thức) – Nguồn dữ liệu kỹ thuật chi tiết nhất về “phe gài MS-PRO”.
- Tài liệu kỹ thuật DIN 471 (Thông tin chuyên sâu về “tiêu chuẩn vòng hãm trục DIN”) – Cung cấp cái nhìn toàn diện về tiêu chuẩn này.
- Bảng dữ liệu kỹ thuật (Datasheet) chi tiết của phe gài trục D28x1.5 – Nguồn thông số kỹ thuật chính xác.
- Trải nghiệm thực tế và phản hồi từ các dự án khách hàng của Mecsu – “Dữ liệu độc nhất” được thu thập từ hơn 10 năm cung cấp “linh kiện cơ khí” và “giải pháp định vị” cho các doanh nghiệp tại Việt Nam.
Biên soạn bởi: Đội ngũ Kỹ sư Mecsu
Với hơn 10 năm kinh nghiệm chuyên sâu trong lĩnh vực phân phối và tư vấn giải pháp linh kiện cơ khí, đội ngũ kỹ sư của Mecsu cam kết mang đến những thông tin chính xác, cập nhật và hữu ích nhất, giúp quý khách hàng đưa ra lựa chọn sản phẩm tối ưu cho mọi ứng dụng.
(Xem thêm thông tin về chúng tôi tại Website Mecsu)
Lưu ý: Hình ảnh sản phẩm có thể khác biệt so với thực tế tùy theo lô sản xuất của MS-PRO. Vui lòng tham khảo thông số kỹ thuật chi tiết hoặc liên hệ Mecsu để có thông tin chính xác nhất về sản phẩm.



















Đánh giá
Chưa có đánh giá nào.