Mô tả sản phẩm
Thông tin CHUYÊN SÂU về Phe Gài Trục Inox 420 DIN471 D29x1.5
Mục Lục
- 1. Phe Gài Trục Inox 420 D29x1.5 Là Gì? – Giải Thích Chuyên Sâu
- 2. Thông Số Kỹ Thuật Chi Tiết của Phe Gài Trục Inox 420 D29x1.5
- 3. Cấu Tạo Chi Tiết Phe Gài Trục Inox 420 D29x1.5
- 4. Phân Tích Chuyên Sâu: Tiêu Chuẩn DIN471 và Vật Liệu Inox 420
- 5. Ưu và Nhược Điểm của Phe Gài Trục Inox 420 D29x1.5
- 6. Ứng Dụng Thực Tế của Phe Gài Trục Inox 420 D29x1.5
- 7. Hướng Dẫn Lắp Đặt và Tháo Gỡ Phe Gài Trục DIN471
- 8. So Sánh Phe Gài Trục DIN471 với Phe Gài Lỗ DIN472
- 9. Cách Phân Biệt Phe Gài MS-PRO Thật – Giả – Lời Khuyên Từ Chuyên Gia Mecsu
- 10. Giá Bán & Gợi Ý Mua Phe Gài Trục Inox 420 Chính Hãng Tại TP.HCM
- 11. FAQ về Phe Gài Trục Inox 420 D29x1.5
- 12. Liên Hệ và Hỗ Trợ Tư Vấn Mua Phe Gài
- 13. Thông Tin Bổ Sung & Kinh Nghiệm Thực Tế Từ Mecsu
1. Phe Gài Trục Inox 420 D29x1.5 Là Gì? – Giải Thích Chuyên Sâu
Phe gài trục Inox 420 DIN471 D29x1.5 là một loại chi tiết chốt hãm chuyên dụng, được thiết kế để giữ chặt các bộ phận trên trục quay hoặc trục truyền động. Mã “D29x1.5” là ký hiệu kích thước tiêu chuẩn, với đường kính trục (D) là 29mm và độ dày (B) là 1.5mm. Đây là loại phe gài trục, có nghĩa là nó được lắp vào rãnh trên trục để ngăn cản sự di chuyển dọc trục của các chi tiết khác như vòng bi, bánh răng, hoặc puli.
Vật liệu Inox 420 là điểm nhấn quan trọng, chỉ ra rằng phe gài này có khả năng chống gỉ và ăn mòn tốt trong nhiều môi trường, đặc biệt là những môi trường tiếp xúc với nước hoặc hóa chất nhẹ. Tiêu chuẩn DIN 471 đảm bảo rằng sản phẩm tuân thủ các quy định nghiêm ngặt về kích thước, dung sai và chất lượng, mang lại độ tin cậy cao trong các ứng dụng cơ khí.
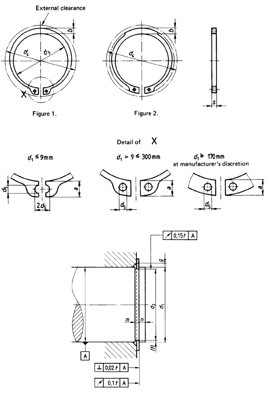
2. Thông Số Kỹ Thuật Chi Tiết của Phe Gài Trục Inox 420 D29x1.5
d: Đường kính trục
d1: Đường kính rãnh sử dụng
a: Độ dày
b: Bề rộng rãnh sử dụng
d3: Đường kính trong
| Thông số | Giá trị |
|---|---|
| Mã sản phẩm | Phe Gài Trục Inox 420 D29x1.5 |
| Loại | Phe Gài Trục |
| Đường kính trục sử dụng (d) | 29 mm |
| Vật liệu | Inox 420 |
| Tiêu chuẩn | DIN 471 |
| Độ dày (a) | 1.5 mm |
| Bề rộng rãnh sử dụng (b) | 1.6 mm |
| Đường kính rãnh sử dụng (d1) | 27.6 mm |
| Đường kính trong (d3) | 26.9 mm |
| Thương hiệu | MS-PRO |
| Trọng lượng tinh của sản phẩm | ~2.5 g |
3. Cấu Tạo Chi Tiết Phe Gài Trục Inox 420 D29x1.5
Phe gài trục DIN471 được cấu tạo từ một vòng kim loại hở, có hai lỗ ở đầu để dễ dàng lắp đặt và tháo gỡ bằng kìm chuyên dụng. Cấu tạo của nó đơn giản nhưng hiệu quả, đảm bảo chức năng hãm và định vị các chi tiết trên trục một cách chắc chắn.
Sơ đồ cấu tạo Phe Gài Trục Inox 420 D29x1.5:
- Thân phe: Là vòng kim loại chính, có hình dạng đặc biệt với đường kính ngoài lớn hơn đường kính rãnh trục một chút, tạo lực nén khi lắp đặt để giữ chặt trong rãnh.
- Vật liệu: Được làm từ Inox 420, một loại thép không gỉ thuộc dòng mactenxit, có độ cứng cao sau khi xử lý nhiệt. Điều này giúp phe gài chịu được lực cắt và momen xoắn tốt.
- Lỗ lắp đặt: Hai lỗ nhỏ ở hai đầu hở của phe, dùng để đưa đầu kìm vào khi lắp hoặc tháo, giúp quá trình thực hiện nhanh chóng và chính xác.
4. Phân Tích Chuyên Sâu: Tiêu Chuẩn DIN471 và Vật Liệu Inox 420
Để thực sự hiểu giá trị của phe gài trục này, việc phân tích sâu hơn về hai yếu tố then chốt: “Tiêu chuẩn DIN471” và “vật liệu Inox 420” là rất quan trọng.
Tiêu chuẩn “DIN471” – Đảm bảo chất lượng và độ chính xác:
- Chức năng chính: DIN 471 là tiêu chuẩn của Đức quy định về kích thước, dung sai, và tính chất cơ học của phe gài trục (circlip for shafts).
- Đặc điểm nổi bật: Tiêu chuẩn này đảm bảo rằng sản phẩm được sản xuất với độ chính xác cao, từ đường kính rãnh, độ dày cho đến đường kính ngoài của phe.
- Ưu điểm vượt trội: Việc tuân thủ DIN 471 giúp phe gài trục MS-PRO tương thích hoàn hảo với các chi tiết cơ khí khác tuân thủ cùng tiêu chuẩn, đảm bảo lực giữ chắc chắn và độ tin cậy trong quá trình hoạt động. Nó cũng giúp người dùng dễ dàng lựa chọn và thay thế sản phẩm.
Vật liệu “Inox 420” – Lựa chọn cho môi trường khắc nghiệt:
- Ý nghĩa: Inox 420 là một loại thép không gỉ có hàm lượng carbon cao, mang lại độ cứng và độ bền vượt trội sau khi nhiệt luyện.
- Tầm quan trọng: Loại vật liệu này giúp phe gài chịu được lực cắt và lực nén cao khi phải giữ chặt các chi tiết trên trục quay.
- Lựa chọn phù hợp: Inox 420 cung cấp khả năng chống ăn mòn hiệu quả hơn so với thép carbon thông thường, rất phù hợp cho các ứng dụng trong môi trường ẩm ướt hoặc tiếp xúc với hóa chất. Tuy nhiên, khả năng chống ăn mòn của nó không bằng các loại inox khác như 304 hay 316, nhưng bù lại có độ cứng cao hơn, lý tưởng cho các chi tiết chịu lực.
Sự kết hợp giữa tiêu chuẩn “DIN471” và vật liệu “Inox 420” giúp phe gài trục D29x1.5 trở thành một giải pháp định vị chắc chắn, đáng tin cậy cho các máy móc cần hoạt động trong môi trường có yêu cầu về chống gỉ và chịu lực cao.
5. Ưu và Nhược Điểm của Phe Gài Trục Inox 420 D29x1.5
Phe gài trục Inox 420 D29x1.5 được tin dùng rộng rãi nhờ hiệu suất và độ bền vượt trội. Tuy nhiên, việc lựa chọn tối ưu đòi hỏi phải hiểu rõ cả ưu điểm lẫn nhược điểm của nó.
Ưu điểm nổi bật:
- Độ bền và khả năng chịu lực cao: Vật liệu Inox 420 sau khi xử lý nhiệt có độ cứng và độ bền cao, giúp phe gài chịu được tải trọng và lực cắt lớn, đảm bảo các chi tiết được giữ chặt.
- Khả năng chống ăn mòn tốt: So với phe gài thép carbon thông thường, phe gài Inox 420 có khả năng chống gỉ sét tốt hơn, thích hợp cho các ứng dụng trong môi trường ẩm ướt hoặc tiếp xúc với hóa chất nhẹ.
- Độ chính xác cao: Sản xuất theo tiêu chuẩn DIN 471, đảm bảo kích thước chính xác, giúp phe gài lắp khít vào rãnh, tối ưu hóa hiệu suất giữ.
- Dễ dàng lắp đặt và tháo gỡ: Thiết kế hai lỗ ở đầu giúp việc sử dụng kìm chuyên dụng trở nên đơn giản, tiết kiệm thời gian và công sức.
Nhược điểm cần lưu ý:
- Khả năng chống ăn mòn hạn chế: Mặc dù chống gỉ tốt hơn thép carbon, Inox 420 không có khả năng chống ăn mòn cao bằng Inox 304 hoặc 316, đặc biệt trong môi trường axit hoặc muối.
- Không phù hợp với tải trọng quá lớn: Mặc dù chịu lực tốt, nhưng với các ứng dụng có tải trọng cực lớn, có thể cần các phương pháp định vị khác phức tạp hơn.
- Giá thành: Mức giá của phe gài Inox 420 có thể cao hơn so với loại phe gài thép carbon thông thường. Tuy nhiên, đây là sự đầu tư xứng đáng cho độ bền và hiệu suất dài hạn.
6. Ứng Dụng Thực Tế của Phe Gài Trục Inox 420 D29x1.5
Với kích thước tiêu chuẩn và đặc tính chống gỉ, phe gài trục Inox 420 D29x1.5 được ứng dụng rộng rãi trong nhiều lĩnh vực công nghiệp và dân dụng tại TP. Hồ Chí Minh và các khu công nghiệp lân cận, đặc biệt là những nơi yêu cầu độ bền và khả năng chống ăn mòn:
- Ngành chế biến thực phẩm và đồ uống: Thích hợp cho các máy móc có tiếp xúc với nước hoặc dung môi nhẹ, nơi cần vật liệu chống gỉ.
- Thiết bị y tế và dược phẩm: Sử dụng trong các thiết bị cần sự sạch sẽ và chống ăn mòn.
- Sản xuất máy bơm, van công nghiệp: Giữ chặt các chi tiết như cánh quạt, vòng bi trên trục của máy bơm.
- Máy móc trong ngành đóng tàu, thủy lực: Chịu được môi trường làm việc khắc nghiệt, ẩm ướt.
- Thiết bị truyền động, hộp số: Giữ cố định các bánh răng, đĩa xích trên trục.
7. Hướng Dẫn Lắp Đặt và Tháo Gỡ Phe Gài Trục DIN471
Để đảm bảo tuổi thọ và hiệu suất tối ưu cho phe gài trục, việc lắp đặt và tháo gỡ đúng cách là vô cùng quan trọng. Luôn tuân thủ các nguyên tắc an toàn và kỹ thuật của nhà sản xuất. Mecsu cung cấp hướng dẫn chi tiết dựa trên kinh nghiệm thực tế:
- Chuẩn bị: Đảm bảo môi trường làm việc sạch sẽ, khô ráo. Chuẩn bị đầy đủ dụng cụ chuyên dụng là kìm phe gài trục (kìm mỏ cong hoặc thẳng tùy thuộc vào vị trí phe gài). Kiểm tra rãnh trên trục phải sạch sẽ, không có ba via, rỉ sét và đảm bảo đúng dung sai.
- Lắp đặt:
- Sử dụng kìm phe gài chuyên dụng, bóp hai đầu kìm vào hai lỗ trên phe gài.
- Từ từ mở rộng phe gài và đưa vào vị trí rãnh trên trục.
- Thả kìm để phe gài bung ra và gài chặt vào rãnh. Đảm bảo phe đã nằm gọn và chắc chắn trong rãnh.
- Tháo gỡ:
- Sử dụng kìm phe gài chuyên dụng, bóp hai đầu kìm vào hai lỗ trên phe.
- Hẹp phe lại và từ từ rút ra khỏi rãnh trên trục.
- Tránh dùng lực quá mạnh hoặc dụng cụ không chuyên dụng (như tua vít) để nạy phe gài, việc này có thể làm hỏng phe hoặc rãnh.
- Bảo quản: Nếu không sử dụng ngay, hãy giữ phe gài trong bao bì gốc, ở nơi khô ráo, thoáng mát để tránh ẩm và ăn mòn.
8. So Sánh Phe Gài Trục DIN471 với Phe Gài Lỗ DIN472
Việc hiểu rõ sự khác biệt giữa các loại phe gài sẽ giúp bạn lựa chọn sản phẩm phù hợp nhất cho ứng dụng của mình, tối ưu hóa hiệu suất và chi phí đầu tư:
| Tiêu chí | Phe Gài Trục DIN471 | Phe Gài Lỗ DIN472 |
|---|---|---|
| Ứng dụng | Dùng để gài vào rãnh trên trục (trục đặc) để hãm chi tiết. | Dùng để gài vào rãnh trong lỗ (lỗ rỗng) để hãm chi tiết. |
| Hình dạng | Vòng tròn hở, lắp đặt bằng cách bóp hẹp lại. | Vòng tròn hở, lắp đặt bằng cách mở rộng ra. |
| Dụng cụ lắp đặt | Kìm phe gài trục (mỏ kìm bóp vào). | Kìm phe gài lỗ (mỏ kìm mở ra). |
| Tải trọng | Chịu lực tác động từ phía ngoài vào trong. | Chịu lực tác động từ phía trong ra ngoài. |
| Giá thành | Trung bình | Trung bình |
| Ứng dụng điển hình | Trục động cơ, bánh răng, puli trên trục. | Gài vòng bi trong gối đỡ, hãm chi tiết trong lỗ. |
9. Cách Phân Biệt Phe Gài MS-PRO Thật – Giả – Lời Khuyên Từ Chuyên Gia Mecsu
Để đảm bảo bạn mua được phe gài MS-PRO chính hãng, Mecsu khuyến nghị kiểm tra các dấu hiệu sau:
a. Dấu hiệu của phe gài trục MS-PRO chính hãng:
- Bao bì chất lượng cao: Sắc nét, in ấn thông tin sản phẩm rõ ràng, đầy đủ mã sản phẩm, thương hiệu.
- Hoàn thiện sản phẩm tinh xảo: Bề mặt phe gài nhẵn, không có ba via, không có dấu hiệu rỉ sét hay mài mòn. Các lỗ trên phe được dập chính xác, không bị biến dạng.
- Độ đàn hồi tốt: Khi dùng kìm chuyên dụng để lắp/tháo, phe gài có độ đàn hồi tốt, không bị biến dạng vĩnh viễn sau khi sử dụng.
- Kích thước chính xác: Tuân thủ đúng dung sai của tiêu chuẩn DIN 471, đảm bảo lắp khít vào rãnh.
- Chứng từ đầy đủ: Nhà cung cấp uy tín sẽ cung cấp đầy đủ chứng từ xuất xứ, chứng nhận chất lượng (nếu có) từ nhà sản xuất.
b. Dấu hiệu của phe gài trục MS-PRO hàng giả/nhái:
- Hoàn thiện thô, bề mặt có thể có ba via, vết xước hoặc dấu hiệu của vật liệu kém chất lượng.
- Độ đàn hồi kém, dễ bị biến dạng hoặc gãy khi lắp đặt.
- Kích thước không chính xác, lắp lỏng lẻo hoặc quá chặt, không khớp với rãnh.
- Bao bì thô, thiếu thông tin hoặc thông tin không chính xác.
- Giá bán rẻ bất thường so với mức giá thị trường.
10. Giá Bán & Gợi Ý Mua Phe Gài Trục Inox 420 Chính Hãng Tại TP.HCM
a. Giá phe gài trục Inox 420 D29x1.5 tại Mecsu: Giá: 4,113 đ / Cái (đã có VAT) – Giá hợp lý, phù hợp với chất lượng sản phẩm chính hãng
Liên hệ để nhận báo giá tốt nhất (giá có thể thay đổi tùy thời điểm và số lượng) – mức giá hợp lý, phù hợp với chất lượng sản phẩm chính hãng MS-PRO tại thị trường phụ kiện cơ khí TP.HCM.
b. Gợi ý mua phe gài chính hãng MS-PRO uy tín
- Chọn nhà cung cấp uy tín tại TP.HCM: Ưu tiên đối tác có chứng nhận hoặc đơn vị lâu năm, được nhiều khách hàng tin tưởng và có danh tiếng trên thị trường cung cấp linh kiện cơ khí tại TP.HCM.
- Kiểm tra chứng từ đầy đủ: Luôn yêu cầu đầy đủ chứng từ để đảm bảo nguồn gốc và chất lượng sản phẩm. Điều này giúp bạn tránh mua phải hàng giả trên thị trường.
- Mua tại Mecsu – Nhà phân phối MS-PRO tại Việt Nam: Mecsu tự hào là nhà phân phối chính hãng MS-PRO tại Việt Nam, cam kết cung cấp phe gài trục Inox 420 D29x1.5 chính hãng và các loại phụ kiện cơ khí khác với nhiều lợi ích vượt trội:
- 100% sản phẩm chính hãng: Đảm bảo nguồn gốc rõ ràng, đầy đủ chứng từ. Chúng tôi cam kết hoàn tiền 100% hoặc đổi trả nếu sản phẩm không phải chính hãng.
- Chính sách bảo hành minh bạch: Hỗ trợ đổi trả nếu có lỗi từ nhà sản xuất, mang lại sự an tâm tuyệt đối cho khách hàng.
- Hỗ trợ kỹ thuật chuyên sâu: Đội ngũ kỹ sư giàu kinh nghiệm sẵn sàng hỗ trợ bạn về kỹ thuật và lựa chọn sản phẩm phù hợp nhất cho mọi ứng dụng.
- Giá cả cạnh tranh: Đảm bảo mức giá tốt nhất đi kèm chất lượng, với chính sách chiết khấu hấp dẫn cho đơn hàng số lượng lớn, đặc biệt khi mua số lượng lớn.
MUA THÊM NHIỀU LOẠI PHE GÀI CHÍNH HÃNG KHÁC TẠI MECSU
11. FAQ về Phe Gài Trục Inox 420 D29x1.5
a. Phe gài trục Inox 420 có cần bảo dưỡng không?
Phe gài trục Inox 420 được làm từ vật liệu chống ăn mòn nên không cần bảo dưỡng định kỳ như các loại phe gài thép carbon. Tuy nhiên, nếu môi trường làm việc quá khắc nghiệt, có thể cần kiểm tra định kỳ để đảm bảo phe gài không bị biến dạng hoặc ăn mòn.
b. Tiêu chuẩn DIN471 có ý nghĩa gì?
Tiêu chuẩn DIN471 là tiêu chuẩn của Đức quy định về phe gài trục, đảm bảo các yêu cầu về kích thước, dung sai, và chất lượng vật liệu, giúp sản phẩm có độ chính xác cao và tương thích với các chi tiết cơ khí khác.
c. Phe gài trục Inox 420 D29x1.5 có phải là phe gài chịu nhiệt không?
Phe gài trục Inox 420 D29x1.5 có thể hoạt động hiệu quả trong khoảng nhiệt độ thông thường. Đối với các ứng dụng yêu cầu nhiệt độ cực cao, bạn cần tham khảo các loại vật liệu chuyên dụng chịu nhiệt khác.
d. Làm sao biết phe gài của tôi là hàng chính hãng MS-PRO?
Bạn nên mua từ nhà phân phối uy tín (như Mecsu), kiểm tra bao bì và chất lượng hoàn thiện của sản phẩm. Hàng chính hãng sẽ có bề mặt nhẵn, không ba via, và có độ đàn hồi tốt.
e. Khi nào cần thay thế phe gài trục D29x1.5?
Bạn nên thay thế phe gài khi nhận thấy các dấu hiệu sau:
- Biến dạng vật lý: Phe gài bị cong vênh, móp méo hoặc có dấu hiệu hư hại rõ rệt.
- Độ đàn hồi kém: Khi tháo ra, phe gài không trở lại hình dạng ban đầu.
- Không giữ được chi tiết: Phe gài bị lỏng hoặc không còn khả năng giữ chặt chi tiết trên trục.
- Rỉ sét hoặc ăn mòn nghiêm trọng.
Kinh nghiệm từ các kỹ sư Mecsu: Việc kiểm tra định kỳ bằng mắt thường hoặc cảm nhận lực giữ có thể giúp phát hiện sớm các dấu hiệu cần thay thế, tránh gây hư hại nghiêm trọng hơn cho toàn bộ hệ thống. Đừng ngần ngại liên hệ chúng tôi để được hỗ trợ kỹ thuật về bảo trì hoặc thay thế phụ kiện kịp thời.
f. Mua phe gài trục Inox 420 D29x1.5 chính hãng, uy tín ở đâu tại TP.HCM?
Mua phe gài trục Inox 420 D29x1.5 chính hãng và đảm bảo chất lượng tại TP.HCM, bạn hãy liên hệ ngay với Mecsu. Chúng tôi tự hào là nhà cung cấp uy tín, chuyên phân phối các sản phẩm MS-PRO chính hãng tại Việt Nam.
- Cam kết chất lượng: 100% sản phẩm có nguồn gốc rõ ràng, đầy đủ chứng từ. Chúng tôi cam kết hoàn tiền 100% hoặc đổi trả nếu sản phẩm không phải chính hãng.
- Giá cả cạnh tranh: Đảm bảo mức giá tốt nhất đi kèm chất lượng, với chính sách chiết khấu hấp dẫn cho đơn hàng số lượng lớn.
- Tư vấn chuyên sâu: Đội ngũ kỹ sư giàu kinh nghiệm sẵn sàng hỗ trợ bạn về kỹ thuật và lựa chọn sản phẩm phù hợp nhất.
- Chính sách hậu mãi: Đảm bảo quyền lợi tối đa cho khách hàng với dịch vụ hỗ trợ nhanh chóng, tận tâm.
12. Liên Hệ và Hỗ Trợ Tư Vấn Mua Phe Gài
Nếu bạn có bất kỳ thắc mắc nào về phe gài trục Inox 420 D29x1.5 hoặc cần tư vấn về giải pháp định vị cho ứng dụng cụ thể của mình, đừng ngần ngại liên hệ với đội ngũ chuyên gia của Mecsu. Chúng tôi luôn sẵn lòng hỗ trợ bạn tìm ra sản phẩm phù hợp và tối ưu nhất, đồng thời cung cấp những kiến thức độc quyền về kỹ thuật cơ khí mà bạn khó tìm thấy ở nơi khác.
Địa chỉ: B28/I – B29/I Đường số 2B, KCN Vĩnh Lộc, P. Bình Hưng Hòa B, Q. Bình Tân, TP.HCM
Hotline: 1800 8137
Email: [email protected]
Website: mecsu.vn
13. Thông Tin Bổ Sung & Kinh Nghiệm Thực Tế Từ Mecsu
a. Kinh Nghiệm Thực Tế & Câu Chuyện Thành Công
Tại Mecsu, chúng tôi tự hào là đối tác tin cậy của nhiều doanh nghiệp trong việc cung cấp các giải pháp phụ kiện cơ khí chất lượng cao. Phe gài trục Inox 420 D29x1.5, với đặc tính chịu lực và khả năng chống gỉ tốt, đã được ứng dụng trong nhiều dự án quan trọng của khách hàng chúng tôi tại TP. Hồ Chí Minh và các tỉnh lân cận, mang lại hiệu quả vượt trội và là minh chứng cho chất lượng sản phẩm cùng kinh nghiệm thực tế của đội ngũ Mecsu:
- Ngành chế biến thực phẩm: Chúng tôi đã cung cấp phe gài trục Inox 420 cho một nhà máy chế biến thực phẩm tại Bình Dương. Nhờ khả năng chống gỉ tốt trong môi trường ẩm ướt và liên tục tiếp xúc với nước, phe gài này đã góp phần đáng kể vào việc nâng cao độ bền và độ tin cậy của máy móc.
- Lĩnh vực máy bơm công nghiệp: Phe gài trục Inox 420 được lựa chọn cho các ứng dụng máy bơm cần chịu tải trọng và hoạt động trong môi trường có độ ẩm cao. Độ bền vượt trội của sản phẩm chính hãng đã giúp máy bơm hoạt động ổn định trong thời gian dài.
- Thiết bị chế biến nông sản: Một khách hàng chuyên sản xuất máy chế biến nông sản đã ứng dụng phe gài trục Inox 420 D29x1.5 vào các bộ phận trục quay chính. Khả năng chống bụi và độ bền của phe gài đã giúp máy móc hoạt động ổn định và kéo dài tuổi thọ trong môi trường có nhiều tạp chất từ nông sản.
b. Trích Dẫn Chuyên Gia
“Phe gài trục Inox 420 D29x1.5 là một lựa chọn tuyệt vời cho các ứng dụng công nghiệp cần sự cân bằng hoàn hảo giữa khả năng chịu lực và mức độ bảo vệ khỏi gỉ sét. Vật liệu Inox 420 mang lại lợi thế về độ cứng và độ bền cao, rất phù hợp cho những hệ thống mà khả năng giữ chặt là yếu tố then chốt, đồng thời vẫn cung cấp một mức độ bảo vệ nhất định cho chi tiết khỏi các tác nhân môi trường bên ngoài. Đây là giải pháp đáng tin cậy và hiệu quả cho nhiều loại máy móc trong môi trường công nghiệp.”
— Kỹ sư cơ khí Chuyên gia kỹ thuật Mecsu (TP. Hồ Chí Minh) – Với hơn 10 năm kinh nghiệm trong lĩnh vực phụ kiện cơ khí.
c. Tài Liệu Tham Khảo và Nghiên Cứu
Nội dung bài viết này được biên soạn dựa trên các tài liệu kỹ thuật chính thức và đáng tin cậy, cùng với kinh nghiệm thực tế chuyên sâu của đội ngũ kỹ sư Mecsu, đảm bảo tính chính xác, cập nhật và chuyên môn cao:
- Catalogue sản phẩm MS-PRO – Nguồn dữ liệu kỹ thuật chi tiết nhất về phe gài trục.
- Tài liệu kỹ thuật tiêu chuẩn DIN 471 – Cung cấp cái nhìn toàn diện về tiêu chuẩn này.
- Bảng dữ liệu kỹ thuật (Datasheet) chi tiết của Phe Gài Trục Inox 420 D29x1.5 – Nguồn thông số kỹ thuật chính xác.
- Trải nghiệm thực tế và phản hồi từ các dự án khách hàng của Mecsu – Dữ liệu độc nhất được thu thập từ hơn 10 năm cung cấp linh kiện cơ khí và giải pháp phụ kiện cho các doanh nghiệp tại Việt Nam.
Biên soạn bởi: Đội ngũ Kỹ sư Mecsu
Với hơn 10 năm kinh nghiệm chuyên sâu trong lĩnh vực phân phối và tư vấn giải pháp phụ kiện cơ khí, đội ngũ kỹ sư của Mecsu cam kết mang đến những thông tin chính xác, cập nhật và hữu ích nhất, giúp quý khách hàng đưa ra lựa chọn sản phẩm tối ưu cho mọi ứng dụng.
(Xem thêm thông tin về chúng tôi tại Website Mecsu)
Lưu ý: Hình ảnh sản phẩm có thể khác biệt so với thực tế tùy theo lô sản xuất. Vui lòng tham khảo thông số kỹ thuật chi tiết hoặc liên hệ Mecsu để có thông tin chính xác nhất về sản phẩm.



















Đánh giá
Chưa có đánh giá nào.