Mô tả sản phẩm
Thông tin CHUYÊN SÂU về Phe Gài Trục Inox 420 DIN471 D32x1.5
Mục Lục
- 1. Phe Gài Trục Inox 420 DIN471 D32x1.5 Là Gì? – Giải Thích Chuyên Sâu
- 2. Thông Số Kỹ Thuật Chi Tiết của Phe Gài Trục DIN471 D32x1.5
- 3. Cấu Tạo Chi Tiết Phe Gài Trục DIN471
- 4. Phân Tích Chuyên Sâu: Vật Liệu Inox 420 và Tiêu Chuẩn DIN471 của D32x1.5
- 5. Ưu và Nhược Điểm của Phe Gài Trục Inox 420 DIN471
- 6. Ứng Dụng Thực Tế của Phe Gài Trục DIN471 D32x1.5
- 7. Hướng Dẫn Lắp Đặt và Tháo Gỡ Phe Gài Trục
- 8. So Sánh Phe Gài Trục DIN471 với Phe Gài Lỗ DIN472
- 9. Cách Phân Biệt Phe Gài MS-PRO Thật – Giả – Lời Khuyên Từ Chuyên Gia Mecsu
- 10. Giá Bán & Gợi Ý Mua Phe Gài Trục Inox 420 Chính Hãng Tại TP.HCM
- 11. FAQ về Phe Gài Trục Inox 420 DIN471 D32x1.5
- 12. Liên Hệ và Hỗ Trợ Tư Vấn Mua Phe Gài Trục
- 13. Thông Tin Bổ Sung & Kinh Nghiệm Thực Tế Từ Mecsu
1. Phe Gài Trục Inox 420 DIN471 D32x1.5 Là Gì? – Giải Thích Chuyên Sâu
Phe gài trục (circlip) Inox 420 DIN471 D32x1.5 là một chi tiết cơ khí quan trọng, được thiết kế để định vị các bộ phận trên một trục, ngăn chúng dịch chuyển dọc theo trục. Mã “D32x1.5” là ký hiệu kích thước tiêu chuẩn, với đường kính trục sử dụng là 32mm và độ dày của phe là 1.5mm. Tiêu chuẩn “DIN471” là điểm nhấn quan trọng, chỉ ra rằng phe gài này được thiết kế để sử dụng cho trục. Vật liệu “Inox 420” mang lại khả năng chống ăn mòn và độ cứng cao, phù hợp cho nhiều môi trường làm việc.
Thiết kế phe gài trục DIN471 có hình dạng cong với hai lỗ ở hai đầu, giúp việc tháo lắp dễ dàng bằng kìm chuyên dụng. Phe gài hoạt động bằng cách nằm trong một rãnh trên trục, tạo ra một vai đỡ chắc chắn để giữ các chi tiết khác như bánh răng, vòng bi hoặc bạc lót ở đúng vị trí.
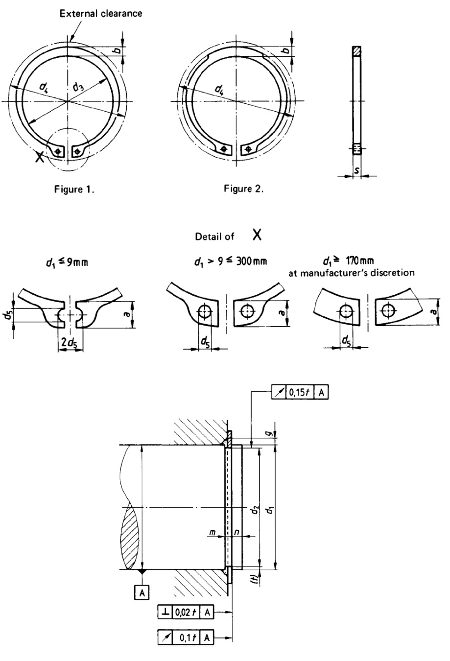
2. Thông Số Kỹ Thuật Chi Tiết của Phe Gài Trục DIN471 D32x1.5
D: Đường kính ngoài
d1: Đường kính trục
t: Độ dày
a: Chiều rộng rãnh
d2: Đường kính rãnh
| Thông số | Giá trị |
|---|---|
| Mã sản phẩm | DIN471 D32x1.5 |
| Loại sản phẩm | Phe Gài Trục (Circlip for Shaft) |
| Dùng cho trục | 32 mm |
| Vật liệu | Inox 420 |
| Độ dày (t) | 1.5 mm |
| Đường kính trong | 29.6 mm |
| Đường kính rãnh sử dụng | 30.3 mm |
| Chiều rộng rãnh sử dụng | 1.6 mm |
| Tiêu chuẩn | DIN 471 |
| Thương hiệu | MS-PRO |
| Xuất xứ | Trung Quốc (Sản xuất theo tiêu chuẩn Đức) |
| Trọng lượng tinh của sản phẩm | ~2g |
3. Cấu Tạo Chi Tiết Phe Gài Trục DIN471
Phe gài DIN471 D32x1.5 được cấu thành từ một mảnh kim loại duy nhất, nhưng mỗi phần đóng vai trò quan trọng trong việc đảm bảo chức năng:
Sơ đồ cấu tạo Phe Gài Trục DIN471:
- Thân phe: Là phần chính của phe gài, có hình dạng vòng cung, được thiết kế để ôm khít vào rãnh trên trục.
- Hai lỗ (tai): Nằm ở hai đầu của phe, dùng để đưa đầu kìm phe chuyên dụng vào. Khi bóp kìm, phe sẽ co lại, giúp việc tháo lắp dễ dàng.
- Mép phe: Phần tiếp xúc với chi tiết cần định vị (ví dụ: vòng bi, bánh răng), có nhiệm vụ chịu tải trọng dọc trục và ngăn chặn sự dịch chuyển.
4. Phân Tích Chuyên Sâu: Vật Liệu Inox 420 và Tiêu Chuẩn DIN471 của D32x1.5
Để thực sự hiểu giá trị của phe gài trục Inox 420 DIN471 D32x1.5, việc phân tích sâu hơn về hai yếu tố then chốt: “vật liệu Inox 420“ và “tiêu chuẩn DIN471“ là rất quan trọng.
Vật Liệu “Inox 420” – Thép không gỉ mactenxit:
- Đặc điểm chính: Inox 420 là một loại thép không gỉ mactenxit, nổi tiếng với độ cứng cao và khả năng chống mài mòn tốt sau khi được xử lý nhiệt.
- Đặc tính nổi bật: Sau khi tôi, độ cứng của Inox 420 có thể đạt từ 50 HRC trở lên, vượt trội so với các loại thép không gỉ thông thường như Inox 304. Điều này giúp phe gài chịu được tải trọng và áp lực lớn mà không bị biến dạng.
- Ưu điểm vượt trội: Khả năng chống ăn mòn tốt trong môi trường không quá khắc nghiệt như nước ngọt, không khí. Độ cứng cao đảm bảo khả năng giữ vị trí và định vị ổn định, phù hợp với các ứng dụng đòi hỏi độ chính xác và độ bền.
- Hạn chế: Khả năng chống ăn mòn kém hơn so với Inox 304 và 316 trong môi trường hóa chất mạnh hoặc nước biển.
Tiêu chuẩn “DIN471” – Tiêu chuẩn kỹ thuật cho phe gài trục:
- Ý nghĩa: “DIN471” là tiêu chuẩn kỹ thuật của Đức, quy định các thông số về kích thước, vật liệu và dung sai của phe gài sử dụng cho trục.
- Tầm quan trọng: Việc tuân thủ tiêu chuẩn DIN471 đảm bảo phe gài được sản xuất với độ chính xác cao, khớp hoàn hảo với rãnh trên trục và các chi tiết lắp ráp khác.
- Lựa chọn phù hợp: Đối với phe gài D32x1.5, tiêu chuẩn DIN471 đảm bảo đường kính trong, độ dày và đường kính rãnh sử dụng đều đạt chuẩn, giúp phe gài hoạt động an toàn và hiệu quả, tránh tình trạng lỏng lẻo hoặc kẹt.
Sự kết hợp giữa vật liệu “Inox 420” và tiêu chuẩn “DIN471” giúp Phe Gài Trục D32x1.5 trở thành một giải pháp định vị linh hoạt, đáng tin cậy cho các máy móc cần độ bền, khả năng chống ăn mòn và độ chính xác cao.
5. Ưu và Nhược Điểm của Phe Gài Trục Inox 420 DIN471
Phe gài trục Inox 420 DIN471 D32x1.5 được tin dùng rộng rãi nhờ hiệu suất và độ bền vượt trội. Tuy nhiên, việc lựa chọn tối ưu đòi hỏi phải hiểu rõ cả ưu điểm lẫn nhược điểm của nó.
Ưu điểm nổi bật:
- Độ cứng và độ bền cao: Nhờ vật liệu Inox 420 đã qua xử lý nhiệt, phe gài có độ cứng vượt trội, chịu được tải trọng dọc trục lớn mà không bị biến dạng.
- Khả năng chống ăn mòn tốt: Phù hợp với các ứng dụng trong môi trường ẩm ướt, tiếp xúc với nước ngọt hoặc các hóa chất nhẹ.
- Định vị chắc chắn: Thiết kế theo tiêu chuẩn DIN471 đảm bảo phe gài bám chặt vào rãnh trục, ngăn chặn hiệu quả sự dịch chuyển của các chi tiết.
- Dễ dàng lắp đặt và tháo gỡ: Thiết kế hai lỗ ở hai đầu giúp việc thao tác bằng kìm phe gài trở nên nhanh chóng và tiện lợi.
- Độ tin cậy cao từ thương hiệu uy tín: MS-PRO là thương hiệu chất lượng, đảm bảo sản phẩm đáp ứng các tiêu chuẩn kỹ thuật nghiêm ngặt.
Nhược điểm cần lưu ý:
- Khả năng chống ăn mòn hạn chế: So với Inox 304 hoặc 316, khả năng chống ăn mòn của Inox 420 kém hơn trong môi trường nước biển hoặc hóa chất mạnh.
- Giá thành: Mức giá của phe gài Inox 420 có thể cao hơn so với phe gài làm từ thép carbon thông thường. Tuy nhiên, đây là sự đầu tư xứng đáng cho độ bền và hiệu suất dài hạn.
6. Ứng Dụng Thực Tế của Phe Gài Trục DIN471 D32x1.5
Với kích thước tiêu chuẩn và đặc tính vật liệu ưu việt, phe gài trục Inox 420 DIN471 D32x1.5 được ứng dụng rộng rãi trong nhiều lĩnh vực công nghiệp và dân dụng tại TP. Hồ Chí Minh và các khu công nghiệp lân cận, đặc biệt là những nơi yêu cầu độ bền và khả năng chống ăn mòn:
- Ngành cơ khí chế tạo: Định vị bánh răng, vòng bi, bạc lót trên các trục quay của máy móc, thiết bị sản xuất.
- Lắp ráp thiết bị truyền động: Giữ các chi tiết như puly, khớp nối trên trục của động cơ, hộp số.
- Hệ thống máy bơm: Định vị các cánh quạt, vòng bi trong thân máy bơm công nghiệp, dân dụng.
- Thiết bị y tế: Sử dụng trong các thiết bị y tế đòi hỏi vật liệu chống ăn mòn và vệ sinh.
- Các ứng dụng trong ngành ô tô, xe máy: Sử dụng để định vị các chi tiết nhỏ trong hệ thống truyền động và giảm xóc.
- Ngành thực phẩm và đồ uống: Phù hợp với các máy móc cần vật liệu không gỉ, dễ vệ sinh.
7. Hướng Dẫn Lắp Đặt và Tháo Gỡ Phe Gài Trục
Để đảm bảo tuổi thọ và hiệu suất tối ưu cho phe gài trục DIN471 D32x1.5, việc lắp đặt và tháo gỡ đúng cách là vô cùng quan trọng. Luôn tuân thủ các nguyên tắc an toàn và kỹ thuật. Mecsu cung cấp hướng dẫn chi tiết dựa trên kinh nghiệm thực tế:
- Chuẩn bị: Đảm bảo môi trường làm việc sạch sẽ, khô ráo. Chuẩn bị đầy đủ dụng cụ chuyên dụng như kìm phe gài trục có kích thước phù hợp. Luôn đeo kính bảo hộ để đảm bảo an toàn. Kiểm tra rãnh trên trục phải sạch sẽ, không có ba via, rỉ sét và đảm bảo đúng dung sai.
- Lắp đặt:
- Sử dụng kìm phe gài chuyên dụng. Đặt hai đầu kìm vào hai lỗ trên phe.
- Từ từ bóp kìm để phe co lại, đủ để đưa phe qua phần đầu của trục.
- Trượt phe gài dọc theo trục cho đến khi nó nằm gọn trong rãnh. Nhả kìm để phe bung ra và nằm chắc chắn trong rãnh.
- Kiểm tra lại bằng mắt thường và dùng tay đẩy nhẹ để đảm bảo phe đã được định vị đúng.
- Tháo gỡ:
- Sử dụng kìm phe gài chuyên dụng, đưa hai đầu kìm vào hai lỗ trên phe.
- Bóp kìm để phe co lại, phe sẽ bung ra khỏi rãnh.
- Từ từ trượt phe ra khỏi trục.
- Bảo quản: Nếu không sử dụng ngay, hãy giữ phe gài trong bao bì gốc, ở nơi khô ráo, thoáng mát, tránh ánh nắng trực tiếp và các hóa chất ăn mòn để ngăn ngừa rỉ sét.
8. So Sánh Phe Gài Trục DIN471 với Phe Gài Lỗ DIN472
Việc hiểu rõ sự khác biệt giữa các loại phe gài sẽ giúp bạn lựa chọn sản phẩm phù hợp nhất cho ứng dụng của mình, tối ưu hóa hiệu suất và chi phí đầu tư:
| Tiêu chí | Phe Gài Trục DIN471 | Phe Gài Lỗ DIN472 |
|---|---|---|
| Hình dạng | Hình vòng cung với hai lỗ hướng ra ngoài | Hình vòng cung với hai lỗ hướng vào trong |
| Chức năng | Định vị chi tiết trên trục | Định vị chi tiết trong lỗ |
| Cách lắp | Khi bóp kìm, phe co lại | Khi bóp kìm, phe nở ra |
| Ứng dụng điển hình | Lắp trên trục để giữ vòng bi, bánh răng | Lắp trong lỗ để giữ vòng bi, bạc lót |
| Dụng cụ lắp đặt | Kìm phe gài trục | Kìm phe gài lỗ |
9. Cách Phân Biệt Phe Gài MS-PRO Thật – Giả – Lời Khuyên Từ Chuyên Gia Mecsu
Thị trường hiện nay có rất nhiều hàng giả, hàng nhái kém chất lượng, đặc biệt là với các sản phẩm phe gài chính hãng được ưa chuộng. Để đảm bảo bạn mua được phe gài MS-PRO chính hãng tại TP.HCM, Mecsu khuyến nghị kiểm tra các dấu hiệu sau:
a. Dấu hiệu của phe gài MS-PRO chính hãng:
- Bao bì chất lượng cao: Sắc nét, thông tin sản phẩm rõ ràng, đầy đủ mã vạch/QR code và thông tin xuất xứ. Bạn sẽ thấy sự tỉ mỉ trong từng chi tiết.
- Hoàn thiện sản phẩm cao: Bề mặt phe gài nhẵn mịn, không có ba via, vết cắt sắc nét, không bị cong vênh hoặc có dấu hiệu rỉ sét.
- Độ cứng và đàn hồi: Phe gài chính hãng có độ đàn hồi tốt, khi bóp bằng kìm sẽ cảm nhận được độ chắc chắn và trở lại hình dạng ban đầu hoàn hảo.
- Chứng từ đầy đủ: Nhà cung cấp uy tín sẽ cung cấp đầy đủ chứng từ xuất xứ và chứng nhận chất lượng, đảm bảo nguồn gốc và chất lượng sản phẩm.
b. Dấu hiệu của phe gài MS-PRO hàng giả/nhái:
- Gia công thô, bề mặt có ba via, vết cắt không sắc nét.
- Màu sắc không đồng đều, có dấu hiệu bị rỉ sét do vật liệu kém chất lượng.
- Không có thông tin rõ ràng hoặc thông tin sai trên bao bì.
- Độ cứng kém, dễ bị biến dạng khi bóp bằng kìm, không trở lại hình dạng ban đầu.
- Giá bán rẻ bất thường so với mức giá thị trường của sản phẩm chính hãng – đây là dấu hiệu cảnh báo lớn nhất.
10. Giá Bán & Gợi Ý Mua Phe Gài Trục Inox 420 Chính Hãng Tại TP.HCM
a. Giá Phe Gài Trục Inox 420 DIN471 D32x1.5 (TP.Hồ Chí Minh) tại Mecsu: Giá: 4,126 đ / Cái (đã có VAT) – Giá hợp lý, phù hợp với chất lượng sản phẩm chính hãng
Liên hệ để nhận báo giá tốt nhất (giá có thể thay đổi tùy thời điểm và số lượng) – mức giá hợp lý, phù hợp với chất lượng sản phẩm chính hãng MS-PRO tại thị trường linh kiện cơ khí TP.HCM.
b. Gợi ý mua phe gài chính hãng MS-PRO uy tín
- Chọn nhà cung cấp uy tín tại TP.HCM: Ưu tiên đối tác có chứng nhận hoặc đơn vị lâu năm, được nhiều khách hàng tin tưởng và có danh tiếng trên thị trường cung cấp linh kiện cơ khí tại TP.HCM.
- Kiểm tra chứng từ đầy đủ: Luôn yêu cầu đầy đủ chứng từ xuất xứ và chất lượng để đảm bảo nguồn gốc và chất lượng sản phẩm.
- Mua tại Mecsu – Nhà phân phối uy tín tại Việt Nam: Mecsu tự hào là nhà cung cấp chính hãng các sản phẩm MS-PRO tại Việt Nam, cam kết cung cấp “phe gài trục Inox 420 chính hãng” và các loại “phe gài khác” với nhiều lợi ích vượt trội:
- 100% sản phẩm chính hãng: Đảm bảo nguồn gốc rõ ràng, đầy đủ chứng từ. Chúng tôi cam kết hoàn tiền 100% hoặc đổi trả nếu sản phẩm không phải chính hãng.
- Chính sách bảo hành minh bạch: Hỗ trợ đổi trả nếu có lỗi từ nhà sản xuất, mang lại sự an tâm tuyệt đối cho khách hàng.
- Hỗ trợ kỹ thuật chuyên sâu: Đội ngũ kỹ sư giàu kinh nghiệm sẵn sàng hỗ trợ bạn về kỹ thuật và lựa chọn sản phẩm phù hợp nhất cho mọi ứng dụng.
- Giá cả cạnh tranh: Đảm bảo mức giá tốt nhất đi kèm chất lượng, với chính sách chiết khấu hấp dẫn cho đơn hàng số lượng lớn, đặc biệt khi “mua phe gài số lượng lớn”.
MUA THÊM NHIỀU LOẠI PHE GÀI CHÍNH HÃNG KHÁC TẠI MECSU
11. FAQ về Phe Gài Trục Inox 420 DIN471 D32x1.5
a. Phe gài trục Inox 420 có cần bảo dưỡng không?
Phe gài Inox 420 không cần bảo dưỡng định kỳ vì bản thân vật liệu đã có khả năng chống ăn mòn. Tuy nhiên, để đảm bảo tuổi thọ, bạn nên giữ phe gài và rãnh lắp đặt sạch sẽ, không có bụi bẩn hoặc hóa chất mạnh.
b. Tiêu chuẩn “DIN471” có ý nghĩa gì?
Tiêu chuẩn “DIN471” là tiêu chuẩn kỹ thuật của Đức dành cho phe gài trục, đảm bảo các thông số kích thước và dung sai chính xác, giúp phe gài khớp hoàn hảo với rãnh trục.
c. Phe gài trục Inox 420 có phải là phe gài chịu nhiệt không?
Phe gài Inox 420 có thể hoạt động hiệu quả trong khoảng nhiệt độ thông thường. Đối với các ứng dụng yêu cầu nhiệt độ cao hơn đáng kể, bạn cần tham khảo các loại phe gài chuyên dụng chịu nhiệt hoặc sử dụng các giải pháp vật liệu đặc biệt.
d. Làm sao biết phe gài D32x1.5 của tôi là hàng chính hãng MS-PRO?
Bạn nên mua từ nhà phân phối uy tín (như Mecsu), kiểm tra bao bì (logo, mã sản phẩm rõ nét), sản phẩm có bề mặt hoàn thiện tốt, không có ba via và có độ đàn hồi cao. Mua tại các đơn vị có chứng từ rõ ràng là cách chắc chắn nhất để phân biệt phe gài thật giả.
e. Khi nào cần thay thế phe gài?
Bạn nên thay thế phe gài khi nhận thấy các dấu hiệu sau:
- Biến dạng vật lý: Phe gài bị cong vênh, móp méo hoặc có dấu hiệu hư hại rõ rệt sau khi tháo lắp.
- Mất độ đàn hồi: Phe không trở lại hình dạng ban đầu sau khi bóp.
- Rỉ sét hoặc ăn mòn: Dấu hiệu rỉ sét làm giảm độ bền và khả năng chịu lực của phe gài.
Kinh nghiệm từ các kỹ sư Mecsu: Phe gài là chi tiết nhỏ nhưng quan trọng. Việc thay thế phe gài ngay sau khi tháo lắp để đảm bảo độ bền và an toàn là một kinh nghiệm quý báu. Đừng ngần ngại liên hệ chúng tôi để được hỗ trợ kỹ thuật về bảo trì phe gài hoặc thay thế phe gài kịp thời.
f. Mua phe gài trục Inox 420 DIN471 D32x1.5 chính hãng, uy tín ở đâu tại TP.HCM?
Mua phe gài trục Inox 420 DIN471 D32x1.5 chính hãng và đảm bảo chất lượng tại TP.HCM, bạn hãy liên hệ ngay với Mecsu. Chúng tôi tự hào là nhà cung cấp uy tín, chuyên phân phối các sản phẩm MS-PRO chính hãng tại Việt Nam.
- Cam kết chất lượng: 100% sản phẩm có nguồn gốc rõ ràng, đầy đủ chứng từ CO, CQ. Chúng tôi cam kết hoàn tiền 100% hoặc đổi trả nếu sản phẩm không phải chính hãng.
- Giá cả cạnh tranh: Đảm bảo mức giá tốt nhất đi kèm chất lượng, với chính sách chiết khấu hấp dẫn cho đơn hàng số lượng lớn.
- Tư vấn chuyên sâu: Đội ngũ kỹ sư giàu kinh nghiệm sẵn sàng hỗ trợ bạn về kỹ thuật và lựa chọn sản phẩm phù hợp nhất.
- Chính sách hậu mãi: Đảm bảo quyền lợi tối đa cho khách hàng với dịch vụ hỗ trợ nhanh chóng, tận tâm.
12. Liên Hệ và Hỗ Trợ Tư Vấn Mua Phe Gài Trục
Nếu bạn có bất kỳ thắc mắc nào về phe gài trục Inox 420 DIN471 D32x1.5 hoặc cần tư vấn về giải pháp phe gài cho ứng dụng cụ thể của mình, đừng ngần ngại liên hệ với đội ngũ chuyên gia của Mecsu. Chúng tôi luôn sẵn lòng hỗ trợ bạn tìm ra sản phẩm phù hợp và tối ưu nhất, đồng thời cung cấp những kiến thức độc quyền về kỹ thuật lắp đặt phe gài mà bạn khó tìm thấy ở nơi khác.
Địa chỉ: B28/I – B29/I Đường số 2B, KCN Vĩnh Lộc, P. Bình Hưng Hòa B, Q. Bình Tân, TP.HCM
Hotline: 1800 8137
Email: [email protected]
Website: mecsu.vn
13. Thông Tin Bổ Sung & Kinh Nghiệm Thực Tế Từ Mecsu
a. Kinh Nghiệm Thực Tế & Câu Chuyện Thành Công
Tại Mecsu, chúng tôi tự hào là đối tác tin cậy của nhiều doanh nghiệp trong việc cung cấp các giải pháp phe gài chất lượng cao. “Phe gài trục Inox 420 DIN471 D32x1.5”, với đặc tính độ cứng cao và khả năng chống ăn mòn, đã được ứng dụng trong nhiều dự án quan trọng của khách hàng chúng tôi tại “TP. Hồ Chí Minh” và các tỉnh lân cận, mang lại hiệu quả vượt trội và là minh chứng cho chất lượng sản phẩm cùng kinh nghiệm thực tế của đội ngũ Mecsu:
- Ngành cơ khí chế tạo máy: Chúng tôi đã cung cấp “DIN471 D32x1.5” cho một nhà sản xuất máy móc công nghiệp lớn. Nhờ khả năng định vị chắc chắn và độ bền cao, phe gài này đã góp phần đáng kể vào việc nâng cao độ an toàn và tin cậy của sản phẩm, đồng thời giảm thiểu chi phí bảo trì.
- Lĩnh vực máy bơm và xử lý nước: Phe gài Inox 420 được lựa chọn cho các ứng dụng trong môi trường ẩm ướt, tiếp xúc với nước. Khả năng chống ăn mòn của vật liệu đã giúp phe gài hoạt động ổn định trong thời gian dài.
- Thiết bị chế biến thực phẩm: Một khách hàng chuyên sản xuất thiết bị chế biến thực phẩm đã ứng dụng “phe gài D32x1.5” vào các bộ phận trục quay chính. Vật liệu không gỉ và độ bền của phe gài đã giúp máy móc hoạt động ổn định và đáp ứng các tiêu chuẩn vệ sinh nghiêm ngặt.
b. Trích Dẫn Chuyên Gia
““Phe gài trục Inox 420 DIN471 D32x1.5” là một lựa chọn tuyệt vời cho các ứng dụng công nghiệp cần sự cân bằng hoàn hảo giữa độ bền cơ học và khả năng chống ăn mòn. Vật liệu Inox 420, sau khi xử lý nhiệt, mang lại độ cứng vượt trội, rất phù hợp cho những hệ thống có tải trọng dọc trục cao. Đây là giải pháp đáng tin cậy và hiệu quả cho nhiều loại máy móc trong môi trường công nghiệp.”
— “Kỹ sư cơ khí Chuyên gia kỹ thuật Mecsu” (TP. Hồ Chí Minh) – Với hơn 10 năm kinh nghiệm trong lĩnh vực “linh kiện cơ khí”.
c. Tài Liệu Tham Khảo và Nghiên Cứu
Nội dung bài viết này được biên soạn dựa trên các tài liệu kỹ thuật chính thức và đáng tin cậy từ MS-PRO, cùng với kinh nghiệm thực tế chuyên sâu của đội ngũ kỹ sư Mecsu, đảm bảo tính chính xác, cập nhật và chuyên môn cao:
- MS-PRO Product Catalog (Danh mục sản phẩm MS-PRO chính thức) – Nguồn dữ liệu kỹ thuật chi tiết nhất về “phe gài trục”.
- Tài liệu tiêu chuẩn kỹ thuật DIN 471 – Cung cấp cái nhìn toàn diện về tiêu chuẩn này.
- Bảng dữ liệu kỹ thuật (Datasheet) chi tiết của phe gài DIN471 D32x1.5 – Nguồn thông số kỹ thuật chính xác.
- Trải nghiệm thực tế và phản hồi từ các dự án khách hàng của Mecsu – “Dữ liệu độc nhất” được thu thập từ hơn 10 năm cung cấp “linh kiện cơ khí” và “giải pháp định vị” cho các doanh nghiệp tại Việt Nam.
Biên soạn bởi: Đội ngũ Kỹ sư Mecsu
Với hơn 10 năm kinh nghiệm chuyên sâu trong lĩnh vực phân phối và tư vấn giải pháp linh kiện cơ khí, đội ngũ kỹ sư của Mecsu cam kết mang đến những thông tin chính xác, cập nhật và hữu ích nhất, giúp quý khách hàng đưa ra lựa chọn sản phẩm tối ưu cho mọi ứng dụng.
(Xem thêm thông tin về chúng tôi tại Website Mecsu)
Lưu ý: Hình ảnh sản phẩm có thể khác biệt so với thực tế tùy theo lô sản xuất. Vui lòng tham khảo thông số kỹ thuật chi tiết hoặc liên hệ Mecsu để có thông tin chính xác nhất về sản phẩm.



















Đánh giá
Chưa có đánh giá nào.