Mô tả sản phẩm
Thông tin CHUYÊN SÂU về Phe Gài Trục Inox 420 DIN471 D31x1.5 (5Cái/Bịch)
Mục Lục
- 1. Phe Gài Trục Inox 420 Là Gì? – Giải Thích Chuyên Sâu
- 2. Thông Số Kỹ Thuật Chi Tiết của Phe Gài Trục Inox 420 DIN471 D31x1.5
- 3. Cấu Tạo Chi Tiết Phe Gài Trục DIN471 D31x1.5
- 4. Phân Tích Chuyên Sâu: Tiêu Chuẩn DIN 471 và Vật Liệu Inox 420
- 5. Ưu và Nhược Điểm của Phe Gài Trục Inox 420
- 6. Ứng Dụng Thực Tế của Phe Gài Trục DIN471 D31x1.5
- 7. Hướng Dẫn Lắp Đặt và Tháo Gỡ Phe Gài
- 8. So Sánh Phe Gài Trục Inox 420 với các loại Phe Gài khác
- 9. Cách Phân Biệt Phe Gài Trục Inox 420 Thật – Giả – Lời Khuyên Từ Chuyên Gia Mecsu
- 10. Giá Bán & Gợi Ý Mua Phe Gài Trục Inox 420 Chính Hãng Tại TP.HCM
- 11. FAQ về Phe Gài Trục Inox 420
- 12. Liên Hệ và Hỗ Trợ Tư Vấn Mua Phe Gài
- 13. Thông Tin Bổ Sung & Kinh Nghiệm Thực Tế Từ Mecsu
1. Phe Gài Trục Inox 420 Là Gì? – Giải Thích Chuyên Sâu
Phe gài trục Inox 420 DIN471 D31x1.5 là một chi tiết cơ khí quan trọng, có chức năng định vị và ngăn chặn các chi tiết khác (như vòng bi, bánh răng,…) di chuyển dọc theo trục quay. Sản phẩm này được thiết kế để lắp đặt vào rãnh trên trục có đường kính 31mm. Phe gài này tuân thủ tiêu chuẩn DIN 471, một tiêu chuẩn quốc tế về phe gài trục, đảm bảo độ chính xác và khả năng chịu lực.
Vật liệu Inox 420 là điểm nhấn quan trọng, mang lại khả năng chống ăn mòn hiệu quả, đặc biệt trong môi trường ẩm ướt hoặc có hóa chất. Với độ dày 1.5mm và được sản xuất bởi thương hiệu MS-PRO, phe gài này cung cấp độ bền và sự tin cậy cao, là giải pháp định vị hiệu quả cho nhiều ứng dụng công nghiệp và dân dụng.
2. Thông Số Kỹ Thuật Chi Tiết của Phe Gài Trục Inox 420 DIN471 D31x1.5
D: Đường kính ngoài
d: Đường kính trong
t: Độ dày
Ds: Đường kính rãnh sử dụng
Ws: Bề rộng rãnh sử dụng
| Thông số | Giá trị |
|---|---|
| Tên sản phẩm | Phe Gài Trục Inox 420 DIN471 D31x1.5 |
| Loại | Phe Gài Trục (Retaining Ring for Shaft) |
| Dùng cho trục | 31 mm |
| Vật liệu | Inox 420 |
| Đường kính trong (d) | 28.6 mm |
| Độ dày (t) | 1.5 mm |
| Đường kính rãnh sử dụng (Ds) | 29.3 mm |
| Bề rộng rãnh sử dụng (Ws) | 1.6 mm |
| Tiêu chuẩn | DIN 471 |
| Số lượng | 5 Cái/Bịch |
| Thương hiệu | MS-PRO |
| Trọng lượng | … (Thông tin này cần được bạn bổ sung) |
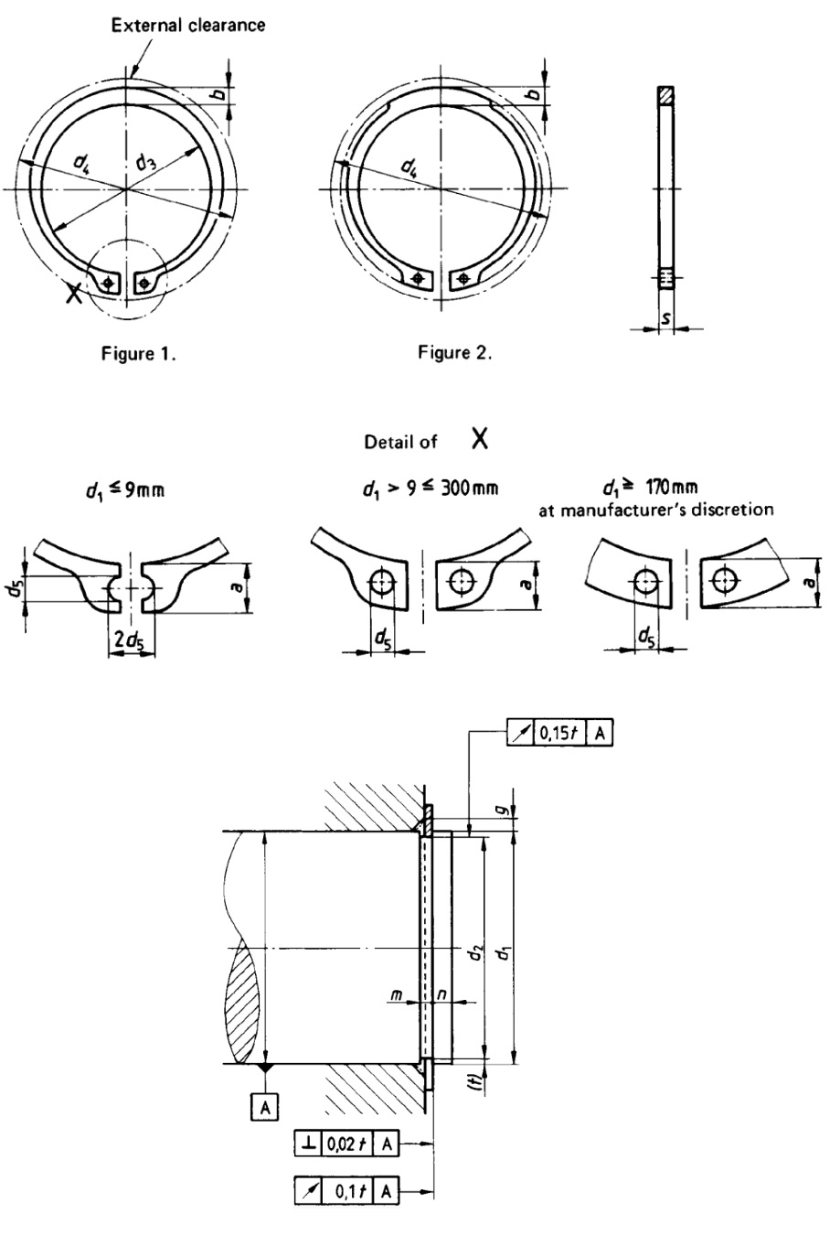
3. Cấu Tạo Chi Tiết Phe Gài Trục DIN471 D31x1.5
Phe gài trục DIN471 D31x1.5 có cấu tạo đơn giản nhưng hiệu quả, được chế tạo từ một mảnh kim loại dẻo và đàn hồi:
Sơ đồ cấu tạo Phe Gài Trục:
- Thân phe gài: Là phần chính có dạng hình tròn, được thiết kế để gài chặt vào rãnh trên trục. Vật liệu Inox 420 mang lại độ bền và khả năng chống gỉ sét.
- Đầu phe: Hai đầu của phe gài có lỗ nhỏ, được thiết kế để sử dụng kìm phe gài chuyên dụng khi lắp đặt hoặc tháo gỡ.
- Khe hở: Khoảng trống nhỏ giữa hai đầu phe cho phép phe gài có thể co lại khi lắp và giãn ra khi định vị vào rãnh.
4. Phân Tích Chuyên Sâu: Tiêu Chuẩn DIN 471 và Vật Liệu Inox 420
Để thực sự hiểu giá trị của Phe Gài Trục Inox 420 DIN471 D31x1.5, việc phân tích sâu hơn về hai yếu tố then chốt: “Tiêu chuẩn DIN 471” và “vật liệu Inox 420” là rất quan trọng.
Tiêu chuẩn “DIN 471” – Tiêu chuẩn kỹ thuật của Đức:
- Chức năng chính: Đây là tiêu chuẩn quốc tế quy định kích thước, dung sai và yêu cầu kỹ thuật cho phe gài trục lắp ngoài.
- Đặc điểm nổi bật: Tuân thủ tiêu chuẩn DIN 471 đảm bảo phe gài có độ chính xác cao về kích thước, đặc biệt là đường kính ngoài, độ dày và đường kính rãnh sử dụng.
- Ưu điểm vượt trội: Nhờ tuân thủ tiêu chuẩn, sản phẩm có khả năng tương thích cao, dễ dàng thay thế và lắp đặt trong các ứng dụng máy móc khác nhau, giúp các chi tiết được định vị một cách chắc chắn và an toàn.
Vật liệu “Inox 420”:
- Ý nghĩa: Inox 420 là một loại thép không gỉ (stainless steel) mactensit, nổi tiếng với độ cứng cao và khả năng chống mài mòn tốt sau khi được xử lý nhiệt.
- Tầm quan trọng: Vật liệu này mang lại độ đàn hồi và độ bền cơ học cần thiết cho phe gài để nó có thể bám chặt vào rãnh trên trục và chịu được các tải trọng hướng trục.
- Lựa chọn phù hợp: Inox 420 cung cấp khả năng chống ăn mòn hiệu quả trong môi trường bình thường. Đối với các môi trường đặc biệt khắc nghiệt hơn, có thể cần xem xét các loại Inox khác (ví dụ như Inox 304, 316), nhưng Inox 420 là lựa chọn mặc định và phù hợp cho hầu hết các ứng dụng phổ biến, nơi độ cứng và khả năng chống mài mòn được ưu tiên.
Sự kết hợp giữa tiêu chuẩn “DIN 471” và vật liệu “Inox 420” giúp Phe Gài Trục DIN471 D31x1.5 trở thành một giải pháp định vị linh hoạt, đáng tin cậy cho các máy móc, đồng thời giảm thiểu nguy cơ hỏng hóc do ăn mòn hoặc biến dạng.
5. Ưu và Nhược Điểm của Phe Gài Trục Inox 420
Phe Gài Trục Inox 420 DIN471 D31x1.5 được tin dùng rộng rãi nhờ hiệu suất và độ bền. Tuy nhiên, việc lựa chọn tối ưu đòi hỏi phải hiểu rõ cả ưu điểm lẫn nhược điểm của nó.
Ưu điểm nổi bật:
- Độ bền cao và khả năng chống mài mòn: Vật liệu Inox 420 sau khi xử lý nhiệt có độ cứng và khả năng chống mài mòn vượt trội, đảm bảo tuổi thọ dài cho sản phẩm.
- Chống ăn mòn hiệu quả: Inox 420 giúp phe gài chống lại rỉ sét và ăn mòn trong môi trường ẩm ướt hoặc hóa chất nhẹ, giữ được tính thẩm mỹ và chức năng trong thời gian dài.
- Định vị chắc chắn: Thiết kế theo tiêu chuẩn DIN 471 và độ đàn hồi của vật liệu giúp phe gài bám chặt vào rãnh, ngăn chặn các chi tiết khác di chuyển, đảm bảo an toàn cho hệ thống.
- Dễ dàng lắp đặt và tháo gỡ: Thiết kế có lỗ cho phép sử dụng kìm phe gài chuyên dụng, giúp quá trình lắp đặt và tháo gỡ trở nên nhanh chóng và thuận tiện hơn.
- Giá cả hợp lý: Là một giải pháp hiệu quả về chi phí so với các loại chốt định vị khác, đặc biệt khi yêu cầu độ bền và khả năng chống ăn mòn.
Nhược điểm cần lưu ý:
- Khả năng chống ăn mòn hạn chế: So với các loại Inox cao cấp hơn như 304 hoặc 316, khả năng chống ăn mòn của Inox 420 không bằng, đặc biệt trong môi trường hóa chất mạnh.
- Yêu cầu dụng cụ chuyên dụng: Việc lắp đặt và tháo gỡ cần có kìm phe gài phù hợp, nếu không sẽ rất khó khăn và có thể làm hỏng phe.
- Dễ bị biến dạng nếu sử dụng sai cách: Nếu dùng lực quá lớn hoặc dụng cụ không phù hợp, phe gài có thể bị biến dạng và mất khả năng định vị.
- Chỉ dùng cho một kích thước trục: Mỗi loại phe gài chỉ phù hợp với một đường kính trục và rãnh cụ thể, thiếu tính linh hoạt khi sử dụng cho nhiều kích thước khác nhau.
6. Ứng Dụng Thực Tế của Phe Gài Trục DIN471 D31x1.5
Với kích thước tiêu chuẩn, khả năng chịu lực và đặc tính chống ăn mòn, Phe Gài Trục Inox 420 DIN471 D31x1.5 được ứng dụng rộng rãi trong nhiều lĩnh vực công nghiệp và dân dụng tại TP. Hồ Chí Minh và các khu công nghiệp lân cận:
- Ngành sản xuất máy móc: Dùng để định vị vòng bi, bánh răng, puli, hoặc các chi tiết khác trên trục quay của máy bơm, động cơ, máy nén khí,…
- Thiết bị truyền động: Đảm bảo các bộ phận như đĩa xích, khớp nối được giữ cố định trên trục, tránh dịch chuyển gây mất đồng bộ.
- Ngành ô tô, xe máy: Sử dụng trong các bộ phận trục, hộp số, hệ thống phanh để định vị các chi tiết, đảm bảo an toàn và hiệu suất.
- Thiết bị gia dụng: Có thể được tìm thấy trong một số máy móc như máy giặt, máy hút bụi, quạt công nghiệp để cố định các bộ phận quay.
- Thiết bị nông nghiệp và xây dựng: Dùng trong các máy móc nhỏ, thiết bị cần độ bền và khả năng chống gỉ sét cơ bản.
- Hệ thống băng tải và vận chuyển: Giữ cố định các con lăn hoặc bánh xe trên trục của băng tải.
7. Hướng Dẫn Lắp Đặt và Tháo Gỡ Phe Gài
Để đảm bảo tuổi thọ và hiệu suất tối ưu cho Phe Gài Trục Inox 420 DIN471 D31x1.5, việc lắp đặt và tháo gỡ đúng cách là vô cùng quan trọng. Luôn tuân thủ các nguyên tắc an toàn và kỹ thuật của nhà sản xuất. Mecsu cung cấp hướng dẫn chi tiết dựa trên kinh nghiệm thực tế:
- Chuẩn bị: Đảm bảo môi trường làm việc sạch sẽ. Chuẩn bị đầy đủ dụng cụ chuyên dụng là kìm phe gài trục (kìm gài ngoài) có kích cỡ phù hợp. Luôn đeo găng tay bảo hộ và kính bảo hộ để đảm bảo an toàn. Kiểm tra rãnh trên trục phải sạch sẽ, không có ba via, và đúng kích thước.
- Lắp đặt:
- Sử dụng kìm phe gài, đưa hai đầu của kìm vào hai lỗ trên phe gài.
- Bóp kìm để làm phe gài giãn ra vừa đủ để có thể trượt qua trục.
- Đưa phe gài vào vị trí rãnh đã được định trước trên trục, sau đó từ từ thả kìm ra để phe gài gài chặt vào rãnh.
- Dùng tay hoặc một vật nhỏ gõ nhẹ để đảm bảo phe gài đã nằm đúng vị trí và không bị lỏng.
- Tháo gỡ:
- Sử dụng kìm phe gài chuyên dụng, đưa hai đầu kìm vào hai lỗ trên phe gài.
- Bóp kìm để làm phe gài giãn ra vừa đủ để có thể nhấc ra khỏi rãnh trên trục.
- Tuyệt đối tránh dùng tua vít, kìm thường hoặc các dụng cụ không chuyên dụng để nạy hoặc cạy phe gài, vì điều này có thể làm biến dạng phe hoặc gây nguy hiểm.
- Bảo quản: Nếu không sử dụng ngay, hãy giữ phe gài trong bao bì gốc của nhà sản xuất, ở nơi khô ráo, thoáng mát, tránh ánh nắng trực tiếp và các hóa chất ăn mòn để ngăn ngừa rỉ sét.
8. So Sánh Phe Gài Trục Inox 420 với các loại Phe Gài khác
Việc hiểu rõ sự khác biệt giữa các loại phe gài sẽ giúp bạn lựa chọn sản phẩm phù hợp nhất cho ứng dụng của mình, tối ưu hóa hiệu suất và chi phí đầu tư:
| Tiêu chí | Phe Gài Lỗ (Phe gài trong) | Phe Gài Trục (Phe gài ngoài) | Phe gài vòng, phe gài chữ C (E-clip) |
|---|---|---|---|
| Vị trí lắp đặt | Lắp vào rãnh trong lỗ | Lắp vào rãnh trên trục | Lắp vào rãnh trên trục (kích thước nhỏ) |
| Chức năng chính | Định vị các chi tiết bên trong lỗ | Định vị các chi tiết bên ngoài trục | Định vị chi tiết trên trục, thường dùng cho tải trọng nhỏ |
| Dụng cụ lắp | Kìm phe gài lỗ (kìm gài trong) | Kìm phe gài trục (kìm gài ngoài) | Kìm, tua vít (khi lắp đặt/tháo gỡ) |
| Độ chắc chắn | Rất tốt (khi lắp đúng) | Rất tốt (khi lắp đúng) | Trung bình, dễ bị bung nếu chịu tải lớn |
| Vật liệu phổ biến | Thép Carbon, Inox | Thép Carbon, Inox | Thép Carbon, Inox |
| Giá thành | Trung bình | Trung bình | Thấp hơn |
| Ứng dụng điển hình | Lắp trong xi lanh, hộp số | Lắp trên trục động cơ, trục máy bơm | Đồ chơi, thiết bị điện tử, máy móc nhỏ |
9. Cách Phân Biệt Phe Gài Trục Inox 420 Thật – Giả – Lời Khuyên Từ Chuyên Gia Mecsu
Thị trường hiện nay có nhiều loại phe gài không rõ nguồn gốc, kém chất lượng. Để đảm bảo bạn mua được Phe Gài Trục Inox 420 DIN471 D31x1.5 chính hãng, Mecsu khuyến nghị kiểm tra các dấu hiệu sau:
a. Dấu hiệu của phe gài chính hãng:
- Bao bì chất lượng cao: Sắc nét, thông tin sản phẩm rõ ràng, đầy đủ mã sản phẩm, kích thước và thông tin nhà sản xuất.
- Hoàn thiện sản phẩm: Bề mặt nhẵn mịn, không có ba via, các cạnh được bo tròn đều. Vật liệu có độ đàn hồi tốt, khi bóp vào rồi thả ra sẽ trở về hình dạng ban đầu một cách nhanh chóng.
- Thông số kỹ thuật chính xác: Các kích thước như đường kính, độ dày, bề rộng rãnh đúng với thông số công bố của nhà sản xuất.
- Chất liệu Inox: Có khả năng chống gỉ sét tốt, không bị oxy hóa ngay cả khi tiếp xúc với môi trường ẩm ướt.
- Chứng từ đầy đủ: Nhà cung cấp uy tín sẽ cung cấp đầy đủ các chứng từ chứng nhận nguồn gốc và chất lượng sản phẩm.
b. Dấu hiệu của phe gài hàng giả/nhái:
- Sản phẩm có bao bì thô, thông tin thiếu hoặc không chính xác.
- Bề mặt thô ráp, có ba via, các lỗ không được gia công tỉ mỉ.
- Vật liệu kém chất lượng, dễ bị biến dạng khi dùng lực, độ đàn hồi kém, dễ bị rỉ sét khi tiếp xúc với không khí ẩm.
- Kích thước không chính xác, gây khó khăn khi lắp đặt hoặc không thể lắp vào rãnh.
- Giá bán rẻ bất thường so với mức giá thị trường của sản phẩm chất lượng.
10. Giá Bán & Gợi Ý Mua Phe Gài Trục Inox 420 Chính Hãng Tại TP.HCM
a. Giá Phe Gài Trục Inox 420 (TP.Hồ Chí Minh) tại Mecsu: Giá: 28,162 đ / Bịch (đã có VAT) – Giá hợp lý, phù hợp với chất lượng sản phẩm chính hãng
Liên hệ để nhận báo giá tốt nhất (giá có thể thay đổi tùy thời điểm và số lượng) – mức giá hợp lý, phù hợp với chất lượng sản phẩm chính hãng MS-PRO tại thị trường linh kiện cơ khí TP.HCM.
b. Gợi ý mua phe gài chính hãng, uy tín
- Chọn nhà cung cấp uy tín tại TP.HCM: Ưu tiên đối tác có danh tiếng, được nhiều khách hàng tin tưởng và có kinh nghiệm lâu năm trên thị trường cung cấp linh kiện cơ khí tại TP.HCM.
- Kiểm tra chứng từ đầy đủ: Luôn yêu cầu đầy đủ chứng từ chứng nhận chất lượng để đảm bảo nguồn gốc và chất lượng sản phẩm. Điều này giúp bạn tránh mua phải hàng giả trên thị trường.
- Mua tại Mecsu – Nhà phân phối linh kiện cơ khí uy tín: Mecsu tự hào là nhà cung cấp các sản phẩm phe gài chính hãng tại Việt Nam, cam kết mang đến sản phẩm chất lượng cao với nhiều lợi ích vượt trội:
- 100% sản phẩm chính hãng: Đảm bảo nguồn gốc rõ ràng, chất lượng được kiểm định. Chúng tôi cam kết hoàn tiền 100% hoặc đổi trả nếu sản phẩm không đúng chất lượng.
- Chính sách bảo hành minh bạch: Hỗ trợ đổi trả nếu có lỗi từ nhà sản xuất, mang lại sự an tâm tuyệt đối cho khách hàng.
- Hỗ trợ kỹ thuật chuyên sâu: Đội ngũ kỹ sư giàu kinh nghiệm sẵn sàng hỗ trợ bạn về kỹ thuật và lựa chọn sản phẩm phù hợp nhất cho mọi ứng dụng.
- Giá cả cạnh tranh: Đảm bảo mức giá tốt nhất đi kèm chất lượng, với chính sách chiết khấu hấp dẫn cho đơn hàng số lượng lớn.
MUA THÊM NHIỀU LOẠI PHE GÀI CHÍNH HÃNG KHÁC TẠI MECSU
11. FAQ về Phe Gài Trục Inox 420
a. Phe gài trục Inox 420 có dùng cho môi trường nước không?
Vật liệu Inox 420 có khả năng chống ăn mòn tốt trong môi trường nước thông thường, nhưng khả năng này kém hơn so với các loại Inox 304 hoặc 316. Đối với các ứng dụng trong môi trường hóa chất mạnh, nước biển hoặc môi trường ẩm ướt liên tục, bạn nên xem xét sử dụng phe gài từ Inox 316 để đảm bảo độ bền tối ưu.
b. Phe gài trục Inox 420 khác gì với phe gài thép Carbon?
Sự khác biệt chính là vật liệu. Phe gài Inox 420 có khả năng chống gỉ sét và ăn mòn, trong khi phe gài thép Carbon dễ bị rỉ sét hơn nếu không được mạ hoặc phủ lớp bảo vệ. Tuy nhiên, phe gài thép Carbon thường có độ cứng và độ đàn hồi cao hơn. Lựa chọn phụ thuộc vào môi trường ứng dụng của bạn.
c. Tôi có thể tái sử dụng phe gài đã tháo ra không?
Tùy thuộc vào tình trạng của phe gài. Nếu phe gài được tháo ra đúng cách bằng dụng cụ chuyên dụng và không bị biến dạng, cong vênh, bạn có thể tái sử dụng. Tuy nhiên, nếu phe có dấu hiệu bị hỏng, mất độ đàn hồi hoặc rỉ sét, bạn nên thay thế bằng phe gài mới để đảm bảo an toàn và hiệu suất định vị.
d. Làm sao biết phe gài tôi mua là hàng chất lượng?
Bạn nên mua từ nhà phân phối uy tín (như Mecsu), kiểm tra bao bì, kiểm tra độ hoàn thiện của sản phẩm. Một phe gài chất lượng cao sẽ có bề mặt nhẵn, không có ba via, và độ đàn hồi tốt. Kích thước phải chính xác và đúng với thông số kỹ thuật.
e. Khi nào cần thay thế phe gài trục?
Bạn nên thay thế phe gài khi nhận thấy các dấu hiệu sau:
- Biến dạng vật lý: Phe gài bị cong, vênh, nứt hoặc bị móp méo.
- Mất độ đàn hồi: Phe gài không còn bám chặt vào rãnh khi lắp đặt, dễ bị trượt ra ngoài.
- Rỉ sét hoặc ăn mòn: Bề mặt bị rỉ sét nặng, ăn mòn làm giảm khả năng chịu lực.
- Được tháo ra bằng dụng cụ không chuyên: Thường phe gài sẽ bị biến dạng nếu dùng tua vít, kìm thường để cạy.
Kinh nghiệm từ các kỹ sư Mecsu: Việc kiểm tra định kỳ bằng mắt thường có thể giúp phát hiện sớm các dấu hiệu cần thay thế, tránh gây hư hại nghiêm trọng hơn cho các chi tiết khác trong hệ thống. Đừng ngần ngại liên hệ chúng tôi để được hỗ trợ kỹ thuật về bảo trì hoặc thay thế linh kiện kịp thời.
f. Mua phe gài trục Inox 420 chính hãng, uy tín ở đâu tại TP.HCM?
Để mua phe gài trục Inox 420 DIN471 D31x1.5 chính hãng và đảm bảo chất lượng tại TP.HCM, bạn hãy liên hệ ngay với Mecsu. Chúng tôi tự hào là nhà cung cấp uy tín, chuyên phân phối các sản phẩm linh kiện cơ khí chất lượng cao tại Việt Nam.
- Cam kết chất lượng: 100% sản phẩm có nguồn gốc rõ ràng, đầy đủ chứng từ. Chúng tôi cam kết hoàn tiền 100% hoặc đổi trả nếu sản phẩm không đúng chất lượng.
- Giá cả cạnh tranh: Đảm bảo mức giá tốt nhất đi kèm chất lượng, với chính sách chiết khấu hấp dẫn cho đơn hàng số lượng lớn.
- Tư vấn chuyên sâu: Đội ngũ kỹ sư giàu kinh nghiệm sẵn sàng hỗ trợ bạn về kỹ thuật và lựa chọn sản phẩm phù hợp nhất.
- Chính sách hậu mãi: Đảm bảo quyền lợi tối đa cho khách hàng với dịch vụ hỗ trợ nhanh chóng, tận tâm.
12. Liên Hệ và Hỗ Trợ Tư Vấn Mua Phe Gài
Nếu bạn có bất kỳ thắc mắc nào về Phe Gài Trục Inox 420 DIN471 D31x1.5 hoặc cần tư vấn về giải pháp định vị cho ứng dụng cụ thể của mình, đừng ngần ngại liên hệ với đội ngũ chuyên gia của Mecsu. Chúng tôi luôn sẵn lòng hỗ trợ bạn tìm ra sản phẩm phù hợp và tối ưu nhất, đồng thời cung cấp những kiến thức độc quyền về kỹ thuật lắp đặt và bảo trì linh kiện cơ khí mà bạn khó tìm thấy ở nơi khác.
Địa chỉ: B28/I – B29/I Đường số 2B, KCN Vĩnh Lộc, P. Bình Hưng Hòa B, Q. Bình Tân, TP.HCM
Hotline: 1800 8137
Email: [email protected]
Website: mecsu.vn
13. Thông Tin Bổ Sung & Kinh Nghiệm Thực Tế Từ Mecsu
a. Kinh Nghiệm Thực Tế & Câu Chuyện Thành Công
Tại Mecsu, chúng tôi tự hào là đối tác tin cậy của nhiều doanh nghiệp trong việc cung cấp các giải pháp linh kiện cơ khí chất lượng cao. Phe Gài Trục Inox 420 DIN471 D31x1.5, với đặc tính chống ăn mòn và khả năng định vị chắc chắn, đã được ứng dụng trong nhiều dự án quan trọng của khách hàng chúng tôi tại TP. Hồ Chí Minh và các tỉnh lân cận, mang lại hiệu quả vượt trội và là minh chứng cho chất lượng sản phẩm cùng kinh nghiệm thực tế của đội ngũ Mecsu:
a. Kinh Nghiệm Thực Tế & Câu Chuyện Thành Công
Tại Mecsu, chúng tôi tự hào là đối tác tin cậy của nhiều doanh nghiệp trong việc cung cấp các giải pháp linh kiện cơ khí chất lượng cao. “Phe Gài Trục Inox 420”, với đặc tính chống ăn mòn và khả năng định vị chắc chắn, đã được ứng dụng trong nhiều dự án quan trọng của khách hàng chúng tôi tại “TP. Hồ Chí Minh” và các tỉnh lân cận, mang lại hiệu quả vượt trội và là minh chứng cho chất lượng sản phẩm cùng kinh nghiệm thực tế của đội ngũ Mecsu:
- Ngành sản xuất máy bơm và quạt công nghiệp: Chúng tôi đã cung cấp “Phe Gài Trục Inox 420” cho một nhà sản xuất máy bơm lớn tại Bình Dương. Nhờ khả năng chống gỉ sét và độ bền cao trong môi trường ẩm ướt, phe gài này đã góp phần đáng kể vào việc nâng cao độ tin cậy của máy bơm, đồng thời giảm thiểu chi phí bảo trì.
- Lĩnh vực máy móc chế biến thực phẩm: Phe Gài Trục Inox 420 được lựa chọn cho các ứng dụng trong máy móc chế biến thực phẩm nơi yêu cầu vệ sinh và khả năng chống ăn mòn cao. Độ tin cậy vượt trội của sản phẩm đã giúp máy móc hoạt động ổn định trong thời gian dài, ngay cả trong môi trường có độ ẩm và chất tẩy rửa cao.
- Thiết bị nông nghiệp: Một khách hàng chuyên sản xuất máy nông nghiệp đã ứng dụng “phe gài trục” này vào các bộ phận trục quay chính. Khả năng định vị chắc chắn và chống gỉ sét đã giúp máy móc hoạt động ổn định và kéo dài tuổi thọ trong môi trường làm việc khắc nghiệt.
b. Trích Dẫn Chuyên Gia
““Phe Gài Trục Inox 420” là một lựa chọn tuyệt vời cho các ứng dụng công nghiệp cần sự cân bằng hoàn hảo giữa khả năng định vị, độ bền và mức độ chống gỉ sét. Vật liệu Inox 420 mang lại lợi thế về độ cứng và khả năng chống mài mòn, rất phù hợp cho những hệ thống mà sự an toàn và độ chính xác là yếu tố then chốt. Đây là giải pháp đáng tin cậy và hiệu quả cho nhiều loại máy móc trong môi trường công nghiệp.”
— “Kỹ sư cơ khí Chuyên gia kỹ thuật Mecsu” (TP. Hồ Chí Minh) – Với hơn 10 năm kinh nghiệm trong lĩnh vực “linh kiện cơ khí công nghiệp”.
c. Tài Liệu Tham Khảo và Nghiên Cứu
Nội dung bài viết này được biên soạn dựa trên các tài liệu kỹ thuật chính thức và đáng tin cậy, cùng với kinh nghiệm thực tế chuyên sâu của đội ngũ kỹ sư Mecsu, đảm bảo tính chính xác, cập nhật và chuyên môn cao:
- Tiêu chuẩn DIN 471 (German Standards DIN) – Nguồn dữ liệu kỹ thuật chi tiết nhất về phe gài trục.
- Tài liệu về vật liệu Inox 420 (Stainless Steel 420 Datasheet) – Cung cấp cái nhìn toàn diện về tính chất vật liệu.
- Bảng dữ liệu kỹ thuật (Datasheet) chi tiết của Phe Gài Trục DIN471 D31x1.5 – Nguồn thông số kỹ thuật chính xác.
- Trải nghiệm thực tế và phản hồi từ các dự án khách hàng của Mecsu – “Dữ liệu độc nhất” được thu thập từ hơn 10 năm cung cấp “linh kiện cơ khí” và “giải pháp định vị” cho các doanh nghiệp tại Việt Nam.
Biên soạn bởi: Đội ngũ Kỹ sư Mecsu
Với hơn 10 năm kinh nghiệm chuyên sâu trong lĩnh vực phân phối và tư vấn giải pháp linh kiện cơ khí, đội ngũ kỹ sư của Mecsu cam kết mang đến những thông tin chính xác, cập nhật và hữu ích nhất, giúp quý khách hàng đưa ra lựa chọn sản phẩm tối ưu cho mọi ứng dụng.
(Xem thêm thông tin về chúng tôi tại Website Mecsu)
Lưu ý: Hình ảnh sản phẩm có thể khác biệt so với thực tế tùy theo lô sản xuất. Vui lòng tham khảo thông số kỹ thuật chi tiết hoặc liên hệ Mecsu để có thông tin chính xác nhất về sản phẩm.



















Đánh giá
Chưa có đánh giá nào.