Mô tả sản phẩm
Thông tin CHUYÊN SÂU về Phe Gài Trục Inox 420 DIN471 D30x1.5 (5 Cái/Bịch)
Mục Lục
- 1. Phe Gài Trục DIN471 D30x1.5 Là Gì? – Giải Thích Chuyên Sâu
- 2. Thông Số Kỹ Thuật Chi Tiết của Phe Gài Trục Inox 420
- 3. Cấu Tạo Chi Tiết Phe Gài Trục Inox 420
- 4. Phân Tích Chuyên Sâu: Tiêu Chuẩn DIN 471 và Vật Liệu Inox 420
- 5. Ưu và Nhược Điểm của Phe Gài Trục Inox 420
- 6. Ứng Dụng Thực Tế của Phe Gài Trục DIN471 D30x1.5
- 7. Hướng Dẫn Lắp Đặt và Tháo Gỡ Phe Gài Trục
- 8. So Sánh Phe Gài Trục và Phe Gài Lỗ
- 9. Cách Phân Biệt Phe Gài MS-PRO Thật – Giả – Lời Khuyên Từ Chuyên Gia Mecsu
- 10. Giá Bán & Gợi Ý Mua Phe Gài Trục Chính Hãng Tại TP.HCM
- 11. FAQ về Phe Gài Trục Inox 420
- 12. Liên Hệ và Hỗ Trợ Tư Vấn Mua Phe Gài MS-PRO
- 13. Thông Tin Bổ Sung & Kinh Nghiệm Thực Tế Từ Mecsu
1. Phe Gài Trục DIN471 D30x1.5 Là Gì? – Giải Thích Chuyên Sâu
Phe gài trục Inox 420 DIN471 D30x1.5 là một loại chi tiết cơ khí được thiết kế để định vị các bộ phận trên trục, ngăn không cho chúng dịch chuyển dọc trục. Mã “D30” là ký hiệu cho đường kính trục sử dụng là 30mm, và “1.5” là độ dày của phe gài. “DIN471” là tiêu chuẩn kỹ thuật của Đức, quy định kích thước và đặc tính của phe gài trục. Sản phẩm này được làm từ vật liệu Inox 420, có khả năng chống ăn mòn tốt và độ cứng cao, đảm bảo hiệu suất và độ bền trong môi trường công nghiệp. Phe gài trục còn được gọi là Vòng gài, Phanh hãm, Phe hãm, hay Circlip.

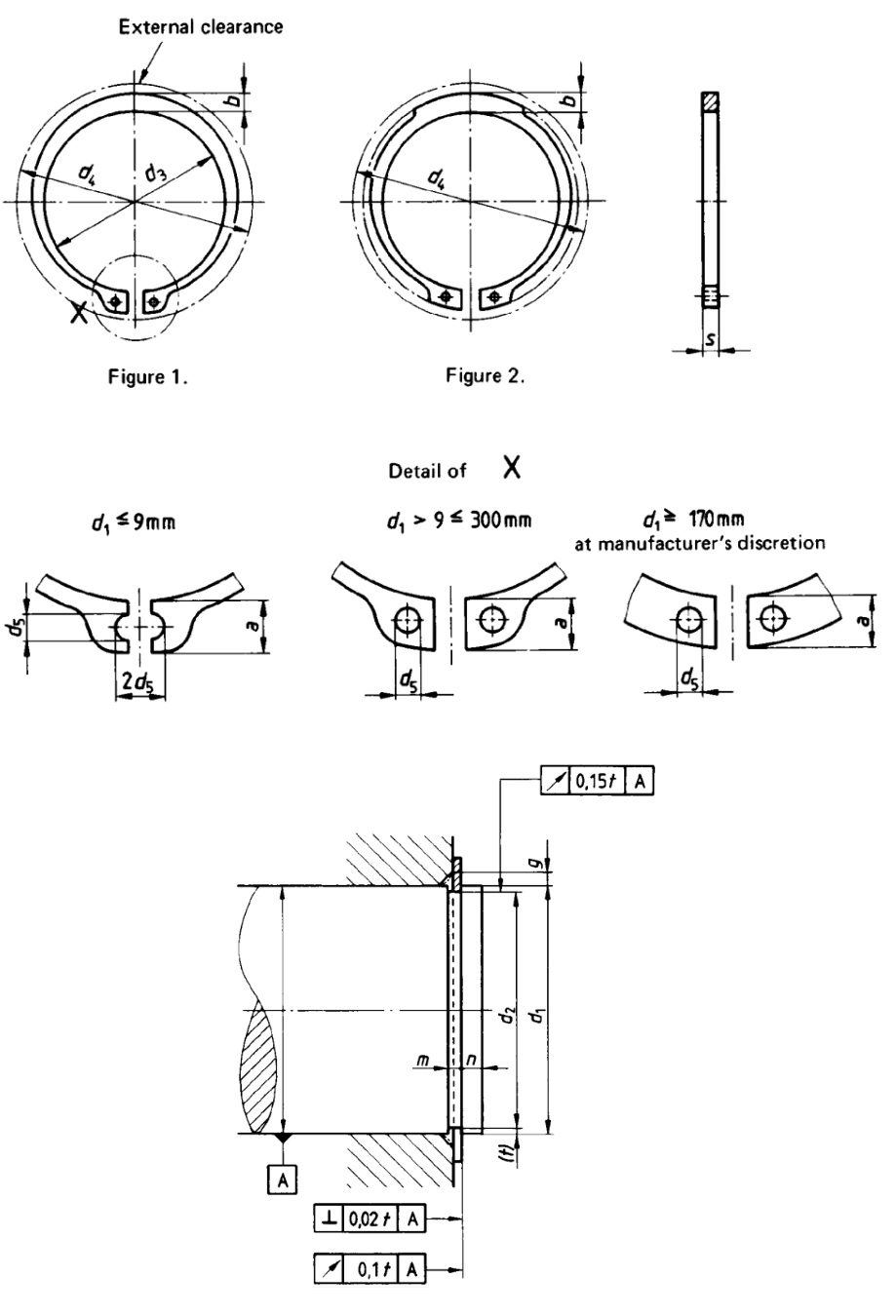
2. Thông Số Kỹ Thuật Chi Tiết của Phe Gài Trục Inox 420

d: Đường kính trục sử dụng
B: Bề rộng rãnh sử dụng
D1: Đường kính rãnh sử dụng
D2: Đường kính trong
S: Độ dày
| Thông số | Giá trị |
|---|---|
| Mã sản phẩm | DIN471 D30x1.5 |
| Loại phe gài | Phe Gài Trục (Circlip for Shafts) |
| Dùng cho trục | 30 mm |
| Vật liệu | Inox 420 |
| Bề rộng rãnh sử dụng (B) | 1.6 mm |
| Đường kính rãnh sử dụng (D1) | 28.6 mm |
| Đường kính trong (D2) | 27.9 mm |
| Độ dày (S) | 1.5 mm |
| Tiêu chuẩn | DIN 471 |
| Thương hiệu | MS-PRO |
| Loại bán | 5 Cái/Bịch |
| Màu sắc | Trắng bạc |
| Khả năng chống ăn mòn | Tốt |
| Khả năng chịu lực | Cao |
| Đóng gói | Trong bịch nhựa |
3. Cấu Tạo Chi Tiết Phe Gài Trục Inox 420
Phe gài trục DIN471 D30x1.5 được cấu thành từ một vòng thép dẹt có thiết kế đặc biệt, với hai đầu được uốn cong hoặc có lỗ để dễ dàng lắp đặt và tháo gỡ bằng kìm chuyên dụng. Phe gài này có hình dạng hở, được lắp vào rãnh đã gia công sẵn trên trục.
Sơ đồ cấu tạo Phe Gài Trục DIN471:
- Thân phe gài: Là phần chính của phe, có hình dạng vòng tròn hở. Khi lắp vào rãnh trên trục, phe gài sẽ mở rộng và bám chặt vào rãnh, tạo ra một lực giữ mạnh mẽ để định vị chi tiết.
- Đầu phe gài: Được thiết kế với hai lỗ nhỏ ở hai đầu (đối với loại phe gài có lỗ) hoặc phần uốn cong để sử dụng với kìm phe gài chuyên dụng. Điều này giúp việc lắp đặt và tháo gỡ trở nên dễ dàng và an toàn hơn.
- Vật liệu Inox 420: Là vật liệu chính làm nên phe gài. Inox 420 là loại thép không gỉ mactensit, có khả năng tôi cứng để đạt độ cứng cao, từ đó tăng cường khả năng chịu lực cắt và chống mài mòn, đồng thời vẫn duy trì khả năng chống gỉ tốt.

4. Phân Tích Chuyên Sâu: Tiêu Chuẩn DIN 471 và Vật Liệu Inox 420
Để thực sự hiểu giá trị của Phe Gài Trục DIN471 D30x1.5, việc phân tích sâu hơn về hai yếu tố then chốt: “Tiêu chuẩn DIN 471” và “Vật liệu Inox 420” là rất quan trọng.
Tiêu chuẩn DIN 471 – Tiêu chuẩn kỹ thuật của Đức:
- Chức năng chính: DIN (Deutsches Institut für Normung) là Viện Tiêu chuẩn Đức, DIN 471 quy định kích thước, vật liệu, và các yêu cầu kỹ thuật khác cho phe gài trục (retaining rings for shafts).
- Đặc điểm nổi bật: Việc tuân thủ tiêu chuẩn này đảm bảo rằng phe gài có kích thước chính xác, độ dày đồng nhất và khả năng chịu lực phù hợp với các ứng dụng công nghiệp, giúp các nhà sản xuất và kỹ sư dễ dàng lựa chọn và thay thế.
- Ưu điểm vượt trội: Tiêu chuẩn hóa giúp sản phẩm có tính tương thích cao, dễ dàng lắp đặt vào các rãnh đã gia công sẵn theo tiêu chuẩn, đảm bảo tính chính xác và an toàn cho toàn bộ hệ thống máy móc.
Vật liệu Inox 420:
- Ý nghĩa: Inox 420 là một loại thép không gỉ mactensit, được biết đến với khả năng tôi cứng để đạt độ cứng và độ bền cao sau khi xử lý nhiệt.
- Tầm quan trọng: Khác với các loại inox phổ biến như 304, 420 được lựa chọn đặc biệt cho các chi tiết cần chịu lực cắt, ma sát cao mà vẫn yêu cầu chống ăn mòn. Điều này giúp phe gài không chỉ bền mà còn giữ được hình dạng và chức năng trong môi trường ẩm ướt hoặc hóa chất nhẹ.
- Lựa chọn phù hợp: Sự kết hợp giữa tiêu chuẩn DIN 471 và vật liệu Inox 420 giúp phe gài trục D30x1.5 trở thành một giải pháp đáng tin cậy, phù hợp với các máy móc cần độ bền và khả năng chống ăn mòn vừa phải, đồng thời giảm thiểu rủi ro hư hỏng do tải trọng.
Sự kết hợp giữa tiêu chuẩn “DIN 471” và vật liệu “Inox 420” giúp MS-PRO DIN471 D30x1.5 trở thành một giải pháp phe gài linh hoạt, đáng tin cậy cho các máy móc cần định vị chi tiết trên trục một cách chắc chắn.
5. Ưu và Nhược Điểm của Phe Gài Trục Inox 420
Phe Gài Trục Inox 420 được tin dùng rộng rãi nhờ hiệu suất và độ bền. Tuy nhiên, việc lựa chọn tối ưu đòi hỏi phải hiểu rõ cả ưu điểm lẫn nhược điểm của nó.
Ưu điểm nổi bật:
- Độ bền cao và khả năng chịu lực tốt: Nhờ vật liệu Inox 420 đã qua xử lý nhiệt, phe gài có độ cứng cao, chống biến dạng và mài mòn, chịu được lực cắt lớn.
- Khả năng chống ăn mòn: Inox 420 mang lại khả năng chống gỉ tốt trong môi trường thông thường, kéo dài tuổi thọ sản phẩm.
- Lắp đặt và tháo gỡ dễ dàng: Thiết kế tiêu chuẩn DIN 471 và các lỗ/đầu uốn cong giúp việc thao tác bằng kìm chuyên dụng trở nên nhanh chóng và an toàn.
- Giá cả hợp lý: So với các loại vật liệu cao cấp hơn, Inox 420 có mức giá phải chăng, là lựa chọn kinh tế cho nhiều ứng dụng.
- Tính tương thích cao: Sản xuất theo tiêu chuẩn DIN 471, đảm bảo phe gài tương thích với các trục có kích thước rãnh tiêu chuẩn, dễ dàng thay thế và sử dụng.
Nhược điểm cần lưu ý:
- Khả năng chống ăn mòn giới hạn: Mặc dù chống gỉ tốt hơn thép carbon, Inox 420 không có khả năng chống ăn mòn tuyệt đối như Inox 304 hoặc 316. Nó không phù hợp với các môi trường tiếp xúc liên tục với hóa chất mạnh hoặc nước biển.
- Nguy cơ biến dạng nếu dùng sai dụng cụ: Việc sử dụng kìm không đúng kích cỡ hoặc tác dụng lực quá mạnh có thể làm cong, biến dạng phe gài, làm giảm khả năng giữ.
6. Ứng Dụng Thực Tế của Phe Gài Trục DIN471 D30x1.5
Với kích thước tiêu chuẩn và vật liệu chất lượng, phe gài trục DIN471 D30x1.5 được ứng dụng rộng rãi trong nhiều lĩnh vực công nghiệp và dân dụng tại TP. Hồ Chí Minh và các khu công nghiệp lân cận:
- Ngành cơ khí chế tạo: Định vị các bánh răng, puly, vòng bi, bạc đạn trên trục động cơ, máy bơm, máy nén khí.
- Sản xuất ô tô, xe máy: Sử dụng trong các bộ phận hộp số, trục truyền động, hệ thống phanh.
- Thiết bị điện tử, điện dân dụng: Lắp ráp các chi tiết trên trục quay của máy quạt, động cơ nhỏ, máy bơm mini.
- Máy công cụ, máy gia công: Giữ chặt các chi tiết trên trục chính của máy tiện, máy phay, máy cắt.
- Các ứng dụng trong ngành nông nghiệp và xây dựng: Phù hợp cho các thiết bị cần độ bền và khả năng chống ăn mòn cơ bản.

7. Hướng Dẫn Lắp Đặt và Tháo Gỡ Phe Gài Trục
Để đảm bảo hiệu suất và an toàn tối ưu cho phe gài trục Inox 420, việc lắp đặt và tháo gỡ đúng cách là vô cùng quan trọng. Luôn tuân thủ các nguyên tắc an toàn và sử dụng dụng cụ chuyên dụng. Mecsu cung cấp hướng dẫn chi tiết dựa trên kinh nghiệm thực tế:
- Chuẩn bị: Đảm bảo môi trường làm việc sạch sẽ. Chuẩn bị phe gài có kích thước phù hợp và kìm phe gài chuyên dụng. Luôn đeo găng tay bảo hộ và kính bảo hộ để đảm bảo an toàn. Kiểm tra rãnh trên trục phải sạch sẽ, không có ba via, rỉ sét và đúng kích thước.
- Lắp đặt:
- Sử dụng kìm phe gài chuyên dụng, bóp hai đầu của phe gài lại (đối với phe gài có lỗ).
- Nhẹ nhàng đưa phe gài vào vị trí rãnh trên trục.
- Thả tay từ từ để phe gài bung ra và ôm chặt vào rãnh. Đảm bảo phe gài đã nằm gọn và chắc chắn trong rãnh.
- Không dùng búa hoặc các dụng cụ khác để đóng phe gài vào, điều này có thể làm biến dạng phe.
- Tháo gỡ:
- Sử dụng kìm phe gài chuyên dụng, bóp hai đầu của phe gài lại để thu nhỏ đường kính của nó.
- Nhẹ nhàng nhấc phe gài ra khỏi rãnh trên trục.
- Tránh dùng tua vít hoặc các vật sắc nhọn để cậy phe gài, việc này có thể làm hỏng cả phe gài và rãnh trên trục.
- Bảo quản: Nếu không sử dụng ngay, hãy giữ phe gài trong bao bì gốc của nhà sản xuất, ở nơi khô ráo, thoáng mát, tránh ánh nắng trực tiếp và các hóa chất ăn mòn để ngăn ngừa rỉ sét và biến dạng.

8. So Sánh Phe Gài Trục và Phe Gài Lỗ
Việc hiểu rõ sự khác biệt giữa các loại phe gài sẽ giúp bạn lựa chọn sản phẩm phù hợp nhất cho ứng dụng của mình, tối ưu hóa hiệu suất và chi phí đầu tư:
| Tiêu chí | Phe Gài Trục (Circlip for Shafts) | Phe Gài Lỗ (Circlip for Bores) |
|---|---|---|
| Vị trí lắp đặt | Lắp vào rãnh trên bề mặt ngoài của trục. | Lắp vào rãnh trên bề mặt trong của lỗ. |
| Hình dạng | Vòng tròn hở, khi lắp vào sẽ bung ra để bám vào rãnh. | Vòng tròn hở, khi lắp vào sẽ co lại để bám vào rãnh. |
| Cấu tạo | Có hai lỗ ở đầu hoặc phần uốn cong ra ngoài. | Có hai lỗ ở đầu hoặc phần uốn cong vào trong. |
| Dụng cụ lắp | Kìm phe gài ngoài (kìm bóp). | Kìm phe gài trong (kìm bung). |
| Ứng dụng điển hình | Định vị bánh răng, vòng bi trên trục. | Định vị vòng bi, bạc lót bên trong lỗ. |
9. Cách Phân Biệt Phe Gài MS-PRO Thật – Giả – Lời Khuyên Từ Chuyên Gia Mecsu
Thị trường hiện nay có rất nhiều hàng giả, hàng nhái kém chất lượng. Để đảm bảo bạn mua được phe gài MS-PRO chính hãng tại TP.HCM, Mecsu khuyến nghị kiểm tra các dấu hiệu sau:
a. Dấu hiệu của phe gài MS-PRO chính hãng:
- Bao bì chất lượng cao: Sắc nét, in ấn rõ ràng, thông tin sản phẩm đầy đủ mã, tiêu chuẩn, kích thước và số lượng. Bạn sẽ thấy sự tỉ mỉ trong từng chi tiết.
- Hoàn thiện sản phẩm cao cấp: Bề mặt phe gài nhẵn, không có ba via, vết xước hoặc dấu hiệu của rỉ sét. Các cạnh được gia công mịn, chính xác.
- Độ đàn hồi tốt: Khi sử dụng kìm phe gài, phe gài chính hãng sẽ có độ đàn hồi tốt, không bị biến dạng sau khi tháo lắp, đảm bảo khả năng giữ chắc chắn.
- Chứng từ đầy đủ: Nhà cung cấp uy tín sẽ cung cấp đầy đủ chứng từ xuất xứ và chất lượng, đảm bảo nguồn gốc sản phẩm.
b. Dấu hiệu của phe gài MS-PRO hàng giả/nhái:
- In ấn trên bao bì mờ nhạt, sai chính tả, thông tin thiếu hoặc không chính xác.
- Bề mặt sản phẩm thô, có nhiều ba via, rỉ sét hoặc các khuyết tật khác do gia công kém.
- Độ đàn hồi kém, dễ bị biến dạng, không giữ được hình dạng ban đầu sau khi tháo lắp.
- Giá bán rẻ bất thường so với mức giá thị trường của sản phẩm chính hãng – đây là dấu hiệu cảnh báo lớn nhất.
10. Giá Bán & Gợi Ý Mua Phe Gài Trục Chính Hãng Tại TP.HCM
a. Giá phe gài trục DIN471 D30x1.5 (TP.Hồ Chí Minh) tại Mecsu: Giá: 28,162 đ/ Bịch (đã có VAT) – Giá hợp lý, phù hợp với chất lượng sản phẩm chính hãng
Liên hệ để nhận báo giá tốt nhất (giá có thể thay đổi tùy thời điểm và số lượng) – mức giá hợp lý, phù hợp với chất lượng sản phẩm chính hãng MS-PRO tại thị trường linh kiện cơ khí TP.HCM.
b. Gợi ý mua phe gài chính hãng MS-PRO uy tín
- Chọn nhà cung cấp uy tín tại TP.HCM: Ưu tiên đối tác có chứng nhận hoặc đơn vị lâu năm, được nhiều khách hàng tin tưởng và có danh tiếng trên thị trường cung cấp linh kiện cơ khí tại TP.HCM.
- Kiểm tra chứng từ đầy đủ: Luôn yêu cầu đầy đủ chứng nhận xuất xứ và chất lượng để đảm bảo nguồn gốc và chất lượng sản phẩm. Điều này giúp bạn tránh mua phải hàng giả trên thị trường.
- Mua tại Mecsu – Đại lý ủy quyền MS-PRO tại Việt Nam: Mecsu tự hào là nhà phân phối chính hãng MS-PRO tại Việt Nam, cam kết cung cấp phe gài trục Inox 420 chính hãng và các loại phe gài khác với nhiều lợi ích vượt trội:
- 100% sản phẩm chính hãng: Đảm bảo nguồn gốc rõ ràng, đầy đủ chứng từ. Chúng tôi cam kết hoàn tiền 100% hoặc đổi trả nếu sản phẩm không phải chính hãng.
- Chính sách bảo hành minh bạch: Hỗ trợ đổi trả nếu có lỗi từ nhà sản xuất, mang lại sự an tâm tuyệt đối cho khách hàng.
- Hỗ trợ kỹ thuật chuyên sâu: Đội ngũ kỹ sư giàu kinh nghiệm sẵn sàng hỗ trợ bạn về kỹ thuật và lựa chọn sản phẩm phù hợp nhất cho mọi ứng dụng.
- Giá cả cạnh tranh: Đảm bảo mức giá tốt nhất đi kèm chất lượng, với chính sách chiết khấu hấp dẫn cho đơn hàng số lượng lớn, đặc biệt khi mua phe gài số lượng lớn.
MUA THÊM NHIỀU LOẠI PHE GÀI CHÍNH HÃNG KHÁC TẠI MECSU
11. FAQ về Phe Gài Trục Inox 420
a. Phe gài trục Inox 420 có cần bảo dưỡng không?
Phe gài trục Inox 420 thường không cần bảo dưỡng đặc biệt. Tuy nhiên, để đảm bảo tuổi thọ tối đa, bạn nên giữ phe gài và rãnh lắp đặt luôn sạch sẽ, không có bụi bẩn hoặc chất lỏng ăn mòn.
b. Phe gài trục dùng cho trục 30mm có phù hợp với trục 30mm không?
Đúng vậy. Phe gài có mã D30 được thiết kế để sử dụng cho trục có đường kính 30mm. Khi lắp vào rãnh có đường kính 28.6mm, phe gài sẽ tạo ra một lực ép để giữ chặt các chi tiết.
c. Phe gài Inox 420 có chống ăn mòn tuyệt đối không?
Không. Inox 420 là loại thép không gỉ có khả năng chống ăn mòn tốt trong môi trường thông thường nhưng không phải là tuyệt đối. Đối với các ứng dụng trong môi trường hóa chất mạnh hoặc nước biển, bạn nên xem xét các loại phe gài làm từ vật liệu có khả năng chống ăn mòn cao hơn như Inox 304 hoặc 316.
d. Làm sao biết phe gài của tôi là hàng chính hãng MS-PRO?
Bạn nên mua từ nhà phân phối uy tín (như Mecsu), kiểm tra bao bì và sản phẩm phải có độ hoàn thiện cao, các thông số rõ ràng. Độ đàn hồi của phe gài chính hãng rất tốt, không bị biến dạng sau khi tháo lắp.
e. Khi nào cần thay thế phe gài?
Bạn nên thay thế phe gài khi nhận thấy các dấu hiệu sau:
- Biến dạng vật lý: Phe gài bị cong, vênh, nứt hoặc mòn không còn giữ được hình dạng ban đầu.
- Lực giữ yếu: Phe gài không còn bám chặt vào rãnh, có thể dễ dàng bị dịch chuyển.
- Rỉ sét hoặc ăn mòn: Nếu phe gài bị rỉ sét nghiêm trọng, có thể làm giảm độ bền và khả năng chịu lực.
Kinh nghiệm từ các kỹ sư Mecsu: Việc kiểm tra định kỳ bằng mắt thường có thể giúp phát hiện sớm các dấu hiệu cần thay thế, tránh gây hư hại nghiêm trọng hơn cho toàn bộ hệ thống. Đừng ngần ngại liên hệ chúng tôi để được hỗ trợ kỹ thuật về bảo trì hoặc thay thế linh kiện kịp thời.
f. Mua phe gài trục Inox 420 chính hãng, uy tín ở đâu tại TP.HCM?
Mua phe gài trục Inox 420 chính hãng và đảm bảo chất lượng tại TP.HCM, bạn hãy liên hệ ngay với Mecsu. Chúng tôi tự hào là nhà cung cấp uy tín, chuyên phân phối các sản phẩm MS-PRO chính hãng tại Việt Nam.
- Cam kết chất lượng: 100% sản phẩm có nguồn gốc rõ ràng, đầy đủ chứng từ. Chúng tôi cam kết hoàn tiền 100% hoặc đổi trả nếu sản phẩm không phải chính hãng.
- Giá cả cạnh tranh: Đảm bảo mức giá tốt nhất đi kèm chất lượng, với chính sách chiết khấu hấp dẫn cho đơn hàng số lượng lớn.
- Tư vấn chuyên sâu: Đội ngũ kỹ sư giàu kinh nghiệm sẵn sàng hỗ trợ bạn về kỹ thuật và lựa chọn sản phẩm phù hợp nhất.
- Chính sách hậu mãi: Đảm bảo quyền lợi tối đa cho khách hàng với dịch vụ hỗ trợ nhanh chóng, tận tâm.
12. Liên Hệ và Hỗ Trợ Tư Vấn Mua Phe Gài MS-PRO
Nếu bạn có bất kỳ thắc mắc nào về phe gài trục Inox 420 hoặc cần tư vấn về giải pháp cho ứng dụng cụ thể của mình, đừng ngần ngại liên hệ với đội ngũ chuyên gia của Mecsu. Chúng tôi luôn sẵn lòng hỗ trợ bạn tìm ra sản phẩm phù hợp và tối ưu nhất, đồng thời cung cấp những kiến thức độc quyền về kỹ thuật lắp đặt và bảo trì linh kiện cơ khí mà bạn khó tìm thấy ở nơi khác.
Địa chỉ: B28/I – B29/I Đường số 2B, KCN Vĩnh Lộc, P. Bình Hưng Hòa B, Q. Bình Tân, TP.HCM
Hotline: 1800 8137
Email: [email protected]
Website: mecsu.vn
13. Thông Tin Bổ Sung & Kinh Nghiệm Thực Tế Từ Mecsu
a. Kinh Nghiệm Thực Tế & Câu Chuyện Thành Công
Tại Mecsu, chúng tôi tự hào là đối tác tin cậy của nhiều doanh nghiệp trong việc cung cấp các giải pháp linh kiện cơ khí chất lượng cao. Phe Gài Trục DIN471 D30x1.5, với đặc tính chịu lực tốt và độ bền cao, đã được ứng dụng trong nhiều dự án quan trọng của khách hàng chúng tôi tại TP. Hồ Chí Minh và các tỉnh lân cận, mang lại hiệu quả vượt trội và là minh chứng cho chất lượng sản phẩm cùng kinh nghiệm thực tế của đội ngũ Mecsu:
- Ngành sản xuất máy móc công nghiệp: Chúng tôi đã cung cấp phe gài MS-PRO cho một nhà sản xuất máy móc lớn tại Bình Dương. Nhờ khả năng định vị chính xác và độ bền bỉ, phe gài đã góp phần đáng kể vào việc nâng cao hiệu suất và độ tin cậy của máy móc, đồng thời giảm thiểu chi phí bảo trì cho khách hàng.
- Lĩnh vực thiết bị truyền động: Phe gài trục được lựa chọn cho các ứng dụng hộp số và trục truyền động cần chịu tải trọng và rung động đáng kể. Độ tin cậy vượt trội của phe gài MS-PRO chính hãng đã giúp các bộ phận hoạt động ổn định trong thời gian dài.
- Thiết bị chế biến thực phẩm: Một khách hàng chuyên sản xuất thiết bị chế biến thực phẩm đã ứng dụng phe gài DIN471 D30x1.5 vào các bộ phận trục quay chính. Khả năng chống ăn mòn hiệu quả của vật liệu Inox 420 và độ bền của phe gài đã giúp máy móc hoạt động ổn định và kéo dài tuổi thọ trong môi trường ẩm ướt và sạch sẽ.
b. Trích Dẫn Chuyên Gia
“Phe gài trục DIN471 D30x1.5 là một lựa chọn tuyệt vời cho các ứng dụng công nghiệp cần sự cân bằng hoàn hảo giữa khả năng chịu lực và chống ăn mòn. Vật liệu Inox 420 tôi cứng mang lại lợi thế về độ bền và độ cứng cao, rất phù hợp cho những hệ thống mà sự an toàn và độ chính xác là yếu tố then chốt. Đây là giải pháp đáng tin cậy và hiệu quả cho nhiều loại máy móc trong môi trường công nghiệp.”
— “Kỹ sư cơ khí Chuyên gia kỹ thuật Mecsu” (TP. Hồ Chí Minh) – Với hơn 10 năm kinh nghiệm trong lĩnh vực linh kiện cơ khí.
c. Tài Liệu Tham Khảo và Nghiên Cứu
Nội dung bài viết này được biên soạn dựa trên các tài liệu kỹ thuật chính thức và đáng tin cậy từ MS-PRO, cùng với kinh nghiệm thực tế chuyên sâu của đội ngũ kỹ sư Mecsu, đảm bảo tính chính xác, cập nhật và chuyên môn cao:
- MS-PRO Product Catalog (Danh mục sản phẩm MS-PRO chính thức) – Nguồn dữ liệu kỹ thuật chi tiết nhất về phe gài MS-PRO.
- Tiêu chuẩn DIN 471 – Tiêu chuẩn kỹ thuật chính xác về phe gài trục.
- Bảng dữ liệu kỹ thuật (Datasheet) chi tiết của sản phẩm – Nguồn thông số kỹ thuật chính xác.
- Trải nghiệm thực tế và phản hồi từ các dự án khách hàng của Mecsu – Dữ liệu độc nhất được thu thập từ hơn 10 năm cung cấp linh kiện cơ khí và giải pháp lắp ráp cho các doanh nghiệp tại Việt Nam.
Biên soạn bởi: Đội ngũ Kỹ sư Mecsu
Với hơn 10 năm kinh nghiệm chuyên sâu trong lĩnh vực phân phối và tư vấn giải pháp linh kiện cơ khí, đội ngũ kỹ sư của Mecsu cam kết mang đến những thông tin chính xác, cập nhật và hữu ích nhất, giúp quý khách hàng đưa ra lựa chọn sản phẩm tối ưu cho mọi ứng dụng.
(Xem thêm thông tin về chúng tôi tại Website Mecsu)
Lưu ý: Hình ảnh sản phẩm có thể khác biệt so với thực tế tùy theo lô sản xuất. Vui lòng tham khảo thông số kỹ thuật chi tiết hoặc liên hệ Mecsu để có thông tin chính xác nhất về sản phẩm.
Công cụ
Gemini có thể mắc sai sót, vì vậy, hãy xác minh các câu trả lời của Gemini



















Đánh giá
Chưa có đánh giá nào.