Mô tả sản phẩm
Thông tin CHUYÊN SÂU về Phe Gài Pad Inox 420 DIN471 D33x1.5
Mục Lục
- 1. Phe Gài Pad Inox 420 DIN471 D33x1.5 Là Gì? – Giải Thích Chuyên Sâu
- 2. Thông Số Kỹ Thuật Chi Tiết của Phe Gài Pad DIN471 D33x1.5
- 3. Cấu hình Chi tiết Phe Gài Pad Inox 420
- 4. Phân Tích Chuyên Sâu: Tiêu Chuẩn DIN 471 và Vật Liệu Inox 420
- 5. Ưu và nhược điểm của Phe Gài Pad D33x1.5
- 6. Ứng dụng Thực Tế của Phe Gài Pad Inox 420 DIN471
- 7. Hướng Dẫn Đặt và Tháo Gỡ Phe Gài D33x1.5
- 8. So Sánh Phe Gài Pad với Phe Gài Lỗ và Vòng Đệm
- 9. Cách Phân Biệt Phe Gài Pad Inox MS-PRO Thật – Giả – Lời Khuyên Từ Chuyên Gia Mecsu
- 10. Giá Bán & Moni Ý Mua Phe Gài Pad Inox Chính Hãng Tại TP.HCM
- 11. Hỏi đáp về Phe Gài Pad Inox 420 DIN471
- 12. Liên Hệ và Hỗ Trợ Tư Vấn Mua Phe Gài
- 13. Thông Tin Bổ sung & Kinh nghiệm Thực Tế Từ Mecsu
1. Phe Gài Pad Inox 420 DIN471 D33x1.5 Là Gì? – Giải Thích Chuyên Sâu
Phe gài trục Inox 420 DIN471 D33x1.5 là một loại vòng hãm được thiết kế đặc biệt để định vị các chi tiết máy trục trên trục, ngăn không cho chúng chuyển động dọc theo trục. Ký hiệu “D33x1.5” là điểm nhấn quan trọng, chỉ ra rằng con gài này được sử dụng cho trục quay có đường kính 33mm và có độ dày là 1,5mm. Tiêu chuẩn tiêu chuẩn “DIN 471” đảm bảo kích thước và chất lượng sản phẩm Xuồng thủ các loại quy định lặn khe của Đức, trong khi “Inox 420” cho biết vật liệu chế tạo là thép không gỉ 420, một loại thép martensit có khả năng chịu ăn mòn và độ cứng cao.
Phe gài xẹp DIN471 D33x1.5 hoạt động dựa trên nguyên lý gài vào một ngành đã được công bố sẵn trên xẹp. Khi được cài đặt, phe gài sẽ tạo ra một vai trò chắc chắn, giữ cố định các chi tiết như bánh răng, vòng bi hoặc puly, đảm bảo chúng không bị chuyển dịch trong quá trình hoạt động. Vật liệu Inox 420 giúp sản phẩm có khả năng chống sét sét, lý tưởng cho các ứng dụng trong môi trường ẩm hoặc có hóa chất nhẹ.
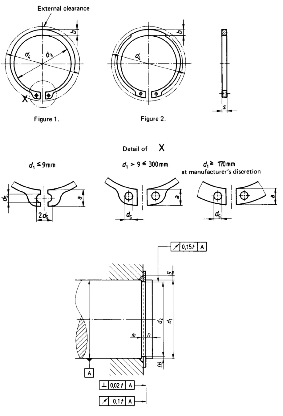
2. Thông Số Kỹ Thuật Chi Tiết của Phe Gài Pad DIN471 D33x1.5
D: Đường kính ngoài
d: Đường kính trong
B: Bề dày
Pu: Giới hạn tải mệt mỏi
| Thông số | Giá trị |
|---|---|
| Mã sản phẩm | DIN471 D33x1.5 |
| Loại phe gài | Phe gài xẹp (Vòng ngoài) |
| Dùng cho máy | 33 mm |
| Vật liệu | Inox 420 |
| Chiều rộng sector sử dụng | 1,6 mm |
| Đường kính sử dụng | 31,3 mm |
| Đường kính trong | 30,5 mm |
| Độ dày | 1,5 mm |
| Tiêu chuẩn | Tiêu chuẩn DIN471 |
| Thương hiệu | MS-PRO |
| Phương tiện để định vị | Gài vào sectors trên máy |
| Độ cứng | 42-47 HRC |
| Lớp mạ | Không có |
| Nhiệt độ hoạt động | Lên đến 200°C |
| Trọng lượng sản phẩm | ~2g |
| Mã eClass | 23-05-08-01 |
| Mã UNSPSC | 31171504 |
3. Cấu hình Chi tiết Phe Gài Pad Inox 420
Phe gài trục Inox 420 DIN471 D33x1.5 có cấu tạo đơn giản nhưng hiệu quả, bao gồm các bộ phận chính:
Sơ đồ tạo Phe Gài Pad DIN 471:
- Vòng quay : Là phần thân chính của phe gài, có dạng vòng tròn không kín hoàn toàn. Phần này giúp cho gài có thể co giãn để gắn vào hoặc tháo ra khỏi trục trặc.
- Tai phe: Hai đầu của vòng hở được uốn cong thành hai tai nhỏ. Đây là nơi để kìm chuyên dụng gắp và ép phe gài lại, giúp việc lắp đặt và tháo gỡ trở nên dễ dàng.
- Vật liệu Inox 420: Toàn bộ phe gài được làm từ thép không gỉ loại 420. Vật liệu này có độ bền, độ cứng và khả năng chống ăn mòn cao, đảm bảo phe gài hoạt động hiệu quả trong các môi trường khắc nghiệt.
4. Phân Tích Chuyên Sâu: Tiêu Chuẩn DIN 471 và Vật Liệu Inox 420
Để thực sự hiểu giá trị của phe gài trục Inox 420 DIN471, việc phân tích sâu hơn về hai yếu tố then chốt: “tiêu chuẩn “DIN 471″“ và “vật liệu “Inox 420″“ là rất quan trọng.
Tiêu chuẩn “DIN 471” – Vòng gài trục ngoài:
- Chức năng chính: “DIN 471” là tiêu chuẩn của Đức quy định kích thước, dung sai và yêu cầu kỹ thuật cho phe gài trục (vòng hãm ngoài).
- Đặc điểm nổi bật: Tiêu chuẩn này đảm bảo các sản phẩm phe gài được sản xuất ra có kích thước đồng nhất và chính xác cao, giúp chúng phù hợp hoàn hảo với các rãnh trục tiêu chuẩn.
- Ưu điểm vượt trội: Việc tuân thủ DIN 471 mang lại sự yên tâm về khả năng định vị chắc chắn, chịu tải trọng tốt và đảm bảo an toàn cho các chi tiết máy. Nó cũng giúp việc thay thế, lắp lẫn dễ dàng mà không cần phải gia công lại rãnh trục.
- Lưu ý: Một sản phẩm phe gài theo tiêu chuẩn DIN 471 có thể được sản xuất từ nhiều loại vật liệu khác nhau tùy theo yêu cầu ứng dụng.
Vật liệu “Inox 420” (Thép không gỉ 420):
- Ý nghĩa: Inox 420 là một loại thép không gỉ martensit, nổi bật với hàm lượng carbon cao, cho phép nó được xử lý nhiệt để đạt được độ cứng rất cao.
- Tầm quan trọng: Độ cứng của Inox 420 giúp phe gài chịu được các tải trọng cắt và mài mòn, đảm bảo hiệu suất định vị lâu dài. Khả năng chống ăn mòn của nó tuy không bằng Inox 304 hay 316 nhưng vẫn đủ tốt cho các môi trường ẩm ướt thông thường mà thép carbon không thể đáp ứng.
- Lựa chọn phù hợp: Sự kết hợp giữa khả năng chống ăn mòn và độ cứng cao làm cho vật liệu Inox 420 trở thành lựa chọn tối ưu cho phe gài, nơi yêu cầu cả độ bền cơ học và khả năng chống gỉ.
Sự kết hợp giữa tiêu chuẩn “DIN 471” và vật liệu “Inox 420” giúp Phe Gài Trục Inox 420 DIN471 D33x1.5 trở thành một giải pháp định vị linh hoạt, đáng tin cậy cho các máy móc cần sự chính xác và khả năng chống ăn mòn vừa phải, đồng thời giảm thiểu nhu cầu bảo trì so với các loại phe gài thép carbon thông thường.
5. Ưu và Nhược Điểm của Phe Gài Trục D33x1.5
Phe Gài Trục Inox 420 DIN471 D33x1.5 được tin dùng rộng rãi nhờ hiệu suất và độ bền vượt trội. Tuy nhiên, việc lựa chọn tối ưu đòi hỏi phải hiểu rõ cả ưu điểm lẫn nhược điểm của nó.
Ưu điểm nổi bật:
- Khả năng định vị chắc chắn: Phe gài tạo ra một vai đỡ an toàn, ngăn chặn hiệu quả sự dịch chuyển của các chi tiết máy trên trục, đảm bảo hoạt động ổn định của hệ thống.
- Vật liệu chống ăn mòn: Sử dụng vật liệu Inox 420, sản phẩm có khả năng chống gỉ sét tốt hơn nhiều so với phe gài thép carbon, lý tưởng cho môi trường ẩm ướt hoặc có hóa chất nhẹ.
- Độ cứng cao và độ bền vượt trội: Nhờ được xử lý nhiệt, Inox 420 đạt độ cứng cao, giúp phe gài chịu được các lực tác động và tải trọng lớn mà không bị biến dạng.
- Tiêu chuẩn hóa cao: Tuân thủ tiêu chuẩn DIN 471, đảm bảo tính chính xác về kích thước, dễ dàng lắp đặt, thay thế và tương thích với các rãnh trục tiêu chuẩn.
- Yêu cầu bảo trì thấp: Do tính chất chống gỉ, phe gài không cần bảo dưỡng định kỳ như bôi trơn hay chống gỉ, tiết kiệm chi phí vận hành.
Nhược điểm cần lưu ý:
- Khả năng chống ăn mòn hạn chế: So với các loại thép không gỉ Austenit như Inox 304 hay 316, Inox 420 có khả năng chống ăn mòn kém hơn, không phù hợp cho môi trường có nồng độ muối cao hoặc hóa chất mạnh.
- Đòi hỏi kìm chuyên dụng: Việc lắp đặt và tháo gỡ phe gài trục đòi hỏi phải có kìm chuyên dụng (kìm phe gài ngoài), không thể dùng các dụng cụ thông thường.
- Giá thành: Mức giá của phe gài Inox 420 có thể cao hơn so với loại thép carbon cùng kích thước. Tuy nhiên, đây là sự đầu tư xứng đáng cho độ bền và khả năng chống ăn mòn dài hạn.
6. Ứng Dụng Thực Tế của Phe Gài Trục Inox 420 DIN471
Với kích thước tiêu chuẩn, khả năng định vị chắc chắn và tính năng chống ăn mòn, phe gài trục Inox 420 DIN471 D33x1.5 được ứng dụng rộng rãi trong nhiều lĩnh vực công nghiệp và dân dụng tại TP. Hồ Chí Minh và các khu công nghiệp lân cận, đặc biệt là những nơi yêu cầu độ bền và khả năng chống gỉ:
- Máy móc chế biến thực phẩm và đồ uống: Nơi yêu cầu các chi tiết phải chống gỉ và dễ vệ sinh.
- Thiết bị y tế, dược phẩm: Cần độ sạch và khả năng chống ăn mòn của vật liệu Inox.
- Ngành đóng tàu, hàng hải: Phù hợp cho các ứng dụng không tiếp xúc trực tiếp với nước biển nhưng cần chống gỉ do hơi muối.
- Các thiết bị truyền động, hộp số: Giúp định vị bánh răng, vòng bi, puly trên trục một cách an toàn.
- Máy công cụ, máy móc gia công: Đảm bảo các chi tiết hoạt động chính xác và không bị dịch chuyển.
- Hệ thống thủy lực, khí nén: Giúp cố định các chi tiết bên trong các xi lanh hoặc van.
7. Hướng Dẫn Lắp Đặt và Tháo Gỡ Phe Gài Trục D33x1.5
Để đảm bảo tuổi thọ và hiệu suất tối ưu cho phe gài trục Inox 420 DIN471, việc lắp đặt và tháo gỡ đúng cách là vô cùng quan trọng. Luôn tuân thủ các nguyên tắc an toàn và kỹ thuật. Mecsu cung cấp hướng dẫn chi tiết dựa trên kinh nghiệm thực tế:
- Chuẩn bị: Đảm bảo môi trường làm việc sạch sẽ, khô ráo. Chuẩn bị đầy đủ dụng cụ chuyên dụng là kìm phe gài ngoài. Luôn đeo găng tay bảo hộ và kính bảo hộ để đảm bảo an toàn. Kiểm tra rãnh trên trục phải sạch sẽ, không có ba via, rỉ sét và đảm bảo đúng kích thước.
- Lắp đặt:
- Sử dụng kìm phe gài ngoài chuyên dụng, bóp hai tai của phe gài lại để làm giảm đường kính ngoài.
- Đưa phe gài vào vị trí trên trục, sao cho nó nằm thẳng hàng với rãnh đã gia công.
- Thả lỏng kìm để phe gài bung ra và gài chặt vào rãnh. Kiểm tra bằng cách xoay nhẹ phe gài để đảm bảo nó đã được lắp đúng và chắc chắn.
- Tháo gỡ:
- Sử dụng kìm phe gài ngoài, bóp hai tai của phe gài lại để làm giảm đường kính.
- Cẩn thận nhấc phe gài ra khỏi rãnh trên trục.
- Tránh dùng tua vít hoặc các vật nhọn khác để cậy phe gài, vì điều này có thể làm hỏng phe gài hoặc rãnh trục.
- Bảo quản: Nếu không sử dụng ngay, hãy giữ phe gài trong bao bì gốc của nhà sản xuất, ở nơi khô ráo, thoáng mát, tránh ánh nắng trực tiếp và các hóa chất ăn mòn để ngăn ngừa rỉ sét và bụi bẩn xâm nhập.
8. So Sánh Phe Gài Trục với Phe Gài Lỗ và Vòng Đệm
Việc hiểu rõ sự khác biệt giữa các loại chi tiết định vị sẽ giúp bạn lựa chọn sản phẩm phù hợp nhất cho ứng dụng của mình, tối ưu hóa hiệu suất và chi phí đầu tư:
| Tiêu chí | Phe Gài Trục (DIN 471) | Phe Gài Lỗ (DIN 472) | Vòng Đệm (Washer) |
|---|---|---|---|
| Ứng dụng | Dùng để định vị trên TRỤC | Dùng để định vị trong LỖ | Đệm lót, giảm ma sát, phân tán lực |
| Nguyên lý hoạt động | Gài vào rãnh trên trục để tạo vai đỡ | Gài vào rãnh trong lỗ để tạo vai đỡ | Tạo bề mặt tiếp xúc giữa bu lông/đai ốc và chi tiết |
| Yêu cầu lắp đặt | Cần kìm phe gài ngoài | Cần kìm phe gài trong | Không cần dụng cụ chuyên dụng |
| Vật liệu | Thép đàn hồi (Carbon, Inox) | Thép đàn hồi (Carbon, Inox) | Đa dạng (thép, cao su, nhựa) |
| Độ chắc chắn | Cao (định vị chắc chắn) | Cao (định vị chắc chắn) | Không có chức năng định vị, chỉ hỗ trợ |
| Giá thành | Trung bình | Trung bình | Thấp nhất |
| Ứng dụng điển hình | Cố định bánh răng trên trục động cơ | Cố định vòng bi trong vỏ máy | Lót bu lông, chống rung |
9. Cách Phân Biệt Phe Gài Trục Inox MS-PRO Thật – Giả – Lời Khuyên Từ Chuyên Gia Mecsu
Thị trường hiện nay có rất nhiều hàng giả, hàng nhái kém chất lượng. Để đảm bảo bạn mua được phe gài trục MS-PRO chính hãng tại TP.HCM, Mecsu khuyến nghị kiểm tra các dấu hiệu sau:
a. Dấu hiệu của phe gài trục MS-PRO chính hãng:
- Bao bì chất lượng cao: Sắc nét, thông tin sản phẩm rõ ràng, đầy đủ mã sản phẩm, thương hiệu MS-PRO và thông tin xuất xứ.
- Hoàn thiện sản phẩm tinh xảo: Bề mặt sản phẩm nhẵn, không có ba via, không có dấu hiệu rỉ sét, nứt hoặc biến dạng. Các tai phe được gia công đều đặn, không sắc nhọn.
- Độ đàn hồi tốt: Khi dùng tay bóp nhẹ, bạn sẽ cảm nhận được độ đàn hồi tốt, chắc chắn và đồng đều, không bị lỏng lẻo.
- Mã vạch/nhãn mác rõ ràng: Có thể quét mã vạch hoặc mã QR trên bao bì để kiểm tra thông tin sản phẩm nếu có.
- Chứng từ đầy đủ: Nhà cung cấp uy tín sẽ cung cấp đầy đủ chứng từ xuất xứ và chất lượng nếu bạn yêu cầu, đảm bảo nguồn gốc sản phẩm.
b. Dấu hiệu của phe gài trục hàng giả/nhái:
- Bao bì thô, in ấn mờ nhạt, sai chính tả, thông tin thiếu hoặc không chính xác.
- Bề mặt sản phẩm có dấu hiệu gia công kém, ba via, rỉ sét, hoặc bị biến dạng.
- Độ đàn hồi kém, dễ bị biến dạng vĩnh viễn sau khi bóp hoặc bị gãy.
- Không có nhãn mác, mã vạch hoặc thông tin sản phẩm không rõ ràng.
- Giá bán rẻ bất thường so với mức giá thị trường của sản phẩm chính hãng – đây là dấu hiệu cảnh báo lớn nhất.
10. Giá Bán & Gợi Ý Mua Phe Gài Trục Inox Chính Hãng Tại TP.HCM
a. Giá Phe Gài Trục Inox 420 DIN471 D33x1.5 (TP.Hồ Chí Minh) tại Mecsu: Giá: 5,017 đ/ Cái (đã có VAT) – Giá hợp lý, phù hợp với chất lượng sản phẩm chính hãng
Liên hệ để nhận báo giá tốt nhất (giá có thể thay đổi tùy thời điểm và số lượng) – mức giá hợp lý, phù hợp với chất lượng sản phẩm chính hãng MS-PRO tại thị trường linh kiện cơ khí TP.HCM.
b. Gợi ý mua phe gài chính hãng MS-PRO uy tín
- Chọn nhà cung cấp uy tín tại TP.HCM: Ưu tiên đơn vị lâu năm, được nhiều khách hàng tin tưởng và có danh tiếng trên thị trường cung cấp linh kiện cơ khí tại TP.HCM.
- Kiểm tra chứng từ đầy đủ: Luôn yêu cầu đầy đủ chứng từ chất lượng để đảm bảo nguồn gốc và chất lượng sản phẩm. Điều này giúp bạn tránh mua phải hàng giả trên thị trường.
- Mua tại Mecsu – Sàn thương mại điện tử uy tín tại Việt Nam: Mecsu tự hào là nhà cung cấp chính hãng các sản phẩm MS-PRO tại Việt Nam, cam kết cung cấp phe gài trục chính hãng và các loại linh kiện cơ khí khác với nhiều lợi ích vượt trội:
- 100% sản phẩm chính hãng: Đảm bảo nguồn gốc rõ ràng. Chúng tôi cam kết hoàn tiền 100% hoặc đổi trả nếu sản phẩm không phải chính hãng.
- Chính sách bảo hành minh bạch: Hỗ trợ đổi trả nếu có lỗi từ nhà sản xuất, mang lại sự an tâm tuyệt đối cho khách hàng.
- Hỗ trợ kỹ thuật chuyên sâu: Đội ngũ kỹ sư giàu kinh nghiệm sẵn sàng hỗ trợ bạn về kỹ thuật và lựa chọn sản phẩm phù hợp nhất cho mọi ứng dụng.
- Giá cả cạnh tranh: Đảm bảo mức giá tốt nhất đi kèm chất lượng, với chính sách chiết khấu hấp dẫn cho đơn hàng số lượng lớn, đặc biệt khi mua linh kiện cơ khí số lượng lớn.
MUA THÊM NHIỀU LOẠI PHE GÀI CHÍNH HÃNG KHÁC TẠI MECSU
11. FAQ về Phe Gài Trục Inox 420 DIN471
a. Phe gài trục Inox 420 có bị gỉ không?
Phe gài trục Inox 420 có khả năng chống gỉ sét tốt hơn nhiều so với thép carbon, nhờ hàm lượng Crom trong thành phần. Tuy nhiên, nó không phải là hoàn toàn “không gỉ” như Inox 304 hoặc 316. Nếu được sử dụng trong môi trường có nồng độ muối cao hoặc hóa chất mạnh, phe gài vẫn có khả năng bị ăn mòn. Để đảm bảo độ bền tối đa, nên chọn vật liệu phù hợp với môi trường làm việc.
b. Phe gài trục có thể tái sử dụng không?
Về lý thuyết, phe gài có thể được tháo ra và lắp lại. Tuy nhiên, mỗi lần lắp đặt hoặc tháo gỡ đều có thể làm giảm độ đàn hồi của phe gài. Để đảm bảo an toàn và hiệu suất định vị tối đa, Mecsu khuyến cáo nên thay thế phe gài mới sau khi tháo ra, đặc biệt trong các ứng dụng quan trọng.
c. Tôi có thể dùng phe gài trục này cho lỗ không?
Không. Phe gài trục được thiết kế để gài trên trục (trục ngoài), có hình dạng vòng hở. Trong khi đó, phe gài lỗ (DIN 472) có hình dạng vòng khép kín hơn và được dùng để gài vào các lỗ bên trong. Việc sử dụng sai loại sẽ không đảm bảo được chức năng định vị và có thể gây hư hỏng.
d. Tôi cần dụng cụ gì để lắp phe gài trục này?
Bạn cần sử dụng kìm phe gài ngoài chuyên dụng. Loại kìm này có hai đầu nhọn, giúp bóp hai tai của phe gài lại để làm giảm đường kính, dễ dàng lắp vào hoặc tháo ra khỏi trục. Việc sử dụng các dụng cụ khác có thể làm hỏng phe gài hoặc gây nguy hiểm.
e. Khi nào cần thay thế phe gài trục?
Bạn nên thay thế phe gài khi nhận thấy các dấu hiệu sau:
- Biến dạng vật lý: Phe gài bị cong, vẹo, nứt hoặc gãy.
- Mất độ đàn hồi: Khi bóp hoặc tháo ra, phe gài không trở lại hình dạng ban đầu hoặc quá lỏng lẻo.
- Rỉ sét hoặc ăn mòn: Bề mặt phe gài bị rỉ sét nghiêm trọng, ảnh hưởng đến độ bền và khả năng định vị.
Kinh nghiệm từ các kỹ sư Mecsu: Việc kiểm tra định kỳ bằng mắt thường có thể giúp phát hiện sớm các dấu hiệu cần thay thế, tránh gây hư hại nghiêm trọng hơn cho toàn bộ hệ thống. Đừng ngần ngại liên hệ chúng tôi để được hỗ trợ kỹ thuật về bảo trì các chi tiết cơ khí hoặc thay thế linh kiện kịp thời.
f. Mua phe gài trục Inox 420 chính hãng, uy tín ở đâu tại TP.HCM?
Mua phe gài trục Inox 420 chính hãng và đảm bảo chất lượng tại TP.HCM, bạn hãy liên hệ ngay với Mecsu. Chúng tôi tự hào là nhà cung cấp uy tín, chuyên phân phối các sản phẩm MS-PRO chính hãng tại Việt Nam.
- Cam kết chất lượng: 100% sản phẩm có nguồn gốc rõ ràng. Chúng tôi cam kết hoàn tiền 100% hoặc đổi trả nếu sản phẩm không phải chính hãng.
- Giá cả cạnh tranh: Đảm bảo mức giá tốt nhất đi kèm chất lượng, với chính sách chiết khấu hấp dẫn cho đơn hàng số lượng lớn.
- Tư vấn chuyên sâu: Đội ngũ kỹ sư giàu kinh nghiệm sẵn sàng hỗ trợ bạn về kỹ thuật và lựa chọn sản phẩm phù hợp nhất.
- Chính sách hậu mãi: Đảm bảo quyền lợi tối đa cho khách hàng với dịch vụ hỗ trợ nhanh chóng, tận tâm.
12. Liên Hệ và Hỗ Trợ Tư Vấn Mua Phe Gài
Nếu bạn có bất kỳ thắc mắc nào về phe gài trục Inox 420 DIN471 hoặc cần tư vấn về giải pháp định vị cho ứng dụng cụ thể của mình, đừng ngần ngại liên hệ với đội ngũ chuyên gia của Mecsu. Chúng tôi luôn sẵn lòng hỗ trợ bạn tìm ra sản phẩm phù hợp và tối ưu nhất, đồng thời cung cấp những kiến thức độc quyền về kỹ thuật bảo trì linh kiện cơ khí mà bạn khó tìm thấy ở nơi khác.
Địa chỉ: B28/I – B29/I Đường số 2B, KCN Vĩnh Lộc, P. Bình Hưng Hòa B, Q. Bình Tân, TP.HCM
Hotline: 1800 8137
Email: [email protected]
Website: mecsu.vn
13. Thông Tin Bổ Sung & Kinh Nghiệm Thực Tế Từ Mecsu
a. Kinh Nghiệm Thực Tế & Câu Chuyện Thành Công
Tại Mecsu, chúng tôi tự hào là đối tác tin cậy của nhiều doanh nghiệp trong việc cung cấp các giải pháp định vị chất lượng cao. Phe gài trục Inox 420 DIN471 D33x1.5, với đặc tính chống gỉ tốt và khả năng định vị chắc chắn, đã được ứng dụng trong nhiều dự án quan trọng của khách hàng chúng tôi tại TP. Hồ Chí Minh và các tỉnh lân cận, mang lại hiệu quả vượt trội và là minh chứng cho chất lượng sản phẩm cùng kinh nghiệm thực tế của đội ngũ Mecsu:
a. Kinh Nghiệm Thực Tế & Câu Chuyện Thành Công
Tại Mecsu, chúng tôi tự hào là đối tác tin cậy của nhiều doanh nghiệp trong việc cung cấp các giải pháp định vị chất lượng cao. “Phe gài trục Inox 420 DIN471 D33x1.5”, với đặc tính chống gỉ tốt và khả năng định vị chắc chắn, đã được ứng dụng trong nhiều dự án quan trọng của khách hàng chúng tôi tại “TP. Hồ Chí Minh” và các tỉnh lân cận, mang lại hiệu quả vượt trội và là minh chứng cho chất lượng sản phẩm cùng kinh nghiệm thực tế của đội ngũ Mecsu:
- Ngành sản xuất máy móc thực phẩm: Chúng tôi đã cung cấp “phe gài trục Inox 420” cho một nhà sản xuất máy đóng gói tại Long An. Nhờ khả năng chống gỉ và độ bền cao trong môi trường thường xuyên tiếp xúc với độ ẩm, phe gài này đã góp phần đáng kể vào việc nâng cao hiệu suất và độ tin cậy của máy móc, đồng thời giảm thiểu chi phí bảo trì cho khách hàng.
- Lĩnh vực thủy lực, khí nén: Phe gài trục này được lựa chọn cho các ứng dụng cần cố định các chi tiết trên piston và trục van. Độ tin cậy vượt trội của “phe gài chính hãng” đã giúp các hệ thống này hoạt động ổn định trong thời gian dài, ngay cả trong điều kiện làm việc liên tục và áp suất cao.
- Thiết bị chế biến nông sản: Một khách hàng chuyên sản xuất máy làm sạch nông sản đã ứng dụng “phe gài trục” vào các bộ phận trục quay chính. Khả năng chống ăn mòn hiệu quả của vật liệu Inox 420 và độ bền của phe gài đã giúp máy móc hoạt động ổn định và kéo dài tuổi thọ trong môi trường có nhiều tạp chất từ nông sản.
b. Trích Dẫn Chuyên Gia
““Phe Gài Trục Inox 420 DIN471” là một lựa chọn tuyệt vời cho các ứng dụng công nghiệp cần sự cân bằng hoàn hảo giữa khả năng định vị chắc chắn và mức độ chống ăn mòn vừa phải. Tiêu chuẩn DIN 471 đảm bảo độ chính xác cao, trong khi vật liệu Inox 420 mang lại lợi thế về độ cứng và độ bền, rất phù hợp cho những hệ thống cần định vị chi tiết trên trục một cách an toàn và hiệu quả. Đây là giải pháp đáng tin cậy và hiệu quả cho nhiều loại máy móc trong môi trường công nghiệp.”
— “Kỹ sư cơ khí Chuyên gia kỹ thuật Mecsu” (TP. Hồ Chí Minh) – Với hơn 10 năm kinh nghiệm trong lĩnh vực “linh kiện cơ khí công nghiệp”.
c. Tài Liệu Tham Khảo và Nghiên Cứu
Nội dung bài viết này được biên soạn dựa trên các tài liệu kỹ thuật chính thức và đáng tin cậy từ MS-PRO, cùng với kinh nghiệm thực tế chuyên sâu của đội ngũ kỹ sư Mecsu, đảm bảo tính chính xác, cập nhật và chuyên môn cao:
- MS-PRO Product Catalog (Danh mục sản phẩm MS-PRO chính thức) – Nguồn dữ liệu kỹ thuật chi tiết nhất về “phe gài MS-PRO”.
- Tài liệu kỹ thuật DIN 471 (Thông tin chuyên sâu về “tiêu chuẩn phe gài trục”) – Cung cấp cái nhìn toàn diện về tiêu chuẩn này.
- Bảng dữ liệu kỹ thuật (Datasheet) chi tiết của Phe Gài Trục Inox 420 – Nguồn thông số kỹ thuật chính xác.
- Trải nghiệm thực tế và phản hồi từ các dự án khách hàng của Mecsu – “Dữ liệu độc nhất” được thu thập từ hơn 10 năm cung cấp “linh kiện cơ khí” và “giải pháp định vị” cho các doanh nghiệp tại Việt Nam.
Biên soạn bởi: Đội ngũ Kỹ sư Mecsu
Với hơn 10 năm kinh nghiệm chuyên sâu trong lĩnh vực phân phối và tư vấn giải pháp linh kiện cơ khí, đội ngũ kỹ sư của Mecsu cam kết mang đến những thông tin chính xác, cập nhật và hữu ích nhất, giúp quý khách hàng đưa ra lựa chọn sản phẩm tối ưu cho mọi ứng dụng.
(Xem thêm thông tin về chúng tôi tại Website Mecsu)
Lưu ý: Hình ảnh sản phẩm có thể khác biệt so với thực tế tùy theo lô sản xuất của MS-PRO. Vui lòng tham khảo thông số kỹ thuật chi tiết hoặc liên hệ Mecsu để có thông tin chính xác nhất về sản phẩm.



















Đánh giá
Chưa có đánh giá nào.