Mô tả sản phẩm
Thông tin CHUYÊN SÂU về Phe Gài Trục Inox 420 D33x1.5
Mục Lục
- 1. Phe Gài Trục Inox 420 D33x1.5 Là Gì? – Giải Thích Chuyên Sâu
- 2. Thông Số Kỹ Thuật Chi Tiết của Phe Gài Trục Inox 420 D33x1.5
- 3. Cấu Tạo Chi Tiết Phe Gài Trục Inox 420 D33x1.5
- 4. Phân Tích Chuyên Sâu: Vật Liệu Inox 420 và Tiêu Chuẩn DIN 471
- 5. Ưu và Nhược Điểm của Phe Gài Trục Inox 420 D33x1.5
- 6. Ứng Dụng Thực Tế của Phe Gài Trục Inox 420 D33x1.5
- 7. Hướng Dẫn Lắp Đặt và Tháo Gỡ Phe Gài Trục
- 8. So Sánh Phe Gài Trục Inox 420 với Phe Gài Trục Thép Carbon
- 9. Cách Phân Biệt Phe Gài Trục MS-PRO Thật – Giả – Lời Khuyên Từ Chuyên Gia Mecsu
- 10. Giá Bán & Gợi Ý Mua Phe Gài Trục Inox 420 Chính Hãng Tại TP.HCM
- 11. FAQ về Phe Gài Trục Inox 420 D33x1.5
- 12. Liên Hệ và Hỗ Trợ Tư Vấn Mua Phe Gài Trục
- 13. Thông Tin Bổ Sung & Kinh Nghiệm Thực Tế Từ Mecsu
1. Phe Gài Trục Inox 420 D33x1.5 Là Gì? – Giải Thích Chuyên Sâu
Phe gài trục (circlip) Inox 420 DIN471 D33x1.5 là một loại chi tiết cơ khí quan trọng, được sử dụng để định vị và giữ các bộ phận trên một trục quay. Mã “D33” chỉ ra rằng phe gài này được dùng cho trục có đường kính 33mm. Hậu tố “x1.5” là điểm nhấn quan trọng, chỉ ra độ dày của phe là 1.5mm. Tiêu chuẩn “DIN 471” đảm bảo kích thước và chất lượng sản phẩm tuân thủ các quy định kỹ thuật nghiêm ngặt của Đức. Vật liệu “Inox 420” mang lại khả năng chống gỉ và độ cứng cao sau khi xử lý nhiệt.
Phe gài trục có thiết kế hình vòng cung hở, khi lắp vào rãnh trên trục sẽ tạo ra một lực đàn hồi hướng tâm, giữ chặt các chi tiết như vòng bi, bánh răng, hoặc puli không bị dịch chuyển dọc trục. Nhờ vật liệu inox 420, sản phẩm này đặc biệt phù hợp với các ứng dụng yêu cầu độ bền cao trong môi trường có độ ẩm hoặc dễ bị ăn mòn nhẹ.
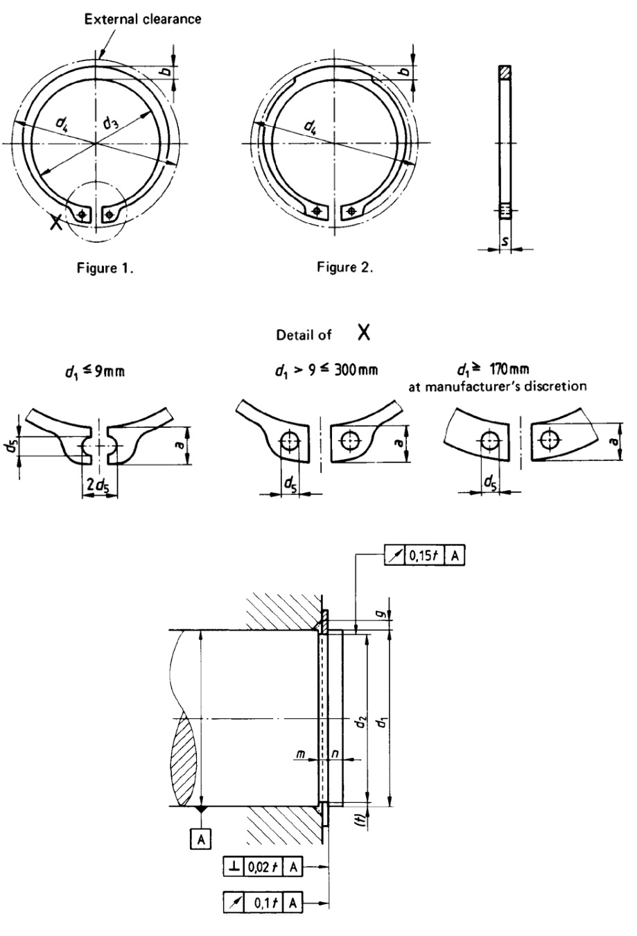
2. Thông Số Kỹ Thuật Chi Tiết của Phe Gài Trục Inox 420 D33x1.5
D: Đường kính ngoài
d1: Đường kính trong
d2: Đường kính rãnh sử dụng
W: Bề rộng rãnh sử dụng
T: Độ dày
P: Lực kéo đứt phe
| Thông số | Giá trị |
|---|---|
| Tên sản phẩm | Phe Gài Trục Inox 420 DIN471 D33x1.5 |
| Loại sản phẩm | Phe Gài Trục (Circlip for Shafts) |
| Dùng cho trục | 33 mm |
| Vật liệu | Inox 420 |
| Bề rộng rãnh sử dụng | 1.6 mm |
| Đường kính rãnh sử dụng | 31.3 mm |
| Đường kính trong | 30.5 mm |
| Độ dày | 1.5 mm |
| Số lượng/bịch | 5 cái |
| Tiêu chuẩn | DIN 471 |
| Thương hiệu | MS-PRO |
| Ứng dụng | Định vị các chi tiết trên trục |
| Độ cứng | 47-53 HRC (sau khi nhiệt luyện) |
| Tải trọng cho phép | Tùy thuộc vào vật liệu trục và rãnh |
| Độ đàn hồi | Rất tốt |
| Khả năng chống ăn mòn | Tốt (trong môi trường ăn mòn nhẹ) |
| Trọng lượng | ~4.5 g/cái |
| Mã UNSPSC | 31161804 |
3. Cấu Tạo Chi Tiết Phe Gài Trục Inox 420 D33x1.5
Phe gài trục Inox 420 D33x1.5 được cấu thành từ các bộ phận chính, mỗi bộ phận đóng vai trò quan trọng trong việc đảm bảo hiệu suất và độ bền:
Sơ đồ cấu tạo Phe Gài Trục Inox 420 D33x1.5:
- Vòng phe: Phần thân chính của phe, được cắt dập từ tấm Inox 420, có thiết kế hình vòng cung không khép kín.
- Lỗ lắp đặt: Hai lỗ nhỏ ở hai đầu hở của phe, dùng để đưa kìm chuyên dụng vào, giúp nén phe lại khi lắp đặt hoặc tháo gỡ.
- Mặt vát: Các cạnh của phe được xử lý để tránh gây hỏng rãnh và dễ dàng lắp đặt hơn.
- Chất liệu Inox 420: Là yếu tố quan trọng nhất, mang lại độ cứng vượt trội và khả năng chống gỉ sét trong môi trường ẩm ướt hoặc có hóa chất nhẹ.
4. Phân Tích Chuyên Sâu: Vật Liệu Inox 420 và Tiêu Chuẩn DIN 471
Để thực sự hiểu giá trị của phe gài trục Inox 420 D33x1.5, việc phân tích sâu hơn về hai yếu tố then chốt: “vật liệu Inox 420” và “tiêu chuẩn DIN 471” là rất quan trọng.
Vật liệu Inox 420 – Thép không gỉ có độ cứng cao:
- Chức năng chính: Chống gỉ sét và chịu lực tốt. Inox 420 là loại thép không gỉ mactenxit, chứa hàm lượng carbon cao hơn các loại inox khác.
- Đặc điểm nổi bật: Có thể được xử lý nhiệt (hấp, tôi) để đạt được độ cứng rất cao (thường từ 47-53 HRC), giúp phe gài chịu được tải trọng lớn và duy trì hình dạng, độ đàn hồi ban đầu.
- Ưu điểm vượt trội: Nhờ độ cứng và khả năng chống ăn mòn, phe gài trục này lý tưởng cho các ứng dụng trong môi trường công nghiệp ẩm ướt, tiếp xúc với nước hoặc hóa chất nhẹ mà phe thép carbon thông thường sẽ bị gỉ.
- Hạn chế: Khả năng chống ăn mòn của Inox 420 kém hơn so với các loại Inox Austenitic (như 304, 316) trong môi trường hóa chất mạnh.
Tiêu chuẩn DIN 471 (German Institute for Standardization):
- Ý nghĩa: “DIN 471” là tiêu chuẩn quốc tế quy định các thông số kỹ thuật, kích thước, dung sai và yêu cầu vật liệu cho phe gài trục.
- Tầm quan trọng: Việc sản xuất theo tiêu chuẩn DIN 471 đảm bảo phe gài D33x1.5 của MS-PRO có kích thước chính xác tuyệt đối, phù hợp hoàn hảo với rãnh trục tiêu chuẩn. Điều này giúp tăng cường độ tin cậy, khả năng chịu tải và giảm nguy cơ trượt hoặc biến dạng trong quá trình vận hành.
- Lựa chọn phù hợp: Đối với các máy móc cần độ chính xác cao và an toàn, việc sử dụng phe gài đạt tiêu chuẩn DIN 471 là bắt buộc. Sản phẩm của MS-PRO đáp ứng đầy đủ tiêu chuẩn này, mang lại sự an tâm tuyệt đối cho người dùng.
Sự kết hợp giữa vật liệu Inox 420 và tiêu chuẩn DIN 471 giúp phe gài trục MS-PRO D33x1.5 trở thành một giải pháp định vị hiệu quả, bền bỉ và đáng tin cậy cho các máy móc, đặc biệt trong môi trường công nghiệp khắc nghiệt.
5. Ưu và Nhược Điểm của Phe Gài Trục Inox 420 D33x1.5
Phe gài trục Inox 420 D33x1.5 được tin dùng rộng rãi nhờ hiệu suất và độ bền vượt trội. Tuy nhiên, việc lựa chọn tối ưu đòi hỏi phải hiểu rõ cả ưu điểm lẫn nhược điểm của nó.
Ưu điểm nổi bật:
- Độ bền và độ cứng cao: Vật liệu Inox 420 sau khi xử lý nhiệt mang lại độ cứng vượt trội, giúp phe gài chịu được lực cắt và tải trọng lớn mà không bị biến dạng.
- Khả năng chống gỉ sét tốt: So với phe gài thép carbon thông thường, phe Inox 420 có khả năng chống ăn mòn hiệu quả hơn trong môi trường ẩm ướt hoặc có hóa chất nhẹ.
- Độ đàn hồi vượt trội: Đảm bảo phe gài luôn ôm sát trục và rãnh, giữ chặt các chi tiết trên trục một cách chắc chắn.
- Tuân thủ tiêu chuẩn DIN: Tiêu chuẩn DIN 471 đảm bảo kích thước chính xác tuyệt đối, dễ dàng lắp đặt và thay thế.
- Độ tin cậy cao từ thương hiệu MS-PRO: MS-PRO là thương hiệu uy tín, chuyên cung cấp các loại linh kiện cơ khí chất lượng cao, đảm bảo độ tin cậy cho sản phẩm.
- Đóng gói tiện lợi: 5 cái/bịch, phù hợp cho cả nhu cầu sử dụng lẻ và dự phòng.
Nhược điểm cần lưu ý:
- Khả năng chống ăn mòn giới hạn: Mặc dù tốt hơn thép carbon, Inox 420 vẫn kém hơn các loại Inox khác (như 304, 316) khi sử dụng trong môi trường hóa chất mạnh.
- Giá thành: Mức giá của phe gài Inox 420 có thể cao hơn so với loại phe gài thép carbon cùng kích thước. Tuy nhiên, đây là sự đầu tư xứng đáng cho độ bền và khả năng chống gỉ.
- Độ giòn: Do có độ cứng cao, phe Inox 420 có thể giòn hơn một chút so với các loại thép có độ cứng thấp hơn nếu bị tác động lực không đúng cách.
6. Ứng Dụng Thực Tế của Phe Gài Trục Inox 420 D33x1.5
Với kích thước tiêu chuẩn, khả năng chịu lực tốt và đặc tính chống gỉ, phe gài trục Inox 420 D33x1.5 được ứng dụng rộng rãi trong nhiều lĩnh vực công nghiệp và dân dụng tại TP. Hồ Chí Minh và các khu công nghiệp lân cận, đặc biệt là những nơi yêu cầu độ bền cao và môi trường ẩm ướt:
- Máy móc, thiết bị sản xuất: Dùng để định vị vòng bi, bánh răng, puli trên trục của các loại máy công cụ, máy chế biến thực phẩm, máy bơm.
- Ngành công nghiệp thực phẩm, y tế: Nhờ khả năng chống gỉ, phe gài này lý tưởng cho các thiết bị tiếp xúc với nước hoặc cần vệ sinh thường xuyên.
- Hệ thống truyền động, hộp số: Đảm bảo các chi tiết như bánh răng, vòng bi được giữ chặt, không bị xê dịch dưới tải trọng lớn.
- Thiết bị điện tử, thiết bị tự động hóa: Dùng để cố định các bộ phận nhỏ trên trục của robot, motor hoặc các cơ cấu chuyển động.
- Các ứng dụng trong ngành nông nghiệp và xây dựng: Phù hợp cho các thiết bị cần độ bền và khả năng chống ăn mòn cơ bản.
- Ngành sản xuất ô tô, xe máy: Sử dụng trong các bộ phận trục, hộp số, nơi yêu cầu độ chính xác và độ bền cao.
7. Hướng Dẫn Lắp Đặt và Tháo Gỡ Phe Gài Trục
Để đảm bảo tuổi thọ và hiệu suất tối ưu cho phe gài trục Inox 420 D33x1.5, việc lắp đặt và tháo gỡ đúng cách là vô cùng quan trọng. Luôn tuân thủ các nguyên tắc an toàn và kỹ thuật. Mecsu cung cấp hướng dẫn chi tiết dựa trên kinh nghiệm thực tế:
- Chuẩn bị: Đảm bảo môi trường làm việc sạch sẽ, khô ráo. Chuẩn bị đầy đủ dụng cụ chuyên dụng như kìm gài phe. Kiểm tra trục và rãnh phải sạch sẽ, không có ba via, rỉ sét và đảm bảo đúng dung sai.
- Lắp đặt:
- Sử dụng kìm gài phe chuyên dụng, bóp phe lại để hai đầu hở tiến lại gần nhau.
- Cẩn thận đưa phe vào rãnh trên trục.
- Nhả tay kìm, phe sẽ bung ra và bám chặt vào rãnh, cố định các chi tiết.
- Tuyệt đối tránh dùng tay không hoặc các dụng cụ không phù hợp để bóp phe, vì có thể gây biến dạng, hỏng hóc hoặc gây nguy hiểm.
- Tháo gỡ:
- Sử dụng kìm gài phe chuyên dụng, đưa hai đầu kìm vào hai lỗ trên phe.
- Bóp kìm để nén phe lại, sau đó cẩn thận rút phe ra khỏi rãnh.
- Nếu phe bị kẹt, có thể dùng một lực đẩy nhẹ từ phía sau, nhưng không được dùng lực quá mạnh để tránh làm hỏng trục hoặc phe.
- Bảo quản: Nếu không sử dụng ngay, hãy giữ phe gài trong bao bì gốc của nhà sản xuất, ở nơi khô ráo, thoáng mát, tránh ánh nắng trực tiếp và các hóa chất ăn mòn để ngăn ngừa rỉ sét và bụi bẩn xâm nhập.
8. So Sánh Phe Gài Trục Inox 420 với Phe Gài Trục Thép Carbon
Việc hiểu rõ sự khác biệt giữa các loại phe gài trục sẽ giúp bạn lựa chọn sản phẩm phù hợp nhất cho ứng dụng của mình, tối ưu hóa hiệu suất và chi phí đầu tư:
| Tiêu chí | Phe Gài Trục Inox 420 | Phe Gài Trục Thép Carbon | Phe Gài Lỗ (Circlip for Bores) |
|---|---|---|---|
| Chất liệu | Thép không gỉ 420 | Thép lò xo carbon | Thép lò xo carbon hoặc Inox |
| Khả năng chống ăn mòn | Tốt (chống gỉ trong môi trường ẩm) | Kém (dễ bị gỉ sét nếu không có lớp mạ) | Tùy thuộc vật liệu |
| Độ cứng | Rất cao (sau khi nhiệt luyện) | Cao | Cao |
| Độ đàn hồi | Rất tốt | Tốt | Tốt |
| Bề mặt | Trắng sáng tự nhiên của Inox | Đen hoặc phủ lớp mạ | Đen hoặc phủ lớp mạ |
| Giá thành | Cao hơn loại thép carbon | Thấp nhất | Tùy thuộc vật liệu |
| Ứng dụng điển hình | Môi trường ẩm ướt, hóa chất nhẹ, cần độ bền cao | Môi trường khô ráo, ứng dụng thông thường | Dùng để định vị trong lỗ/lòng ống |
9. Cách Phân Biệt Phe Gài Trục MS-PRO Thật – Giả – Lời Khuyên Từ Chuyên Gia Mecsu
Thị trường hiện nay có rất nhiều hàng giả, hàng nhái kém chất lượng. Để đảm bảo bạn mua được phe gài trục MS-PRO chính hãng tại TP.HCM, Mecsu khuyến nghị kiểm tra các dấu hiệu sau:
a. Dấu hiệu của phe gài trục MS-PRO chính hãng:
- Bao bì chất lượng cao: Sắc nét, thông tin sản phẩm rõ ràng, đầy đủ mã sản phẩm, kích thước và thông tin thương hiệu MS-PRO. Bạn sẽ thấy sự tỉ mỉ trong từng chi tiết.
- Chất liệu và hoàn thiện: Bề mặt phe gài nhẵn mịn, không có ba via, không có dấu hiệu rỉ sét (đối với phe Inox). Các lỗ lắp đặt được dập chính xác, không bị biến dạng.
- Độ đàn hồi: Khi bóp thử phe gài, bạn sẽ cảm nhận được độ đàn hồi tốt, phe không bị gãy hoặc biến dạng vĩnh viễn sau khi nhả.
- Xuất xứ rõ ràng: Nhà cung cấp uy tín sẽ cung cấp đầy đủ thông tin về nguồn gốc sản phẩm. MS-PRO cam kết sản phẩm được sản xuất theo tiêu chuẩn chất lượng cao.
- Giá cả hợp lý: Mức giá phù hợp với chất lượng và vật liệu cao cấp.
b. Dấu hiệu của phe gài trục MS-PRO hàng giả/nhái:
- Bao bì thô, màu sắc lệch chuẩn, thông tin thiếu hoặc không chính xác.
- Bề mặt phe gài sần sùi, có ba via, rỉ sét (đối với phe Inox). Các lỗ lắp đặt có thể bị dập lệch.
- Khi bóp phe có cảm giác giòn, cứng hoặc quá mềm, dễ bị biến dạng và không trở lại hình dạng ban đầu.
- Không có thông tin rõ ràng về thương hiệu hoặc nguồn gốc.
- Giá bán rẻ bất thường so với mức giá thị trường – đây là dấu hiệu cảnh báo lớn nhất.
10. Giá Bán & Gợi Ý Mua Phe Gài Trục Inox 420 Chính Hãng Tại TP.HCM
a. Giá Phe Gài Trục Inox 420 D33x1.5 (TP.Hồ Chí Minh) tại Mecsu: Giá: 33,543 đ / Bịch (đã có VAT) – Giá hợp lý, phù hợp với chất lượng sản phẩm chính hãng
Liên hệ để nhận báo giá tốt nhất (giá có thể thay đổi tùy thời điểm và số lượng) – mức giá hợp lý, phù hợp với chất lượng sản phẩm chính hãng MS-PRO tại thị trường linh kiện cơ khí TP.HCM.
b. Gợi ý mua phe gài chính hãng MS-PRO uy tín
- Chọn nhà cung cấp uy tín tại TP.HCM: Ưu tiên đối tác có chứng nhận hoặc đơn vị lâu năm, được nhiều khách hàng tin tưởng và có danh tiếng trên thị trường cung cấp linh kiện cơ khí tại TP.HCM.
- Mua tại Mecsu – Đại lý phân phối chính hãng MS-PRO tại Việt Nam: Mecsu tự hào là nhà phân phối chính hãng MS-PRO tại Việt Nam, cam kết cung cấp “phe gài trục Inox 420 D33x1.5 chính hãng” và các loại “phe gài, vòng đệm khác” với nhiều lợi ích vượt trội:
- 100% sản phẩm chính hãng: Đảm bảo nguồn gốc rõ ràng, đầy đủ chứng từ. Chúng tôi cam kết hoàn tiền 100% hoặc đổi trả nếu sản phẩm không phải chính hãng.
- Chính sách bảo hành minh bạch: Hỗ trợ đổi trả nếu có lỗi từ nhà sản xuất, mang lại sự an tâm tuyệt đối cho khách hàng.
- Hỗ trợ kỹ thuật chuyên sâu: Đội ngũ kỹ sư giàu kinh nghiệm sẵn sàng hỗ trợ bạn về kỹ thuật và lựa chọn sản phẩm phù hợp nhất cho mọi ứng dụng.
- Giá cả cạnh tranh: Đảm bảo mức giá tốt nhất đi kèm chất lượng, với chính sách chiết khấu hấp dẫn cho đơn hàng số lượng lớn, đặc biệt khi “mua phe gài số lượng lớn”.
MUA THÊM NHIỀU LOẠI PHE GÀI CHÍNH HÃNG KHÁC TẠI MECSU
11. FAQ về Phe Gài Trục Inox 420 D33x1.5
a. Phe gài trục Inox 420 có bị gỉ không?
Phe gài trục làm từ Inox 420 có khả năng chống gỉ sét tốt hơn nhiều so với thép carbon trong môi trường thông thường. Tuy nhiên, nó vẫn có thể bị gỉ nếu tiếp xúc liên tục với các hóa chất mạnh hoặc môi trường cực kỳ ăn mòn trong thời gian dài. Đối với những ứng dụng đó, bạn nên xem xét các loại inox cao cấp hơn như Inox 316.
b. Phe gài trục Inox 420 D33x1.5 có thể dùng thay thế cho phe gài thép carbon không?
Hoàn toàn có thể, miễn là kích thước (D33x1.5) phù hợp với rãnh trên trục của bạn. Việc thay thế bằng phe gài Inox 420 sẽ mang lại độ bền và khả năng chống ăn mòn vượt trội, là một sự nâng cấp đáng giá cho các ứng dụng trong môi trường ẩm ướt.
c. Tôi có thể lắp phe gài trục mà không cần kìm chuyên dụng không?
Bạn không nên làm vậy. Việc lắp đặt phe gài không đúng cách bằng các dụng cụ không phù hợp (như tua vít, kìm thường) có thể làm cong, vênh hoặc làm hỏng phe gài, làm giảm đáng kể khả năng định vị và chịu lực của nó. Luôn sử dụng kìm gài phe chuyên dụng để đảm bảo an toàn và hiệu suất tốt nhất.
d. Làm sao biết phe gài trục của tôi là hàng chính hãng MS-PRO?
Bạn nên mua từ nhà phân phối ủy quyền (như Mecsu), kiểm tra bao bì (logo, thông tin rõ nét), sản phẩm phải có bề mặt hoàn thiện tốt, không ba via. Quan trọng nhất, hãy tin tưởng vào nhà cung cấp uy tín để tránh mua phải hàng giả, kém chất lượng.
e. Khi nào cần thay thế phe gài trục?
Bạn nên thay thế phe gài khi nhận thấy các dấu hiệu sau:
- Biến dạng vật lý: Phe bị cong vênh, nứt, hoặc không trở lại hình dạng ban đầu sau khi tháo ra.
- Mất độ đàn hồi: Phe bị lỏng hoặc không còn ôm chặt vào rãnh trục.
- Ăn mòn nghiêm trọng: Phe bị rỉ sét nặng, ảnh hưởng đến độ bền và khả năng chịu lực.
- Rung động lớn: Hệ thống hoạt động có độ rung tăng lên đáng kể, có thể do phe gài không còn giữ chặt các chi tiết.
Kinh nghiệm từ các kỹ sư Mecsu: Việc kiểm tra định kỳ bằng mắt thường có thể giúp phát hiện sớm các dấu hiệu cần thay thế, tránh gây hư hại nghiêm trọng hơn cho toàn bộ hệ thống. Đừng ngần ngại liên hệ chúng tôi để được hỗ trợ kỹ thuật về bảo trì hoặc thay thế phe gài kịp thời.
f. Mua phe gài trục Inox 420 chính hãng, uy tín ở đâu tại TP.HCM?
Mua phe gài trục Inox 420 chính hãng và đảm bảo chất lượng tại TP.HCM, bạn hãy liên hệ ngay với Mecsu. Chúng tôi tự hào là nhà cung cấp uy tín, chuyên phân phối các sản phẩm MS-PRO chính hãng tại Việt Nam.
- Cam kết chất lượng: 100% sản phẩm có nguồn gốc rõ ràng. Chúng tôi cam kết hoàn tiền 100% hoặc đổi trả nếu sản phẩm không đạt chất lượng.
- Giá cả cạnh tranh: Đảm bảo mức giá tốt nhất đi kèm chất lượng, với chính sách chiết khấu hấp dẫn cho đơn hàng số lượng lớn.
- Tư vấn chuyên sâu: Đội ngũ kỹ sư giàu kinh nghiệm sẵn sàng hỗ trợ bạn về kỹ thuật và lựa chọn sản phẩm phù hợp nhất.
- Chính sách hậu mãi: Đảm bảo quyền lợi tối đa cho khách hàng với dịch vụ hỗ trợ nhanh chóng, tận tâm.
12. Liên Hệ và Hỗ Trợ Tư Vấn Mua Phe Gài Trục
Nếu bạn có bất kỳ thắc mắc nào về phe gài trục Inox 420 D33x1.5 hoặc cần tư vấn về giải pháp định vị cho ứng dụng cụ thể của mình, đừng ngần ngại liên hệ với đội ngũ chuyên gia của Mecsu. Chúng tôi luôn sẵn lòng hỗ trợ bạn tìm ra sản phẩm phù hợp và tối ưu nhất, đồng thời cung cấp những kiến thức độc quyền về kỹ thuật lắp đặt và bảo trì mà bạn khó tìm thấy ở nơi khác.
Địa chỉ: B28/I – B29/I Đường số 2B, KCN Vĩnh Lộc, P. Bình Hưng Hòa B, Q. Bình Tân, TP.HCM
Hotline: 1800 8137
Email: [email protected]
Website: mecsu.vn
13. Thông Tin Bổ Sung & Kinh Nghiệm Thực Tế Từ Mecsu
a. Kinh Nghiệm Thực Tế & Câu Chuyện Thành Công
Tại Mecsu, chúng tôi tự hào là đối tác tin cậy của nhiều doanh nghiệp trong việc cung cấp các giải pháp linh kiện cơ khí chất lượng cao. Phe gài trục Inox 420 D33x1.5, với đặc tính chịu tải tốt và khả năng chống gỉ, đã được ứng dụng trong nhiều dự án quan trọng của khách hàng chúng tôi tại TP. Hồ Chí Minh và các tỉnh lân cận, mang lại hiệu quả vượt trội và là minh chứng cho chất lượng sản phẩm
a. Kinh Nghiệm Thực Tế & Câu Chuyện Thành Công
Tại Mecsu, chúng tôi tự hào là đối tác tin cậy của nhiều doanh nghiệp trong việc cung cấp các giải pháp linh kiện cơ khí chất lượng cao. “Phe gài trục Inox 420 D33x1.5”, với đặc tính chịu lực và khả năng chống ăn mòn, đã được ứng dụng trong nhiều dự án quan trọng của khách hàng chúng tôi tại “TP. Hồ Chí Minh” và các tỉnh lân cận, mang lại hiệu quả vượt trội và là minh chứng cho chất lượng sản phẩm cùng kinh nghiệm thực tế của đội ngũ Mecsu:
- Ngành sản xuất máy móc chế biến: Chúng tôi đã cung cấp “phe gài trục Inox 420” cho một nhà sản xuất máy thực phẩm tại Long An. Nhờ khả năng chống gỉ sét trong môi trường ẩm ướt, sản phẩm đã góp phần đáng kể vào việc nâng cao độ bền và độ tin cậy của máy, giảm chi phí bảo trì cho khách hàng.
- Lĩnh vực bơm công nghiệp: Phe gài trục Inox 420 được lựa chọn cho các ứng dụng máy bơm cần chịu tải trọng và hoạt động trong môi trường có nước. Độ tin cậy vượt trội của “sản phẩm MS-PRO chính hãng” đã giúp máy bơm hoạt động ổn định trong thời gian dài.
- Thiết bị sản xuất linh kiện điện tử: Một khách hàng chuyên sản xuất linh kiện điện tử đã ứng dụng “phe gài trục D33x1.5” vào các bộ phận trục quay chính. Độ chính xác và độ bền của phe gài đã giúp máy móc hoạt động ổn định và kéo dài tuổi thọ trong môi trường sản xuất.
b. Trích Dẫn Chuyên Gia
““Phe gài trục Inox 420 D33x1.5” là một lựa chọn tuyệt vời cho các ứng dụng công nghiệp cần sự cân bằng hoàn hảo giữa khả năng chịu lực, độ đàn hồi và mức độ bảo vệ khỏi ăn mòn. Vật liệu Inox 420 mang lại lợi thế về độ cứng sau nhiệt luyện, rất phù hợp cho những hệ thống mà sự ổn định và độ bền là yếu tố then chốt, đồng thời vẫn cung cấp một mức độ bảo vệ nhất định cho phe gài khỏi các tác nhân bên ngoài. Đây là giải pháp đáng tin cậy và hiệu quả cho nhiều loại máy móc trong môi trường công nghiệp.”
— “Kỹ sư cơ khí Chuyên gia kỹ thuật Mecsu” (TP. Hồ Chí Minh) – Với hơn 10 năm kinh nghiệm trong lĩnh vực “linh kiện cơ khí công nghiệp”.
c. Tài Liệu Tham Khảo và Nghiên Cứu
Nội dung bài viết này được biên soạn dựa trên các tài liệu kỹ thuật chính thức và đáng tin cậy từ MS-PRO, cùng với kinh nghiệm thực tế chuyên sâu của đội ngũ kỹ sư Mecsu, đảm bảo tính chính xác, cập nhật và chuyên môn cao:
- MS-PRO Product Catalog (Danh mục sản phẩm MS-PRO chính thức) – Nguồn dữ liệu kỹ thuật chi tiết nhất về “phe gài trục”.
- Tài liệu kỹ thuật về Tiêu chuẩn DIN 471 (Thông tin chuyên sâu về “tiêu chuẩn phe gài trục”) – Cung cấp cái nhìn toàn diện về tiêu chuẩn này.
- Bảng dữ liệu kỹ thuật (Datasheet) chi tiết của Phe Gài Trục Inox 420 D33x1.5 – Nguồn thông số kỹ thuật chính xác.
- Trải nghiệm thực tế và phản hồi từ các dự án khách hàng của Mecsu – “Dữ liệu độc nhất” được thu thập từ hơn 10 năm cung cấp “linh kiện cơ khí” và “giải pháp định vị” cho các doanh nghiệp tại Việt Nam.
Biên soạn bởi: Đội ngũ Kỹ sư Mecsu
Với hơn 10 năm kinh nghiệm chuyên sâu trong lĩnh vực phân phối và tư vấn giải pháp linh kiện cơ khí, đội ngũ kỹ sư của Mecsu cam kết mang đến những thông tin chính xác, cập nhật và hữu ích nhất, giúp quý khách hàng đưa ra lựa chọn sản phẩm tối ưu cho mọi ứng dụng.
(Xem thêm thông tin về chúng tôi tại Website Mecsu)
Lưu ý: Hình ảnh sản phẩm có thể khác biệt so với thực tế tùy theo lô sản xuất của MS-PRO. Vui lòng tham khảo thông số kỹ thuật chi tiết hoặc liên hệ Mecsu để có thông tin chính xác nhất về sản phẩm.



















Đánh giá
Chưa có đánh giá nào.