Mô tả sản phẩm
Thông tin CHUYÊN SÂU về Phe Gài Trục Inox 420 DIN471 D34x1.5
Mục Lục
- 1. Phe Gài Trục DIN471 D34x1.5 Là Gì? – Giải Thích Chuyên Sâu
- 2. Thông Số Kỹ Thuật Chi Tiết của Phe Gài Trục Inox 420
- 3. Cấu Tạo Chi Tiết Phe Gài Trục Inox 420
- 4. Phân Tích Chuyên Sâu: Tiêu Chuẩn DIN 471 và Vật Liệu Inox 420
- 5. Ưu và Nhược Điểm của Phe Gài Trục Inox 420
- 6. Ứng Dụng Thực Tế của Phe Gài Trục DIN471 D34x1.5
- 7. Hướng Dẫn Lắp Đặt và Tháo Gỡ Phe Gài Trục
- 8. So Sánh Phe Gài Trục và Phe Gài Lỗ
- 9. Cách Phân Biệt Phe Gài MS-PRO Thật – Giả – Lời Khuyên Từ Chuyên Gia Mecsu
- 10. Giá Bán & Gợi Ý Mua Phe Gài Trục Chính Hãng Tại TP.HCM
- 11. FAQ về Phe Gài Trục Inox 420
- 12. Liên Hệ và Hỗ Trợ Tư Vấn Mua Phe Gài MS-PRO
- 13. Thông Tin Bổ Sung & Kinh Nghiệm Thực Tế Từ Mecsu
1. Phe Gài Trục DIN471 D34x1.5 Là Gì? – Giải Thích Chuyên Sâu
Phe gài trục Inox 420 DIN471 D34x1.5 là một loại chi tiết cơ khí được thiết kế để định vị các bộ phận trên trục, ngăn không cho chúng dịch chuyển dọc trục. Mã “D34” là ký hiệu cho đường kính trục sử dụng là 34mm, và “1.5” là độ dày của phe gài. “DIN471” là tiêu chuẩn kỹ thuật của Đức, quy định kích thước và đặc tính của phe gài trục.
Loại phe gài này được làm từ vật liệu Inox 420, một loại thép không gỉ martensitic có khả năng chịu mài mòn tốt và độ cứng cao sau khi xử lý nhiệt. Phe gài trục được sử dụng rộng rãi trong các ngành công nghiệp, từ sản xuất máy móc, ô tô đến thiết bị điện tử, giúp các chi tiết như bánh răng, vòng bi hoặc ròng rọc được cố định chắc chắn trên trục, đảm bảo hệ thống vận hành ổn định và an toàn.
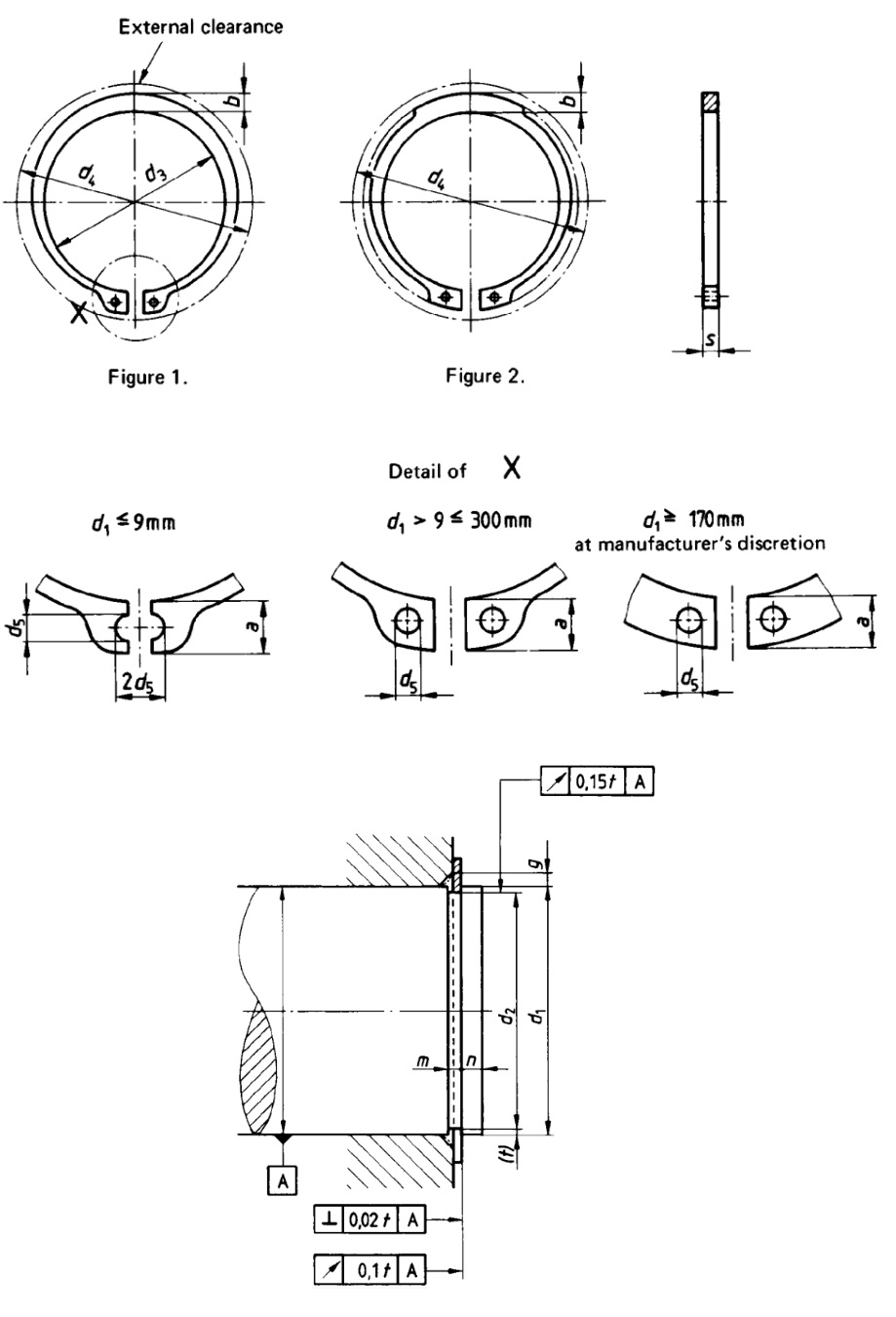
2. Thông Số Kỹ Thuật Chi Tiết của Phe Gài Trục Inox 420
d: Đường kính trục sử dụng
D: Đường kính ngoài
B: Bề rộng rãnh sử dụng
t: Độ dày
d1: Đường kính trong
| Thông số | Giá trị |
|---|---|
| Mã sản phẩm | DIN471 D34x1.5 |
| Loại | Phe Gài Trục (Outside Retaining Ring) |
| Dùng cho trục (d) | 34 mm |
| Bề rộng rãnh sử dụng (B) | 1.6 mm |
| Đường kính rãnh sử dụng | 32.2 mm |
| Đường kính trong (d1) | 31.5 mm |
| Độ dày (t) | 1.5 mm |
| Vật liệu | Inox 420 |
| Tiêu chuẩn | DIN 471 |
| Thương hiệu | MS-PRO |
| Tải trọng động | 2.2 kN |
| Trọng lượng tinh của sản phẩm | 0.003 kg |
| Mã eClass | 23-05-08-01 |
| Mã UNSPSC | 31171504 |
3. Cấu Tạo Chi Tiết Phe Gài Trục Inox 420
Phe gài trục Inox 420 được cấu thành từ một mảnh kim loại phẳng có hình dạng gần giống chữ C, với các chi tiết chính đóng vai trò quan trọng trong việc đảm bảo hiệu suất hoạt động và độ bền:
Sơ đồ cấu tạo Phe Gài Trục DIN471:
- Thân phe: Là phần chính của phe gài, có hình dạng vòng tròn không kín, được thiết kế để lắp vừa khít vào rãnh trên trục. Thân phe có độ đàn hồi cao, giúp phe gài bám chắc vào rãnh.
- Lỗ lắp đặt: Là hai lỗ nhỏ nằm ở hai đầu của phe, dùng để đưa kìm phe chuyên dụng vào, giúp nén hoặc mở phe gài một cách dễ dàng và an toàn khi lắp đặt hoặc tháo gỡ.
4. Phân Tích Chuyên Sâu: Tiêu Chuẩn DIN 471 và Vật Liệu Inox 420
Để thực sự hiểu giá trị của phe gài trục Inox 420 DIN471 D34x1.5, việc phân tích sâu hơn về hai yếu tố then chốt: “tiêu chuẩn DIN 471” và “vật liệu Inox 420” là rất quan trọng.
Tiêu chuẩn “DIN 471” – Tiêu chuẩn kỹ thuật cho phe gài trục:
- Chức năng chính: “DIN 471” là một tiêu chuẩn của Đức, quy định các thông số kỹ thuật, dung sai, và yêu cầu vật liệu cho phe gài trục. Nó đảm bảo các phe gài được sản xuất đồng nhất, có kích thước chính xác và khả năng chịu lực phù hợp.
- Đặc điểm nổi bật: Việc tuân thủ tiêu chuẩn này giúp phe gài trục MS-PRO có khả năng chịu tải hướng trục cao, định vị chính xác và hoạt động đáng tin cậy.
- Ưu điểm vượt trội: Nhờ tiêu chuẩn hóa, người dùng có thể dễ dàng thay thế phe gài từ các nhà cung cấp khác nhau mà vẫn đảm bảo tính tương thích và hiệu suất.
Vật liệu “Inox 420” (Thép không gỉ):
- Ý nghĩa: “Inox 420” là một loại thép không gỉ martensitic, nổi bật với khả năng chống ăn mòn tốt trong môi trường ẩm ướt và có độ cứng cao sau khi xử lý nhiệt.
- Tầm quan trọng: Vật liệu này giúp phe gài có độ bền vượt trội, chống lại sự mài mòn và biến dạng dưới tác dụng của lực. Đặc tính chống gỉ sét của Inox 420 cũng giúp phe gài duy trì hiệu suất trong các môi trường khắc nghiệt.
- Lựa chọn phù hợp: Sự kết hợp giữa tiêu chuẩn DIN 471 và vật liệu Inox 420 giúp phe gài trục D34x1.5 trở thành một giải pháp bền bỉ, đáng tin cậy cho các ứng dụng cần độ chính xác cao và khả năng chống ăn mòn.
Sự kết hợp giữa tiêu chuẩn “DIN 471” và vật liệu “Inox 420” giúp phe gài trục DIN471 D34x1.5 trở thành một giải pháp linh hoạt, đáng tin cậy cho các máy móc cần định vị chính xác và bền bỉ trong môi trường ẩm ướt, đồng thời giảm thiểu nhu cầu bảo trì so với các loại vật liệu thông thường.
5. Ưu và Nhược Điểm của Phe Gài Trục Inox 420
Phe gài trục Inox 420 DIN471 D34x1.5 được tin dùng rộng rãi nhờ hiệu suất và độ bền vượt trội. Tuy nhiên, việc lựa chọn tối ưu đòi hỏi phải hiểu rõ cả ưu điểm lẫn nhược điểm của nó.
Ưu điểm nổi bật:
- Độ bền và khả năng chống ăn mòn cao: Vật liệu Inox 420 mang lại khả năng chống gỉ sét và ăn mòn vượt trội so với thép carbon thông thường, thích hợp cho các môi trường ẩm ướt hoặc hóa chất nhẹ.
- Độ cứng và chịu lực tốt: Phe gài có độ cứng cao, đảm bảo khả năng chịu tải hướng trục hiệu quả, giữ các chi tiết được cố định chắc chắn.
- Lắp đặt và tháo gỡ dễ dàng: Với hai lỗ chuyên dụng, việc sử dụng kìm phe gài giúp quá trình lắp đặt và tháo gỡ diễn ra nhanh chóng, an toàn và không làm hỏng phe.
- Tuân thủ tiêu chuẩn quốc tế: Tiêu chuẩn DIN 471 đảm bảo kích thước chính xác và độ đồng nhất cao, dễ dàng thay thế và lắp lẫn.
- Giá thành hợp lý: Mặc dù chất lượng cao, phe gài Inox 420 có mức giá phải chăng, là lựa chọn hiệu quả về chi phí cho nhiều ứng dụng.
Nhược điểm cần lưu ý:
- Khả năng chống ăn mòn hạn chế với một số hóa chất: Inox 420 chống ăn mòn tốt nhưng không phải là lựa chọn tối ưu cho môi trường có hóa chất mạnh hoặc axit nồng độ cao.
- Yêu cầu dụng cụ chuyên dụng: Cần sử dụng kìm phe gài chuyên dụng để lắp đặt và tháo gỡ, không thể dùng các dụng cụ thông thường.
- Độ cứng có thể gây khó khăn khi cắt gọt: Nếu cần gia công thêm, độ cứng của Inox 420 có thể làm khó quá trình cắt gọt hoặc mài.
6. Ứng Dụng Thực Tế của Phe Gài Trục DIN471 D34x1.5
Với kích thước tiêu chuẩn, độ bền cao và khả năng chống ăn mòn, phe gài trục Inox 420 DIN471 D34x1.5 được ứng dụng rộng rãi trong nhiều lĩnh vực công nghiệp và dân dụng tại TP. Hồ Chí Minh và các khu công nghiệp lân cận:
- Ngành sản xuất ô tô, xe máy: Dùng để cố định các chi tiết trên trục như bánh răng, vòng bi trong hộp số, hệ thống truyền động.
- Máy bơm, van công nghiệp: Cố định các bộ phận bên trong máy bơm, van để chúng không bị dịch chuyển khi hoạt động.
- Thiết bị điện tử, máy móc: Sử dụng trong các thiết bị cần định vị các bộ phận quay trên trục.
- Các ứng dụng trong ngành nông nghiệp và xây dựng: Phù hợp cho các thiết bị cần độ bền và khả năng chống gỉ sét cơ bản.
- Thiết bị y tế: Dùng trong một số máy móc và dụng cụ y tế cần độ chính xác và khả năng chống ăn mòn.
7. Hướng Dẫn Lắp Đặt và Tháo Gỡ Phe Gài Trục
Để đảm bảo hiệu suất và an toàn tối ưu cho phe gài trục Inox 420, việc lắp đặt và tháo gỡ đúng cách là vô cùng quan trọng. Luôn tuân thủ các nguyên tắc an toàn và kỹ thuật của nhà sản xuất. Mecsu cung cấp hướng dẫn chi tiết dựa trên kinh nghiệm thực tế:
- Chuẩn bị: Đảm bảo môi trường làm việc sạch sẽ. Chuẩn bị đầy đủ dụng cụ chuyên dụng như kìm phe gài. Luôn đeo găng tay bảo hộ và kính bảo hộ để đảm bảo an toàn. Kiểm tra rãnh trên trục phải sạch sẽ, không có ba via, rỉ sét và đúng kích thước.
- Lắp đặt:
- Sử dụng kìm phe gài chuyên dụng, đưa hai mũi kìm vào hai lỗ của phe gài.
- Nhấn nhẹ kìm để mở rộng phe gài vừa đủ để trượt qua đầu trục.
- Trượt phe gài vào đúng vị trí rãnh trên trục.
- Nhả tay cầm kìm để phe gài tự co lại và bám chặt vào rãnh. Đảm bảo phe gài đã nằm gọn và chắc chắn trong rãnh.
- Tháo gỡ:
- Sử dụng kìm phe gài chuyên dụng, đưa hai mũi kìm vào hai lỗ của phe gài.
- Nhấn nhẹ kìm để mở rộng phe gài, sau đó cẩn thận tháo phe ra khỏi rãnh trên trục.
- Tránh dùng tay hoặc các dụng cụ không chuyên dụng để tháo gỡ, vì có thể gây biến dạng phe gài hoặc gây nguy hiểm.
- Bảo quản: Nếu không sử dụng ngay, hãy giữ phe gài trong bao bì gốc của nhà sản xuất, ở nơi khô ráo, thoáng mát, tránh ánh nắng trực tiếp và các hóa chất ăn mòn để ngăn ngừa rỉ sét và bụi bẩn xâm nhập.
8. So Sánh Phe Gài Trục và Phe Gài Lỗ
Việc hiểu rõ sự khác biệt giữa các loại phe gài sẽ giúp bạn lựa chọn sản phẩm phù hợp nhất cho ứng dụng của mình, tối ưu hóa hiệu suất và chi phí đầu tư:
| Tiêu chí | Phe Gài Trục (DIN 471) | Phe Gài Lỗ (DIN 472) |
|---|---|---|
| Vị trí lắp đặt | Trên rãnh của trục | Trong rãnh của lỗ (ống) |
| Phương thức hoạt động | Co lại khi lắp đặt, bung ra khi định vị | Mở rộng khi lắp đặt, co lại khi định vị |
| Hình dạng | Hai lỗ nằm ở hai đầu để kìm nén vào | Hai lỗ nằm ở hai đầu để kìm mở ra |
| Công dụng | Ngăn các chi tiết di chuyển ra ngoài trục | Ngăn các chi tiết di chuyển vào trong lỗ |
| Ứng dụng điển hình | Định vị bánh răng, vòng bi trên trục | Định vị vòng bi, bạc lót bên trong lỗ (ống) |
9. Cách Phân Biệt Phe Gài MS-PRO Thật – Giả – Lời Khuyên Từ Chuyên Gia Mecsu
Để đảm bảo bạn mua được phe gài MS-PRO chính hãng tại TP.HCM, Mecsu khuyến nghị kiểm tra các dấu hiệu sau:
a. Dấu hiệu của phe gài MS-PRO chính hãng:
- Bao bì chất lượng cao: Sắc nét, có logo và thông tin sản phẩm rõ ràng. Bạn sẽ thấy sự tỉ mỉ trong từng chi tiết.
- Bề mặt sản phẩm hoàn thiện: Bề mặt phe gài nhẵn mịn, không có ba via, không có dấu hiệu rỉ sét hoặc gia công kém.
- Thông số chính xác: Kích thước phe gài đúng chuẩn DIN 471. Khi đo đạc bằng thước kẹp điện tử, các thông số về đường kính, độ dày phải đúng với catalogue của nhà sản xuất.
- Độ đàn hồi tốt: Phe gài chính hãng có độ đàn hồi cao, dễ dàng nén vào và bung ra mà không bị biến dạng sau khi tháo lắp.
- Chứng từ đầy đủ: Nhà cung cấp uy tín sẽ cung cấp đầy đủ chứng từ xuất xứ và chất lượng, đảm bảo nguồn gốc và chất lượng sản phẩm.
b. Dấu hiệu của phe gài MS-PRO hàng giả/nhái:
- Bề mặt thô, có ba via, gia công ẩu, có dấu hiệu rỉ sét.
- Kích thước không chính xác, có thể lệch dung sai, gây khó khăn khi lắp đặt hoặc không đảm bảo khả năng định vị.
- Độ đàn hồi kém, dễ bị biến dạng, thậm chí gãy khi tháo lắp.
- Giá bán rẻ bất thường so với mức giá thị trường – đây là dấu hiệu cảnh báo lớn nhất.
10. Giá Bán & Gợi Ý Mua Phe Gài Trục Chính Hãng Tại TP.HCM
a. Giá phe gài trục Inox 420 (TP.Hồ Chí Minh) tại Mecsu: Giá: 5,344 đ/ Cái (đã có VAT) – Giá hợp lý, phù hợp với chất lượng sản phẩm chính hãng
Liên hệ để nhận báo giá tốt nhất (giá có thể thay đổi tùy thời điểm và số lượng) – mức giá hợp lý, phù hợp với chất lượng sản phẩm chính hãng MS-PRO tại thị trường linh kiện cơ khí TP.HCM.
b. Gợi ý mua phe gài chính hãng MS-PRO uy tín
- Chọn nhà cung cấp uy tín tại TP.HCM: Ưu tiên đối tác có chứng nhận từ nhà sản xuất hoặc đơn vị lâu năm, được nhiều khách hàng tin tưởng và có danh tiếng trên thị trường cung cấp linh kiện cơ khí tại TP.HCM.
- Kiểm tra chứng từ đầy đủ: Luôn yêu cầu đầy đủ chứng nhận xuất xứ và chất lượng để đảm bảo nguồn gốc và chất lượng sản phẩm.
- Mua tại Mecsu – Đại lý ủy quyền MS-PRO tại Việt Nam: Mecsu tự hào là nhà phân phối chính hãng MS-PRO tại Việt Nam, cam kết cung cấp “phe gài trục Inox 420 DIN471 D34x1.5 chính hãng” và các loại “phe gài khác” với nhiều lợi ích vượt trội:
- 100% sản phẩm chính hãng: Đảm bảo nguồn gốc rõ ràng, đầy đủ chứng từ. Chúng tôi cam kết hoàn tiền 100% hoặc đổi trả nếu sản phẩm không phải chính hãng.
- Chính sách bảo hành minh bạch: Hỗ trợ đổi trả nếu có lỗi từ nhà sản xuất, mang lại sự an tâm tuyệt đối cho khách hàng.
- Hỗ trợ kỹ thuật chuyên sâu: Đội ngũ kỹ sư giàu kinh nghiệm sẵn sàng hỗ trợ bạn về kỹ thuật và lựa chọn sản phẩm phù hợp nhất cho mọi ứng dụng.
- Giá cả cạnh tranh: Đảm bảo mức giá tốt nhất đi kèm chất lượng, với chính sách chiết khấu hấp dẫn cho đơn hàng số lượng lớn, đặc biệt khi “mua phe gài trục số lượng lớn”.
MUA THÊM NHIỀU LOẠI PHE GÀI CHÍNH HÃNG KHÁC TẠI MECSU
11. FAQ về Phe Gài Trục Inox 420
a. Phe gài trục Inox 420 có cần bảo dưỡng không?
Phe gài Inox 420 có khả năng chống ăn mòn tốt và không yêu cầu bảo dưỡng phức tạp. Tuy nhiên, nếu phe gài hoạt động trong môi trường có hóa chất mạnh, bạn nên kiểm tra định kỳ để đảm bảo không có dấu hiệu ăn mòn.
b. Phe gài trục dùng cho trục hay cho lỗ?
Phe gài trục dùng để lắp vào rãnh trên trục, còn phe gài lỗ (DIN 472) dùng để lắp vào rãnh bên trong lỗ (ống).
c. Ký hiệu DIN 471 trên phe gài có ý nghĩa gì?
Ký hiệu “DIN 471” chỉ tiêu chuẩn kỹ thuật của Đức cho phe gài trục, đảm bảo các thông số kích thước, vật liệu và dung sai của sản phẩm được tuân thủ nghiêm ngặt.
d. Làm sao biết phe gài của tôi là hàng chính hãng MS-PRO?
Bạn nên mua từ nhà phân phối uy tín (như Mecsu), kiểm tra bề mặt sản phẩm nhẵn mịn, không có ba via, và các thông số kích thước phải đúng chuẩn.
e. Khi nào cần thay thế phe gài?
Bạn nên thay thế phe gài khi nhận thấy các dấu hiệu sau:
- Biến dạng vật lý: Phe gài bị cong vênh, nứt, hoặc có dấu hiệu hư hại rõ rệt do quá tải hoặc tháo lắp sai cách.
- Mất độ đàn hồi: Phe gài không còn khả năng bám chắc vào rãnh, dễ bị lỏng.
- Rỉ sét hoặc ăn mòn: Mặc dù là Inox 420, nếu hoạt động trong môi trường quá khắc nghiệt, phe gài có thể bị ăn mòn và mất khả năng chịu lực.
Kinh nghiệm từ các kỹ sư Mecsu: Việc kiểm tra định kỳ bằng mắt thường có thể giúp phát hiện sớm các dấu hiệu cần thay thế, tránh gây hư hại nghiêm trọng hơn cho toàn bộ hệ thống. Đừng ngần ngại liên hệ chúng tôi để được hỗ trợ kỹ thuật về bảo trì hệ thống cơ khí hoặc thay thế phe gài kịp thời.
f. Mua phe gài trục Inox 420 chính hãng, uy tín ở đâu tại TP.HCM?
Mua phe gài trục Inox 420 chính hãng và đảm bảo chất lượng tại TP.HCM, bạn hãy liên hệ ngay với Mecsu. Chúng tôi tự hào là nhà cung cấp uy tín, chuyên phân phối các sản phẩm MS-PRO chính hãng tại Việt Nam.
- Cam kết chất lượng: 100% sản phẩm có nguồn gốc rõ ràng, đầy đủ chứng từ CO, CQ. Chúng tôi cam kết hoàn tiền 100% hoặc đổi trả nếu sản phẩm không phải chính hãng.
- Giá cả cạnh tranh: Đảm bảo mức giá tốt nhất đi kèm chất lượng, với chính sách chiết khấu hấp dẫn cho đơn hàng số lượng lớn.
- Tư vấn chuyên sâu: Đội ngũ kỹ sư giàu kinh nghiệm sẵn sàng hỗ trợ bạn về kỹ thuật và lựa chọn sản phẩm phù hợp nhất.
- Chính sách hậu mãi: Đảm bảo quyền lợi tối đa cho khách hàng với dịch vụ hỗ trợ nhanh chóng, tận tâm.
12. Liên Hệ và Hỗ Trợ Tư Vấn Mua Phe Gài MS-PRO
Nếu bạn có bất kỳ thắc mắc nào về phe gài trục Inox 420 DIN471 D34x1.5 hoặc cần tư vấn về giải pháp phe gài cho ứng dụng cụ thể của mình, đừng ngần ngại liên hệ với đội ngũ chuyên gia của Mecsu. Chúng tôi luôn sẵn lòng hỗ trợ bạn tìm ra sản phẩm phù hợp và tối ưu nhất, đồng thời cung cấp những kiến thức độc quyền về kỹ thuật lắp đặt phe gài mà bạn khó tìm thấy ở nơi khác.
Địa chỉ: B28/I – B29/I Đường số 2B, KCN Vĩnh Lộc, P. Bình Hưng Hòa B, Q. Bình Tân, TP.HCM
Hotline: 1800 8137
Email: [email protected]
Website: mecsu.vn
13. Thông Tin Bổ Sung & Kinh Nghiệm Thực Tế Từ Mecsu
a. Kinh Nghiệm Thực Tế & Câu Chuyện Thành Công
Tại Mecsu, chúng tôi tự hào là đối tác tin cậy của nhiều doanh nghiệp trong việc cung cấp các giải pháp linh kiện cơ khí chất lượng cao. Phe gài trục Inox 420 DIN471 D34x1.5, với đặc tính chịu lực tốt và khả năng chống ăn mòn, đã được ứng dụng trong nhiều dự án quan trọng của khách hàng chúng tôi tại TP. Hồ Chí Minh và các tỉnh lân cận, mang lại hiệu quả vượt trội và là minh chứng cho chất lượng sản phẩm cùng kinh nghiệm thực tế của đội ngũ Mecsu:
a. Kinh Nghiệm Thực Tế & Câu Chuyện Thành Công
Tại Mecsu, chúng tôi tự hào là đối tác tin cậy của nhiều doanh nghiệp trong việc cung cấp các giải pháp linh kiện cơ khí chất lượng cao. “Phe gài trục Inox 420 DIN471 D34x1.5”, với đặc tính chịu lực tốt và khả năng chống ăn mòn, đã được ứng dụng trong nhiều dự án quan trọng của khách hàng chúng tôi tại “TP. Hồ Chí Minh” và các tỉnh lân cận, mang lại hiệu quả vượt trội và là minh chứng cho chất lượng sản phẩm cùng kinh nghiệm thực tế của đội ngũ Mecsu:
- Ngành sản xuất máy móc công nghiệp: Chúng tôi đã cung cấp “phe gài D34x1.5” cho một nhà sản xuất máy móc lớn. Nhờ khả năng định vị chính xác và độ bền cao, phe gài đã góp phần đáng kể vào việc nâng cao hiệu suất và độ tin cậy của các chi tiết quay trên trục.
- Lĩnh vực thiết bị điện tử: Phe gài này được lựa chọn cho các ứng dụng cần cố định các chi tiết nhỏ trên trục trong thiết bị điện tử. Độ chính xác và khả năng chống ăn mòn của “phe gài MS-PRO chính hãng” đã giúp thiết bị hoạt động ổn định trong môi trường làm việc thông thường.
- Thiết bị chế biến thực phẩm: Một khách hàng chuyên sản xuất thiết bị chế biến thực phẩm đã ứng dụng “phe gài trục” vào các bộ phận trục quay. Khả năng chống ăn mòn của vật liệu Inox 420 và độ bền của phe gài đã giúp máy móc hoạt động ổn định trong môi trường có độ ẩm cao.
b. Trích Dẫn Chuyên Gia
““Phe gài trục Inox 420 DIN471 D34x1.5” là một lựa chọn tuyệt vời cho các ứng dụng công nghiệp cần sự cân bằng hoàn hảo giữa khả năng chịu lực, độ chính xác và khả năng chống ăn mòn. Tiêu chuẩn DIN 471 đảm bảo kích thước chính xác, trong khi vật liệu Inox 420 mang lại độ bền vượt trội. Đây là giải pháp đáng tin cậy và hiệu quả cho nhiều loại máy móc trong môi trường công nghiệp.”
— “Kỹ sư cơ khí Chuyên gia kỹ thuật Mecsu” (TP. Hồ Chí Minh) – Với hơn 10 năm kinh nghiệm trong lĩnh vực “linh kiện cơ khí công nghiệp”.
c. Tài Liệu Tham Khảo và Nghiên Cứu
Nội dung bài viết này được biên soạn dựa trên các tài liệu kỹ thuật chính thức và đáng tin cậy từ MS-PRO, cùng với kinh nghiệm thực tế chuyên sâu của đội ngũ kỹ sư Mecsu, đảm bảo tính chính xác, cập nhật và chuyên môn cao:
- MS-PRO Product Catalog (Danh mục sản phẩm MS-PRO chính thức) – Nguồn dữ liệu kỹ thuật chi tiết nhất về “phe gài”.
- Tài liệu kỹ thuật DIN 471 (Thông tin chuyên sâu về “tiêu chuẩn phe gài trục DIN”) – Cung cấp cái nhìn toàn diện về tiêu chuẩn này.
- Bảng dữ liệu kỹ thuật (Datasheet) chi tiết của Phe Gài Trục DIN471 D34x1.5 – Nguồn thông số kỹ thuật chính xác.
- Trải nghiệm thực tế và phản hồi từ các dự án khách hàng của Mecsu – “Dữ liệu độc nhất” được thu thập từ hơn 10 năm cung cấp “linh kiện cơ khí” và “giải pháp cơ khí” cho các doanh nghiệp tại Việt Nam.
Biên soạn bởi: Đội ngũ Kỹ sư Mecsu
Với hơn 10 năm kinh nghiệm chuyên sâu trong lĩnh vực phân phối và tư vấn giải pháp linh kiện cơ khí, đội ngũ kỹ sư của Mecsu cam kết mang đến những thông tin chính xác, cập nhật và hữu ích nhất, giúp quý khách hàng đưa ra lựa chọn sản phẩm tối ưu cho mọi ứng dụng.
(Xem thêm thông tin về chúng tôi tại Website Mecsu)
Lưu ý: Hình ảnh sản phẩm có thể khác biệt so với thực tế. Vui lòng tham khảo thông số kỹ thuật chi tiết hoặc liên hệ Mecsu để có thông tin chính xác nhất về sản phẩm.



















Đánh giá
Chưa có đánh giá nào.