Mô tả sản phẩm
Thông tin CHUYÊN SÂU về Phe Gài Trục Inox 420 DIN471 D34x1.5
Mục Lục
- 1. Phe Gài Trục DIN471 D34x1.5 Là Gì? – Giải Thích Chuyên Sâu
- 2. Thông Số Kỹ Thuật Chi Tiết của Phe Gài Trục Inox 420
- 3. Cấu Tạo Chi Tiết Phe Gài Trục Inox 420
- 4. Phân Tích Chuyên Sâu: Tiêu Chuẩn DIN 471 và Vật Liệu Inox 420
- 5. Ưu và Nhược Điểm của Phe Gài Trục Inox 420
- 6. Ứng Dụng Thực Tế của Phe Gài Trục DIN471 D34x1.5
- 7. Hướng Dẫn Lắp Đặt và Tháo Gỡ Phe Gài Trục
- 8. So Sánh Phe Gài Trục và Phe Gài Lỗ
- 9. Cách Phân Biệt Phe Gài MS-PRO Thật – Giả – Lời Khuyên Từ Chuyên Gia Mecsu
- 10. Giá Bán & Gợi Ý Mua Phe Gài Trục Chính Hãng Tại TP.HCM
- 11. FAQ về Phe Gài Trục Inox 420
- 12. Liên Hệ và Hỗ Trợ Tư Vấn Mua Phe Gài MS-PRO
- 13. Thông Tin Bổ Sung & Kinh Nghiệm Thực Tế Từ Mecsu
1. Phe Gài Trục DIN471 D34x1.5 Là Gì? – Giải Thích Chuyên Sâu
Phe gài trục Inox 420 DIN471 D34x1.5 là một loại chi tiết cơ khí được thiết kế để định vị các bộ phận trên trục, ngăn không cho chúng dịch chuyển dọc trục. Mã “D34” là ký hiệu cho đường kính trục sử dụng là 34mm, và “1.5” là độ dày của phe gài. “DIN471” là tiêu chuẩn kỹ thuật của Đức cho phe gài trục.
Phe gài trục này được làm từ vật liệu Inox 420, một loại thép không gỉ martensitic với độ cứng cao và khả năng chống ăn mòn tốt trong nhiều môi trường. Việc sử dụng vật liệu này đảm bảo phe gài có độ bền và khả năng chịu tải cao, phù hợp với các ứng dụng đòi hỏi sự ổn định và đáng tin cậy.
2. Thông Số Kỹ Thuật Chi Tiết của Phe Gài Trục Inox 420
Thông số kỹ thuật của phe gài trục DIN471 D34x1.5
| Thông số | Giá trị |
|---|---|
| Mã sản phẩm | DIN471 D34x1.5 |
| Loại | Phe Gài Trục (External Circlip) |
| Dùng cho trục | 34 mm |
| Đường kính rãnh sử dụng | 32.2 mm |
| Bề rộng rãnh sử dụng | 1.6 mm |
| Đường kính trong | 31.5 mm |
| Độ dày | 1.5 mm |
| Vật liệu | Inox 420 |
| Tiêu chuẩn | DIN 471 |
| Thương hiệu | MS-PRO |
| Xuất xứ | Đài Loan |
| Đơn vị tính | Bịch (5 cái) |
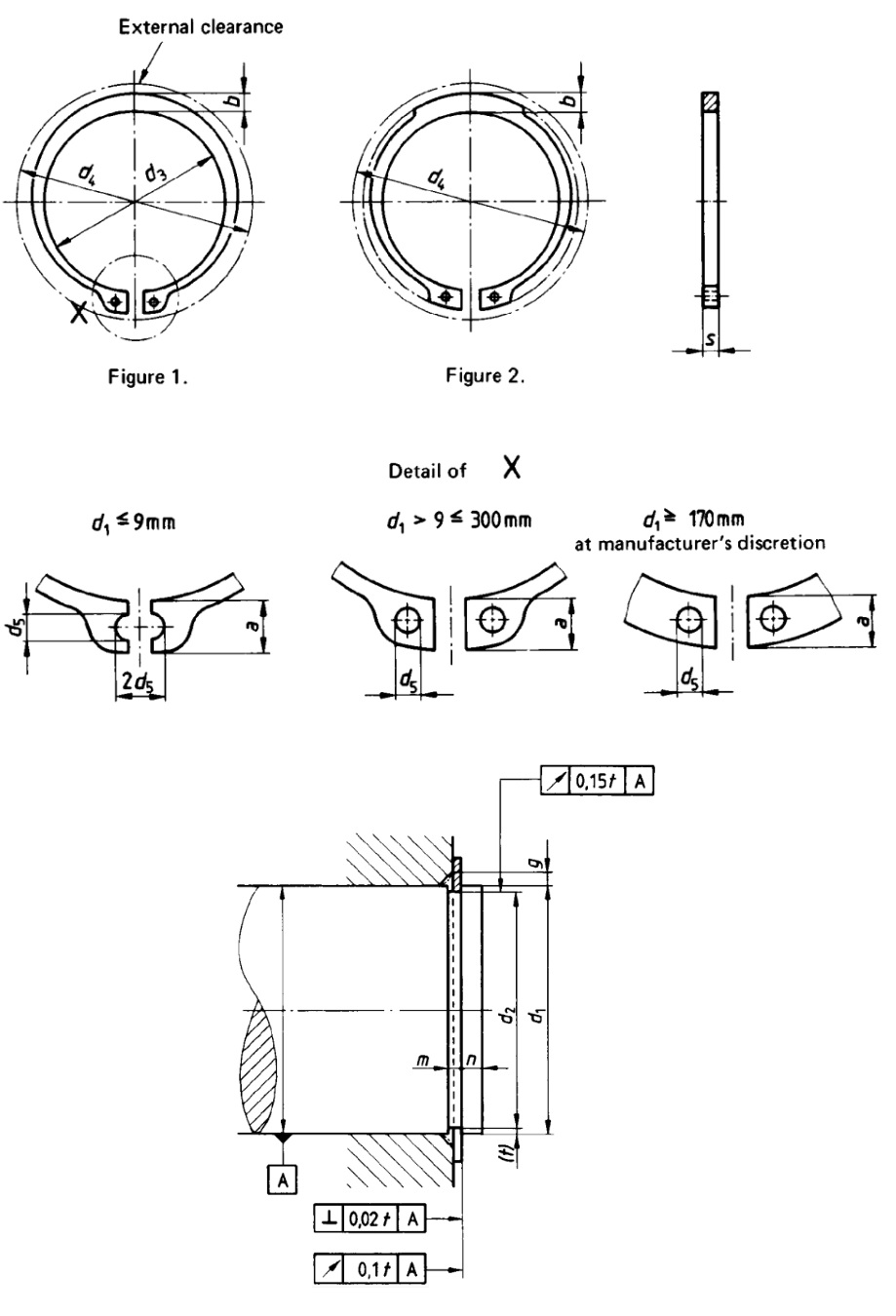
3. Cấu Tạo Chi Tiết Phe Gài Trục Inox 420
Phe gài trục Inox 420 DIN471 D34x1.5 được cấu thành từ một vòng kim loại dẹt, có hình dạng đặc biệt với hai đầu có lỗ để lắp đặt.
Sơ đồ cấu tạo Phe Gài Trục Inox 420:
- Vòng kim loại: Làm từ thép không gỉ Inox 420, được gia công chính xác để đảm bảo độ dày (1.5mm) và đường kính (dùng cho trục 34mm) chính xác.
- Khe hở/khe rãnh: Phe có một khe hở nhỏ ở giữa, cho phép nó đàn hồi và dễ dàng lắp vào rãnh trên trục.
- Lỗ lắp đặt: Hai lỗ nhỏ ở hai đầu phe gài, được thiết kế để sử dụng kìm phe gài chuyên dụng, giúp việc lắp đặt và tháo gỡ trở nên dễ dàng và an toàn.
4. Phân Tích Chuyên Sâu: Tiêu Chuẩn DIN 471 và Vật Liệu Inox 420
Để thực sự hiểu giá trị của phe gài trục Inox 420 DIN471 D34x1.5, việc phân tích sâu hơn về hai yếu tố then chốt: “tiêu chuẩn DIN 471“ và “vật liệu Inox 420“ là rất quan trọng.
Tiêu chuẩn “DIN 471” – Đảm bảo chất lượng và độ chính xác:
- Chức năng chính: “DIN 471” là một tiêu chuẩn kỹ thuật của Đức, quy định chi tiết về kích thước, dung sai và yêu cầu vật liệu cho phe gài trục (circlips for shafts).
- Đặc điểm nổi bật: Tuân thủ tiêu chuẩn này đảm bảo rằng phe gài trục có kích thước chính xác, phù hợp hoàn hảo với rãnh trên trục có đường kính 34mm, giúp việc lắp đặt trở nên dễ dàng và đảm bảo khả năng định vị ổn định.
- Ưu điểm vượt trội: Việc sản xuất theo tiêu chuẩn DIN 471 giúp sản phẩm có độ tin cậy cao, khả năng chịu lực tốt và tương thích với nhiều ứng dụng trên thị trường mà không cần điều chỉnh.
Vật liệu “Inox 420” (Thép không gỉ):
- Ý nghĩa: “Inox 420” là một loại thép không gỉ thuộc nhóm martensitic. Đây là loại vật liệu có độ cứng cao sau khi xử lý nhiệt.
- Tầm quan trọng: Nhờ độ cứng và độ bền cao, Inox 420 cho phép phe gài chịu được tải trọng đáng kể và lực tác động trong quá trình hoạt động. Ngoài ra, khả năng chống ăn mòn của Inox 420 là một lợi thế lớn, đặc biệt trong các môi trường ẩm ướt, tiếp xúc với hóa chất nhẹ hoặc cần vệ sinh thường xuyên.
- Lựa chọn phù hợp: Sự kết hợp giữa vật liệu Inox 420 và tiêu chuẩn DIN 471 giúp phe gài trục này trở thành một giải pháp đáng tin cậy, linh hoạt cho các ứng dụng đòi hỏi độ bền cao, khả năng chống gỉ và độ chính xác.
Sự kết hợp giữa tiêu chuẩn “DIN 471” và vật liệu “Inox 420” giúp Phe Gài Trục MS-PRO D34x1.5 trở thành một giải pháp đáng tin cậy, bền bỉ và phù hợp cho nhiều ứng dụng công nghiệp và dân dụng.
5. Ưu và Nhược Điểm của Phe Gài Trục Inox 420
Phe gài trục Inox 420 DIN471 D34x1.5 được tin dùng nhờ hiệu suất và độ bền. Tuy nhiên, việc lựa chọn tối ưu đòi hỏi phải hiểu rõ cả ưu điểm lẫn nhược điểm của nó.
Ưu điểm nổi bật:
- Độ bền và khả năng chịu tải cao: Được sản xuất từ thép không gỉ Inox 420, phe gài có độ cứng cao, chịu được tải trọng lớn, giúp định vị chi tiết một cách chắc chắn.
- Khả năng chống ăn mòn: Vật liệu Inox 420 mang lại khả năng chống rỉ sét và ăn mòn vượt trội so với thép carbon, phù hợp cho môi trường ẩm ướt hoặc tiếp xúc với hóa chất.
- Độ chính xác cao: Sản xuất theo tiêu chuẩn DIN 471 đảm bảo kích thước chính xác, dễ dàng lắp đặt vào rãnh trên trục mà không cần điều chỉnh.
- Dễ dàng lắp đặt và tháo gỡ: Thiết kế có lỗ cho phép sử dụng kìm phe gài chuyên dụng, giúp thao tác nhanh chóng và an toàn.
- Ứng dụng đa dạng: Với kích thước tiêu chuẩn và vật liệu chất lượng, phe gài này phù hợp với nhiều loại máy móc và thiết bị khác nhau.
Nhược điểm cần lưu ý:
- Giá thành: Mức giá của phe gài Inox có thể cao hơn so với phe gài làm từ thép carbon thông thường. Tuy nhiên, đây là sự đầu tư xứng đáng cho độ bền và khả năng chống ăn mòn dài hạn.
- Độ giòn: Inox 420 có độ cứng cao nhưng cũng có thể giòn hơn một số loại thép khác, cần cẩn thận khi lắp đặt để tránh làm gãy phe gài.
6. Ứng Dụng Thực Tế của Phe Gài Trục DIN471 D34x1.5
Với kích thước tiêu chuẩn và khả năng chống ăn mòn tốt, phe gài trục DIN471 D34x1.5 được ứng dụng rộng rãi trong nhiều lĩnh vực công nghiệp và dân dụng tại TP. Hồ Chí Minh và các khu công nghiệp lân cận:
- Ngành ô tô, xe máy: Dùng để định vị các bánh răng, vòng bi trên các trục truyền động, hộp số.
- Máy móc công nghiệp: Lắp đặt trong các hệ thống máy bơm, máy nén khí, động cơ điện để cố định các chi tiết quay.
- Thiết bị nông nghiệp và xây dựng: Dùng trong các máy móc, thiết bị cần định vị các bộ phận trên trục.
- Sản xuất thiết bị y tế: Do tính chất chống gỉ của Inox, phe gài này có thể được sử dụng trong một số thiết bị y tế không đòi hỏi tiêu chuẩn quá khắt khe.
- Chế tạo máy: Ứng dụng trong việc lắp ráp và chế tạo các loại máy móc, thiết bị cần độ chính xác và bền bỉ.
7. Hướng Dẫn Lắp Đặt và Tháo Gỡ Phe Gài Trục
Để đảm bảo hiệu suất và an toàn khi sử dụng phe gài trục DIN471 D34x1.5, việc lắp đặt và tháo gỡ đúng cách là vô cùng quan trọng. Luôn tuân thủ các nguyên tắc an toàn và sử dụng dụng cụ chuyên dụng. Mecsu cung cấp hướng dẫn chi tiết dựa trên kinh nghiệm thực tế:
- Chuẩn bị: Đảm bảo trục và rãnh gài sạch sẽ, không có ba via hoặc rỉ sét. Chuẩn bị kìm phe gài chuyên dụng phù hợp với kích thước phe gài (34mm). Luôn đeo găng tay bảo hộ và kính bảo hộ để đảm bảo an toàn.
- Lắp đặt:
- Sử dụng kìm phe gài chuyên dụng, bóp hai đầu của phe gài để phe nở ra.
- Nhẹ nhàng đưa phe gài vào rãnh trên trục.
- Nhả kìm từ từ để phe gài ôm khít vào rãnh. Kiểm tra bằng cách xoay phe gài để đảm bảo nó đã nằm gọn trong rãnh và không bị lỏng.
- Tháo gỡ:
- Dùng kìm phe gài chuyên dụng, bóp hai đầu của phe gài để nới lỏng nó ra khỏi rãnh.
- Nhẹ nhàng nhấc phe gài ra khỏi trục.
- Tuyệt đối không dùng tua vít hoặc các dụng cụ không chuyên dụng để nạy phe gài, điều này có thể làm hỏng phe gài, gây nguy hiểm và làm hỏng rãnh trục.
- Bảo quản: Nếu không sử dụng ngay, hãy giữ phe gài trong bao bì gốc của nhà sản xuất, ở nơi khô ráo, thoáng mát để ngăn ngừa ăn mòn.
8. So Sánh Phe Gài Trục và Phe Gài Lỗ
Việc hiểu rõ sự khác biệt giữa các loại phe gài sẽ giúp bạn lựa chọn sản phẩm phù hợp nhất cho ứng dụng của mình, tối ưu hóa hiệu suất và chi phí đầu tư:
| Tiêu chí | Phe Gài Trục | Phe Gài Lỗ |
|---|---|---|
| Tên gọi khác | Vòng phe gài ngoài (External Circlip) | Vòng phe gài trong (Internal Circlip) |
| Ứng dụng | Định vị chi tiết trên trục | Định vị chi tiết trong lỗ |
| Hướng lắp | Lắp vào rãnh ngoài trên trục | Lắp vào rãnh trong lỗ |
| Kìm sử dụng | Kìm phe gài ngoài | Kìm phe gài trong |
| Hình dạng | Lò xo mở, khi bóp kìm sẽ nở ra | Lò xo đóng, khi bóp kìm sẽ thu vào |
| Ví dụ | Phe gài trục DIN471 D34x1.5 | Phe gài lỗ DIN472 D34x1.5 |
| Đặc tính chính | Giữ chặt chi tiết trên bề mặt trục | Giữ chặt chi tiết bên trong lỗ |
9. Cách Phân Biệt Phe Gài MS-PRO Thật – Giả – Lời Khuyên Từ Chuyên Gia Mecsu
Thị trường hiện nay có rất nhiều hàng giả, hàng nhái kém chất lượng, đặc biệt là với các sản phẩm được ưa chuộng. Để đảm bảo bạn mua được phe gài MS-PRO chính hãng tại TP.HCM, Mecsu khuyến nghị kiểm tra các dấu hiệu sau:
a. Dấu hiệu của phe gài MS-PRO chính hãng:
- Bao bì chất lượng cao: Sắc nét, in ấn rõ ràng, đầy đủ thông tin sản phẩm và thương hiệu MS-PRO. Bạn sẽ thấy sự tỉ mỉ trong từng chi tiết.
- Chất lượng vật liệu đồng đều: Phe gài thật có màu sắc đồng đều, không có dấu hiệu rỉ sét, bề mặt trơn nhẵn, không có ba via hoặc các vết xước lớn.
- Độ đàn hồi tốt: Khi sử dụng kìm phe gài để bóp hoặc nới lỏng, phe gài thật có độ đàn hồi tốt, trở lại hình dạng ban đầu mà không bị biến dạng.
- Kích thước chính xác: Tuân thủ đúng kích thước tiêu chuẩn DIN 471, đảm bảo vừa khít với trục có đường kính 34mm.
- Chứng từ đầy đủ: Nhà cung cấp uy tín sẽ cung cấp đầy đủ chứng từ xuất xứ và chất lượng nếu bạn yêu cầu, đảm bảo nguồn gốc sản phẩm.
b. Dấu hiệu của phe gài MS-PRO hàng giả/nhái:
- Bao bì thô, in ấn mờ nhạt, sai chính tả, màu sắc không chuẩn.
- Chất liệu kém, dễ bị rỉ sét, có ba via hoặc các vết lỗi trong quá trình gia công.
- Độ đàn hồi kém, dễ bị biến dạng, cong vênh ngay sau lần sử dụng đầu tiên.
- Kích thước sai lệch, không vừa khít với trục, gây khó khăn khi lắp đặt hoặc không đảm bảo chức năng định vị.
- Giá bán rẻ bất thường so với mức giá thị trường của sản phẩm chính hãng – đây là dấu hiệu cảnh báo lớn nhất.
10. Giá Bán & Gợi Ý Mua Phe Gài Trục Chính Hãng Tại TP.HCM
a. Giá phe gài trục DIN471 D34x1.5 (TP.Hồ Chí Minh) tại Mecsu: Giá: 35,489 đ / Bịch (đã có VAT) – Giá hợp lý, phù hợp với chất lượng sản phẩm chính hãng
Liên hệ để nhận báo giá tốt nhất (giá có thể thay đổi tùy thời điểm và số lượng) – mức giá hợp lý, phù hợp với chất lượng sản phẩm chính hãng MS-PRO tại thị trường linh kiện cơ khí TP.HCM.
b. Gợi ý mua phe gài chính hãng MS-PRO uy tín
- Chọn nhà cung cấp uy tín tại TP.HCM: Ưu tiên đơn vị lâu năm, được nhiều khách hàng tin tưởng và có danh tiếng trên thị trường cung cấp linh kiện cơ khí tại TP.HCM.
- Kiểm tra chứng từ đầy đủ: Luôn yêu cầu chứng từ xuất xứ và chất lượng để đảm bảo nguồn gốc và chất lượng sản phẩm. Điều này giúp bạn tránh mua phải “phe gài giả” trên thị trường.
- Mua tại Mecsu – Đại lý phân phối chính hãng MS-PRO tại Việt Nam: Mecsu tự hào là nhà phân phối chính hãng MS-PRO tại Việt Nam, cam kết cung cấp “phe gài trục chính hãng” và các loại “linh kiện cơ khí khác” với nhiều lợi ích vượt trội:
- 100% sản phẩm chính hãng: Đảm bảo nguồn gốc rõ ràng, đầy đủ chứng từ. Chúng tôi cam kết hoàn tiền 100% hoặc đổi trả nếu sản phẩm không phải chính hãng.
- Chính sách bảo hành minh bạch: Hỗ trợ đổi trả nếu có lỗi từ nhà sản xuất, mang lại sự an tâm tuyệt đối cho khách hàng.
- Hỗ trợ kỹ thuật chuyên sâu: Đội ngũ kỹ sư giàu kinh nghiệm sẵn sàng hỗ trợ bạn về kỹ thuật và lựa chọn sản phẩm phù hợp nhất cho mọi ứng dụng.
- Giá cả cạnh tranh: Đảm bảo mức giá tốt nhất đi kèm chất lượng, với chính sách chiết khấu hấp dẫn cho đơn hàng số lượng lớn, đặc biệt khi “mua phe gài số lượng lớn”.
MUA THÊM NHIỀU LOẠI PHE GÀI CHÍNH HÃNG KHÁC TẠI MECSU
11. FAQ về Phe Gài Trục Inox 420
a. Phe gài trục Inox 420 có bị gỉ sét không?
Mặc dù được làm từ thép không gỉ Inox 420, nhưng phe gài này vẫn có khả năng bị ăn mòn trong một số điều kiện khắc nghiệt, đặc biệt là khi tiếp xúc lâu dài với hóa chất mạnh hoặc môi trường có nhiều muối. Tuy nhiên, so với phe gài thép carbon thông thường, khả năng chống ăn mòn của nó vượt trội hơn rất nhiều.
b. Chữ “DIN 471” trong mã phe gài có ý nghĩa gì?
Chữ “DIN 471” là tiêu chuẩn kỹ thuật của Đức, quy định kích thước và dung sai cho phe gài trục (circlips for shafts). Việc sản xuất theo tiêu chuẩn này đảm bảo phe gài có độ chính xác cao và tương thích với các rãnh trục tiêu chuẩn.
c. Phe gài trục Inox 420 có tái sử dụng được không?
Sau khi tháo gỡ, phe gài có thể tái sử dụng nếu nó không bị biến dạng, nứt gãy hoặc hư hỏng. Tuy nhiên, để đảm bảo an toàn và hiệu suất tối đa, Mecsu khuyến nghị nên thay thế phe gài mới sau mỗi lần tháo ra khỏi trục.
d. Làm sao biết phe gài của tôi là hàng chính hãng MS-PRO?
Bạn nên mua từ nhà phân phối ủy quyền (như Mecsu), kiểm tra bao bì, chất lượng gia công (bề mặt nhẵn, không ba via), và độ đàn hồi của sản phẩm.
e. Khi nào cần thay thế phe gài trục?
Bạn nên thay thế phe gài khi nhận thấy các dấu hiệu sau:
- Biến dạng vật lý: Phe gài bị cong vênh, gãy hoặc biến dạng so với hình dạng ban đầu.
- Độ đàn hồi kém: Khi tháo ra hoặc lắp vào, phe gài không trở lại hình dạng ban đầu.
- Ăn mòn/Gỉ sét: Bề mặt phe gài bị rỉ sét nặng, ăn mòn, làm giảm độ bền và khả năng chịu tải.
- Quá lỏng: Sau khi lắp vào rãnh, phe gài bị lỏng hoặc không ôm khít trục.
Kinh nghiệm từ các kỹ sư Mecsu: Việc kiểm tra định kỳ bằng mắt thường có thể giúp phát hiện sớm các dấu hiệu cần thay thế, tránh gây hư hại nghiêm trọng hơn cho toàn bộ hệ thống. Đừng ngần ngại liên hệ chúng tôi để được hỗ trợ kỹ thuật kịp thời.
f. Mua phe gài trục MS-PRO chính hãng, uy tín ở đâu tại TP.HCM?
Mua phe gài trục MS-PRO chính hãng và đảm bảo chất lượng tại TP.HCM, bạn hãy liên hệ ngay với Mecsu. Chúng tôi tự hào là nhà cung cấp uy tín, chuyên phân phối các sản phẩm MS-PRO chính hãng tại Việt Nam.
- Cam kết chất lượng: 100% sản phẩm có nguồn gốc rõ ràng, đầy đủ chứng từ CO, CQ. Chúng tôi cam kết hoàn tiền 100% hoặc đổi trả nếu sản phẩm không phải chính hãng.
- Giá cả cạnh tranh: Đảm bảo mức giá tốt nhất đi kèm chất lượng, với chính sách chiết khấu hấp dẫn cho đơn hàng số lượng lớn.
- Tư vấn chuyên sâu: Đội ngũ kỹ sư giàu kinh nghiệm sẵn sàng hỗ trợ bạn về kỹ thuật và lựa chọn sản phẩm phù hợp nhất.
- Chính sách hậu mãi: Đảm bảo quyền lợi tối đa cho khách hàng với dịch vụ hỗ trợ nhanh chóng, tận tâm.
12. Liên Hệ và Hỗ Trợ Tư Vấn Mua Phe Gài MS-PRO
Nếu bạn có bất kỳ thắc mắc nào về phe gài trục Inox 420 hoặc cần tư vấn về giải pháp định vị cho ứng dụng cụ thể của mình, đừng ngần ngại liên hệ với đội ngũ chuyên gia của Mecsu. Chúng tôi luôn sẵn lòng hỗ trợ bạn tìm ra sản phẩm phù hợp và tối ưu nhất, đồng thời cung cấp những kiến thức độc quyền về kỹ thuật lắp đặt và bảo trì mà bạn khó tìm thấy ở nơi khác.
Địa chỉ: B28/I – B29/I Đường số 2B, KCN Vĩnh Lộc, P. Bình Hưng Hòa B, Q. Bình Tân, TP.HCM
Hotline: 1800 8137
Email: [email protected]
Website: mecsu.vn
13. Thông Tin Bổ Sung & Kinh Nghiệm Thực Tế Từ Mecsu
a. Kinh Nghiệm Thực Tế & Câu Chuyện Thành Công
Tại Mecsu, chúng tôi tự hào là đối tác tin cậy của nhiều doanh nghiệp trong việc cung cấp các giải pháp linh kiện chất lượng cao. Phe gài trục DIN471 D34x1.5, với đặc tính chịu tải tốt và khả năng chống ăn mòn, đã được ứng dụng trong nhiều dự án quan trọng của khách hàng chúng tôi tại TP. Hồ Chí Minh và các tỉnh lân cận, mang lại hiệu quả vượt trội và là minh chứng cho chất lượng sản phẩm cùng kinh nghiệm thực tế của đội ngũ Mecsu:
a. Kinh Nghiệm Thực Tế & Câu Chuyện Thành Công
Tại Mecsu, chúng tôi tự hào là đối tác tin cậy của nhiều doanh nghiệp trong việc cung cấp các giải pháp linh kiện chất lượng cao. “Phe gài trục Inox 420 DIN471 D34x1.5”, với đặc tính chịu tải tốt và khả năng chống ăn mòn, đã được ứng dụng trong nhiều dự án quan trọng của khách hàng chúng tôi tại “TP. Hồ Chí Minh” và các tỉnh lân cận, mang lại hiệu quả vượt trội và là minh chứng cho chất lượng sản phẩm cùng kinh nghiệm thực tế của đội ngũ Mecsu:
- Ngành sản xuất máy móc thực phẩm: Chúng tôi đã cung cấp “phe gài trục” cho một nhà sản xuất thiết bị chế biến thực phẩm lớn tại Long An. Nhờ khả năng chống ăn mòn của Inox 420, phe gài này đã góp phần đáng kể vào việc đảm bảo vệ sinh an toàn thực phẩm và độ bền của thiết bị.
- Lĩnh vực thiết bị điện, điện tử: Phe gài trục được lựa chọn cho các ứng dụng trong máy móc, thiết bị điện tử cần định vị các chi tiết trên trục. Độ chính xác và đáng tin cậy của sản phẩm đã giúp máy móc hoạt động ổn định trong thời gian dài.
- Thiết bị chế biến gỗ: Một khách hàng chuyên sản xuất máy chế biến gỗ đã ứng dụng “phe gài trục DIN471 D34x1.5” vào các bộ phận trục quay chính. Độ bền và khả năng chịu tải của phe gài đã giúp máy móc hoạt động ổn định và kéo dài tuổi thọ trong môi trường có nhiều bụi bẩn.
b. Trích Dẫn Chuyên Gia
““Phe gài trục Inox 420 DIN471 D34x1.5” là một lựa chọn tuyệt vời cho các ứng dụng công nghiệp cần sự bền bỉ, khả năng chống ăn mòn và độ chính xác. Việc sản xuất theo tiêu chuẩn DIN 471 cùng với vật liệu Inox 420 cao cấp mang lại sự tin cậy tuyệt đối, rất phù hợp cho những hệ thống cần định vị chi tiết một cách chắc chắn và an toàn trong môi trường khắc nghiệt. Đây là giải pháp đáng tin cậy và hiệu quả cho nhiều loại máy móc trong môi trường công nghiệp.”
— “Kỹ sư cơ khí Chuyên gia kỹ thuật Mecsu” (TP. Hồ Chí Minh) – Với hơn 10 năm kinh nghiệm trong lĩnh vực “linh kiện cơ khí”.
c. Tài Liệu Tham Khảo và Nghiên Cứu
Nội dung bài viết này được biên soạn dựa trên các tài liệu kỹ thuật chính thức và đáng tin cậy từ MS-PRO, cùng với kinh nghiệm thực tế chuyên sâu của đội ngũ kỹ sư Mecsu, đảm bảo tính chính xác, cập nhật và chuyên môn cao:
- MS-PRO Product Catalog (Danh mục sản phẩm MS-PRO chính thức) – Nguồn dữ liệu kỹ thuật chi tiết nhất về “phe gài trục”.
- Tài liệu kỹ thuật tiêu chuẩn DIN 471 – Cung cấp cái nhìn toàn diện về các yêu cầu kỹ thuật của phe gài trục.
- Bảng dữ liệu kỹ thuật (Datasheet) chi tiết của Phe Gài Trục DIN471 D34x1.5 – Nguồn thông số kỹ thuật chính xác.
- Trải nghiệm thực tế và phản hồi từ các dự án khách hàng của Mecsu – “Dữ liệu độc nhất” được thu thập từ hơn 10 năm cung cấp “linh kiện cơ khí” và “giải pháp định vị” cho các doanh nghiệp tại Việt Nam.
Biên soạn bởi: Đội ngũ Kỹ sư Mecsu
Với hơn 10 năm kinh nghiệm chuyên sâu trong lĩnh vực phân phối và tư vấn giải pháp linh kiện cơ khí, đội ngũ kỹ sư của Mecsu cam kết mang đến những thông tin chính xác, cập nhật và hữu ích nhất, giúp quý khách hàng đưa ra lựa chọn sản phẩm tối ưu cho mọi ứng dụng.
(Xem thêm thông tin về chúng tôi tại Website Mecsu)
Lưu ý: Hình ảnh sản phẩm có thể khác biệt so với thực tế tùy theo lô sản xuất của MS-PRO. Vui lòng tham khảo thông số kỹ thuật chi tiết hoặc liên hệ Mecsu để có thông tin chính xác nhất về sản phẩm.



















Đánh giá
Chưa có đánh giá nào.