Mô tả sản phẩm
Thông tin CHUYÊN SÂU về Phe Gài Trục Inox 420 DIN471 D35x1.5
Mục Lục
- 1. Phe Gài Trục DIN471 D35x1.5 Là Gì? – Giải Thích Chuyên Sâu
- 2. Thông Số Kỹ Thuật Chi Tiết của Phe Gài Trục Inox 420 D35
- 3. Cấu Tạo Chi Tiết Phe Gài Trục DIN471 D35x1.5
- 4. Phân Tích Chuyên Sâu: Tiêu Chuẩn DIN471 và Vật Liệu Inox 420
- 5. Ưu và Nhược Điểm của Phe Gài Trục Inox 420
- 6. Ứng Dụng Thực Tế của Phe Gài Trục DIN471 D35
- 7. Hướng Dẫn Lắp Đặt và Tháo Gỡ Phe Gài Trục D35
- 8. So Sánh Phe Gài Trục Inox 420 với Phe Gài Lỗ
- 9. Cách Phân Biệt Phe Gài MS-PRO Thật – Giả – Lời Khuyên Từ Chuyên Gia Mecsu
- 10. Giá Bán & Gợi Ý Mua Phe Gài Trục Chính Hãng Tại TP.HCM
- 11. FAQ về Phe Gài Trục D35
- 12. Liên Hệ và Hỗ Trợ Tư Vấn Mua Phe Gài MS-PRO
- 13. Thông Tin Bổ Sung & Kinh Nghiệm Thực Tế Từ Mecsu
1. Phe Gài Trục DIN471 D35x1.5 Là Gì? – Giải Thích Chuyên Sâu
Phe gài trục Inox 420 DIN471 D35x1.5 là một loại vòng hãm được thiết kế để định vị các chi tiết trên một trục quay. Mã “D35x1.5” là ký hiệu kích thước tiêu chuẩn, với đường kính sử dụng cho trục (D) là 35mm và độ dày (T) 1.5mm. Đây là một bộ phận quan trọng trong nhiều cơ cấu máy, có chức năng ngăn chặn các chi tiết như vòng bi, bánh răng, hoặc puli di chuyển dọc theo trục.
Phe gài trục DIN471 được sản xuất theo tiêu chuẩn Đức, đảm bảo độ chính xác và khả năng chịu tải tốt. Với vật liệu Inox 420, sản phẩm mang lại khả năng chống gỉ sét và độ bền cơ học vượt trội, thích hợp cho các ứng dụng trong môi trường ẩm ướt hoặc yêu cầu vệ sinh cao.
2. Thông Số Kỹ Thuật Chi Tiết của Phe Gài Trục Inox 420 D35
d: Đường kính trong
D: Dùng cho trục
B: Bề rộng rãnh
T: Độ dày
C: Đường kính rãnh sử dụng
| Thông số | Giá trị |
|---|---|
| Mã sản phẩm | DIN471 D35x1.5 |
| Loại phe gài | Phe Gài Trục (External Circlip) |
| Dùng cho trục (D) | 35 mm |
| Đường kính rãnh sử dụng | 33 mm |
| Bề rộng rãnh sử dụng | 1.6 mm |
| Độ dày (T) | 1.5 mm |
| Đường kính trong (d) | 32.2 mm |
| Vật liệu | Inox 420 |
| Tiêu chuẩn | DIN 471 |
| Thương hiệu | MS-PRO |
| Đóng gói | 5 cái / bịch |
| Trọng lượng tinh của sản phẩm | 0.01 kg (ước tính) |
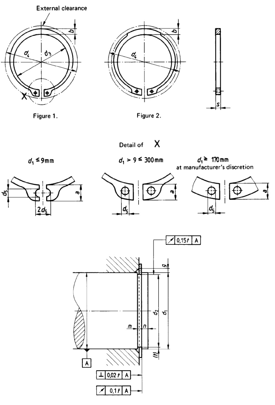
3. Cấu Tạo Chi Tiết Phe Gài Trục DIN471 D35x1.5
Phe gài trục DIN471 D35x1.5 có cấu tạo đơn giản nhưng hiệu quả, bao gồm các bộ phận chính:
Sơ đồ cấu tạo Phe Gài Trục DIN471 D35x1.5:
- Thân phe: Là vòng thép hình tròn khuyết, được chế tạo từ Inox 420. Phần khuyết được thiết kế để có độ đàn hồi tốt, giúp phe có thể co lại khi lắp và giãn ra khi gài vào rãnh.
- Đầu phe: Hai đầu của phe được gia công với các lỗ nhỏ, dùng để kẹp và thao tác bằng kìm phe chuyên dụng.
- Rãnh gài: Phe gài này được lắp vào rãnh được tiện trên trục, đảm bảo độ ăn khớp và khả năng định vị chính xác.
4. Phân Tích Chuyên Sâu: Tiêu Chuẩn DIN471 và Vật Liệu Inox 420
Để thực sự hiểu giá trị của phe gài trục DIN471 D35x1.5, việc phân tích sâu hơn về hai yếu tố then chốt: “tiêu chuẩn DIN471” và “vật liệu Inox 420” là rất quan trọng.
Tiêu chuẩn “DIN471” – Tiêu chuẩn Đức về Phe Gài Trục:
- Chức năng chính: Đảm bảo các thông số kỹ thuật như kích thước, dung sai, và độ đàn hồi của phe gài đáp ứng yêu cầu chất lượng cao.
- Đặc điểm nổi bật: Là tiêu chuẩn phổ biến và được công nhận rộng rãi, DIN471 quy định chi tiết về phe gài trục, từ kích thước đường kính trục đến độ dày và đường kính rãnh sử dụng.
- Ưu điểm vượt trội: Nhờ tuân thủ tiêu chuẩn này, phe gài DIN471 đảm bảo khả năng lắp lẫn và hiệu suất định vị ổn định, mang lại sự tin cậy cho các ứng dụng cơ khí.
Vật liệu “Inox 420” – Thép không gỉ có độ cứng cao:
- Ý nghĩa: Inox 420 là loại thép không gỉ martensitic, có hàm lượng carbon cao hơn các loại Inox thông thường, cho phép nó đạt được độ cứng rất cao sau khi xử lý nhiệt.
- Tầm quan trọng: Độ cứng cao là yếu tố then chốt đối với phe gài. Nó giúp phe gài có độ đàn hồi tốt, không bị biến dạng dưới tác động của lực, đảm bảo khả năng giữ và định vị chi tiết hiệu quả.
- Lựa chọn phù hợp: Inox 420 cung cấp khả năng chống ăn mòn vừa phải trong môi trường thông thường, đồng thời có độ bền và độ cứng vượt trội, làm cho nó trở thành vật liệu lý tưởng cho các chi tiết chịu lực như phe gài.
Sự kết hợp giữa tiêu chuẩn “DIN471” và vật liệu “Inox 420” giúp phe gài trục này trở thành một giải pháp định vị chắc chắn, bền bỉ và đáng tin cậy cho nhiều ứng dụng công nghiệp.
5. Ưu và Nhược Điểm của Phe Gài Trục Inox 420
Phe gài trục Inox 420 DIN471 D35x1.5 được tin dùng rộng rãi nhờ hiệu suất và độ bền vượt trội. Tuy nhiên, việc lựa chọn tối ưu đòi hỏi phải hiểu rõ cả ưu điểm lẫn nhược điểm của nó.
Ưu điểm nổi bật:
- Vật liệu Inox 420: Cung cấp khả năng chống ăn mòn tốt và độ cứng cao, giúp phe gài bền bỉ và không bị biến dạng dưới tải trọng.
- Tuân thủ tiêu chuẩn DIN471: Đảm bảo độ chính xác về kích thước và khả năng lắp lẫn với các chi tiết khác, mang lại sự ổn định và an toàn cho cơ cấu máy.
- Dễ dàng lắp đặt và tháo gỡ: Với hai lỗ nhỏ ở đầu, việc lắp và tháo phe gài trở nên đơn giản và nhanh chóng bằng kìm phe chuyên dụng.
- Giá cả hợp lý: Mặc dù là sản phẩm chất lượng cao, phe gài này có mức giá cạnh tranh, mang lại hiệu quả kinh tế cao.
- Độ tin cậy cao từ thương hiệu MS-PRO: MS-PRO là thương hiệu uy tín trong lĩnh vực linh kiện cơ khí, đảm bảo chất lượng và độ tin cậy vượt trội cho sản phẩm.
Nhược điểm cần lưu ý:
- Khả năng chống ăn mòn hạn chế: Mặc dù là Inox, loại 420 không chống ăn mòn hiệu quả bằng các loại Inox cao cấp hơn như 304 hoặc 316, đặc biệt trong môi trường hóa chất mạnh.
- Yêu cầu kìm chuyên dụng: Để lắp đặt và tháo gỡ đúng cách, cần có kìm phe chuyên dụng, gây thêm chi phí ban đầu cho người dùng.
- Đóng gói số lượng nhỏ: Đóng gói 5 cái/bịch có thể không phù hợp với các ứng dụng sản xuất quy mô lớn, cần số lượng lớn hơn.
6. Ứng Dụng Thực Tế của Phe Gài Trục DIN471 D35
Với kích thước tiêu chuẩn, khả năng định vị chắc chắn và đặc tính chống ăn mòn, phe gài trục DIN471 D35x1.5 được ứng dụng rộng rãi trong nhiều lĩnh vực công nghiệp và dân dụng tại TP. Hồ Chí Minh và các khu công nghiệp lân cận:
- Động cơ điện, hộp số: Dùng để hãm vòng bi, bánh răng, ngăn không cho chúng dịch chuyển dọc trục.
- Máy bơm công nghiệp: Đảm bảo các chi tiết trục bơm được cố định, tránh sai lệch trong quá trình hoạt động.
- Máy công cụ, thiết bị gia công: Định vị các chi tiết trên trục chính, đảm bảo độ chính xác và an toàn.
- Thiết bị truyền động: Cố định các puli, khớp nối trên trục truyền động.
- Ứng dụng trong ngành nông nghiệp và xây dựng: Phù hợp cho các thiết bị cần độ bền và khả năng chống gỉ sét cơ bản.
- Các thiết bị máy móc khác: Sử dụng trong các cơ cấu máy cần định vị chi tiết trên trục với độ chính xác cao.
7. Hướng Dẫn Lắp Đặt và Tháo Gỡ Phe Gài Trục D35
Để đảm bảo tuổi thọ và hiệu suất tối ưu cho phe gài trục D35, việc lắp đặt và tháo gỡ đúng cách là vô cùng quan trọng. Luôn tuân thủ các nguyên tắc an toàn và kỹ thuật của nhà sản xuất. Mecsu cung cấp hướng dẫn chi tiết dựa trên kinh nghiệm thực tế:
- Chuẩn bị: Đảm bảo môi trường làm việc sạch sẽ, khô ráo. Chuẩn bị đầy đủ dụng cụ chuyên dụng như kìm phe gài trục (loại mở). Luôn đeo găng tay bảo hộ và kính bảo hộ để đảm bảo an toàn. Kiểm tra rãnh trên trục phải sạch sẽ, không có ba via, rỉ sét và đảm bảo đúng dung sai.
- Lắp đặt:
- Phương pháp cơ khí: Sử dụng kìm phe chuyên dụng, kẹp vào hai lỗ trên phe. Bóp kìm để phe co lại, sau đó đưa phe vào rãnh trên trục. Khi phe đã vào rãnh, từ từ nhả kìm. Kiểm tra lại bằng cách dùng tay xoay thử để đảm bảo phe đã gài chặt vào rãnh. Lưu ý: Tuyệt đối không dùng búa đập hoặc các dụng cụ không chuyên dụng vì có thể làm biến dạng hoặc hỏng phe gài.
- Tháo gỡ:
- Sử dụng kìm phe gài trục chuyên dụng, kẹp vào hai lỗ trên phe. Bóp kìm để phe co lại, sau đó nhẹ nhàng nhấc phe ra khỏi rãnh.
- Tránh dùng tua vít hoặc các vật nhọn để cậy phe gài, vì điều này có thể làm hỏng phe, gây nguy hiểm cho người thao tác và làm hỏng rãnh trên trục.
- Bảo quản: Nếu không sử dụng ngay, hãy giữ phe gài trong bao bì gốc của nhà sản xuất, ở nơi khô ráo, thoáng mát, tránh ánh nắng trực tiếp và các hóa chất ăn mòn để ngăn ngừa rỉ sét.
8. So Sánh Phe Gài Trục Inox 420 với Phe Gài Lỗ
Việc hiểu rõ sự khác biệt giữa các loại phe gài sẽ giúp bạn lựa chọn sản phẩm phù hợp nhất cho ứng dụng của mình, tối ưu hóa hiệu suất và chi phí đầu tư:
| Tiêu chí | Phe Gài Trục (DIN471) | Phe Gài Lỗ (DIN472) |
|---|---|---|
| Ứng dụng | Dùng để hãm chi tiết trên trục (bên ngoài) | Dùng để hãm chi tiết bên trong lỗ (bên trong) |
| Vị trí lắp đặt | Lắp vào rãnh trên trục | Lắp vào rãnh trong lỗ |
| Cách thao tác | Sử dụng kìm phe loại mở, bóp vào để phe co lại | Sử dụng kìm phe loại đóng, bóp vào để phe giãn ra |
| Hướng chịu lực | Chịu lực từ ngoài vào trong | Chịu lực từ trong ra ngoài |
| Độ đàn hồi | Co lại khi bị bóp | Giãn ra khi bị bóp |
| Tiêu chuẩn | DIN 471 | DIN 472 |
| Ứng dụng điển hình | Hãm bánh răng, vòng bi trên trục | Hãm vòng bi trong gối đỡ |
9. Cách Phân Biệt Phe Gài MS-PRO Thật – Giả – Lời Khuyên Từ Chuyên Gia Mecsu
Thị trường hiện nay có rất nhiều hàng giả, hàng nhái kém chất lượng, đặc biệt là với các sản phẩm linh kiện cơ khí được ưa chuộng. Để đảm bảo bạn mua được phe gài MS-PRO chính hãng tại TP.HCM, Mecsu khuyến nghị kiểm tra các dấu hiệu sau:
a. Dấu hiệu của phe gài MS-PRO chính hãng:
- Bao bì chất lượng cao: Sắc nét, in ấn rõ ràng, thông tin sản phẩm đầy đủ mã số, kích thước và thông tin nhà sản xuất.
- Sản phẩm hoàn thiện: Bề mặt nhẵn mịn, không có ba via, không có dấu hiệu bị rỉ sét. Các lỗ kẹp kìm được gia công chính xác, không bị méo.
- Độ đàn hồi tốt: Khi dùng kìm phe chuyên dụng để thao tác, phe gài có độ đàn hồi tốt, không bị biến dạng hoặc gãy.
- Chứng từ đầy đủ: Nhà cung cấp uy tín sẽ cung cấp đầy đủ chứng từ xuất xứ và chất lượng, đảm bảo nguồn gốc sản phẩm.
b. Dấu hiệu của phe gài MS-PRO hàng giả/nhái:
- Bao bì thô, in ấn mờ nhạt, thiếu thông tin quan trọng hoặc có dấu hiệu làm lại.
- Sản phẩm có ba via, bề mặt thô ráp, có thể có dấu hiệu rỉ sét do vật liệu kém chất lượng.
- Khi thao tác, phe gài có thể quá cứng hoặc quá mềm, dễ bị biến dạng vĩnh viễn hoặc gãy.
- Giá bán rẻ bất thường so với mức giá thị trường của sản phẩm chính hãng – đây là dấu hiệu cảnh báo lớn nhất.
10. Giá Bán & Gợi Ý Mua Phe Gài Trục Chính Hãng Tại TP.HCM
a. Giá phe gài trục DIN471 D35x1.5 (TP.Hồ Chí Minh) tại Mecsu: Giá: 26,788 đ / Bịch (đã có VAT) – Giá hợp lý, phù hợp với chất lượng sản phẩm chính hãng
Liên hệ để nhận báo giá tốt nhất (giá có thể thay đổi tùy thời điểm và số lượng) – mức giá hợp lý, phù hợp với chất lượng sản phẩm chính hãng MS-PRO tại thị trường linh kiện cơ khí TP.HCM.
b. Gợi ý mua phe gài chính hãng MS-PRO uy tín
- Chọn nhà cung cấp uy tín tại TP.HCM: Ưu tiên đối tác có chứng nhận hoặc đơn vị lâu năm, được nhiều khách hàng tin tưởng và có danh tiếng trên thị trường cung cấp linh kiện cơ khí tại TP.HCM.
- Kiểm tra chứng từ đầy đủ: Luôn yêu cầu đầy đủ chứng từ để đảm bảo nguồn gốc và chất lượng sản phẩm.
- Mua tại Mecsu – Đại lý ủy quyền MS-PRO tại Việt Nam: Mecsu tự hào là nhà phân phối chính hãng MS-PRO tại Việt Nam, cam kết cung cấp phe gài trục chính hãng và các loại linh kiện cơ khí khác với nhiều lợi ích vượt trội:
- 100% sản phẩm chính hãng: Đảm bảo nguồn gốc rõ ràng, đầy đủ chứng từ. Chúng tôi cam kết hoàn tiền 100% hoặc đổi trả nếu sản phẩm không phải chính hãng.
- Chính sách bảo hành minh bạch: Hỗ trợ đổi trả nếu có lỗi từ nhà sản xuất, mang lại sự an tâm tuyệt đối cho khách hàng.
- Hỗ trợ kỹ thuật chuyên sâu: Đội ngũ kỹ sư giàu kinh nghiệm sẵn sàng hỗ trợ bạn về kỹ thuật và lựa chọn sản phẩm phù hợp nhất cho mọi ứng dụng.
- Giá cả cạnh tranh: Đảm bảo mức giá tốt nhất đi kèm chất lượng, với chính sách chiết khấu hấp dẫn cho đơn hàng số lượng lớn, đặc biệt khi mua linh kiện cơ khí số lượng lớn.
MUA THÊM NHIỀU LOẠI PHE GÀI CHÍNH HÃNG KHÁC TẠI MECSU
11. FAQ về Phe Gài Trục D35
a. Phe gài trục Inox 420 có cần bảo dưỡng không?
Phe gài trục Inox 420 không yêu cầu bảo dưỡng định kỳ. Tuy nhiên, bạn nên kiểm tra định kỳ để đảm bảo phe gài vẫn còn nằm chặt trong rãnh và không bị biến dạng.
b. Phe gài trục Inox 420 DIN471 có dùng được cho mọi loại trục không?
Phe gài trục này chỉ dùng cho các trục có đường kính ngoài 35mm và có rãnh tiện phù hợp với thông số kỹ thuật của phe. Bạn cần kiểm tra kỹ đường kính trục và kích thước rãnh trước khi lắp đặt.
c. Ký hiệu DIN471 có ý nghĩa gì?
DIN471 là tiêu chuẩn của Đức quy định về kích thước và đặc tính của phe gài trục. Tiêu chuẩn này đảm bảo tính tương thích và độ chính xác của sản phẩm.
d. Làm sao biết phe gài D35 của tôi là hàng chính hãng MS-PRO?
Bạn nên mua từ nhà phân phối uy tín (như Mecsu), kiểm tra bao bì và chất lượng hoàn thiện của sản phẩm. Phe gài chính hãng sẽ có bề mặt nhẵn, không ba via và độ đàn hồi tốt.
e. Khi nào cần thay thế phe gài trục?
Bạn nên thay thế phe gài khi nhận thấy các dấu hiệu sau:
- Biến dạng vật lý: Phe bị cong, méo hoặc không trở lại hình dạng ban đầu sau khi tháo.
- Lỏng lẻo: Phe không còn nằm chặt trong rãnh hoặc các chi tiết trên trục bị dịch chuyển.
- Hư hại rõ rệt: Phe bị nứt, gãy hoặc ăn mòn nghiêm trọng.
Kinh nghiệm từ các kỹ sư Mecsu: Việc kiểm tra định kỳ bằng mắt thường có thể giúp phát hiện sớm các dấu hiệu cần thay thế, tránh gây hư hại nghiêm trọng hơn cho toàn bộ hệ thống. Đừng ngần ngại liên hệ chúng tôi để được hỗ trợ kỹ thuật về lắp đặt phe gài hoặc thay thế linh kiện kịp thời.
f. Mua phe gài trục D35 chính hãng, uy tín ở đâu tại TP.HCM?
Mua phe gài trục Inox 420 D35 chính hãng và đảm bảo chất lượng tại TP.HCM, bạn hãy liên hệ ngay với Mecsu. Chúng tôi tự hào là nhà cung cấp uy tín, chuyên phân phối các sản phẩm MS-PRO chính hãng tại Việt Nam.
- Cam kết chất lượng: 100% sản phẩm có nguồn gốc rõ ràng. Chúng tôi cam kết hoàn tiền 100% hoặc đổi trả nếu sản phẩm không phải chính hãng.
- Giá cả cạnh tranh: Đảm bảo mức giá tốt nhất đi kèm chất lượng, với chính sách chiết khấu hấp dẫn cho đơn hàng số lượng lớn.
- Tư vấn chuyên sâu: Đội ngũ kỹ sư giàu kinh nghiệm sẵn sàng hỗ trợ bạn về kỹ thuật và lựa chọn sản phẩm phù hợp nhất.
- Chính sách hậu mãi: Đảm bảo quyền lợi tối đa cho khách hàng với dịch vụ hỗ trợ nhanh chóng, tận tâm.
12. Liên Hệ và Hỗ Trợ Tư Vấn Mua Phe Gài MS-PRO
Nếu bạn có bất kỳ thắc mắc nào về phe gài trục DIN471 D35x1.5 hoặc cần tư vấn về giải pháp linh kiện cho ứng dụng cụ thể của mình, đừng ngần ngại liên hệ với đội ngũ chuyên gia của Mecsu. Chúng tôi luôn sẵn lòng hỗ trợ bạn tìm ra sản phẩm phù hợp và tối ưu nhất, đồng thời cung cấp những kiến thức độc quyền về kỹ thuật lắp đặt linh kiện cơ khí mà bạn khó tìm thấy ở nơi khác.
Địa chỉ: B28/I – B29/I Đường số 2B, KCN Vĩnh Lộc, P. Bình Hưng Hòa B, Q. Bình Tân, TP.HCM
Hotline: 1800 8137
Email: [email protected]
Website: mecsu.vn
13. Thông Tin Bổ Sung & Kinh Nghiệm Thực Tế Từ Mecsu
a. Kinh Nghiệm Thực Tế & Câu Chuyện Thành Công
Tại Mecsu, chúng tôi tự hào là đối tác tin cậy của nhiều doanh nghiệp trong việc cung cấp các giải pháp linh kiện cơ khí chất lượng cao. Phe gài trục Inox 420 DIN471 D35x1.5, với đặc tính chịu tải tốt và khả năng chống gỉ, đã được ứng dụng trong nhiều dự án quan trọng của khách hàng chúng tôi tại TP. Hồ Chí Minh và các tỉnh lân cận, mang lại hiệu quả vượt trội và là minh chứng cho chất lượng sản phẩm cùng kinh nghiệm thực tế của đội ngũ Mecsu:
- Ngành sản xuất máy móc chế biến thực phẩm: Chúng tôi đã cung cấp phe gài Inox 420 cho một nhà máy chế biến thực phẩm. Nhờ khả năng chống gỉ và độ bền cao, sản phẩm này đã giúp cố định các bộ phận trên trục trong môi trường ẩm ướt, đảm bảo vệ sinh an toàn thực phẩm và giảm thiểu chi phí bảo trì.
- Lĩnh vực máy bơm công nghiệp: Phe gài trục D35 được lựa chọn cho các ứng dụng máy bơm cần chịu lực và định vị chính xác. Độ tin cậy vượt trội của phe gài MS-PRO chính hãng đã giúp máy bơm hoạt động ổn định trong thời gian dài.
- Thiết bị chế tạo máy: Một khách hàng chuyên sản xuất máy công cụ đã ứng dụng phe gài trục D35 vào các bộ phận trục chính. Khả năng định vị chắc chắn và độ bền của phe gài đã giúp máy móc hoạt động ổn định và kéo dài tuổi thọ.
b. Trích Dẫn Chuyên Gia
“Phe gài trục DIN471 D35x1.5 là một lựa chọn tuyệt vời cho các ứng dụng công nghiệp cần sự cân bằng hoàn hảo giữa khả năng chịu lực, độ bền và khả năng chống ăn mòn. Vật liệu Inox 420 mang lại lợi thế về độ cứng, rất phù hợp cho những hệ thống mà độ chắc chắn là yếu tố then chốt. Đây là giải pháp đáng tin cậy và hiệu quả cho nhiều loại máy móc trong môi trường công nghiệp.”
— Kỹ sư cơ khí Chuyên gia kỹ thuật Mecsu (TP. Hồ Chí Minh) – Với hơn 10 năm kinh nghiệm trong lĩnh vực linh kiện cơ khí công nghiệp.
c. Tài Liệu Tham Khảo và Nghiên Cứu
Nội dung bài viết này được biên soạn dựa trên các tài liệu kỹ thuật chính thức và đáng tin cậy từ MS-PRO, cùng với kinh nghiệm thực tế chuyên sâu của đội ngũ kỹ sư Mecsu, đảm bảo tính chính xác, cập nhật và chuyên môn cao:
- MS-PRO Product Catalog (Danh mục sản phẩm MS-PRO chính thức) – Nguồn dữ liệu kỹ thuật chi tiết nhất về linh kiện cơ khí MS-PRO.
- Tài liệu tiêu chuẩn kỹ thuật DIN 471 – Cung cấp cái nhìn toàn diện về tiêu chuẩn này.
- Bảng dữ liệu kỹ thuật (Datasheet) chi tiết của Phe Gài Trục MS-PRO – Nguồn thông số kỹ thuật chính xác.
- Trải nghiệm thực tế và phản hồi từ các dự án khách hàng của Mecsu – Dữ liệu độc nhất được thu thập từ hơn 10 năm cung cấp linh kiện cơ khí và giải pháp kỹ thuật cho các doanh nghiệp tại Việt Nam.
Biên soạn bởi: Đội ngũ Kỹ sư Mecsu
Với hơn 10 năm kinh nghiệm chuyên sâu trong lĩnh vực phân phối và tư vấn giải pháp linh kiện cơ khí, đội ngũ kỹ sư của Mecsu cam kết mang đến những thông tin chính xác, cập nhật và hữu ích nhất, giúp quý khách hàng đưa ra lựa chọn sản phẩm tối ưu cho mọi ứng dụng.
(Xem thêm thông tin về chúng tôi tại Website Mecsu)
Lưu ý: Hình ảnh sản phẩm có thể khác biệt so với thực tế tùy theo lô sản xuất của MS-PRO. Vui lòng tham khảo thông số kỹ thuật chi tiết hoặc liên hệ Mecsu để có thông tin chính xác nhất về sản phẩm.



















Đánh giá
Chưa có đánh giá nào.