Mô tả sản phẩm
Thông tin CHUYÊN SÂU về Phe Gài Trục Inox 420 D37x1.75
Mục Lục
- 1. Phe Gài Trục Inox 420 D37x1.75 Là Gì? – Giải Thích Chuyên Sâu
- 2. Thông Số Kỹ Thuật Chi Tiết của Phe Gài Trục Inox 420 D37x1.75
- 3. Cấu Tạo Chi Tiết Phe Gài Trục Inox 420 D37x1.75
- 4. Phân Tích Chuyên Sâu: Vật Liệu Inox 420 và Tiêu Chuẩn DIN 471
- 5. Ưu và Nhược Điểm của Phe Gài Trục Inox 420 D37x1.75
- 6. Ứng Dụng Thực Tế của Phe Gài Trục Inox 420 D37x1.75
- 7. Hướng Dẫn Lắp Đặt và Tháo Gỡ Phe Gài Trục Inox 420 D37x1.75
- 8. So Sánh Phe Gài Trục Inox 420 D37 với Phe Gài Lỗ và các vật liệu khác
- 9. Cách Phân Biệt Phe Gài MS-PRO Thật – Giả – Lời Khuyên Từ Chuyên Gia Mecsu
- 10. Giá Bán & Gợi Ý Mua Phe Gài Trục Inox 420 Chính Hãng Tại TP.HCM
- 11. FAQ về Phe Gài Trục Inox 420 D37x1.75
- 12. Liên Hệ và Hỗ Trợ Tư Vấn Mua Phe Gài
- 13. Thông Tin Bổ Sung & Kinh Nghiệm Thực Tế Từ Mecsu
1. Phe Gài Trục Inox 420 D37x1.75 Là Gì? – Giải Thích Chuyên Sâu
Phe gài trục Inox 420 D37x1.75 là một loại vòng hãm được thiết kế đặc biệt để lắp vào rãnh trên trục, ngăn không cho các chi tiết khác như vòng bi, bánh răng, puly, … bị trượt ra ngoài. Mã “D37” cho biết phe gài này được sử dụng cho trục có đường kính 37mm, trong khi “1.75” là độ dày của phe. Vật liệu Inox 420 mang lại khả năng chống ăn mòn và độ cứng cao, phù hợp cho nhiều môi trường làm việc.
Phe gài trục, còn được gọi là vòng chặn, vòng hãm, hoặc seeger, có hình dạng đặc trưng với hai lỗ nhỏ ở hai đầu để dễ dàng sử dụng kìm phe gài để lắp đặt hoặc tháo rời. Thiết kế này đảm bảo các bộ phận trên trục được định vị chắc chắn, tránh gây hư hỏng hoặc mất mát chi tiết trong quá trình vận hành.
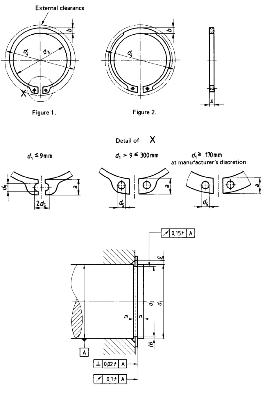
2. Thông Số Kỹ Thuật Chi Tiết của Phe Gài Trục Inox 420 D37x1.75
d1: Đường kính trong
d2: Đường kính trục sử dụng
d3: Đường kính rãnh sử dụng
s: Độ dày
b: Bề rộng rãnh sử dụng
| Thông số | Giá trị |
|---|---|
| Mã sản phẩm | D37x1.75 |
| Loại | Phe Gài Trục (Vòng Hãm Trục) |
| Dùng cho trục | 37 mm |
| Đường kính trong | 34.2 mm |
| Đường kính rãnh sử dụng | 35 mm |
| Độ dày | 1.75 mm |
| Bề rộng rãnh sử dụng | 1.85 mm |
| Vật liệu | Inox 420 |
| Tiêu chuẩn | DIN 471 |
| Thương hiệu | MS-PRO |
| Số lượng | 5 Cái/Bịch |
| Trọng lượng tinh của sản phẩm | ~0.012 kg/Bịch |
| Mã eClass | 23-05-08-01 |
| Mã UNSPSC | 31171504 |
3. Cấu Tạo Chi Tiết Phe Gài Trục Inox 420 D37x1.75
Phe gài trục Inox 420 D37x1.75 có cấu tạo đơn giản nhưng hiệu quả, bao gồm các bộ phận chính:
Sơ đồ cấu tạo Phe Gài Trục Inox 420 D37x1.75:
- Thân phe: Là vòng tròn hở, được cắt và uốn từ tấm Inox 420, có chức năng chính là ôm chặt lấy rãnh trên trục. Thiết kế vát mép giúp việc lắp đặt và tháo gỡ dễ dàng hơn.
- Hai lỗ đầu: Nằm ở hai đầu của vòng tròn, đây là điểm để kìm phe gài tác dụng lực, giúp mở rộng hoặc nén phe lại để lắp vào hoặc tháo ra khỏi trục.
- Khe hở: Khoảng cách giữa hai đầu của phe, cho phép phe có độ đàn hồi để ôm chặt trục khi lắp vào rãnh.
4. Phân Tích Chuyên Sâu: Vật Liệu Inox 420 và Tiêu Chuẩn DIN 471
Để thực sự hiểu giá trị của phe gài trục Inox 420 D37x1.75, việc phân tích sâu hơn về hai yếu tố then chốt: “vật liệu Inox 420” và “tiêu chuẩn DIN 471” là rất quan trọng.
Vật liệu Inox 420 – Chống ăn mòn và độ cứng cao:
- Thành phần chính: Inox 420 là một loại thép không gỉ mactensit, có hàm lượng carbon cao hơn so với các loại inox thông thường như 304 hay 316, mang lại khả năng xử lý nhiệt để đạt được độ cứng cao.
- Đặc điểm nổi bật: Sau khi nhiệt luyện, Inox 420 có độ cứng và khả năng chống mài mòn vượt trội. Điều này làm cho nó lý tưởng cho các ứng dụng cần chịu lực cắt, ma sát và va đập.
- Ưu điểm vượt trội: Phe gài làm từ Inox 420 có khả năng chịu tải trọng cắt tốt, chống mài mòn hiệu quả. Mặc dù khả năng chống ăn mòn không bằng Inox 304 hoặc 316, nhưng nó vẫn đủ tốt cho nhiều môi trường công nghiệp, đặc biệt là nơi có độ ẩm vừa phải và không tiếp xúc với hóa chất mạnh.
Tiêu chuẩn DIN 471 – Đảm bảo kích thước và chất lượng:
- Ý nghĩa: “DIN 471” là một tiêu chuẩn kỹ thuật của Đức, quy định chi tiết về kích thước, dung sai và yêu cầu kỹ thuật của phe gài trục (vòng hãm ngoài).
- Tầm quan trọng: Khi một sản phẩm được sản xuất theo tiêu chuẩn DIN 471, điều này đảm bảo rằng các kích thước quan trọng như đường kính trục, đường kính rãnh, độ dày và bề rộng rãnh đều tuân thủ một quy cách chung toàn cầu. Nhờ vậy, phe gài có thể lắp lẫn với các chi tiết khác được sản xuất theo cùng tiêu chuẩn.
- Lợi ích: Việc tuân thủ tiêu chuẩn DIN 471 giúp người dùng dễ dàng lựa chọn sản phẩm phù hợp, đảm bảo độ chính xác khi lắp ráp và hiệu suất hoạt động ổn định. Nó cũng là một minh chứng cho chất lượng và sự chuyên nghiệp của nhà sản xuất.
Sự kết hợp giữa vật liệu Inox 420 và tiêu chuẩn DIN 471 giúp phe gài trục D37x1.75 trở thành một giải pháp đáng tin cậy, bền bỉ và chính xác cho nhiều ứng dụng cơ khí.
5. Ưu và Nhược Điểm của Phe Gài Trục Inox 420 D37x1.75
Phe gài trục Inox 420 D37x1.75 được tin dùng nhờ hiệu suất và độ bền vượt trội. Tuy nhiên, việc lựa chọn tối ưu đòi hỏi phải hiểu rõ cả ưu điểm lẫn nhược điểm của nó.
Ưu điểm nổi bật:
- Độ cứng và khả năng chống mài mòn cao: Vật liệu Inox 420 sau nhiệt luyện có độ cứng cao, giúp phe gài chịu được tải trọng cắt lớn và chống mài mòn hiệu quả, kéo dài tuổi thọ sản phẩm.
- Khả năng chống ăn mòn: Mặc dù không bằng Inox 304, Inox 420 vẫn có khả năng chống ăn mòn tốt trong nhiều môi trường công nghiệp, đặc biệt là nơi không tiếp xúc với hóa chất mạnh.
- Tiêu chuẩn hóa cao: Sản xuất theo tiêu chuẩn DIN 471 đảm bảo kích thước chính xác, dễ dàng thay thế và lắp đặt, phù hợp với các thiết kế máy móc tiêu chuẩn.
- Dễ dàng lắp đặt và tháo gỡ: Thiết kế hai lỗ đầu giúp việc sử dụng kìm phe gài trở nên nhanh chóng và an toàn, tiết kiệm thời gian bảo trì.
- Độ tin cậy cao từ thương hiệu MS-PRO: MS-PRO là thương hiệu uy tín, đảm bảo chất lượng và độ tin cậy vượt trội cho sản phẩm này.
- Giá cả hợp lý: Mặc dù là sản phẩm chất lượng cao, phe gài MS-PRO có mức giá cạnh tranh, phù hợp với chi phí đầu tư.
Nhược điểm cần lưu ý:
- Khả năng chống ăn mòn hạn chế: So với các loại Inox 304 hoặc 316, Inox 420 kém hơn trong môi trường có hóa chất, nước mặn hoặc axit mạnh.
- Độ đàn hồi: Mặc dù có độ cứng cao, độ đàn hồi của phe gài có thể giảm sau nhiều lần tháo lắp, cần thay thế định kỳ để đảm bảo hiệu suất.
- Yêu cầu kìm chuyên dụng: Việc tháo lắp cần kìm phe gài phù hợp, không thể dùng dụng cụ thông thường.
6. Ứng Dụng Thực Tế của Phe Gài Trục Inox 420 D37x1.75
Với kích thước tiêu chuẩn và đặc tính bền bỉ, phe gài trục Inox 420 D37x1.75 được ứng dụng rộng rãi trong nhiều lĩnh vực công nghiệp và dân dụng tại TP. Hồ Chí Minh và các khu công nghiệp lân cận:
- Ngành sản xuất máy móc: Dùng để định vị các chi tiết như vòng bi, bánh răng, puly trên trục của máy công cụ, máy gia công gỗ, máy bơm.
- Thiết bị truyền động: Giữ chặt các chi tiết trong hộp số, các bộ phận truyền động cơ khí.
- Công nghiệp ô tô, xe máy: Dùng trong các bộ phận trục, hệ thống treo và các chi tiết định vị khác.
- Thiết bị nông nghiệp và xây dựng: Ứng dụng trong các máy móc nhỏ, thiết bị cần độ bền và khả năng chống mài mòn cơ bản.
- Linh kiện điện tử, thiết bị tự động hóa: Dùng trong các cơ cấu trục quay nhỏ, cần độ chính xác cao.
7. Hướng Dẫn Lắp Đặt và Tháo Gỡ Phe Gài Trục Inox 420 D37x1.75
Để đảm bảo tuổi thọ và hiệu suất tối ưu cho phe gài trục Inox 420 D37x1.75, việc lắp đặt và tháo gỡ đúng cách là vô cùng quan trọng. Luôn tuân thủ các nguyên tắc an toàn và kỹ thuật của nhà sản xuất. Mecsu cung cấp hướng dẫn chi tiết dựa trên kinh nghiệm thực tế:
- Chuẩn bị: Đảm bảo môi trường làm việc sạch sẽ, khô ráo. Chuẩn bị đầy đủ dụng cụ chuyên dụng là kìm phe gài trục phù hợp với kích thước D37. Luôn đeo găng tay bảo hộ và kính bảo hộ để đảm bảo an toàn. Kiểm tra trục và rãnh phải sạch sẽ, không có ba via, rỉ sét và đảm bảo đúng dung sai.
- Lắp đặt:
- Sử dụng kìm phe gài chuyên dụng, luồn hai đầu kìm vào hai lỗ trên phe gài.
- Bóp kìm để nén phe gài lại, làm cho đường kính ngoài của phe nhỏ hơn đường kính trục.
- Trượt phe gài vào trục cho đến khi nó nằm gọn trong rãnh. Nhả kìm để phe bung ra và ôm chặt vào rãnh. Kiểm tra đảm bảo phe đã nằm chắc chắn trong rãnh.
- Tháo gỡ:
- Sử dụng kìm phe gài, luồn hai đầu kìm vào hai lỗ trên phe gài.
- Bóp kìm để nén phe gài lại, làm cho phe nhỏ hơn đường kính rãnh và dễ dàng trượt ra khỏi trục.
- Nhẹ nhàng tháo phe gài ra khỏi trục.
- Bảo quản: Nếu không sử dụng ngay, hãy giữ phe gài trong bao bì gốc của nhà sản xuất, ở nơi khô ráo, thoáng mát, tránh ánh nắng trực tiếp và các hóa chất ăn mòn để ngăn ngừa rỉ sét.
8. So Sánh Phe Gài Trục Inox 420 D37 với Phe Gài Lỗ và các vật liệu khác
Việc hiểu rõ sự khác biệt giữa các loại phe gài sẽ giúp bạn lựa chọn sản phẩm phù hợp nhất cho ứng dụng của mình, tối ưu hóa hiệu suất và chi phí đầu tư:
| Tiêu chí | Phe Gài Trục Inox 420 | Phe Gài Lỗ (Vòng Hãm Lỗ) | Phe Gài Thép Carbon |
|---|---|---|---|
| Hình dạng | Vòng hở có hai lỗ đầu | Vòng hở có hai lỗ đầu, đường kính trong lớn hơn đường kính ngoài | Vòng hở có hai lỗ đầu |
| Vị trí lắp | Trục (Shaft) | Lỗ (Bore) | Trục (Shaft) |
| Vật liệu | Inox 420 | Thường là Thép Carbon hoặc Inox | Thép Carbon |
| Khả năng chống ăn mòn | Tốt (đặc biệt sau nhiệt luyện) | Tùy vật liệu | Kém (dễ bị rỉ sét nếu không có lớp mạ) |
| Độ cứng/Độ bền | Rất tốt (do vật liệu Inox 420) | Tốt | Tốt |
| Giá thành | Cao hơn loại thép carbon | Tùy loại | Thấp nhất |
| Ứng dụng điển hình | Môi trường có độ ẩm, cần độ bền cao, chịu tải trọng lớn, trong các ngành thực phẩm, y tế, hóa chất nhẹ. | Định vị các chi tiết bên trong lỗ, như vòng bi trong vỏ máy, puly trong lỗ. | Ứng dụng thông thường, môi trường khô ráo, không yêu cầu chống ăn mòn. |
9. Cách Phân Biệt Phe Gài MS-PRO Thật – Giả – Lời Khuyên Từ Chuyên Gia Mecsu
Thị trường hiện nay có rất nhiều hàng giả, hàng nhái kém chất lượng. Để đảm bảo bạn mua được phe gài MS-PRO chính hãng tại TP.HCM, Mecsu khuyến nghị kiểm tra các dấu hiệu sau:
a. Dấu hiệu của phe gài MS-PRO chính hãng:
- Bao bì chất lượng cao: Sắc nét, in ấn rõ ràng, thông tin sản phẩm đầy đủ mã, kích thước, số lượng.
- Hoàn thiện sản phẩm: Bề mặt nhẵn mịn, không có ba via, không có dấu hiệu rỉ sét, vát mép đều và chính xác. Các lỗ trên phe được dập sắc nét, không bị biến dạng.
- Độ đàn hồi tốt: Khi dùng kìm bóp, phe có độ đàn hồi cao, trở lại hình dạng ban đầu ngay lập tức mà không bị biến dạng vĩnh viễn.
- Chứng từ đầy đủ: Nhà cung cấp uy tín sẽ cung cấp đầy đủ chứng từ xuất xứ và chất lượng, đảm bảo nguồn gốc và chất lượng sản phẩm.
b. Dấu hiệu của phe gài MS-PRO hàng giả/nhái:
- In ấn mờ nhạt, sai chính tả, font chữ lạ trên bao bì.
- Sản phẩm có ba via, bề mặt thô, có dấu hiệu rỉ sét hoặc được làm từ vật liệu kém chất lượng, dễ bị biến dạng.
- Độ đàn hồi kém, sau khi bóp có thể không trở lại hình dạng ban đầu hoặc bị cong vênh.
- Giá bán rẻ bất thường so với mức giá thị trường của sản phẩm chính hãng – đây là dấu hiệu cảnh báo lớn nhất.
10. Giá Bán & Gợi Ý Mua Phe Gài Trục Inox 420 Chính Hãng Tại TP.HCM
a. Giá Phe Gài Trục Inox 420 (TP.Hồ Chí Minh) tại Mecsu: Giá: 44,189 đ / Bịch (đã có VAT) – Giá hợp lý, phù hợp với chất lượng sản phẩm chính hãng
Liên hệ để nhận báo giá tốt nhất (giá có thể thay đổi tùy thời điểm và số lượng) – mức giá hợp lý, phù hợp với chất lượng sản phẩm chính hãng MS-PRO tại thị trường linh kiện cơ khí TP.HCM.
b. Gợi ý mua phe gài chính hãng MS-PRO uy tín
- Chọn nhà cung cấp uy tín tại TP.HCM: Ưu tiên đối tác có chứng nhận từ MS-PRO hoặc đơn vị lâu năm, được nhiều khách hàng tin tưởng và có danh tiếng trên thị trường cung cấp linh kiện cơ khí tại TP.HCM.
- Kiểm tra chứng từ đầy đủ: Luôn yêu cầu đầy đủ chứng từ xuất xứ và chất lượng để đảm bảo nguồn gốc và chất lượng sản phẩm. Điều này giúp bạn tránh mua phải “phe gài giả” trên thị trường.
- Mua tại Mecsu – Nhà phân phối MS-PRO tại Việt Nam: Mecsu tự hào là nhà phân phối chính hãng MS-PRO tại Việt Nam, cam kết cung cấp “phe gài trục Inox 420 D37x1.75 chính hãng” và các loại “phe gài khác” với nhiều lợi ích vượt trội:
- 100% sản phẩm chính hãng: Đảm bảo nguồn gốc rõ ràng, đầy đủ chứng từ. Chúng tôi cam kết hoàn tiền 100% hoặc đổi trả nếu sản phẩm không phải chính hãng.
- Chính sách bảo hành minh bạch: Hỗ trợ đổi trả nếu có lỗi từ nhà sản xuất, mang lại sự an tâm tuyệt đối cho khách hàng.
- Hỗ trợ kỹ thuật chuyên sâu: Đội ngũ kỹ sư giàu kinh nghiệm sẵn sàng hỗ trợ bạn về kỹ thuật và lựa chọn sản phẩm phù hợp nhất cho mọi ứng dụng.
- Giá cả cạnh tranh: Đảm bảo mức giá tốt nhất đi kèm chất lượng, với chính sách chiết khấu hấp dẫn cho đơn hàng số lượng lớn, đặc biệt khi “mua phe gài số lượng lớn”.
MUA THÊM NHIỀU LOẠI PHE GÀI CHÍNH HÃNG KHÁC TẠI MECSU
11. FAQ về Phe Gài Trục Inox 420 D37x1.75
a. Phe gài trục Inox 420 có cần bảo dưỡng không?
Phe gài trục Inox 420 không yêu cầu bảo dưỡng định kỳ. Tuy nhiên, bạn nên kiểm tra định kỳ để đảm bảo phe không bị biến dạng, rỉ sét hoặc mòn, đặc biệt nếu nó làm việc trong môi trường khắc nghiệt. Nếu thấy dấu hiệu hư hỏng, cần thay thế ngay.
b. Phe gài trục Inox 420 khác gì với loại thép carbon?
Phe gài trục Inox 420 có khả năng chống ăn mòn và độ cứng cao hơn đáng kể so với loại thép carbon. Điều này làm cho nó phù hợp hơn với các ứng dụng trong môi trường ẩm ướt hoặc yêu cầu độ bền cao. Loại thép carbon thường rẻ hơn nhưng dễ bị rỉ sét.
c. Tôi có thể dùng dụng cụ gì để lắp phe gài?
Bạn phải sử dụng kìm phe gài trục chuyên dụng có đầu kẹp phù hợp với hai lỗ trên phe. Tuyệt đối không dùng tua vít, kìm thường hoặc các dụng cụ khác vì có thể làm hỏng phe gài và gây nguy hiểm.
d. Làm sao biết phe gài D37x1.75 của tôi là hàng chính hãng MS-PRO?
Bạn nên mua từ nhà phân phối uy tín (như Mecsu), kiểm tra bao bì và chất lượng hoàn thiện của sản phẩm. Hàng chính hãng có bề mặt nhẵn mịn, không ba via, và độ đàn hồi tốt.
e. Khi nào cần thay thế phe gài?
Bạn nên thay thế phe gài khi nhận thấy các dấu hiệu sau:
- Biến dạng: Phe bị cong, vênh hoặc không trở lại hình dạng ban đầu sau khi tháo.
- Rạn nứt hoặc gãy: Có dấu hiệu rạn nứt nhỏ hoặc gãy ở bất kỳ vị trí nào trên phe.
- Rỉ sét nghiêm trọng: Lớp rỉ sét dày đặc ảnh hưởng đến độ bền và khả năng chịu tải.
- Mòn: Bị mài mòn quá mức, không còn bám chắc vào rãnh.
Kinh nghiệm từ các kỹ sư Mecsu: Việc kiểm tra định kỳ bằng mắt thường có thể giúp phát hiện sớm các dấu hiệu cần thay thế, tránh gây hư hại nghiêm trọng hơn cho toàn bộ hệ thống. Đừng ngần ngại liên hệ chúng tôi để được hỗ trợ kỹ thuật về bảo trì hoặc thay thế phe gài kịp thời.
f. Mua phe gài trục Inox 420 chính hãng, uy tín ở đâu tại TP.HCM?
Mua phe gài trục Inox 420 chính hãng và đảm bảo chất lượng tại TP.HCM, bạn hãy liên hệ ngay với Mecsu. Chúng tôi tự hào là nhà cung cấp uy tín, chuyên phân phối các sản phẩm MS-PRO chính hãng tại Việt Nam.
- Cam kết chất lượng: 100% sản phẩm có nguồn gốc rõ ràng, đầy đủ chứng từ. Chúng tôi cam kết hoàn tiền 100% hoặc đổi trả nếu sản phẩm không phải chính hãng.
- Giá cả cạnh tranh: Đảm bảo mức giá tốt nhất đi kèm chất lượng, với chính sách chiết khấu hấp dẫn cho đơn hàng số lượng lớn.
- Tư vấn chuyên sâu: Đội ngũ kỹ sư giàu kinh nghiệm sẵn sàng hỗ trợ bạn về kỹ thuật và lựa chọn sản phẩm phù hợp nhất.
- Chính sách hậu mãi: Đảm bảo quyền lợi tối đa cho khách hàng với dịch vụ hỗ trợ nhanh chóng, tận tâm.
12. Liên Hệ và Hỗ Trợ Tư Vấn Mua Phe Gài
Nếu bạn có bất kỳ thắc mắc nào về phe gài trục Inox 420 D37x1.75 hoặc cần tư vấn về giải pháp phe gài cho ứng dụng cụ thể của mình, đừng ngần ngại liên hệ với đội ngũ chuyên gia của Mecsu. Chúng tôi luôn sẵn lòng hỗ trợ bạn tìm ra sản phẩm phù hợp và tối ưu nhất, đồng thời cung cấp những kiến thức độc quyền về kỹ thuật lắp đặt và bảo trì phe gài mà bạn khó tìm thấy ở nơi khác.
Địa chỉ: B28/I – B29/I Đường số 2B, KCN Vĩnh Lộc, P. Bình Hưng Hòa B, Q. Bình Tân, TP.HCM
Hotline: 1800 8137
Email: [email protected]
Website: mecsu.vn
13. Thông Tin Bổ Sung & Kinh Nghiệm Thực Tế Từ Mecsu
a. Kinh Nghiệm Thực Tế & Câu Chuyện Thành Công
Tại Mecsu, chúng tôi tự hào là đối tác tin cậy của nhiều doanh nghiệp trong việc cung cấp các giải pháp phe gài chất lượng cao. “Phe gài trục Inox 420 D37x1.75”, với đặc tính bền bỉ và khả năng chống ăn mòn, đã được ứng dụng trong nhiều dự án quan trọng của khách hàng chúng tôi tại “TP. Hồ Chí Minh” và các tỉnh lân cận, mang lại hiệu quả vượt trội và là minh chứng cho chất lượng sản phẩm cùng kinh nghiệm thực tế của đội ngũ Mecsu:
- Ngành sản xuất máy móc công nghiệp: Chúng tôi đã cung cấp “Phe gài trục Inox 420” cho một nhà sản xuất máy bơm lớn. Nhờ khả năng chống ăn mòn tốt và độ bền cao, phe gài này đã góp phần đáng kể vào việc định vị chính xác các chi tiết trong môi trường làm việc ẩm ướt, kéo dài tuổi thọ của thiết bị.
- Lĩnh vực máy chế biến thực phẩm: Phe gài D37x1.75 được lựa chọn cho các ứng dụng trong máy móc chế biến thực phẩm, nơi yêu cầu vật liệu không gỉ và dễ vệ sinh. Khả năng chống ăn mòn của Inox 420 đã đáp ứng tốt yêu cầu này, đảm bảo an toàn và hiệu suất làm việc.
- Thiết bị y tế: Một khách hàng chuyên sản xuất thiết bị y tế đã ứng dụng “phe gài D37” vào các bộ phận trục quay chính. Độ chính xác theo tiêu chuẩn DIN 471 và độ bền của phe gài đã giúp máy móc hoạt động ổn định và tin cậy, đáp ứng các tiêu chuẩn khắt khe của ngành y tế.
b. Trích Dẫn Chuyên Gia
““Phe gài trục Inox 420 D37x1.75” là một lựa chọn tuyệt vời cho các ứng dụng công nghiệp cần sự bền bỉ và khả năng chống ăn mòn nhất định. Vật liệu Inox 420 được nhiệt luyện mang lại độ cứng vượt trội, giúp phe gài chịu được tải trọng cắt lớn. Đây là giải pháp đáng tin cậy và hiệu quả cho nhiều loại máy móc trong môi trường công nghiệp, đặc biệt là những nơi có độ ẩm hoặc yêu cầu vệ sinh cao.”
— “Kỹ sư cơ khí Chuyên gia kỹ thuật Mecsu” (TP. Hồ Chí Minh) – Với hơn 10 năm kinh nghiệm trong lĩnh vực “linh kiện cơ khí”.
c. Tài Liệu Tham Khảo và Nghiên Cứu
Nội dung bài viết này được biên soạn dựa trên các tài liệu kỹ thuật chính thức và đáng tin cậy từ MS-PRO, cùng với kinh nghiệm thực tế chuyên sâu của đội ngũ kỹ sư Mecsu, đảm bảo tính chính xác, cập nhật và chuyên môn cao:
- MS-PRO Product Catalog (Danh mục sản phẩm MS-PRO chính thức) – Nguồn dữ liệu kỹ thuật chi tiết nhất về “phe gài”.
- Tài liệu kỹ thuật DIN 471 (Thông tin chuyên sâu về “tiêu chuẩn phe gài trục”) – Cung cấp cái nhìn toàn diện về tiêu chuẩn này.
- Bảng dữ liệu kỹ thuật (Datasheet) chi tiết của Phe Gài Trục Inox 420 D37x1.75 – Nguồn thông số kỹ thuật chính xác.
- Trải nghiệm thực tế và phản hồi từ các dự án khách hàng của Mecsu – “Dữ liệu độc nhất” được thu thập từ hơn 10 năm cung cấp “linh kiện cơ khí” và “giải pháp phe gài” cho các doanh nghiệp tại Việt Nam.
Biên soạn bởi: Đội ngũ Kỹ sư Mecsu
Với hơn 10 năm kinh nghiệm chuyên sâu trong lĩnh vực phân phối và tư vấn giải pháp phe gài, đội ngũ kỹ sư của Mecsu cam kết mang đến những thông tin chính xác, cập nhật và hữu ích nhất, giúp quý khách hàng đưa ra lựa chọn sản phẩm tối ưu cho mọi ứng dụng.
(Xem thêm thông tin về chúng tôi tại Website Mecsu)
Lưu ý: Hình ảnh sản phẩm có thể khác biệt so với thực tế tùy theo lô sản xuất của MS-PRO. Vui lòng tham khảo thông số kỹ thuật chi tiết hoặc liên hệ Mecsu để có thông tin chính xác nhất về sản phẩm.



















Đánh giá
Chưa có đánh giá nào.