Mô tả sản phẩm
Thông tin CHUYÊN SÂU về Phe Gài Trục Inox 420 DIN471 D39x1.75
Mục Lục
- 1. Phe Gài Trục Inox 420 là Gì? – Giải Thích Chuyên Sâu
- 2. Thông Số Kỹ Thuật Chi Tiết của Phe Gài Trục Inox 420 DIN471 D39x1.75
- 3. Cấu Tạo Chi Tiết Phe Gài Trục Inox 420
- 4. Phân Tích Chuyên Sâu: Vật Liệu Inox 420 và Tiêu Chuẩn DIN 471
- 5. Ưu và Nhược Điểm của Phe Gài Trục Inox 420
- 6. Ứng Dụng Thực Tế của Phe Gài Trục Inox 420 DIN471 D39x1.75
- 7. Hướng Dẫn Lắp Đặt và Tháo Gỡ Phe Gài
- 8. So Sánh Phe Gài Inox 420 với Thép Carbon
- 9. Cách Phân Biệt Phe Gài MS-PRO Thật – Giả – Lời Khuyên Từ Chuyên Gia Mecsu
- 10. Giá Bán & Gợi Ý Mua Phe Gài MS-PRO Chính Hãng Tại TP.HCM
- 11. FAQ về Phe Gài Trục Inox 420 DIN471
- 12. Liên Hệ và Hỗ Trợ Tư Vấn Mua Phe Gài
- 13. Thông Tin Bổ Sung & Kinh Nghiệm Thực Tế Từ Mecsu
1. Phe Gài Trục Inox 420 là Gì? – Giải Thích Chuyên Sâu
Phe gài trục (circlip) Inox 420 DIN471 D39x1.75 là một loại chi tiết cơ khí nhỏ nhưng vô cùng quan trọng, được sử dụng để giữ các bộ phận (như vòng bi, bánh răng,…) cố định trên một trục. Mã “D39x1.75” là ký hiệu kích thước tiêu chuẩn, với đường kính trục sử dụng là 39 mm và độ dày phe gài là 1.75 mm. Phe gài này được sản xuất theo tiêu chuẩn quốc tế DIN 471, đảm bảo tính chính xác và khả năng chịu tải cao.
Điểm nổi bật của phe gài này là vật liệu Inox 420, một loại thép không gỉ martensitic có hàm lượng carbon cao. Sau khi xử lý nhiệt, Inox 420 có độ cứng và độ bền vượt trội, cùng với khả năng chống ăn mòn tốt, đặc biệt trong môi trường không quá khắc nghiệt. Điều này làm cho sản phẩm trở thành lựa chọn lý tưởng cho các ứng dụng yêu cầu cả độ bền cơ học lẫn khả năng chống gỉ.
2. Thông Số Kỹ Thuật Chi Tiết của Phe Gài Trục Inox 420 DIN471 D39x1.75
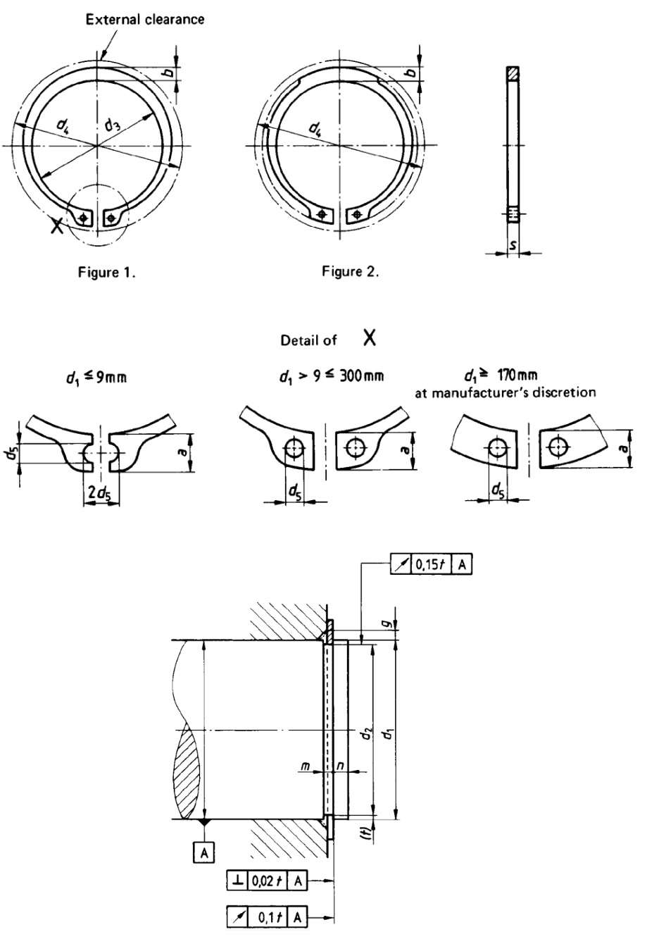
d1: Dùng cho trục
d2: Đường kính rãnh sử dụng
a: Độ dày
b: Bề rộng rãnh sử dụng
s: Đường kính trong
| Thông số | Giá trị |
|---|---|
| Mã sản phẩm | Phe Gài Trục D39x1.75 |
| Loại | Phe Gài Trục (Circlip for Shaft) |
| Dùng cho trục (d1) | 39 mm |
| Đường kính rãnh sử dụng (d2) | 37 mm |
| Đường kính trong (s) | 36 mm |
| Độ dày (a) | 1.75 mm |
| Bề rộng rãnh sử dụng (b) | 1.85 mm |
| Tiêu chuẩn | DIN 471 |
| Vật liệu | Inox 420 (Thép không gỉ) |
| Thương hiệu | MS-PRO |
| Độ cứng | 48-55 HRC (thông thường) |
| Mã eClass | 23-05-08-01 |
| Mã UNSPSC | 31171504 |
3. Cấu Tạo Chi Tiết Phe Gài Trục Inox 420
Phe gài trục Inox 420 DIN471 được cấu thành từ một chi tiết duy nhất nhưng được gia công vô cùng chính xác để đảm bảo chức năng gài chặt:
Sơ đồ cấu tạo Phe Gài Trục:
- Thân phe: Là vòng tròn hở được chế tạo từ thép không gỉ Inox 420. Phần này được thiết kế để vừa khít với rãnh trên trục.
- Tai gài: Hai đầu của phe gài được tạo hình đặc biệt, có lỗ để sử dụng kìm phe gài chuyên dụng, giúp việc lắp đặt và tháo gỡ trở nên dễ dàng và an toàn.
4. Phân Tích Chuyên Sâu: Vật Liệu Inox 420 và Tiêu Chuẩn DIN 471
Để thực sự hiểu giá trị của phe gài trục Inox 420 DIN471, việc phân tích sâu hơn về hai yếu tố then chốt: “vật liệu Inox 420“ và “tiêu chuẩn DIN 471“ là rất quan trọng.
Vật liệu “Inox 420” – Thép không gỉ có độ cứng cao:
- Chức năng chính: Đảm bảo độ bền cơ học, độ cứng và khả năng chống ăn mòn cho phe gài.
- Đặc điểm nổi bật: Inox 420 là loại thép không gỉ martensitic, có thể được xử lý nhiệt để đạt độ cứng rất cao (48-55 HRC). Điều này giúp phe gài chịu được lực cắt và biến dạng, đảm bảo khả năng giữ chặt các chi tiết trên trục.
- Ưu điểm vượt trội: So với thép carbon thông thường, Inox 420 có khả năng chống gỉ tốt hơn, phù hợp cho các môi trường có độ ẩm hoặc tiếp xúc với hóa chất nhẹ, kéo dài tuổi thọ sản phẩm.
- Hạn chế: Mặc dù chống gỉ tốt, nó không phải là giải pháp hoàn hảo cho môi trường nước mặn hoặc hóa chất cực mạnh như Inox 316.
Tiêu chuẩn “DIN 471” (Shaft Retaining Rings):
- Ý nghĩa: “DIN 471” là tiêu chuẩn của Đức quy định kích thước, vật liệu và dung sai của phe gài trục.
- Tầm quan trọng: Tiêu chuẩn này đảm bảo rằng sản phẩm được sản xuất với độ chính xác cao, giúp phe gài vừa khít với rãnh đã được gia công trên trục. Điều này là yếu tố then chốt để đảm bảo lực giữ và hiệu quả làm việc.
- Lựa chọn phù hợp: Mua phe gài theo tiêu chuẩn DIN 471 sẽ đảm bảo sự tương thích và hiệu suất tốt nhất với các trục được thiết kế theo cùng tiêu chuẩn, tránh tình trạng lỏng lẻo hoặc khó lắp đặt.
Sự kết hợp giữa vật liệu Inox 420 và tiêu chuẩn DIN 471 giúp phe gài trục D39x1.75 trở thành một giải pháp đáng tin cậy, bền bỉ và hiệu quả cho việc giữ các chi tiết trên trục trong nhiều ứng dụng công nghiệp.
5. Ưu và Nhược Điểm của Phe Gài Trục Inox 420
Phe gài trục Inox 420 được tin dùng nhờ độ bền và khả năng chống ăn mòn. Tuy nhiên, việc lựa chọn tối ưu đòi hỏi phải hiểu rõ cả ưu điểm lẫn nhược điểm của nó.
Ưu điểm nổi bật:
- Độ bền và độ cứng vượt trội: Nhờ vật liệu Inox 420 và xử lý nhiệt, phe gài có độ cứng cao, chịu được tải trọng cắt lớn và duy trì khả năng giữ chặt các chi tiết.
- Khả năng chống ăn mòn tốt: Phù hợp cho các môi trường có độ ẩm, hơi nước hoặc tiếp xúc với các hóa chất nhẹ, giảm thiểu rủi ro gỉ sét so với phe gài thép carbon.
- Tuân thủ tiêu chuẩn cao: Được sản xuất theo tiêu chuẩn DIN 471, đảm bảo kích thước chính xác và khả năng tương thích tốt với các chi tiết khác.
- Dễ dàng lắp đặt và tháo gỡ: Thiết kế tai gài cho phép sử dụng kìm chuyên dụng, giúp thao tác nhanh chóng và an toàn.
- Độ tin cậy cao từ thương hiệu MS-PRO: Sản phẩm từ thương hiệu uy tín, đảm bảo chất lượng và độ bền.
Nhược điểm cần lưu ý:
- Khả năng chống ăn mòn có giới hạn: Không phù hợp cho các môi trường khắc nghiệt như nước biển hoặc hóa chất đậm đặc, nơi cần dùng vật liệu như Inox 316.
- Giá thành: Mức giá của phe gài Inox 420 có thể cao hơn so với phe gài làm từ thép carbon thông thường. Tuy nhiên, đây là sự đầu tư xứng đáng cho độ bền và tuổi thọ dài hạn.
6. Ứng Dụng Thực Tế của Phe Gài Trục Inox 420 DIN471 D39x1.75
Với kích thước tiêu chuẩn và đặc tính bền bỉ, phe gài trục Inox 420 DIN471 D39x1.75 được ứng dụng rộng rãi trong nhiều lĩnh vực công nghiệp và dân dụng, đặc biệt là những nơi yêu cầu khả năng chống gỉ và độ bền cao:
- Máy móc, động cơ và thiết bị truyền động: Giữ cố định vòng bi, bánh răng, puli trên trục.
- Ngành công nghiệp thực phẩm, đồ uống: Sử dụng trong các thiết bị sản xuất, chế biến cần khả năng chống gỉ.
- Thiết bị y tế: Lắp đặt trong các dụng cụ, máy móc yêu cầu vật liệu sạch, không gỉ sét.
- Hệ thống bơm, van, xi lanh thủy lực: Chịu tải trọng và môi trường làm việc có chất lỏng.
- Máy công cụ, máy gia công gỗ: Đảm bảo các chi tiết quay không bị dịch chuyển.
- Xe máy, ô tô: Sử dụng trong các bộ phận trục, hộp số…
7. Hướng Dẫn Lắp Đặt và Tháo Gỡ Phe Gài
Để đảm bảo tuổi thọ và hiệu suất tối ưu cho phe gài trục, việc lắp đặt và tháo gỡ đúng cách là vô cùng quan trọng. Luôn tuân thủ các nguyên tắc an toàn và kỹ thuật. Mecsu cung cấp hướng dẫn chi tiết dựa trên kinh nghiệm thực tế:
- Chuẩn bị: Đảm bảo môi trường làm việc sạch sẽ, khô ráo. Chuẩn bị kìm phe gài chuyên dụng có kích thước phù hợp với phe gài trục D39x1.75. Luôn đeo kính bảo hộ để tránh rủi ro phe gài bị bắn ra. Kiểm tra rãnh trên trục phải sạch sẽ, không có ba via, rỉ sét.
- Lắp đặt:
- Dùng kìm phe gài bóp nhẹ phe gài lại, sao cho hai tai gài tiến sát vào nhau.
- Đưa phe gài vào vị trí trục cần lắp.
- Từ từ nhả kìm để phe gài bung ra và gài chặt vào rãnh trên trục. Đảm bảo phe gài đã nằm hoàn toàn trong rãnh.
- Tháo gỡ:
- Dùng kìm phe gài chuyên dụng, bóp hai tai gài lại.
- Khi phe gài đã co lại, nhẹ nhàng nhấc ra khỏi rãnh trên trục.
- Tránh dùng tay hoặc các dụng cụ khác không chuyên để tháo phe, điều này có thể làm hỏng phe hoặc gây nguy hiểm.
- Bảo quản: Nếu không sử dụng ngay, hãy giữ phe gài trong bao bì gốc của nhà sản xuất, ở nơi khô ráo, thoáng mát để ngăn ngừa rỉ sét và bụi bẩn.
8. So Sánh Phe Gài Inox 420 với Thép Carbon
Việc hiểu rõ sự khác biệt giữa các loại phe gài sẽ giúp bạn lựa chọn sản phẩm phù hợp nhất cho ứng dụng của mình, tối ưu hóa hiệu suất và chi phí đầu tư:
| Tiêu chí | Phe Gài Inox 420 | Phe Gài Thép Carbon (Phủ đen) |
|---|---|---|
| Vật liệu | Inox 420 (Thép không gỉ) | Thép lò xo carbon cao |
| Khả năng chống ăn mòn | Tốt (chống gỉ trong môi trường ẩm, hóa chất nhẹ) | Kém (dễ bị gỉ sét, cần phủ lớp bảo vệ) |
| Độ cứng | Rất cao (48-55 HRC) | Cao (tùy thuộc vào xử lý nhiệt) |
| Độ bền cơ học | Rất tốt | Tốt |
| Môi trường ứng dụng | Độ ẩm cao, có hóa chất nhẹ, thực phẩm, y tế | Môi trường khô ráo, không yêu cầu chống gỉ |
| Giá thành | Cao hơn | Thấp hơn |
9. Cách Phân Biệt Phe Gài MS-PRO Thật – Giả – Lời Khuyên Từ Chuyên Gia Mecsu
Thị trường hiện nay có nhiều sản phẩm kém chất lượng. Để đảm bảo bạn mua được phe gài MS-PRO chính hãng tại TP.HCM, Mecsu khuyến nghị kiểm tra các dấu hiệu sau:
a. Dấu hiệu của phe gài MS-PRO chính hãng:
- Bề mặt hoàn thiện: Bề mặt phe gài nhẵn, không có ba via, không có vết nứt hoặc rỉ sét. Màu sắc Inox sáng, đồng đều.
- Độ đàn hồi: Khi dùng kìm bóp vào và nhả ra, phe gài có độ đàn hồi tốt, trở về hình dạng ban đầu một cách chắc chắn.
- Đóng gói: Sản phẩm được đóng gói cẩn thận, thường có túi hoặc hộp nhỏ với logo và thông tin rõ ràng của MS-PRO.
- Thông số chính xác: Kích thước đường kính, độ dày chính xác theo tiêu chuẩn DIN 471. Có thể đo bằng thước kẹp điện tử.
- Chứng từ đầy đủ: Nhà cung cấp uy tín sẽ cung cấp đầy đủ chứng từ xuất xứ và chất lượng, đảm bảo nguồn gốc sản phẩm.
b. Dấu hiệu của phe gài hàng giả/nhái:
- Bề mặt thô, có ba via, vết nứt nhỏ hoặc dấu hiệu rỉ sét.
- Độ đàn hồi kém, dễ bị biến dạng hoặc gãy khi lắp đặt.
- Kích thước không chuẩn, không vừa khít với rãnh trên trục.
- Giá bán rẻ bất thường so với mức giá thị trường.
10. Giá Bán & Gợi Ý Mua Phe Gài MS-PRO Chính Hãng Tại TP.HCM
a. Giá phe gài trục Inox 420 (TP.Hồ Chí Minh) tại Mecsu: Giá: 6,532 đ / Cái (đã có VAT) – Giá hợp lý, phù hợp với chất lượng sản phẩm chính hãng
Liên hệ để nhận báo giá tốt nhất (giá có thể thay đổi tùy thời điểm và số lượng) – mức giá hợp lý, phù hợp với chất lượng sản phẩm chính hãng MS-PRO tại thị trường linh kiện cơ khí TP.HCM.
b. Gợi ý mua phe gài chính hãng MS-PRO uy tín
- Chọn nhà cung cấp uy tín tại TP.HCM: Ưu tiên đơn vị lâu năm, được nhiều khách hàng tin tưởng và có danh tiếng trên thị trường cung cấp linh kiện cơ khí tại TP.HCM.
- Kiểm tra chứng từ đầy đủ: Luôn yêu cầu chứng từ xuất xứ và chất lượng để đảm bảo nguồn gốc và chất lượng sản phẩm.
- Mua tại Mecsu – Nhà phân phối chính hãng MS-PRO tại Việt Nam: Mecsu tự hào là nhà phân phối chính hãng MS-PRO tại Việt Nam, cam kết cung cấp phe gài trục Inox 420 và các loại linh kiện cơ khí khác với nhiều lợi ích vượt trội:
- 100% sản phẩm chính hãng: Đảm bảo nguồn gốc rõ ràng, đầy đủ chứng từ. Chúng tôi cam kết hoàn tiền 100% hoặc đổi trả nếu sản phẩm không phải chính hãng.
- Chính sách bảo hành minh bạch: Hỗ trợ đổi trả nếu có lỗi từ nhà sản xuất, mang lại sự an tâm tuyệt đối cho khách hàng.
- Hỗ trợ kỹ thuật chuyên sâu: Đội ngũ kỹ sư giàu kinh nghiệm sẵn sàng hỗ trợ bạn về kỹ thuật và lựa chọn sản phẩm phù hợp nhất cho mọi ứng dụng.
- Giá cả cạnh tranh: Đảm bảo mức giá tốt nhất đi kèm chất lượng, với chính sách chiết khấu hấp dẫn cho đơn hàng số lượng lớn, đặc biệt khi mua phe gài số lượng lớn.
MUA THÊM NHIỀU LOẠI PHE GÀI CHÍNH HÃNG KHÁC TẠI MECSU
11. FAQ về Phe Gài Trục Inox 420 DIN471
a. Phe gài trục Inox 420 có cần bảo dưỡng không?
Thông thường, phe gài trục Inox 420 không cần bảo dưỡng định kỳ. Tuy nhiên, nếu môi trường làm việc quá khắc nghiệt, bạn có thể kiểm tra định kỳ để đảm bảo phe gài không bị ăn mòn hoặc biến dạng.
b. Phe gài trục và phe gài lỗ khác nhau thế nào?
Phe gài trục (tiêu chuẩn DIN 471) dùng để gài trên rãnh của trục. Phe gài lỗ (tiêu chuẩn DIN 472) dùng để gài trong rãnh của lỗ. Hai loại này có cấu tạo và cách sử dụng kìm phe khác nhau.
c. Tiêu chuẩn DIN 471 có ý nghĩa gì?
Tiêu chuẩn DIN 471 quy định các thông số kỹ thuật (kích thước, dung sai) của phe gài trục. Việc tuân thủ tiêu chuẩn này giúp đảm bảo sản phẩm có độ chính xác cao và tương thích với các chi tiết cơ khí khác.
d. Làm sao biết phe gài của tôi là hàng chính hãng MS-PRO?
Bạn nên mua từ nhà phân phối uy tín như Mecsu. Kiểm tra bao bì, chất lượng hoàn thiện của phe (nhẵn, không ba via), và độ đàn hồi của sản phẩm.
e. Khi nào cần thay thế phe gài?
Bạn nên thay thế phe gài khi nhận thấy các dấu hiệu sau:
- Biến dạng vật lý: Phe gài bị cong, vênh hoặc không còn giữ được hình dạng tròn ban đầu.
- Mất độ đàn hồi: Khi tháo ra và lắp lại, phe gài không còn gài chặt vào rãnh.
- Hư hại bề mặt: Phe gài bị rỉ sét, nứt hoặc có dấu hiệu ăn mòn rõ rệt, làm giảm khả năng chịu tải.
Kinh nghiệm từ các kỹ sư Mecsu: Việc kiểm tra định kỳ bằng mắt thường có thể giúp phát hiện sớm các dấu hiệu cần thay thế, tránh gây hư hại nghiêm trọng hơn cho toàn bộ hệ thống. Đừng ngần ngại liên hệ chúng tôi để được hỗ trợ kỹ thuật về lựa chọn linh kiện hoặc thay thế phe gài kịp thời.
f. Mua phe gài trục MS-PRO chính hãng, uy tín ở đâu tại TP.HCM?
Mua phe gài trục MS-PRO chính hãng và đảm bảo chất lượng tại TP.HCM, bạn hãy liên hệ ngay với Mecsu. Chúng tôi tự hào là nhà cung cấp uy tín, chuyên phân phối các sản phẩm MS-PRO chính hãng tại Việt Nam.
- Cam kết chất lượng: 100% sản phẩm có nguồn gốc rõ ràng, đầy đủ chứng từ. Chúng tôi cam kết hoàn tiền 100% hoặc đổi trả nếu sản phẩm không phải chính hãng.
- Giá cả cạnh tranh: Đảm bảo mức giá tốt nhất đi kèm chất lượng, với chính sách chiết khấu hấp dẫn cho đơn hàng số lượng lớn.
- Tư vấn chuyên sâu: Đội ngũ kỹ sư giàu kinh nghiệm sẵn sàng hỗ trợ bạn về kỹ thuật và lựa chọn sản phẩm phù hợp nhất.
- Chính sách hậu mãi: Đảm bảo quyền lợi tối đa cho khách hàng với dịch vụ hỗ trợ nhanh chóng, tận tâm.
12. Liên Hệ và Hỗ Trợ Tư Vấn Mua Phe Gài
Nếu bạn có bất kỳ thắc mắc nào về phe gài trục Inox 420 hoặc cần tư vấn về giải pháp linh kiện cho ứng dụng cụ thể của mình, đừng ngần ngại liên hệ với đội ngũ chuyên gia của Mecsu. Chúng tôi luôn sẵn lòng hỗ trợ bạn tìm ra sản phẩm phù hợp và tối ưu nhất, đồng thời cung cấp những kiến thức độc quyền về kỹ thuật lắp đặt phe gài mà bạn khó tìm thấy ở nơi khác.
Địa chỉ: B28/I – B29/I Đường số 2B, KCN Vĩnh Lộc, P. Bình Hưng Hòa B, Q. Bình Tân, TP.HCM
Hotline: 1800 8137
Email: [email protected]
Website: mecsu.vn
13. Thông Tin Bổ Sung & Kinh Nghiệm Thực Tế Từ Mecsu
a. Kinh Nghiệm Thực Tế & Câu Chuyện Thành Công
Tại Mecsu, chúng tôi tự hào là đối tác tin cậy của nhiều doanh nghiệp trong việc cung cấp các giải pháp linh kiện chất lượng cao. Phe gài trục Inox 420, với đặc tính chịu tải tốt và khả năng chống ăn mòn, đã được ứng dụng trong nhiều dự án quan trọng của khách hàng chúng tôi tại TP. Hồ Chí Minh và các tỉnh lân cận, mang lại hiệu quả vượt trội và là minh chứng cho chất lượng sản phẩm cùng kinh nghiệm thực tế của đội ngũ Mecsu:
a. Kinh Nghiệm Thực Tế & Câu Chuyện Thành Công
Tại Mecsu, chúng tôi tự hào là đối tác tin cậy của nhiều doanh nghiệp trong việc cung cấp các giải pháp linh kiện chất lượng cao. “Phe gài trục Inox 420 DIN471 D39x1.75”, với đặc tính bền bỉ và khả năng chống gỉ, đã được ứng dụng trong nhiều dự án quan trọng của khách hàng chúng tôi tại “TP. Hồ Chí Minh” và các tỉnh lân cận, mang lại hiệu quả vượt trội và là minh chứng cho chất lượng sản phẩm cùng kinh nghiệm thực tế của đội ngũ Mecsu:
- Ngành sản xuất máy bơm, van: Chúng tôi đã cung cấp “phe gài Inox 420” cho một nhà sản xuất máy bơm công nghiệp. Nhờ khả năng chống ăn mòn tốt trong môi trường tiếp xúc với nước và hóa chất nhẹ, phe gài này đã góp phần đáng kể vào việc nâng cao độ bền và độ tin cậy của thiết bị.
- Lĩnh vực thiết bị y tế: Phe gài Inox 420 được lựa chọn cho các ứng dụng trong máy móc y tế, nơi yêu cầu vật liệu không gỉ, dễ vệ sinh. Độ tin cậy vượt trội của “phe gài MS-PRO chính hãng” đã giúp thiết bị hoạt động ổn định và đáp ứng các tiêu chuẩn nghiêm ngặt.
- Thiết bị chế biến thực phẩm: Một khách hàng chuyên sản xuất thiết bị chế biến nông sản đã ứng dụng “phe gài D39x1.75” vào các bộ phận trục quay. Khả năng chống ăn mòn của vật liệu Inox 420 và độ bền của phe đã giúp máy móc hoạt động ổn định và kéo dài tuổi thọ trong môi trường có nhiều chất lỏng và tạp chất.
b. Trích Dẫn Chuyên Gia
““Phe gài trục Inox 420” là một lựa chọn lý tưởng cho các ứng dụng cần sự cân bằng hoàn hảo giữa độ bền cơ học và khả năng chống gỉ. So với phe gài thép carbon thông thường, Inox 420 mang lại tuổi thọ cao hơn đáng kể trong các môi trường ẩm ướt hoặc có nguy cơ ăn mòn nhẹ. Đây là giải pháp đáng tin cậy và hiệu quả cho nhiều loại máy móc trong môi trường công nghiệp và dân dụng.”
— “Kỹ sư cơ khí Chuyên gia kỹ thuật Mecsu” (TP. Hồ Chí Minh) – Với hơn 10 năm kinh nghiệm trong lĩnh vực “linh kiện cơ khí”.
c. Tài Liệu Tham Khảo và Nghiên Cứu
Nội dung bài viết này được biên soạn dựa trên các tài liệu kỹ thuật chính thức và đáng tin cậy, cùng với kinh nghiệm thực tế chuyên sâu của đội ngũ kỹ sư Mecsu, đảm bảo tính chính xác, cập nhật và chuyên môn cao:
- MS-PRO Product Catalog (Danh mục sản phẩm MS-PRO chính thức) – Nguồn dữ liệu kỹ thuật chi tiết nhất về “phe gài”.
- Tiêu chuẩn kỹ thuật DIN 471 (Thông tin chuyên sâu về “tiêu chuẩn phe gài trục”) – Cung cấp cái nhìn toàn diện về các thông số phe gài.
- Bảng dữ liệu kỹ thuật (Datasheet) chi tiết của Phe Gài Inox 420 D39x1.75 – Nguồn thông số kỹ thuật chính xác.
- Trải nghiệm thực tế và phản hồi từ các dự án khách hàng của Mecsu – “Dữ liệu độc nhất” được thu thập từ hơn 10 năm cung cấp “linh kiện cơ khí” và “giải pháp lắp ráp” cho các doanh nghiệp tại Việt Nam.
Biên soạn bởi: Đội ngũ Kỹ sư Mecsu
Với hơn 10 năm kinh nghiệm chuyên sâu trong lĩnh vực phân phối và tư vấn giải pháp linh kiện cơ khí, đội ngũ kỹ sư của Mecsu cam kết mang đến những thông tin chính xác, cập nhật và hữu ích nhất, giúp quý khách hàng đưa ra lựa chọn sản phẩm tối ưu cho mọi ứng dụng.
(Xem thêm thông tin về chúng tôi tại Website Mecsu)
Lưu ý: Hình ảnh sản phẩm có thể khác biệt so với thực tế tùy theo lô sản xuất. Vui lòng tham khảo thông số kỹ thuật chi tiết hoặc liên hệ Mecsu để có thông tin chính xác nhất về sản phẩm.



















Đánh giá
Chưa có đánh giá nào.