Mô tả sản phẩm
Thông tin CHUYÊN SÂU về Phe Gài Trục Inox 420 DIN471 D43x1.75
Mục Lục
- 1. Phe Gài Trục Inox 420 DIN471 D43x1.75 Là Gì? – Giải Thích Chuyên Sâu
- 2. Thông Số Kỹ Thuật Chi Tiết của Phe Gài Trục MS-PRO
- 3. Cấu Tạo Chi Tiết Phe Gài Trục DIN471 D43x1.75
- 4. Phân Tích Chuyên Sâu: Vật Liệu Inox 420 và Tiêu Chuẩn DIN 471
- 5. Ưu và Nhược Điểm của Phe Gài Trục D43x1.75
- 6. Ứng Dụng Thực Tế của Phe Gài Trục DIN471
- 7. Hướng Dẫn Lắp Đặt và Tháo Gỡ Phe Gài
- 8. So Sánh Phe Gài Trục với Phe Gài Lỗ và Phe Gài Trục Lò Xo
- 9. Cách Phân Biệt Phe Gài MS-PRO Thật – Giả – Lời Khuyên Từ Chuyên Gia Mecsu
- 10. Giá Bán & Gợi Ý Mua Phe Gài Trục Chính Hãng Tại TP.HCM
- 11. FAQ về Phe Gài Trục DIN471 D43x1.75
- 12. Liên Hệ và Hỗ Trợ Tư Vấn Mua Phe Gài
- 13. Thông Tin Bổ Sung & Kinh Nghiệm Thực Tế Từ Mecsu
1. Phe Gài Trục Inox 420 DIN471 D43x1.75 Là Gì? – Giải Thích Chuyên Sâu
Phe gài trục MS-PRO DIN471 D43x1.75 là một loại chi tiết chốt định vị quan trọng, được thiết kế để ngăn chặn các bộ phận như bánh răng, vòng bi hoặc pu-li trượt ra khỏi vị trí trên trục. Mã sản phẩm này cung cấp thông tin chi tiết về kích thước và tiêu chuẩn: “D43” là ký hiệu đường kính trục sử dụng là 43mm, “x1.75” chỉ độ dày của phe là 1.75mm. Tiêu chuẩn “DIN 471” là một tiêu chuẩn Đức, quy định kích thước và đặc tính của phe gài trục. Vật liệu “Inox 420” là điểm nhấn quan trọng, cho thấy phe gài này được làm từ thép không gỉ 420, có khả năng chống ăn mòn và độ cứng cao sau khi nhiệt luyện.
Phe gài trục là một giải pháp đơn giản nhưng hiệu quả để tạo ra một điểm dừng chắc chắn trên trục, giúp cố định các chi tiết máy, đảm bảo sự ổn định và an toàn trong quá trình vận hành. Vật liệu Inox 420 giúp nó hoạt động tốt trong môi trường ẩm ướt hoặc có hóa chất ăn mòn, nơi các loại thép thông thường có thể bị gỉ sét.
2. Thông Số Kỹ Thuật Chi Tiết của Phe Gài Trục MS-PRO
Dùng cho trục: Đường kính trục sử dụng
Bề rộng rãnh sử dụng: Độ rộng rãnh trên trục cần có
Đường kính rãnh sử dụng: Đường kính của rãnh trên trục
Đường kính trong: Đường kính trong của phe
Độ dày: Độ dày của phe gài
| Thông số | Giá trị |
|---|---|
| Mã sản phẩm | Phe Gài Trục DIN471 D43x1.75 |
| Loại | Phe Gài Trục |
| Dùng cho trục | 43 mm |
| Vật liệu | Inox 420 |
| Bề rộng rãnh sử dụng | 1.85 mm |
| Đường kính rãnh sử dụng | 40.5 mm |
| Đường kính trong | 39.5 mm |
| Độ dày | 1.75 mm |
| Tiêu chuẩn | DIN 471 |
| Thương hiệu | MS-PRO |
| Đóng gói | 5 Cái/Bịch |
| Mục đích sử dụng | Định vị, giữ chặt các chi tiết trên trục |
| Khả năng chống ăn mòn | Tốt (do vật liệu Inox 420) |
| Tải trọng | Chịu tải trọng hướng trục |
| Mã eClass | 23-05-08-01 |
| Mã UNSPSC | 31171504 |
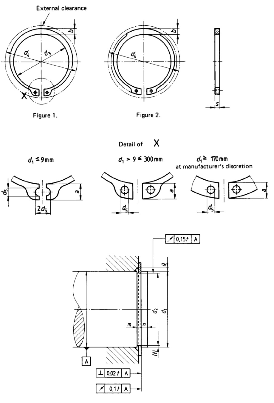
3. Cấu Tạo Chi Tiết Phe Gài Trục DIN471 D43x1.75
Phe gài trục MS-PRO DIN471 D43x1.75 được cấu thành từ một chi tiết duy nhất, nhưng mỗi đặc điểm thiết kế đều đóng vai trò quan trọng trong việc đảm bảo chức năng định vị và độ bền:
Sơ đồ cấu tạo Phe Gài Trục DIN471 D43x1.75:
- Thân phe gài: Là bộ phận chính, có hình vòng tròn hở với hai lỗ ở hai đầu để sử dụng kềm gài. Thân phe được gia công chính xác để ôm sát vào rãnh trên trục.
- Khe hở: Khoảng trống ở một bên của phe, cho phép phe co lại khi lắp đặt hoặc tháo gỡ.
- Lỗ kềm gài: Hai lỗ tròn ở hai đầu của phe, là điểm để kềm gài chuyên dụng kẹp vào và bóp phe lại, giúp việc lắp đặt và tháo gỡ trở nên dễ dàng.
- Vật liệu Inox 420: Thép không gỉ 420 là vật liệu chính, có độ cứng cao, chịu mài mòn tốt và khả năng chống ăn mòn, đặc biệt trong môi trường ẩm ướt hoặc có hóa chất nhẹ.
4. Phân Tích Chuyên Sâu: Vật Liệu Inox 420 và Tiêu Chuẩn DIN 471
Để thực sự hiểu giá trị của phe gài trục Inox 420 DIN471 D43x1.75, việc phân tích sâu hơn về hai yếu tố then chốt: “vật liệu Inox 420” và “tiêu chuẩn DIN 471” là rất quan trọng.
Vật liệu “Inox 420” – Thép không gỉ có độ cứng cao:
- Thành phần chính: Inox 420 thuộc nhóm thép Martensitic, với hàm lượng carbon và crom cao. Carbon giúp tăng độ cứng và khả năng chịu mài mòn, trong khi crom tạo lớp màng bảo vệ chống gỉ.
- Đặc điểm nổi bật: Sau khi nhiệt luyện, thép 420 đạt độ cứng rất cao, vượt trội so với các loại Inox khác như 304 hay 316. Điều này làm cho nó lý tưởng cho các ứng dụng đòi hỏi khả năng chịu lực và chống mài mòn tốt.
- Ưu điểm vượt trội: Nhờ tính chất này, phe gài Inox 420 có khả năng chịu tải trọng hướng trục lớn mà không bị biến dạng. Khả năng chống ăn mòn của nó cũng tốt hơn các loại thép carbon thông thường, phù hợp với môi trường ẩm ướt.
- Hạn chế: Khả năng chống ăn mòn của Inox 420 không bằng các loại Inox Austenitic như 304 hay 316, đặc biệt trong môi trường chứa muối hoặc axit mạnh.
Tiêu chuẩn “DIN 471” – Tiêu chuẩn kỹ thuật của Đức:
- Ý nghĩa: “DIN 471” là một tiêu chuẩn kỹ thuật của Đức (Deutsches Institut für Normung), quy định các thông số kỹ thuật chi tiết cho phe gài trục.
- Tầm quan trọng: Tuân thủ tiêu chuẩn DIN 471 đảm bảo rằng phe gài được sản xuất với độ chính xác cao về kích thước (đường kính, độ dày, bề rộng rãnh), giúp nó lắp đặt vừa khít và hoạt động hiệu quả.
- Lựa chọn phù hợp: Tiêu chuẩn này đảm bảo tính đồng nhất của sản phẩm, giúp các kỹ sư và thợ máy dễ dàng lựa chọn phe gài phù hợp với các rãnh trên trục được gia công theo tiêu chuẩn.
Sự kết hợp giữa vật liệu “Inox 420” và tiêu chuẩn “DIN 471” giúp phe gài trục MS-PRO D43x1.75 trở thành một giải pháp định vị chắc chắn, bền bỉ và đáng tin cậy cho nhiều ứng dụng công nghiệp, đặc biệt là trong môi trường cần chống gỉ và chịu lực tốt.
5. Ưu và Nhược Điểm của Phe Gài Trục D43x1.75
Phe gài trục MS-PRO D43x1.75 được tin dùng nhờ hiệu suất và độ bền vượt trội. Tuy nhiên, việc lựa chọn tối ưu đòi hỏi phải hiểu rõ cả ưu điểm lẫn nhược điểm của nó.
Ưu điểm nổi bật:
- Độ bền và khả năng chịu tải cao: Vật liệu Inox 420 sau khi nhiệt luyện mang lại độ cứng và khả năng chịu lực hướng trục vượt trội, giúp cố định các chi tiết máy một cách chắc chắn.
- Chống ăn mòn hiệu quả: Vật liệu Inox 420 giúp phe gài chống lại sự gỉ sét trong môi trường ẩm ướt, hóa chất nhẹ, kéo dài tuổi thọ sản phẩm.
- Lắp đặt và tháo gỡ dễ dàng: Thiết kế có hai lỗ ở hai đầu giúp việc sử dụng kềm gài chuyên dụng trở nên đơn giản, nhanh chóng, không gây hỏng hóc cho trục và các chi tiết lân cận.
- Tiêu chuẩn hóa cao: Tuân thủ tiêu chuẩn DIN 471, đảm bảo kích thước chính xác, dễ dàng thay thế và sử dụng cho các ứng dụng tiêu chuẩn.
- Giá cả hợp lý: Với chất lượng và độ bền cao, giá thành của phe gài MS-PRO Inox 420 rất cạnh tranh, là giải pháp kinh tế hiệu quả cho các doanh nghiệp.
Nhược điểm cần lưu ý:
- Khả năng chống ăn mòn hạn chế: So với các loại Inox 304 hay 316, Inox 420 có khả năng chống ăn mòn kém hơn trong môi trường muối hoặc axit mạnh.
- Yêu cầu dụng cụ chuyên dụng: Cần sử dụng kềm gài chuyên dụng để lắp đặt và tháo gỡ, không thể dùng tay hoặc các dụng cụ thông thường.
- Độ giòn cao sau nhiệt luyện: Do độ cứng cao, phe gài có thể trở nên giòn hơn và có nguy cơ nứt gãy nếu bị tác động lực quá mạnh không đúng cách.
- Kích thước cố định: Phe gài chỉ phù hợp với trục có đường kính 43mm và rãnh 1.85mm, không linh hoạt cho các kích thước khác.
6. Ứng Dụng Thực Tế của Phe Gài Trục DIN471
Với kích thước tiêu chuẩn, khả năng chịu tải tốt và đặc tính chống ăn mòn, phe gài trục DIN471 D43x1.75 được ứng dụng rộng rãi trong nhiều lĩnh vực công nghiệp và dân dụng tại TP. Hồ Chí Minh và các khu công nghiệp lân cận, đặc biệt là những nơi yêu cầu khả năng định vị chắc chắn trong môi trường có độ ẩm nhất định:
- Chế tạo máy: Định vị các chi tiết máy như bánh răng, vòng bi, pu-li, cam trên trục quay.
- Hộp số và hệ thống truyền động: Đảm bảo các bánh răng và các bộ phận bên trong hộp số không bị dịch chuyển dọc trục.
- Thiết bị nông nghiệp và xây dựng: Dùng trong các máy móc cần cố định các trục quay và các chi tiết liên quan.
- Ngành ô tô, xe máy: Sử dụng trong hệ thống truyền động, trục bánh xe để cố định các bộ phận.
- Thiết bị y tế và dân dụng: Phù hợp cho các thiết bị cần độ chính xác và khả năng chống ăn mòn nhẹ.
- Hệ thống băng tải: Cố định các con lăn và bánh xe trên trục băng tải, đảm bảo hoạt động trơn tru và liên tục.
7. Hướng Dẫn Lắp Đặt và Tháo Gỡ Phe Gài
Để đảm bảo tuổi thọ và hiệu suất tối ưu cho phe gài trục DIN471 D43x1.75, việc lắp đặt và tháo gỡ đúng cách là vô cùng quan trọng. Luôn tuân thủ các nguyên tắc an toàn và kỹ thuật của nhà sản xuất. Mecsu cung cấp hướng dẫn chi tiết dựa trên kinh nghiệm thực tế:
- Chuẩn bị: Đảm bảo môi trường làm việc sạch sẽ, khô ráo. Chuẩn bị đầy đủ dụng cụ chuyên dụng là kềm gài phe tương ứng. Luôn đeo găng tay bảo hộ và kính bảo hộ để đảm bảo an toàn. Kiểm tra trục và rãnh gài phải sạch sẽ, không có ba via, rỉ sét và đảm bảo đúng kích thước.
- Lắp đặt:
- Phương pháp cơ khí: Sử dụng kềm gài phe chuyên dụng, kẹp hai đầu của phe gài vào kềm. Bóp nhẹ kềm để phe co lại, sau đó đưa phe vào rãnh trên trục. Khi phe đã nằm gọn trong rãnh, từ từ nhả kềm để phe bung ra và ôm chặt vào rãnh. Tuyệt đối tránh tác dụng lực trực tiếp lên phe bằng búa hoặc các dụng cụ không chuyên.
- Lưu ý: Đảm bảo phe gài nằm gọn hoàn toàn trong rãnh và không bị lệch.
- Tháo gỡ:
- Sử dụng kềm gài chuyên dụng, kẹp vào hai lỗ trên phe. Bóp kềm để phe co lại, sau đó từ từ đưa phe ra khỏi rãnh trên trục.
- Tránh dùng tua vít hoặc các vật nhọn khác để cạy phe, vì có thể làm biến dạng phe hoặc làm hỏng rãnh trên trục.
- Bảo quản: Nếu không sử dụng ngay, hãy giữ phe gài trong bao bì gốc của nhà sản xuất, ở nơi khô ráo, thoáng mát, tránh ánh nắng trực tiếp và các hóa chất ăn mòn mạnh để ngăn ngừa rỉ sét và bụi bẩn xâm nhập.
8. So Sánh Phe Gài Trục với Phe Gài Lỗ và Phe Gài Trục Lò Xo
Việc hiểu rõ sự khác biệt giữa các loại phe gài sẽ giúp bạn lựa chọn sản phẩm phù hợp nhất cho ứng dụng của mình, tối ưu hóa hiệu suất và chi phí đầu tư:
| Tiêu chí | Phe Gài Trục (DIN471) | Phe Gài Lỗ (DIN472) | Phe Gài Trục Lò Xo (E-Clip) |
|---|---|---|---|
| Vị trí lắp đặt | Lắp trên trục | Lắp trong lỗ | Lắp trên trục (có rãnh) |
| Khả năng chịu tải | Tốt | Tốt | Trung bình (thấp hơn 2 loại trên) |
| Dụng cụ lắp | Kềm gài trục | Kềm gài lỗ | Dùng tay hoặc dụng cụ đơn giản |
| Độ chính xác | Cao (theo tiêu chuẩn DIN) | Cao (theo tiêu chuẩn DIN) | Trung bình |
| Tiêu chuẩn | DIN 471 | DIN 472 | DIN 6799 |
| Giá thành | Trung bình | Trung bình | Thấp nhất |
| Ứng dụng điển hình | Định vị bánh răng, vòng bi trên trục | Định vị trong lỗ, ổ đỡ | Các ứng dụng tải nhẹ, chi tiết nhỏ |
9. Cách Phân Biệt Phe Gài MS-PRO Thật – Giả – Lời Khuyên Từ Chuyên Gia Mecsu
Thị trường hiện nay có rất nhiều hàng giả, hàng nhái kém chất lượng, đặc biệt là với các sản phẩm phe gài chính hãng được ưa chuộng. Để đảm bảo bạn mua được phe gài MS-PRO chính hãng tại TP.HCM, Mecsu khuyến nghị kiểm tra các dấu hiệu sau:
a. Dấu hiệu của phe gài MS-PRO chính hãng:
- Bao bì chất lượng cao: Sắc nét, thông tin sản phẩm rõ ràng, đầy đủ mã sản phẩm, kích thước và thông tin nhà sản xuất. Bạn sẽ thấy sự tỉ mỉ trong từng chi tiết.
- Gia công hoàn thiện: Phe gài được gia công chính xác, bề mặt nhẵn mịn, không có ba via, không có dấu hiệu rỉ sét, đường cắt sắc nét.
- Độ đàn hồi tốt: Khi sử dụng kềm gài để bóp, phe có độ đàn hồi tốt, không bị biến dạng vĩnh viễn sau khi nhả ra.
- Màu sắc đồng nhất: Sản phẩm có màu sắc đặc trưng của Inox 420, không có các vệt ố vàng hoặc rỉ sét.
- Chứng từ đầy đủ: Nhà cung cấp uy tín sẽ cung cấp đầy đủ chứng từ xuất xứ và chất lượng, đảm bảo nguồn gốc sản phẩm.
b. Dấu hiệu của phe gài MS-PRO hàng giả/nhái:
- Gia công thô, có ba via, bề mặt không nhẵn mịn, có dấu hiệu cắt gọt cẩu thả.
- Bao bì thô, thông tin thiếu hoặc không chính xác.
- Sản phẩm dễ bị biến dạng, không có độ đàn hồi tốt khi sử dụng kềm gài.
- Có dấu hiệu rỉ sét, màu sắc không đồng nhất, vật liệu kém chất lượng.
- Giá bán rẻ bất thường so với mức giá thị trường của sản phẩm chính hãng – đây là dấu hiệu cảnh báo lớn nhất.
10. Giá Bán & Gợi Ý Mua Phe Gài Trục Chính Hãng Tại TP.HCM
a. Giá Phe Gài Trục Inox 420 DIN471 D43x1.75 (TP.Hồ Chí Minh) tại Mecsu: Giá: 50,944 đ / Bịch (đã có VAT) – Giá hợp lý, phù hợp với chất lượng sản phẩm chính hãng
Liên hệ để nhận báo giá tốt nhất (giá có thể thay đổi tùy thời điểm và số lượng) – mức giá hợp lý, phù hợp với chất lượng sản phẩm chính hãng MS-PRO tại thị trường linh kiện cơ khí TP.HCM.
b. Gợi ý mua phe gài chính hãng uy tín
- Chọn nhà cung cấp uy tín tại TP.HCM: Ưu tiên đối tác có chứng nhận hoặc đơn vị lâu năm, được nhiều khách hàng tin tưởng và có danh tiếng trên thị trường cung cấp linh kiện cơ khí tại TP.HCM.
- Kiểm tra chứng từ đầy đủ: Luôn yêu cầu đầy đủ chứng từ xuất xứ và chất lượng để đảm bảo nguồn gốc và chất lượng sản phẩm.
- Mua tại Mecsu – Nhà phân phối linh kiện cơ khí uy tín tại Việt Nam: Mecsu tự hào là nhà phân phối chính hãng MS-PRO và nhiều thương hiệu khác tại Việt Nam, cam kết cung cấp “phe gài trục chính hãng” và các loại “linh kiện cơ khí khác” với nhiều lợi ích vượt trội:
- 100% sản phẩm chính hãng: Đảm bảo nguồn gốc rõ ràng, đầy đủ chứng từ. Chúng tôi cam kết hoàn tiền 100% hoặc đổi trả nếu sản phẩm không phải chính hãng.
- Chính sách bảo hành minh bạch: Hỗ trợ đổi trả nếu có lỗi từ nhà sản xuất, mang lại sự an tâm tuyệt đối cho khách hàng.
- Hỗ trợ kỹ thuật chuyên sâu: Đội ngũ kỹ sư giàu kinh nghiệm sẵn sàng hỗ trợ bạn về kỹ thuật và lựa chọn sản phẩm phù hợp nhất cho mọi ứng dụng.
- Giá cả cạnh tranh: Đảm bảo mức giá tốt nhất đi kèm chất lượng, với chính sách chiết khấu hấp dẫn cho đơn hàng số lượng lớn, đặc biệt khi “mua phe gài số lượng lớn”.
MUA THÊM NHIỀU LOẠI PHE GÀI CHÍNH HÃNG KHÁC TẠI MECSU
11. FAQ về Phe Gài Trục DIN471 D43x1.75
a. Phe gài trục Inox 420 DIN471 D43x1.75 có cần bảo dưỡng không?
Phe gài là chi tiết cơ khí thụ động, không yêu cầu bảo dưỡng định kỳ. Tuy nhiên, bạn nên kiểm tra định kỳ để đảm bảo phe không bị biến dạng, rỉ sét hoặc lỏng lẻo. Nếu phát hiện dấu hiệu hư hỏng, cần thay thế ngay để đảm bảo an toàn cho hệ thống.
b. Phe gài này có dùng được cho trục 40mm không?
Không. Mã “D43” chỉ rõ phe gài này được thiết kế riêng cho trục có đường kính 43mm. Việc sử dụng sai kích thước sẽ làm giảm khả năng định vị, gây lỏng lẻo hoặc làm hỏng rãnh trục.
c. Kềm gài phe gài trục có giống kềm gài lỗ không?
Không, kềm gài trục và kềm gài lỗ có thiết kế khác nhau. Kềm gài trục có mũi kẹp hướng ra ngoài để bóp phe lại, trong khi kềm gài lỗ có mũi kẹp hướng vào trong để nới phe ra. Bạn cần sử dụng đúng loại kềm để lắp đặt và tháo gỡ an toàn, hiệu quả.
d. Làm sao biết phe gài D43x1.75 của tôi là hàng chính hãng MS-PRO?
Bạn nên mua từ nhà phân phối uy tín (như Mecsu), kiểm tra bao bì (logo, mã sản phẩm rõ nét), sản phẩm được gia công tỉ mỉ, bề mặt nhẵn mịn, có độ đàn hồi tốt.
e. Khi nào cần thay thế phe gài D43x1.75?
Bạn nên thay thế phe gài khi nhận thấy các dấu hiệu sau:
- Biến dạng vật lý: Phe gài bị cong vênh, nứt, móp méo hoặc có dấu hiệu hư hại rõ rệt do quá tải hoặc tháo lắp sai cách.
- Rỉ sét: Bề mặt phe gài có dấu hiệu bị ăn mòn, rỉ sét, làm giảm độ cứng và khả năng chịu lực.
- Lỏng lẻo: Phe không còn ôm chặt vào rãnh trên trục, có thể dễ dàng xoay hoặc trượt.
Kinh nghiệm từ các kỹ sư Mecsu: Việc kiểm tra định kỳ có thể giúp phát hiện sớm các dấu hiệu cần thay thế, tránh gây hư hại nghiêm trọng hơn cho toàn bộ hệ thống. Đừng ngần ngại liên hệ chúng tôi để được hỗ trợ kỹ thuật về lắp đặt phe gài hoặc thay thế linh kiện kịp thời.
f. Mua phe gài trục Inox 420 DIN471 D43x1.75 chính hãng, uy tín ở đâu tại TP.HCM?
Mua phe gài trục Inox 420 DIN471 D43x1.75 chính hãng và đảm bảo chất lượng tại TP.HCM, bạn hãy liên hệ ngay với Mecsu. Chúng tôi tự hào là nhà cung cấp uy tín, chuyên phân phối các sản phẩm MS-PRO chính hãng tại Việt Nam.
- Cam kết chất lượng: 100% sản phẩm có nguồn gốc rõ ràng, đầy đủ chứng từ. Chúng tôi cam kết hoàn tiền 100% hoặc đổi trả nếu sản phẩm không phải chính hãng.
- Giá cả cạnh tranh: Đảm bảo mức giá tốt nhất đi kèm chất lượng, với chính sách chiết khấu hấp dẫn cho đơn hàng số lượng lớn.
- Tư vấn chuyên sâu: Đội ngũ kỹ sư giàu kinh nghiệm sẵn sàng hỗ trợ bạn về kỹ thuật và lựa chọn sản phẩm phù hợp nhất.
- Chính sách hậu mãi: Đảm bảo quyền lợi tối đa cho khách hàng với dịch vụ hỗ trợ nhanh chóng, tận tâm.
12. Liên Hệ và Hỗ Trợ Tư Vấn Mua Phe Gài
Nếu bạn có bất kỳ thắc mắc nào về phe gài trục DIN471 D43x1.75 hoặc cần tư vấn về giải pháp định vị cho ứng dụng cụ thể của mình, đừng ngần ngại liên hệ với đội ngũ chuyên gia của Mecsu. Chúng tôi luôn sẵn lòng hỗ trợ bạn tìm ra sản phẩm phù hợp và tối ưu nhất, đồng thời cung cấp những kiến thức độc quyền về kỹ thuật lắp đặt linh kiện mà bạn khó tìm thấy ở nơi khác.
Địa chỉ: B28/I – B29/I Đường số 2B, KCN Vĩnh Lộc, P. Bình Hưng Hòa B, Q. Bình Tân, TP.HCM
Hotline: 1800 8137
Email: [email protected]
Website: mecsu.vn
13. Thông Tin Bổ Sung & Kinh Nghiệm Thực Tế Từ Mecsu
a. Kinh Nghiệm Thực Tế & Câu Chuyện Thành Công
Tại Mecsu, chúng tôi tự hào là đối tác tin cậy của nhiều doanh nghiệp trong việc cung cấp các giải pháp linh kiện cơ khí chất lượng cao. “Phe gài trục Inox 420 DIN471 D43x1.75”, với đặc tính chịu tải tốt và khả năng chống ăn mòn, đã được ứng dụng trong nhiều dự án quan trọng của khách hàng chúng tôi tại “TP. Hồ Chí Minh” và các tỉnh lân cận, mang lại hiệu quả vượt trội và là minh chứng cho chất lượng sản phẩm cùng kinh nghiệm thực tế của đội ngũ Mecsu:
- Ngành chế tạo máy: Chúng tôi đã cung cấp “phe gài trục DIN471” cho một nhà sản xuất máy móc tại Bình Dương. Nhờ khả năng định vị chính xác và độ bền cao, phe gài này đã góp phần đáng kể vào việc nâng cao độ tin cậy của các chi tiết trên trục, đồng thời giảm thiểu chi phí bảo trì cho khách hàng.
- Lĩnh vực máy bơm công nghiệp: Phe gài trục Inox 420 được lựa chọn cho các ứng dụng máy bơm cần chịu tải trọng hướng trục đáng kể. Độ bền vượt trội của “phe gài chính hãng” đã giúp các bộ phận bên trong máy bơm hoạt động ổn định trong thời gian dài.
- Thiết bị chế biến thực phẩm: Một khách hàng chuyên sản xuất máy chế biến nông sản đã ứng dụng “phe gài trục Inox 420” vào các bộ phận trục quay chính. Khả năng chống ăn mòn của vật liệu Inox 420 đã giúp máy móc hoạt động ổn định và kéo dài tuổi thọ trong môi trường ẩm ướt.
b. Trích Dẫn Chuyên Gia
““Phe gài trục DIN471” là một lựa chọn tuyệt vời cho các ứng dụng công nghiệp cần sự cân bằng hoàn hảo giữa khả năng chịu tải và khả năng chống ăn mòn. Vật liệu Inox 420 mang lại lợi thế về độ cứng và độ bền, rất phù hợp cho những hệ thống mà khả năng chịu lực là yếu tố then chốt, đồng thời vẫn cung cấp một mức độ bảo vệ nhất định cho linh kiện khỏi các tác nhân môi trường. Đây là giải pháp đáng tin cậy và hiệu quả cho nhiều loại máy móc trong môi trường công nghiệp.”
— “Kỹ sư cơ khí Chuyên gia kỹ thuật Mecsu” (TP. Hồ Chí Minh) – Với hơn 10 năm kinh nghiệm trong lĩnh vực “linh kiện cơ khí công nghiệp”.
c. Tài Liệu Tham Khảo và Nghiên Cứu
Nội dung bài viết này được biên soạn dựa trên các tài liệu kỹ thuật chính thức và đáng tin cậy từ MS-PRO, cùng với kinh nghiệm thực tế chuyên sâu của đội ngũ kỹ sư Mecsu, đảm bảo tính chính xác, cập nhật và chuyên môn cao:
- MS-PRO Product Catalog (Danh mục sản phẩm MS-PRO chính thức) – Nguồn dữ liệu kỹ thuật chi tiết nhất về “phe gài”.
- Tiêu chuẩn DIN 471 – (Thông tin chuyên sâu về “tiêu chuẩn phe gài trục”) – Cung cấp cái nhìn toàn diện về tiêu chuẩn kỹ thuật này.
- Bảng dữ liệu kỹ thuật (Datasheet) chi tiết của Phe Gài Trục DIN471 D43x1.75 – Nguồn thông số kỹ thuật chính xác.
- Trải nghiệm thực tế và phản hồi từ các dự án khách hàng của Mecsu – “Dữ liệu độc nhất” được thu thập từ hơn 10 năm cung cấp “linh kiện cơ khí” và “giải pháp định vị” cho các doanh nghiệp tại Việt Nam.
Biên soạn bởi: Đội ngũ Kỹ sư Mecsu
Với hơn 10 năm kinh nghiệm chuyên sâu trong lĩnh vực phân phối và tư vấn giải pháp linh kiện cơ khí, đội ngũ kỹ sư của Mecsu cam kết mang đến những thông tin chính xác, cập nhật và hữu ích nhất, giúp quý khách hàng đưa ra lựa chọn sản phẩm tối ưu cho mọi ứng dụng.
(Xem thêm thông tin về chúng tôi tại Website Mecsu)
Lưu ý: Hình ảnh sản phẩm có thể khác biệt so với thực tế tùy theo lô sản xuất. Vui lòng tham khảo thông số kỹ thuật chi tiết hoặc liên hệ Mecsu để có thông tin chính xác nhất về sản phẩm.



















Đánh giá
Chưa có đánh giá nào.