Mô tả sản phẩm
Thông tin CHUYÊN SÂU về Phe Gài Trục Inox 420 D45x1.75
Mục Lục
- 1. Phe Gài Trục Inox 420 D45x1.75 Là Gì? – Giải Thích Chuyên Sâu
- 2. Thông Số Kỹ Thuật Chi Tiết của Phe Gài Trục Inox 420 D45x1.75
- 3. Cấu Tạo Chi Tiết Phe Gài Trục Inox 420 D45x1.75
- 4. Phân Tích Chuyên Sâu: Vật Liệu Inox 420 và Tiêu Chuẩn DIN 471
- 5. Ưu và Nhược Điểm của Phe Gài Trục Inox 420 D45x1.75
- 6. Ứng Dụng Thực Tế của Phe Gài Trục Inox 420 D45x1.75
- 7. Hướng Dẫn Lắp Đặt và Tháo Gỡ Phe Gài Trục Inox 420 D45x1.75
- 8. So Sánh Phe Gài Trục Inox 420 với các loại Phe Gài khác
- 9. Cách Phân Biệt Phe Gài Trục Chính Hãng – Lời Khuyên Từ Chuyên Gia Mecsu
- 10. Giá Bán & Gợi Ý Mua Phe Gài Trục Chính Hãng Tại TP.HCM
- 11. FAQ về Phe Gài Trục Inox 420 D45x1.75
- 12. Liên Hệ và Hỗ Trợ Tư Vấn Mua Phe Gài MS-PRO
- 13. Thông Tin Bổ Sung & Kinh Nghiệm Thực Tế Từ Mecsu
1. Phe Gài Trục Inox 420 D45x1.75 Là Gì? – Giải Thích Chuyên Sâu
Phe gài trục Inox 420 D45x1.75, còn gọi là phe vênh trục hoặc vòng chặn trục, là một chi tiết cơ khí quan trọng được thiết kế để định vị các bộ phận trên trục. Mã “D45x1.75” là ký hiệu kích thước tiêu chuẩn, với đường kính trục sử dụng là 45mm và độ dày là 1.75mm. Vật liệu Inox 420 mang lại khả năng chống ăn mòn và độ cứng cao, phù hợp với nhiều môi trường làm việc.
Loại phe gài này được làm từ thép không gỉ (Inox) 420, một loại mactensit có hàm lượng carbon cao. Điều này giúp phe gài có độ cứng và khả năng chịu mài mòn vượt trội sau khi nhiệt luyện, lý tưởng cho các ứng dụng đòi hỏi độ bền cơ học cao.
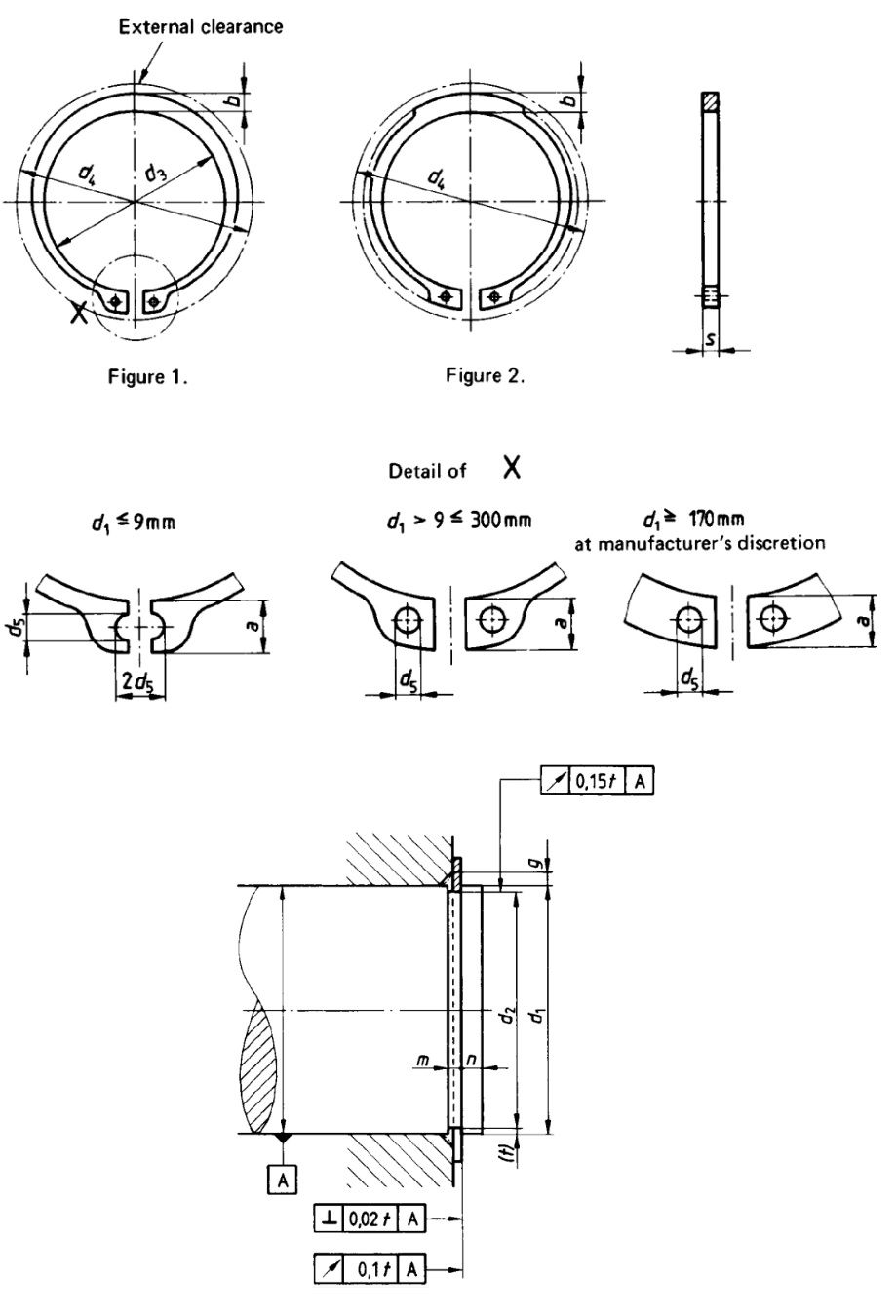
2. Thông Số Kỹ Thuật Chi Tiết của Phe Gài Trục Inox 420 D45x1.75
d1: Đường kính trục sử dụng
d2: Đường kính rãnh sử dụng
d3: Đường kính trong
s: Độ dày
a: Bề rộng rãnh sử dụng
| Thông số | Giá trị |
|---|---|
| Mã sản phẩm | Phe Gài Trục Inox 420 D45x1.75 |
| Loại phe gài | Phe Gài Trục (External Circlip) |
| Dùng cho trục (d1) | 45 mm |
| Đường kính rãnh sử dụng (d2) | 42.5 mm |
| Đường kính trong (d3) | 41.5 mm |
| Bề rộng rãnh sử dụng (a) | 1.85 mm |
| Độ dày (s) | 1.75 mm |
| Tiêu chuẩn | DIN 471 |
| Vật liệu | Inox 420 |
| Thương hiệu | MS-PRO |
| Trọng lượng tinh của sản phẩm | ~0.01 kg (ước tính) |
3. Cấu Tạo Chi Tiết Phe Gài Trục Inox 420 D45x1.75
Phe gài trục Inox 420 D45x1.75 được cấu thành từ một vòng tròn không hoàn chỉnh, với hai đầu có lỗ để lắp đặt.
Sơ đồ cấu tạo Phe Gài Trục Inox 420 D45x1.75:
- Vòng phe: Phần thân chính của phe gài, có dạng vòng tròn không kín, được lắp vào rãnh trên trục. Vật liệu Inox 420 đảm bảo độ đàn hồi và độ bền cao.
- Lỗ lắp: Hai lỗ nhỏ ở hai đầu của phe, dùng để đưa kìm chuyên dụng vào khi lắp đặt hoặc tháo gỡ.
4. Phân Tích Chuyên Sâu: Vật Liệu Inox 420 và Tiêu Chuẩn DIN 471
Để thực sự hiểu giá trị của phe gài trục Inox 420 D45x1.75, việc phân tích sâu hơn về hai yếu tố then chốt: “vật liệu Inox 420” và “tiêu chuẩn DIN 471” là rất quan trọng.
Vật liệu “Inox 420” – Thép không gỉ mactensit:
- Chức năng chính: Cung cấp độ cứng, khả năng chịu mài mòn và chống ăn mòn ở mức độ nhất định. Inox 420 thuộc nhóm thép không gỉ mactensit, có hàm lượng carbon cao hơn các loại Inox thông thường như 304 hay 316.
- Đặc điểm nổi bật: Sau khi xử lý nhiệt (nhiệt luyện), vật liệu này đạt được độ cứng rất cao (có thể lên tới 50 HRC), giúp phe gài chịu được tải trọng và va đập tốt hơn, không bị biến dạng dưới áp lực.
- Ưu điểm vượt trội: Nhờ độ cứng và khả năng chịu mài mòn, phe gài trục Inox 420 lý tưởng cho các ứng dụng có ma sát hoặc cần độ bền cơ học cao. Khả năng chống ăn mòn giúp phe hoạt động hiệu quả trong môi trường ẩm ướt hoặc tiếp xúc với hóa chất nhẹ.
- Hạn chế: Khả năng chống ăn mòn của Inox 420 không bằng các loại Inox Austenit như 304 hay 316, đặc biệt trong môi trường muối hoặc axit mạnh.
Tiêu chuẩn “DIN 471”:
- Ý nghĩa: “DIN 471” là tiêu chuẩn Đức quy định kích thước, dung sai và yêu cầu kỹ thuật cho phe gài trục. Việc sản xuất theo tiêu chuẩn này đảm bảo sản phẩm có độ chính xác cao và khả năng tương thích với các rãnh trục tiêu chuẩn quốc tế.
- Tầm quan trọng: Tiêu chuẩn này đảm bảo phe gài D45x1.75 sẽ vừa khít với rãnh có kích thước và dung sai tương ứng, từ đó tối ưu hóa khả năng chịu tải và định vị.
- Lựa chọn phù hợp: Phe gài sản xuất theo tiêu chuẩn DIN 471 đảm bảo sự ổn định và tin cậy cho hệ thống cơ khí, giúp các kỹ sư dễ dàng lựa chọn và thay thế mà không cần lo lắng về sự không tương thích.
Sự kết hợp giữa vật liệu Inox 420 và tiêu chuẩn DIN 471 giúp phe gài trục D45x1.75 trở thành một giải pháp định vị chắc chắn và bền bỉ, phù hợp cho nhiều loại máy móc đòi hỏi độ chính xác và khả năng chống mài mòn.
5. Ưu và Nhược Điểm của Phe Gài Trục Inox 420 D45x1.75
Phe gài trục Inox 420 D45x1.75 được tin dùng rộng rãi nhờ hiệu suất và độ bền vượt trội. Tuy nhiên, việc lựa chọn tối ưu đòi hỏi phải hiểu rõ cả ưu điểm lẫn nhược điểm của nó.
Ưu điểm nổi bật:
- Độ cứng và độ bền cao: Vật liệu Inox 420 sau khi xử lý nhiệt đạt độ cứng lớn, giúp phe gài chịu được lực tác động và va đập mà không bị biến dạng.
- Khả năng chống ăn mòn: Chống chịu tốt trong môi trường ẩm ướt, không bị gỉ sét, giúp kéo dài tuổi thọ sản phẩm.
- Định vị chắc chắn: Thiết kế theo tiêu chuẩn DIN 471 đảm bảo phe gài ôm sát rãnh trục, giữ các chi tiết cố định và không bị xê dịch.
- Giá thành hợp lý: Sản phẩm của thương hiệu MS-PRO đảm bảo chất lượng với mức giá cạnh tranh, là giải pháp kinh tế cho các doanh nghiệp.
- Dễ dàng lắp đặt và tháo gỡ: Sử dụng kìm phe gài chuyên dụng, quá trình lắp đặt và tháo gỡ diễn ra nhanh chóng, tiện lợi cho việc bảo trì, sửa chữa.
Nhược điểm cần lưu ý:
- Khả năng chống ăn mòn hạn chế: So với các loại Inox cao cấp hơn như 304, 316, Inox 420 có khả năng chống ăn mòn kém hơn trong môi trường hóa chất mạnh hoặc nước biển.
- Yêu cầu rãnh chính xác: Để phe gài hoạt động hiệu quả, rãnh trên trục phải được gia công chính xác về đường kính và bề rộng theo tiêu chuẩn.
6. Ứng Dụng Thực Tế của Phe Gài Trục Inox 420 D45x1.75
Với kích thước tiêu chuẩn và đặc tính bền bỉ, phe gài trục Inox 420 D45x1.75 được ứng dụng rộng rãi trong nhiều lĩnh vực công nghiệp và dân dụng tại TP. Hồ Chí Minh và các khu công nghiệp lân cận, đặc biệt là những nơi yêu cầu khả năng định vị và chống ăn mòn:
- Động cơ điện và hộp số: Dùng để định vị các bánh răng, bạc đạn hoặc các chi tiết khác trên trục, đảm bảo hoạt động ổn định.
- Máy móc nông nghiệp và xây dựng: Chịu được môi trường làm việc khắc nghiệt, chống gỉ sét hiệu quả.
- Thiết bị truyền động: Giữ các chi tiết như puly, khớp nối cố định trên trục.
- Ngành chế biến thực phẩm: Vật liệu Inox 420 giúp phe gài chống ăn mòn, phù hợp với một số môi trường sản xuất có độ ẩm cao.
- Các ứng dụng trong ngành ô tô, xe máy: Dùng trong các hệ thống trục quay cần độ bền và độ chính xác cao.
7. Hướng Dẫn Lắp Đặt và Tháo Gỡ Phe Gài Trục Inox 420 D45x1.75
Để đảm bảo tuổi thọ và hiệu suất tối ưu cho phe gài trục Inox 420 D45x1.75, việc lắp đặt và tháo gỡ đúng cách là vô cùng quan trọng. Luôn tuân thủ các nguyên tắc an toàn và kỹ thuật. Mecsu cung cấp hướng dẫn chi tiết dựa trên kinh nghiệm thực tế:
- Chuẩn bị: Đảm bảo môi trường làm việc sạch sẽ. Chuẩn bị đầy đủ dụng cụ chuyên dụng là kìm phe gài phù hợp với kích thước phe. Kiểm tra rãnh trên trục phải sạch, không có ba via hoặc rỉ sét.
- Lắp đặt:
- Dùng kìm phe gài chuyên dụng, bóp hai đầu của phe gài vào.
- Cẩn thận đặt phe gài vào vị trí trên trục.
- Nhả kìm từ từ để phe gài tự co lại và vào đúng rãnh. Đảm bảo phe gài đã nằm gọn và chắc chắn trong rãnh.
- Tháo gỡ:
- Sử dụng kìm phe gài chuyên dụng, bóp hai đầu của phe gài vào.
- Nhẹ nhàng nhấc phe gài ra khỏi rãnh.
- Tránh dùng tua vít hoặc các dụng cụ không chuyên để nạy phe, việc này có thể làm biến dạng phe và gây nguy hiểm.
- Bảo quản: Nếu không sử dụng ngay, hãy giữ phe gài trong bao bì gốc của nhà sản xuất, ở nơi khô ráo, thoáng mát, tránh ánh nắng trực tiếp và các hóa chất ăn mòn.
8. So Sánh Phe Gài Trục Inox 420 D45x1.75 với các loại Phe Gài khác
Việc hiểu rõ sự khác biệt giữa các loại phe gài sẽ giúp bạn lựa chọn sản phẩm phù hợp nhất cho ứng dụng của mình, tối ưu hóa hiệu suất và chi phí đầu tư:
| Tiêu chí | Phe Gài Lỗ DIN 472 | Phe Gài Trục DIN 471 | Phe Gài Lượn Sóng |
|---|---|---|---|
| Chất liệu/Loại phe | Thép carbon, Inox | Thép carbon, Inox | Thép carbon |
| Chức năng | Định vị chi tiết trong lỗ | Định vị chi tiết trên trục | Tạo áp lực, giảm rung động |
| Vị trí lắp đặt | Trong lỗ (ví dụ: gối đỡ vòng bi) | Trên trục | Trong rãnh trên trục |
| Ưu điểm | Định vị chắc chắn, chịu tải lớn | Định vị chắc chắn, chịu tải lớn | Hấp thụ va đập, giảm độ rung |
| Độ phức tạp lắp đặt | Dùng kìm chuyên dụng | Dùng kìm chuyên dụng | Dễ lắp hơn, không cần kìm |
| Giá thành | Trung bình | Trung bình | Thấp hơn |
| Ứng dụng điển hình | Hộp số, bơm, xi lanh | Trục động cơ, bánh xe, puly | Các ứng dụng cần độ giảm chấn |
9. Cách Phân Biệt Phe Gài Trục Chính Hãng – Lời Khuyên Từ Chuyên Gia Mecsu
Thị trường hiện nay có rất nhiều hàng giả, hàng nhái kém chất lượng. Để đảm bảo bạn mua được phe gài trục chính hãng, Mecsu khuyến nghị kiểm tra các dấu hiệu sau:
a. Dấu hiệu của phe gài chính hãng:
- Bao bì chất lượng cao: Sắc nét, thông tin sản phẩm rõ ràng, đầy đủ mã sản phẩm, kích thước và thông tin xuất xứ. Bạn sẽ thấy sự tỉ mỉ trong từng chi tiết.
- Hoàn thiện sản phẩm: Bề mặt nhẵn mịn, không có ba via, rỉ sét, hoặc các khuyết tật gia công. Các lỗ lắp đồng đều và không bị biến dạng.
- Độ đàn hồi tốt: Khi dùng kìm bóp vào, phe gài có độ đàn hồi cao, không bị biến dạng vĩnh viễn sau khi nhả ra.
- Chứng từ đầy đủ: Nhà cung cấp uy tín sẽ cung cấp đầy đủ chứng nhận chất lượng (CQ) từ nhà sản xuất, đảm bảo nguồn gốc và chất lượng sản phẩm.
b. Dấu hiệu của phe gài hàng giả/nhái:
- In ấn mờ nhạt, thông tin thiếu hoặc không chính xác trên bao bì.
- Sản phẩm có ba via, bề mặt thô ráp, không đồng đều, có dấu hiệu rỉ sét hoặc được làm từ vật liệu kém chất lượng.
- Độ đàn hồi kém: Khi bóp vào dễ bị biến dạng, không trở lại hình dạng ban đầu.
- Giá bán rẻ bất thường so với mức giá thị trường của sản phẩm chính hãng – đây là dấu hiệu cảnh báo lớn nhất.
10. Giá Bán & Gợi Ý Mua Phe Gài Trục Inox 420 D45x1.75 Chính Hãng Tại TP.HCM
a. Giá phe gài trục Inox 420 D45x1.75 tại Mecsu: Giá: 9,456 đ / Cái (đã có VAT) – Giá hợp lý, phù hợp với chất lượng sản phẩm chính hãng
Liên hệ để nhận báo giá tốt nhất (giá có thể thay đổi tùy thời điểm và số lượng) – mức giá hợp lý, phù hợp với chất lượng sản phẩm chính hãng MS-PRO tại thị trường phe gài TP.HCM.
b. Gợi ý mua phe gài chính hãng uy tín
- Chọn nhà cung cấp uy tín tại TP.HCM: Ưu tiên đối tác có chứng nhận hoặc đơn vị lâu năm, được nhiều khách hàng tin tưởng và có danh tiếng trên thị trường cung cấp linh kiện cơ khí tại TP.HCM.
- Kiểm tra chứng từ đầy đủ: Luôn yêu cầu đầy đủ chứng nhận chất lượng (CQ) để đảm bảo nguồn gốc và chất lượng sản phẩm. Điều này giúp bạn tránh mua phải hàng giả.
- Mua tại Mecsu – Đại lý ủy quyền MS-PRO tại Việt Nam: Mecsu tự hào là nhà phân phối chính hãng MS-PRO tại Việt Nam, cam kết cung cấp phe gài trục Inox 420 D45x1.75 chính hãng và các loại phe gài khác với nhiều lợi ích vượt trội:
- 100% sản phẩm chính hãng: Đảm bảo nguồn gốc rõ ràng, đầy đủ chứng từ. Chúng tôi cam kết hoàn tiền 100% hoặc đổi trả nếu sản phẩm không phải chính hãng.
- Chính sách bảo hành minh bạch: Hỗ trợ đổi trả nếu có lỗi từ nhà sản xuất, mang lại sự an tâm tuyệt đối cho khách hàng.
- Hỗ trợ kỹ thuật chuyên sâu: Đội ngũ kỹ sư giàu kinh nghiệm sẵn sàng hỗ trợ bạn về kỹ thuật và lựa chọn sản phẩm phù hợp nhất cho mọi ứng dụng.
- Giá cả cạnh tranh: Đảm bảo mức giá tốt nhất đi kèm chất lượng, với chính sách chiết khấu hấp dẫn cho đơn hàng số lượng lớn, đặc biệt khi mua phe gài số lượng lớn.
MUA THÊM NHIỀU LOẠI PHE GÀI CHÍNH HÃNG KHÁC TẠI MECSU
11. FAQ về Phe Gài Trục Inox 420 D45x1.75
a. Phe gài trục Inox 420 có cần bảo dưỡng không?
Phe gài trục Inox 420 D45x1.75 không yêu cầu bảo dưỡng định kỳ. Tuy nhiên, bạn nên kiểm tra định kỳ để đảm bảo phe không bị biến dạng, rỉ sét hoặc mòn, đặc biệt nếu phe hoạt động trong môi trường ẩm ướt hoặc có hóa chất.
b. Phe gài trục có chịu được tải trọng cao không?
Có. Phe gài trục được thiết kế để chịu tải trọng dọc trục (axial load) rất tốt, đặc biệt là khi được lắp đặt đúng cách trong rãnh gia công chính xác.
c. Tiêu chuẩn DIN 471 có ý nghĩa gì?
Tiêu chuẩn DIN 471 quy định kích thước và dung sai cho phe gài lắp trên trục, đảm bảo tính tương thích và hiệu suất của sản phẩm.
d. Làm sao biết phe gài của tôi là hàng chính hãng?
Bạn nên mua từ nhà phân phối uy tín (như Mecsu), kiểm tra bao bì và chất lượng hoàn thiện của sản phẩm.
e. Khi nào cần thay thế phe gài?
Bạn nên thay thế phe gài khi nhận thấy các dấu hiệu sau:
- Biến dạng: Phe bị cong, vênh, không còn giữ được hình dạng ban đầu.
- Rỉ sét hoặc ăn mòn: Bề mặt phe bị rỉ sét nghiêm trọng, ảnh hưởng đến độ bền.
- Mòn: Phe bị mòn do ma sát, không còn ôm sát rãnh.
- Đứt gãy: Phe bị nứt hoặc gãy trong quá trình hoạt động.
Kinh nghiệm từ các kỹ sư Mecsu: Việc kiểm tra định kỳ bằng mắt thường có thể giúp phát hiện sớm các dấu hiệu cần thay thế, tránh gây hư hại nghiêm trọng hơn cho toàn bộ hệ thống. Đừng ngần ngại liên hệ chúng tôi để được hỗ trợ kỹ thuật về bảo trì hoặc thay thế phe gài kịp thời.
f. Mua phe gài trục Inox 420 D45x1.75 chính hãng, uy tín ở đâu tại TP.HCM?
Mua phe gài trục Inox 420 D45x1.75 chính hãng và đảm bảo chất lượng tại TP.HCM, bạn hãy liên hệ ngay với Mecsu. Chúng tôi tự hào là nhà cung cấp uy tín, chuyên phân phối các sản phẩm phe gài MS-PRO chính hãng tại Việt Nam.
- Cam kết chất lượng: 100% sản phẩm có nguồn gốc rõ ràng, đầy đủ chứng từ CQ. Chúng tôi cam kết hoàn tiền 100% hoặc đổi trả nếu sản phẩm không đúng chất lượng.
- Giá cả cạnh tranh: Đảm bảo mức giá tốt nhất đi kèm chất lượng, với chính sách chiết khấu hấp dẫn cho đơn hàng số lượng lớn.
- Tư vấn chuyên sâu: Đội ngũ kỹ sư giàu kinh nghiệm sẵn sàng hỗ trợ bạn về kỹ thuật và lựa chọn sản phẩm phù hợp nhất.
- Chính sách hậu mãi: Đảm bảo quyền lợi tối đa cho khách hàng với dịch vụ hỗ trợ nhanh chóng, tận tâm.
12. Liên Hệ và Hỗ Trợ Tư Vấn Mua Phe Gài MS-PRO
Nếu bạn có bất kỳ thắc mắc nào về phe gài trục Inox 420 D45x1.75 hoặc cần tư vấn về giải pháp phe gài cho ứng dụng cụ thể của mình, đừng ngần ngại liên hệ với đội ngũ chuyên gia của Mecsu. Chúng tôi luôn sẵn lòng hỗ trợ bạn tìm ra sản phẩm phù hợp và tối ưu nhất, đồng thời cung cấp những kiến thức độc quyền về kỹ thuật bảo trì mà bạn khó tìm thấy ở nơi khác.
Địa chỉ: B28/I – B29/I Đường số 2B, KCN Vĩnh Lộc, P. Bình Hưng Hòa B, Q. Bình Tân, TP.HCM
Hotline: 1800 8137
Email: [email protected]
Website: mecsu.vn
13. Thông Tin Bổ Sung & Kinh Nghiệm Thực Tế Từ Mecsu
a. Kinh Nghiệm Thực Tế & Câu Chuyện Thành Công
Tại Mecsu, chúng tôi tự hào là đối tác tin cậy của nhiều doanh nghiệp trong việc cung cấp các giải pháp phe gài chất lượng cao. Phe gài trục Inox 420 D45x1.75, với đặc tính chịu tải tốt và khả năng chống ăn mòn, đã được ứng dụng trong nhiều dự án quan trọng của khách hàng chúng tôi tại TP. Hồ Chí Minh và các tỉnh lân cận, mang lại hiệu quả vượt trội và là minh chứng cho chất lượng sản phẩm cùng kinh nghiệm thực tế của đội ngũ Mecsu:
a. Kinh Nghiệm Thực Tế & Câu Chuyện Thành Công
Tại Mecsu, chúng tôi tự hào là đối tác tin cậy của nhiều doanh nghiệp trong việc cung cấp các giải pháp phe gài chất lượng cao. “Phe gài trục Inox 420 D45x1.75”, với đặc tính chịu tải tốt và khả năng chống mài mòn, đã được ứng dụng trong nhiều dự án quan trọng của khách hàng chúng tôi tại “TP. Hồ Chí Minh” và các tỉnh lân cận, mang lại hiệu quả vượt trội và là minh chứng cho chất lượng sản phẩm cùng kinh nghiệm thực tế của đội ngũ Mecsu:
- Ngành sản xuất động cơ điện: Chúng tôi đã cung cấp “Phe gài trục Inox 420 D45x1.75” cho một nhà sản xuất động cơ điện lớn tại Bình Dương. Nhờ khả năng định vị chắc chắn, bền bỉ, phe gài đã góp phần đáng kể vào việc nâng cao hiệu suất và độ tin cậy của động cơ, đồng thời giảm thiểu chi phí bảo trì cho khách hàng.
- Lĩnh vực máy bơm công nghiệp: Phe gài trục Inox 420 D45x1.75 được lựa chọn cho các ứng dụng máy bơm cần chịu tải trọng dọc trục đáng kể. Độ tin cậy vượt trội của “phe gài chính hãng” đã giúp máy bơm hoạt động ổn định trong thời gian dài, ngay cả trong điều kiện làm việc liên tục.
- Thiết bị chế biến nông sản: Một khách hàng chuyên sản xuất máy chế biến nông sản đã ứng dụng “phe gài trục” vào các bộ phận trục quay chính. Khả năng chống ăn mòn của vật liệu Inox 420 và độ bền của phe đã giúp máy móc hoạt động ổn định và kéo dài tuổi thọ trong môi trường có nhiều tạp chất từ nông sản.
b. Trích Dẫn Chuyên Gia
““Phe gài trục Inox 420 D45x1.75” là một lựa chọn tuyệt vời cho các ứng dụng công nghiệp cần sự cân bằng hoàn hảo giữa độ bền cơ học, khả năng chống ăn mòn và giá thành hợp lý. Vật liệu Inox 420 được nhiệt luyện giúp sản phẩm có độ cứng cao, rất phù hợp cho những hệ thống cần định vị chi tiết một cách chắc chắn và chịu được tải trọng. Đây là giải pháp đáng tin cậy và hiệu quả cho nhiều loại máy móc trong môi trường công nghiệp.”
— “Kỹ sư cơ khí Chuyên gia kỹ thuật Mecsu” (TP. Hồ Chí Minh) – Với hơn 10 năm kinh nghiệm trong lĩnh vực “linh kiện cơ khí công nghiệp”.
c. Tài Liệu Tham Khảo và Nghiên Cứu
Nội dung bài viết này được biên soạn dựa trên các tài liệu kỹ thuật chính thức và đáng tin cậy từ MS-PRO, cùng với kinh nghiệm thực tế chuyên sâu của đội ngũ kỹ sư Mecsu, đảm bảo tính chính xác, cập nhật và chuyên môn cao:
- MS-PRO Product Catalog (Danh mục sản phẩm MS-PRO chính thức) – Nguồn dữ liệu kỹ thuật chi tiết nhất về “phe gài MS-PRO”.
- Tài liệu kỹ thuật DIN 471 (Thông tin chuyên sâu về “tiêu chuẩn phe gài trục DIN 471”) – Cung cấp cái nhìn toàn diện về tiêu chuẩn sản xuất này.
- Bảng dữ liệu kỹ thuật (Datasheet) chi tiết của Phe Gài Trục Inox 420 D45x1.75 – Nguồn thông số kỹ thuật chính xác.
- Trải nghiệm thực tế và phản hồi từ các dự án khách hàng của Mecsu – “Dữ liệu độc nhất” được thu thập từ hơn 10 năm cung cấp “linh kiện cơ khí” và “giải pháp phe gài” cho các doanh nghiệp tại Việt Nam.
Biên soạn bởi: Đội ngũ Kỹ sư Mecsu
Với hơn 10 năm kinh nghiệm chuyên sâu trong lĩnh vực phân phối và tư vấn giải pháp linh kiện cơ khí, đội ngũ kỹ sư của Mecsu cam kết mang đến những thông tin chính xác, cập nhật và hữu ích nhất, giúp quý khách hàng đưa ra lựa chọn sản phẩm tối ưu cho mọi ứng dụng.
(Xem thêm thông tin về chúng tôi tại Website Mecsu)
Lưu ý: Hình ảnh sản phẩm có thể khác biệt so với thực tế. Vui lòng tham khảo thông số kỹ thuật chi tiết hoặc liên hệ Mecsu để có thông tin chính xác nhất về sản phẩm.



















Đánh giá
Chưa có đánh giá nào.