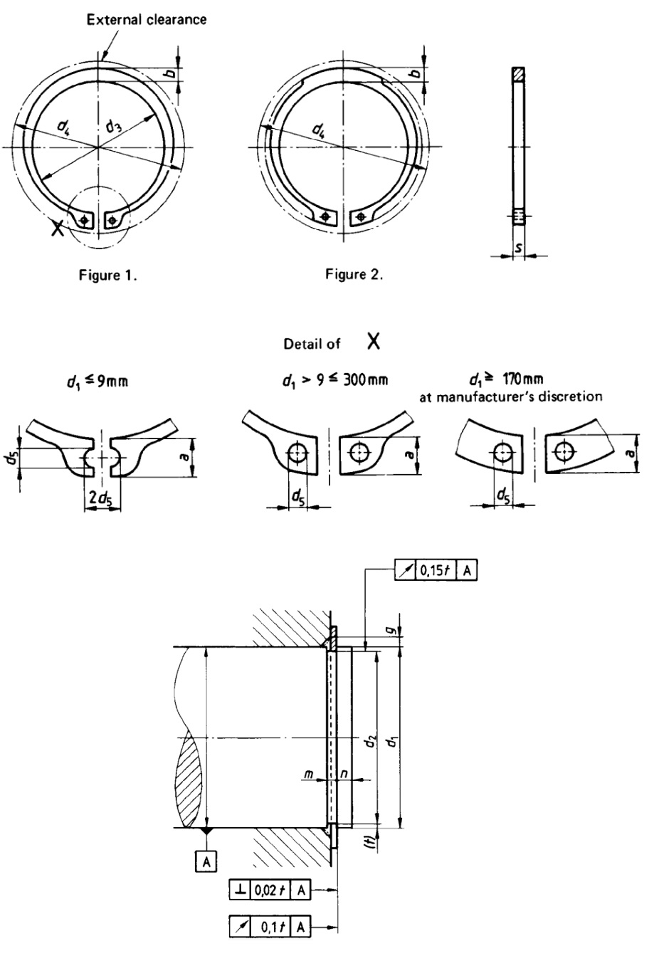
Phe Gài Trục Inox 420 DIN471 D52x2.0

13.177 

Dùng Cho Trục 52 mm
Vật Liệu Inox 420
Bề Rộng Rãnh Sử Dụng 2.15 mm
Đường Kính Rãnh Sử Dụng 49 mm
Đường Kính Trong 47.8 mm
SKU: 0056314 Danh mục: , Thương hiệu: