Mô tả sản phẩm
Thông tin CHUYÊN SÂU về Phe Gài Trục Inox 420 DIN471 D54x2.0
Mục Lục
- 1. Phe Gài Trục Inox 420 DIN471 Là Gì? – Giải Thích Chuyên Sâu
- 2. Thông Số Kỹ Thuật Chi Tiết của Phe Gài Trục DIN471 D54
- 3. Cấu Tạo Chi Tiết Phe Gài Trục Inox 420
- 4. Phân Tích Chuyên Sâu: Vật Liệu Inox 420 và Tiêu Chuẩn DIN 471
- 5. Ưu và Nhược Điểm của Phe Gài Trục DIN471 D54x2.0
- 6. Ứng Dụng Thực Tế của Phe Gài Trục Inox 420
- 7. Hướng Dẫn Lắp Đặt và Tháo Gỡ Phe Gài Trục DIN471
- 8. So Sánh Phe Gài Trục Inox 420 với Phe Gài Trục Thép Lò Xo
- 9. Cách Phân Biệt Phe Gài Trục MS-PRO Thật – Giả – Lời Khuyên Từ Chuyên Gia Mecsu
- 10. Giá Bán & Gợi Ý Mua Phe Gài Trục Chính Hãng Tại TP.HCM
- 11. FAQ về Phe Gài Trục DIN471 D54x2.0
- 12. Liên Hệ và Hỗ Trợ Tư Vấn Mua Phe Gài Trục
- 13. Thông Tin Bổ Sung & Kinh Nghiệm Thực Tế Từ Mecsu
1. Phe Gài Trục Inox 420 DIN471 Là Gì? – Giải Thích Chuyên Sâu
Phe gài trục Inox 420 DIN471 D54x2.0 là một loại chi tiết cơ khí quan trọng, được thiết kế để định vị và giữ chặt các bộ phận (như vòng bi, bánh răng, puli) trên trục quay. Mã “D54x2.0” là ký hiệu kích thước tiêu chuẩn, với đường kính trục sử dụng (d) là 54mm và độ dày (B) 2.0mm.
Loại phe gài này được làm từ vật liệu Inox 420, một loại thép không gỉ có hàm lượng carbon cao, mang lại độ cứng và khả năng chống ăn mòn tốt. Tiêu chuẩn DIN 471 đảm bảo sản phẩm tuân thủ các thông số kỹ thuật quốc tế về kích thước và chất lượng, giúp phe gài hoạt động hiệu quả và an toàn trong nhiều môi trường công nghiệp.
2. Thông Số Kỹ Thuật Chi Tiết của Phe Gài Trục DIN471 D54x2.0
d: Đường kính trục sử dụng
D: Đường kính ngoài
B: Độ dày
| Thông số | Giá trị |
|---|---|
| Mã sản phẩm | DIN471 D54x2.0 |
| Loại | Phe Gài Trục (External Circlip) |
| Dùng Cho Trục | 54 mm |
| Vật Liệu | Inox 420 |
| Tiêu Chuẩn | DIN 471 |
| Bề Rộng Rãnh Sử Dụng | 2.15 mm |
| Đường Kính Rãnh Sử Dụng | 51 mm |
| Đường Kính Trong | 49.8 mm |
| Độ Dày | 2 mm |
| Thương Hiệu | MS-PRO |
| Độ cứng | 45 – 55 HRC |
| Khả năng chống ăn mòn | Tốt |
| Kiểu lắp | Lắp trên trục |
| Tải trọng cho phép | Tùy thuộc vào ứng dụng và vật liệu trục |
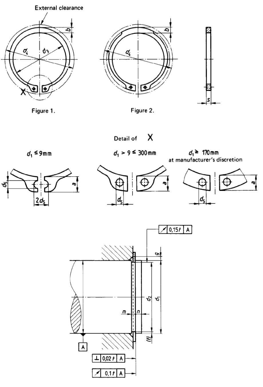
3. Cấu Tạo Chi Tiết Phe Gài Trục Inox 420
Phe gài trục DIN471 D54x2.0 có cấu tạo đơn giản nhưng hiệu quả, được thiết kế để vừa khít vào rãnh trên trục để giữ chặt các chi tiết khác:
Sơ đồ cấu tạo Phe Gài Trục Inox 420 theo tiêu chuẩn DIN 471:
- Vòng tròn hở: Có hình dạng chữ “C” hở, được làm từ tấm Inox 420, có độ đàn hồi cao giúp dễ dàng lắp đặt và tháo gỡ.
- Tai phe (lỗ): Hai đầu của vòng phe có hai lỗ nhỏ, dùng để móc kìm phe gài chuyên dụng khi lắp hoặc tháo ra khỏi trục.
- Vật liệu Inox 420: Đảm bảo độ bền, độ cứng và khả năng chống rỉ sét trong môi trường ẩm ướt hoặc hóa chất nhẹ.
4. Phân Tích Chuyên Sâu: Vật Liệu Inox 420 và Tiêu Chuẩn DIN 471
Để thực sự hiểu giá trị của phe gài trục Inox 420 DIN471, việc phân tích sâu hơn về hai yếu tố then chốt: “vật liệu Inox 420” và “tiêu chuẩn DIN 471” là rất quan trọng.
Vật liệu Inox 420 – Thép không gỉ có độ cứng cao:
- Thành phần chính: Inox 420 là loại thép Martensite, chứa khoảng 12-14% Crom và hàm lượng Carbon cao hơn so với các loại Inox khác.
- Đặc điểm nổi bật: Sau khi nhiệt luyện, Inox 420 đạt độ cứng rất cao (45-55 HRC). Điều này làm cho nó lý tưởng để sản xuất các chi tiết cần chịu mài mòn và chịu lực, như dao, kéo và đặc biệt là phe gài.
- Ưu điểm vượt trội: Khả năng chống ăn mòn tốt trong điều kiện khí quyển, nước ngọt và một số hóa chất nhẹ. Độ cứng cao giúp phe gài không bị biến dạng dưới tải trọng, đảm bảo khả năng định vị ổn định.
- Hạn chế: Khả năng chống ăn mòn kém hơn so với Inox 304 hoặc 316 trong môi trường hóa chất mạnh hoặc nước biển.
Tiêu chuẩn DIN 471 – Tiêu chuẩn quốc tế cho phe gài trục:
- Ý nghĩa: DIN 471 là tiêu chuẩn của Viện Tiêu chuẩn Đức, quy định các thông số kỹ thuật chi tiết cho phe gài lắp trên trục.
- Tầm quan trọng: Tiêu chuẩn này đảm bảo các phe gài được sản xuất với kích thước, dung sai và chất lượng đồng nhất. Điều này giúp các nhà thiết kế và kỹ sư có thể lựa chọn và sử dụng sản phẩm một cách chính xác, đảm bảo sự vừa vặn và an toàn cho các chi tiết máy.
- Đảm bảo chất lượng: Việc tuân thủ DIN 471 cho thấy sản phẩm đã được sản xuất theo quy trình nghiêm ngặt, mang lại độ tin cậy cao về khả năng chịu tải và độ bền cơ học.
Sự kết hợp giữa vật liệu Inox 420 và tiêu chuẩn DIN 471 giúp phe gài trục D54x2.0 trở thành một giải pháp định vị chắc chắn, bền bỉ và đáng tin cậy cho các ứng dụng yêu cầu khả năng chống ăn mòn và chịu lực.
5. Ưu và Nhược Điểm của Phe Gài Trục DIN471 D54x2.0
Phe gài trục Inox 420 DIN471 D54x2.0 được tin dùng nhờ hiệu suất và độ bền vượt trội. Tuy nhiên, việc lựa chọn tối ưu đòi hỏi phải hiểu rõ cả ưu điểm lẫn nhược điểm của nó.
Ưu điểm nổi bật:
- Khả năng chống ăn mòn tốt: Nhờ vật liệu Inox 420, sản phẩm này hoạt động hiệu quả trong môi trường ẩm ướt, hóa chất nhẹ, khác biệt với phe gài thép thông thường.
- Độ cứng và độ bền cao: Sau khi nhiệt luyện, Inox 420 có độ cứng vượt trội, đảm bảo phe gài không bị biến dạng dưới tải trọng tác động, duy trì khả năng định vị chính xác.
- Lắp đặt và tháo gỡ dễ dàng: Thiết kế có tai phe và độ đàn hồi cao cho phép sử dụng kìm phe gài chuyên dụng để thao tác nhanh chóng, thuận tiện cho việc bảo trì, sửa chữa.
- Tiêu chuẩn quốc tế DIN 471: Đảm bảo chất lượng và kích thước chính xác, giúp người dùng an tâm khi lựa chọn và sử dụng, phù hợp với các thiết kế máy móc chuẩn quốc tế.
- Độ tin cậy cao từ thương hiệu MS-PRO: Thương hiệu MS-PRO cam kết sản phẩm chất lượng, được sản xuất theo quy trình nghiêm ngặt, đảm bảo hiệu suất và độ bền dài hạn.
Nhược điểm cần lưu ý:
- Khả năng chống ăn mòn hạn chế với môi trường mạnh: Mặc dù tốt hơn thép, Inox 420 không chống ăn mòn hiệu quả bằng các loại Inox Austenitic như 304 hay 316 trong môi trường hóa chất mạnh hoặc nước biển.
- Không chịu tải trọng va đập quá lớn: Trong một số ứng dụng có tải trọng va đập cực lớn, cần xem xét các giải pháp định vị khác có khả năng chịu lực cao hơn.
- Yêu cầu dụng cụ chuyên dụng: Để lắp đặt và tháo gỡ an toàn, hiệu quả, cần phải sử dụng kìm phe gài chuyên dụng, không thể dùng các dụng cụ thô sơ.
- Giá thành: Mức giá của phe gài Inox 420 có thể cao hơn so với phe gài thép cacbon thông thường do chi phí vật liệu và sản xuất cao hơn.
6. Ứng Dụng Thực Tế của Phe Gài Trục Inox 420
Với kích thước tiêu chuẩn, khả năng chống ăn mòn và chịu lực tốt, phe gài trục Inox 420 DIN471 D54x2.0 được ứng dụng rộng rãi trong nhiều lĩnh vực công nghiệp và dân dụng tại TP. Hồ Chí Minh và các khu công nghiệp lân cận:
- Ngành công nghiệp thực phẩm và đồ uống: Sử dụng trong các máy móc tiếp xúc với nước và môi trường ẩm ướt, nơi yêu cầu vệ sinh cao và chống rỉ sét.
- Ngành y tế: Lắp đặt trong các thiết bị y tế, nơi cần vật liệu không gỉ và dễ vệ sinh.
- Thiết bị bơm, van, xi lanh thủy lực: Giữ chặt các chi tiết bên trong các hệ thống thủy lực, nơi có thể tiếp xúc với dầu và các chất lỏng khác.
- Máy công cụ, máy móc sản xuất: Định vị các vòng bi, bánh răng, khớp nối trên các trục quay, đảm bảo các chi tiết không bị dịch chuyển trong quá trình hoạt động.
- Các ứng dụng trong môi trường ngoài trời hoặc ẩm ướt: Phù hợp cho các thiết bị lắp đặt ở môi trường có độ ẩm cao hoặc tiếp xúc với mưa.
- Linh kiện cho xe máy, ô tô: Sử dụng trong các bộ phận nhỏ của hệ thống truyền động hoặc các bộ phận cần định vị chính xác.
7. Hướng Dẫn Lắp Đặt và Tháo Gỡ Phe Gài Trục DIN471
Để đảm bảo tuổi thọ và hiệu suất tối ưu cho phe gài trục Inox 420 DIN471, việc lắp đặt và tháo gỡ đúng cách là vô cùng quan trọng. Luôn tuân thủ các nguyên tắc an toàn và sử dụng dụng cụ chuyên dụng. Mecsu cung cấp hướng dẫn chi tiết dựa trên kinh nghiệm thực tế:
- Chuẩn bị: Đảm bảo phe gài, trục và rãnh sạch sẽ, không có ba via hoặc bụi bẩn. Chuẩn bị kìm phe gài chuyên dụng có kích thước phù hợp. Luôn đeo găng tay bảo hộ và kính bảo hộ để đảm bảo an toàn. Lưu ý quan trọng: KHÔNG dùng tua vít, kìm thường hoặc các dụng cụ không chuyên để lắp/tháo vì có thể làm hỏng phe gài hoặc gây nguy hiểm.
- Lắp đặt:
- Bóp kìm phe gài để hai đầu kìm lồng vào hai lỗ trên phe gài.
- Nhẹ nhàng mở phe ra để đủ rộng để lồng qua đầu trục.
- Đưa phe vào đúng vị trí rãnh trên trục.
- Nhả tay cầm kìm để phe tự co lại, nằm gọn trong rãnh. Kiểm tra đảm bảo phe đã nằm chắc chắn trong rãnh.
- Tháo gỡ:
- Sử dụng kìm phe gài chuyên dụng, lồng hai đầu kìm vào hai lỗ trên phe.
- Bóp tay cầm kìm để mở phe ra, đủ rộng để phe thoát khỏi rãnh.
- Nhẹ nhàng kéo phe ra khỏi trục.
- Tránh dùng lực quá mạnh, vì có thể làm hỏng phe hoặc rãnh trên trục.
- Bảo quản: Nếu không sử dụng ngay, hãy giữ phe gài trong bao bì gốc của nhà sản xuất, ở nơi khô ráo, thoáng mát để ngăn ngừa bụi bẩn và rỉ sét.
8. So Sánh Phe Gài Trục Inox 420 với Phe Gài Trục Thép Lò Xo
Việc hiểu rõ sự khác biệt giữa các loại phe gài trục sẽ giúp bạn lựa chọn sản phẩm phù hợp nhất cho ứng dụng của mình, tối ưu hóa hiệu suất và chi phí đầu tư:
| Tiêu chí | Phe Gài Trục Inox 420 | Phe Gài Trục Thép Lò Xo |
|---|---|---|
| Vật liệu | Inox 420 (thép không gỉ) | Thép cacbon cao, thường là thép 65Mn hoặc tương đương |
| Khả năng chống ăn mòn | Tốt trong môi trường ẩm ướt, hóa chất nhẹ | Kém, dễ bị rỉ sét nếu không có lớp mạ |
| Độ cứng | Cao (sau nhiệt luyện) | Cao (sau nhiệt luyện) |
| Độ đàn hồi | Tốt, bền bỉ qua nhiều lần lắp tháo | Rất tốt, được thiết kế chuyên biệt cho độ đàn hồi cao |
| Lớp mạ/bề mặt | Không cần mạ, bề mặt sáng bóng | Có thể được mạ kẽm, phốt phát đen để chống rỉ sét |
| Giá thành | Cao hơn | Thấp hơn |
| Ứng dụng điển hình | Ngành thực phẩm, y tế, hóa chất, môi trường ẩm ướt | Máy móc công nghiệp thông thường, thiết bị cơ khí, môi trường khô ráo |
9. Cách Phân Biệt Phe Gài Trục MS-PRO Thật – Giả – Lời Khuyên Từ Chuyên Gia Mecsu
Thị trường hiện nay có rất nhiều hàng giả, hàng nhái kém chất lượng. Để đảm bảo bạn mua được phe gài trục MS-PRO chính hãng tại TP.HCM, Mecsu khuyến nghị kiểm tra các dấu hiệu sau:
a. Dấu hiệu của phe gài trục MS-PRO chính hãng:
- Bao bì chất lượng cao: Sắc nét, có logo MS-PRO, thông tin sản phẩm rõ ràng, đầy đủ mã sản phẩm, kích thước và thông tin nhà sản xuất.
- Độ hoàn thiện sản phẩm cao: Bề mặt phe gài nhẵn mịn, không có ba via, không có vết nứt hoặc lỗi gia công. Các mép được xử lý tinh xảo.
- Độ đàn hồi tốt: Khi dùng kìm phe gài để thao tác, bạn sẽ cảm nhận được độ đàn hồi đồng đều, không bị lỏng hoặc biến dạng.
- Màu sắc đặc trưng: Màu của Inox 420 có độ sáng và ánh kim đặc trưng, khác biệt với màu của thép thường.
- Chứng từ đầy đủ: Nhà cung cấp uy tín sẽ cung cấp đầy đủ chứng từ xuất xứ và chứng nhận chất lượng, đảm bảo nguồn gốc sản phẩm.
b. Dấu hiệu của phe gài trục MS-PRO hàng giả/nhái:
- Bao bì thô, in ấn mờ nhạt, thiếu thông tin quan trọng.
- Sản phẩm có ba via, mép sắc, bề mặt thô ráp, có thể có vết rỉ sét hoặc dấu hiệu gia công kém.
- Độ đàn hồi kém, dễ bị biến dạng hoặc gãy khi lắp đặt.
- Không có thông tin về thương hiệu hoặc thông tin không rõ ràng.
- Giá bán rẻ bất thường so với mức giá thị trường của sản phẩm chính hãng – đây là dấu hiệu cảnh báo lớn nhất.
10. Giá Bán & Gợi Ý Mua Phe Gài Trục Chính Hãng Tại TP.HCM
a. Giá phe gài trục DIN471 D54x2.0 (TP.Hồ Chí Minh) tại Mecsu: Giá: 13,360 đ / Cái (đã có VAT) – Giá hợp lý, phù hợp với chất lượng sản phẩm chính hãng
Liên hệ để nhận báo giá tốt nhất (giá có thể thay đổi tùy thời điểm và số lượng) – mức giá hợp lý, phù hợp với chất lượng sản phẩm chính hãng MS-PRO tại thị trường phe gài TP.HCM.
b. Gợi ý mua phe gài chính hãng MS-PRO uy tín
- Chọn nhà cung cấp uy tín tại TP.HCM: Ưu tiên đối tác có chứng nhận hoặc đơn vị lâu năm, được nhiều khách hàng tin tưởng và có danh tiếng trên thị trường cung cấp linh kiện cơ khí tại TP.HCM.
- Kiểm tra chứng từ đầy đủ: Luôn yêu cầu đầy đủ chứng nhận xuất xứ và chất lượng để đảm bảo nguồn gốc và chất lượng sản phẩm.
- Mua tại Mecsu – Nhà phân phối sản phẩm MS-PRO tại Việt Nam: Mecsu tự hào là nhà phân phối chính hãng các sản phẩm MS-PRO tại Việt Nam, cam kết cung cấp “phe gài trục Inox 420 chính hãng” và các loại “phe gài khác” với nhiều lợi ích vượt trội:
- 100% sản phẩm chính hãng: Đảm bảo nguồn gốc rõ ràng, đầy đủ chứng từ. Chúng tôi cam kết hoàn tiền 100% hoặc đổi trả nếu sản phẩm không phải chính hãng.
- Chính sách bảo hành minh bạch: Hỗ trợ đổi trả nếu có lỗi từ nhà sản xuất, mang lại sự an tâm tuyệt đối cho khách hàng.
- Hỗ trợ kỹ thuật chuyên sâu: Đội ngũ kỹ sư giàu kinh nghiệm sẵn sàng hỗ trợ bạn về kỹ thuật và lựa chọn sản phẩm phù hợp nhất cho mọi ứng dụng.
- Giá cả cạnh tranh: Đảm bảo mức giá tốt nhất đi kèm chất lượng, với chính sách chiết khấu hấp dẫn cho đơn hàng số lượng lớn, đặc biệt khi “mua phe gài số lượng lớn”.
MUA THÊM NHIỀU LOẠI PHE GÀI CHÍNH HÃNG KHÁC TẠI MECSU
11. FAQ về Phe Gài Trục DIN471 D54x2.0
a. Phe gài trục Inox 420 có bền hơn thép lò xo không?
Về độ bền và độ cứng, phe gài Inox 420 và thép lò xo đều rất tốt. Tuy nhiên, phe gài Inox 420 có ưu điểm vượt trội về khả năng chống ăn mòn, làm cho nó bền hơn trong các môi trường ẩm ướt hoặc có hóa chất nhẹ. Đối với môi trường khô ráo, cả hai loại đều có tuổi thọ cao.
b. Tiêu chuẩn DIN 471 có ý nghĩa gì?
DIN 471 là tiêu chuẩn của Đức quy định các thông số kỹ thuật, kích thước và dung sai của phe gài trục (external circlips). Việc tuân thủ tiêu chuẩn này đảm bảo sản phẩm có chất lượng đồng nhất và phù hợp để sử dụng trong các thiết kế máy móc chuẩn quốc tế.
c. Có thể tái sử dụng phe gài trục Inox 420 không?
Bạn có thể tái sử dụng phe gài trục nếu nó vẫn giữ được độ đàn hồi và không có dấu hiệu hư hại như biến dạng, nứt gãy. Tuy nhiên, để đảm bảo độ an toàn và độ tin cậy tuyệt đối, đặc biệt trong các ứng dụng quan trọng, Mecsu khuyến nghị nên thay thế phe gài mới khi tháo ra.
d. Làm sao biết phe gài trục của tôi là hàng chính hãng MS-PRO?
Bạn nên mua từ nhà phân phối ủy quyền (như Mecsu), kiểm tra bao bì và sản phẩm có dấu hiệu của sự gia công tinh xảo, không có ba via, không có lỗi. Đặc biệt, mua từ nguồn uy tín sẽ đảm bảo bạn nhận được sản phẩm chất lượng.
e. Khi nào cần thay thế phe gài trục DIN471 D54x2.0?
Bạn nên thay thế phe gài khi nhận thấy các dấu hiệu sau:
- Biến dạng vật lý: Phe gài bị cong, vênh, nứt hoặc bị móp méo sau khi tháo ra hoặc trong quá trình sử dụng.
- Mất độ đàn hồi: Phe không còn co lại chắc chắn khi được tháo khỏi kìm phe gài.
- Rỉ sét: Bề mặt có dấu hiệu rỉ sét nghiêm trọng, ảnh hưởng đến độ bền và khả năng chịu lực.
- Không vừa khít với rãnh: Phe không nằm chắc chắn trong rãnh hoặc bị lỏng.
Kinh nghiệm từ các kỹ sư Mecsu: Phe gài là chi tiết nhỏ nhưng rất quan trọng, việc thay thế định kỳ và sử dụng sản phẩm chất lượng cao sẽ giúp bảo vệ các bộ phận khác và đảm bảo an toàn cho toàn bộ hệ thống máy móc. Đừng ngần ngại liên hệ chúng tôi để được hỗ trợ kỹ thuật về lựa chọn phe gài hoặc các loại linh kiện cơ khí khác.
f. Mua phe gài trục Inox 420 chính hãng, uy tín ở đâu tại TP.HCM?
Mua phe gài trục Inox 420 chính hãng và đảm bảo chất lượng tại TP.HCM, bạn hãy liên hệ ngay với Mecsu. Chúng tôi tự hào là nhà cung cấp uy tín, chuyên phân phối các sản phẩm MS-PRO chính hãng tại Việt Nam.
- Cam kết chất lượng: 100% sản phẩm có nguồn gốc rõ ràng, đầy đủ chứng từ. Chúng tôi cam kết hoàn tiền 100% hoặc đổi trả nếu sản phẩm không phải chính hãng.
- Giá cả cạnh tranh: Đảm bảo mức giá tốt nhất đi kèm chất lượng, với chính sách chiết khấu hấp dẫn cho đơn hàng số lượng lớn.
- Tư vấn chuyên sâu: Đội ngũ kỹ sư giàu kinh nghiệm sẵn sàng hỗ trợ bạn về kỹ thuật và lựa chọn sản phẩm phù hợp nhất.
- Chính sách hậu mãi: Đảm bảo quyền lợi tối đa cho khách hàng với dịch vụ hỗ trợ nhanh chóng, tận tâm.
12. Liên Hệ và Hỗ Trợ Tư Vấn Mua Phe Gài Trục
Nếu bạn có bất kỳ thắc mắc nào về phe gài trục Inox 420 DIN471 hoặc cần tư vấn về giải pháp định vị cho ứng dụng cụ thể của mình, đừng ngần ngại liên hệ với đội ngũ chuyên gia của Mecsu. Chúng tôi luôn sẵn lòng hỗ trợ bạn tìm ra sản phẩm phù hợp và tối ưu nhất, đồng thời cung cấp những kiến thức độc quyền về kỹ thuật lắp đặt và bảo trì mà bạn khó tìm thấy ở nơi khác.
Địa chỉ: B28/I – B29/I Đường số 2B, KCN Vĩnh Lộc, P. Bình Hưng Hòa B, Q. Bình Tân, TP.HCM
Hotline: 1800 8137
Email: [email protected]
Website: mecsu.vn
13. Thông Tin Bổ Sung & Kinh Nghiệm Thực Tế Từ Mecsu
a. Kinh Nghiệm Thực Tế & Câu Chuyện Thành Công
Tại Mecsu, chúng tôi tự hào là đối tác tin cậy của nhiều doanh nghiệp trong việc cung cấp các giải pháp định vị chất lượng cao. “Phe gài trục Inox 420 DIN471”, với đặc tính chống ăn mòn và độ bền tốt, đã được ứng dụng trong nhiều dự án quan trọng của khách hàng chúng tôi tại “TP. Hồ Chí Minh” và các tỉnh lân cận, mang lại hiệu quả vượt trội và là minh chứng cho chất lượng sản phẩm cùng kinh nghiệm thực tế của đội ngũ Mecsu:
- Ngành công nghiệp thực phẩm: Chúng tôi đã cung cấp “phe gài Inox 420” cho một nhà máy chế biến thực phẩm tại Long An. Nhờ khả năng chống rỉ sét trong môi trường ẩm ướt và liên tục tiếp xúc với nước, phe gài này đã góp phần đáng kể vào việc nâng cao độ bền và an toàn vệ sinh cho hệ thống máy móc.
- Lĩnh vực máy bơm và hệ thống xử lý nước: Phe gài trục Inox 420 được lựa chọn cho các ứng dụng máy bơm và van, nơi cần chịu tải trọng và chống ăn mòn từ chất lỏng. Độ tin cậy vượt trội của “phe gài MS-PRO chính hãng” đã giúp hệ thống hoạt động ổn định trong thời gian dài.
- Thiết bị lắp ráp cơ khí: Một khách hàng chuyên sản xuất các thiết bị lắp ráp đã ứng dụng “phe gài trục DIN471 D54x2.0” vào các bộ phận trục quay chính. Độ chính xác theo tiêu chuẩn DIN 471 đã giúp máy móc hoạt động ổn định và kéo dài tuổi thọ, giảm thiểu chi phí bảo trì.
b. Trích Dẫn Chuyên Gia
““Phe gài trục Inox 420 DIN471” là một lựa chọn tuyệt vời cho các ứng dụng công nghiệp cần sự cân bằng hoàn hảo giữa khả năng định vị chắc chắn và khả năng chống ăn mòn. Vật liệu Inox 420 mang lại lợi thế về độ bền và tuổi thọ cao hơn đáng kể so với các loại thép thông thường, rất phù hợp cho những hệ thống làm việc trong môi trường ẩm ướt hoặc có hóa chất nhẹ. Đây là giải pháp đáng tin cậy và hiệu quả cho nhiều loại máy móc trong môi trường công nghiệp.”
— “Kỹ sư cơ khí Chuyên gia kỹ thuật Mecsu” (TP. Hồ Chí Minh) – Với hơn 10 năm kinh nghiệm trong lĩnh vực “linh kiện cơ khí công nghiệp”.
c. Tài Liệu Tham Khảo và Nghiên Cứu
Nội dung bài viết này được biên soạn dựa trên các tài liệu kỹ thuật chính thức và đáng tin cậy từ MS-PRO, cùng với kinh nghiệm thực tế chuyên sâu của đội ngũ kỹ sư Mecsu, đảm bảo tính chính xác, cập nhật và chuyên môn cao:
- MS-PRO Product Catalog (Danh mục sản phẩm MS-PRO chính thức) – Nguồn dữ liệu kỹ thuật chi tiết nhất về “phe gài trục”.
- Tài liệu kỹ thuật về tiêu chuẩn DIN 471 – Cung cấp cái nhìn toàn diện về các thông số phe gài.
- Bảng dữ liệu kỹ thuật (Datasheet) chi tiết của Phe Gài Trục DIN471 D54x2.0 – Nguồn thông số kỹ thuật chính xác.
- Trải nghiệm thực tế và phản hồi từ các dự án khách hàng của Mecsu – “Dữ liệu độc nhất” được thu thập từ hơn 10 năm cung cấp “linh kiện cơ khí” và “giải pháp định vị” cho các doanh nghiệp tại Việt Nam.
Biên soạn bởi: Đội ngũ Kỹ sư Mecsu
Với hơn 10 năm kinh nghiệm chuyên sâu trong lĩnh vực phân phối và tư vấn giải pháp linh kiện cơ khí, đội ngũ kỹ sư của Mecsu cam kết mang đến những thông tin chính xác, cập nhật và hữu ích nhất, giúp quý khách hàng đưa ra lựa chọn sản phẩm tối ưu cho mọi ứng dụng.
(Xem thêm thông tin về chúng tôi tại Website Mecsu)
Lưu ý: Hình ảnh sản phẩm có thể khác biệt so với thực tế tùy theo lô sản xuất của MS-PRO. Vui lòng tham khảo thông số kỹ thuật chi tiết hoặc liên hệ Mecsu để có thông tin chính xác nhất về sản phẩm.



















Đánh giá
Chưa có đánh giá nào.