Mô tả sản phẩm
Thông tin CHUYÊN SÂU về Phe Gài Trục Inox 420 DIN471 D58x2.0
Mục Lục
- 1. Phe Gài Trục DIN471 D58x2.0 Là Gì? – Giải Thích Chuyên Sâu
- 2. Thông Số Kỹ Thuật Chi Tiết của Phe Gài Trục Inox 420
- 3. Cấu Tạo Chi Tiết Phe Gài Trục Inox 420
- 4. Phân Tích Chuyên Sâu: Tiêu Chuẩn DIN 471 và Vật Liệu Inox 420
- 5. Ưu và Nhược Điểm của Phe Gài Trục Inox 420
- 6. Ứng Dụng Thực Tế của Phe Gài Trục DIN471 D58x2.0
- 7. Hướng Dẫn Lắp Đặt và Tháo Gỡ Phe Gài Trục
- 8. So Sánh Phe Gài Trục và Phe Gài Lỗ
- 9. Cách Phân Biệt Phe Gài MS-PRO Thật – Giả – Lời Khuyên Từ Chuyên Gia Mecsu
- 10. Giá Bán & Gợi Ý Mua Phe Gài Trục Chính Hãng Tại TP.HCM
- 11. FAQ về Phe Gài Trục Inox 420
- 12. Liên Hệ và Hỗ Trợ Tư Vấn Mua Phe Gài MS-PRO
- 13. Thông Tin Bổ Sung & Kinh Nghiệm Thực Tế Từ Mecsu
1. Phe Gài Trục DIN471 D58x2.0 Là Gì? – Giải Thích Chuyên Sâu
Phe gài trục Inox 420 DIN471 D58x2.0 là một loại chi tiết cơ khí được thiết kế để định vị các bộ phận trên trục, ngăn không cho chúng dịch chuyển dọc trục. Mã “D58” là ký hiệu cho đường kính trục sử dụng là 58mm, và “2.0” là độ dày của phe gài. “DIN471” là tiêu chuẩn kỹ thuật của Đức, quy định chi tiết về kích thước, vật liệu và dung sai của phe gài trục.
Phe gài trục này được làm từ vật liệu Inox 420, một loại thép không gỉ có hàm lượng carbon cao, mang lại độ cứng và độ bền vượt trội sau khi xử lý nhiệt. Nhờ vào đặc tính này, phe gài có khả năng chịu lực nén, lực cắt và chống mài mòn tốt, lý tưởng cho các ứng dụng đòi hỏi sự ổn định và độ tin cậy cao.
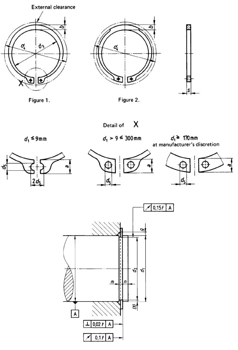
2. Thông Số Kỹ Thuật Chi Tiết của Phe Gài Trục Inox 420
d: Đường kính trục sử dụng
a: Đường kính rãnh sử dụng
b: Đường kính trong
s: Độ dày
h: Bề rộng rãnh sử dụng
| Thông số | Giá trị |
|---|---|
| Mã sản phẩm | DIN471 D58x2.0 |
| Loại | Phe gài trục (External Retaining Ring) |
| Tiêu chuẩn | DIN 471 |
| Thương hiệu | MS-PRO |
| Vật liệu | Inox 420 |
| Dùng cho trục (d) | 58 mm |
| Đường kính rãnh sử dụng (a) | 55 mm |
| Đường kính trong (b) | 53.8 mm |
| Độ dày (s) | 2 mm |
| Bề rộng rãnh sử dụng (h) | 2.15 mm |
| Đặc điểm nổi bật | Chống ăn mòn, độ cứng cao |
| Trọng lượng (ước tính) | 0.024 kg |
3. Cấu Tạo Chi Tiết Phe Gài Trục Inox 420
Phe gài trục DIN471 D58x2.0 được cấu tạo từ một vòng kim loại dạng hở, có hai lỗ nhỏ ở hai đầu. Thiết kế này đóng vai trò quan trọng trong việc đảm bảo chức năng và hiệu quả của phe gài:
Sơ đồ cấu tạo Phe Gài Trục Tiêu Chuẩn DIN 471:
- Vòng kim loại hở: Được chế tạo từ thép không gỉ Inox 420, có độ đàn hồi cao để dễ dàng mở rộng và lắp vào rãnh trên trục. Thiết kế này giúp phe gài bám chắc vào rãnh, tạo ra một lực nén hướng tâm, giữ chặt các chi tiết khác (ví dụ: vòng bi, bánh răng) trên trục.
- Hai lỗ nhỏ: Nằm ở hai đầu của vòng, dùng để kết hợp với kìm chuyên dụng (kìm phe gài). Khi kẹp kìm vào hai lỗ này và bóp lại, phe gài sẽ mở rộng ra, cho phép lắp hoặc tháo ra khỏi trục một cách dễ dàng và an toàn.
4. Phân Tích Chuyên Sâu: Tiêu Chuẩn DIN 471 và Vật Liệu Inox 420
Để thực sự hiểu giá trị của phe gài trục Inox 420 DIN471 D58x2.0, việc phân tích sâu hơn về hai yếu tố then chốt: “Tiêu chuẩn DIN 471” và “Vật liệu Inox 420” là rất quan trọng.
Tiêu chuẩn DIN 471 – Tiêu chuẩn kỹ thuật của Đức:
- Chức năng chính: Tiêu chuẩn DIN 471 quy định chi tiết về kích thước, dung sai và yêu cầu kỹ thuật cho các loại phe gài trục. Tuân thủ tiêu chuẩn này đảm bảo sản phẩm có chất lượng đồng đều và phù hợp với các rãnh trục tiêu chuẩn quốc tế.
- Đặc điểm nổi bật: Các sản phẩm theo tiêu chuẩn DIN 471 có độ chính xác cao, giúp phe gài bám chắc chắn vào rãnh, tối ưu hóa khả năng định vị và chịu lực.
- Ý nghĩa: Việc sản xuất theo DIN 471 giúp người dùng dễ dàng lựa chọn phe gài phù hợp với kích thước trục và rãnh đã có, đảm bảo sự tương thích và hiệu quả trong lắp ráp.
Vật liệu Inox 420 – Tối ưu hóa độ bền và chống ăn mòn:
- Ý nghĩa: Inox 420 (hay còn gọi là thép không gỉ mactenxit) là loại vật liệu được biết đến với khả năng làm cứng sau khi xử lý nhiệt. Nó có hàm lượng carbon cao hơn so với các loại inox phổ biến khác như 304 hay 316.
- Tầm quan trọng: Sau khi được tôi luyện, Inox 420 đạt độ cứng vượt trội, giúp phe gài có khả năng chịu tải trọng cắt và nén cao. Đồng thời, vật liệu này vẫn giữ được khả năng chống gỉ ở mức độ tốt, đặc biệt trong môi trường không quá khắc nghiệt.
- Lựa chọn phù hợp: Sự kết hợp giữa tiêu chuẩn DIN 471 và vật liệu Inox 420 giúp phe gài trục D58x2.0 trở thành một giải pháp đáng tin cậy cho các ứng dụng đòi hỏi độ chính xác cao và độ bền cơ học.
Sự kết hợp giữa tiêu chuẩn “DIN 471” và vật liệu “Inox 420” giúp Phe Gài Trục MS-PRO trở thành một giải pháp linh hoạt, đáng tin cậy cho các máy móc cần định vị chính xác, đồng thời có khả năng chống ăn mòn và chịu lực tốt.
5. Ưu và Nhược Điểm của Phe Gài Trục Inox 420
Phe gài trục Inox 420 DIN471 D58x2.0 được tin dùng nhờ hiệu suất và độ bền vượt trội. Tuy nhiên, việc lựa chọn tối ưu đòi hỏi phải hiểu rõ cả ưu điểm lẫn nhược điểm của nó.
Ưu điểm nổi bật:
- Chống ăn mòn hiệu quả: Vật liệu Inox 420 mang lại khả năng chống gỉ và ăn mòn tốt, đặc biệt trong môi trường ẩm ướt hoặc có hóa chất nhẹ.
- Độ bền và độ cứng cao: Sau khi xử lý nhiệt, Inox 420 đạt được độ cứng lý tưởng, giúp phe gài chịu được tải trọng nén và lực cắt lớn mà không bị biến dạng.
- Tuân thủ tiêu chuẩn DIN 471: Đảm bảo kích thước chính xác và phù hợp với các rãnh trục tiêu chuẩn, dễ dàng lắp đặt và thay thế.
- Dễ dàng lắp đặt và tháo gỡ: Thiết kế với hai lỗ ở đầu giúp việc sử dụng kìm chuyên dụng để lắp đặt và tháo gỡ trở nên nhanh chóng và an toàn, tiết kiệm thời gian bảo trì.
- Giá cả hợp lý: So với các loại phe gài cao cấp hơn, phe gài Inox 420 có mức giá phải chăng, là lựa chọn kinh tế cho nhiều ứng dụng.
Nhược điểm cần lưu ý:
- Khả năng chống gỉ: Mặc dù tốt hơn thép carbon, khả năng chống gỉ của Inox 420 vẫn không bằng Inox 304 hoặc 316, đặc biệt trong môi trường chứa muối hoặc axit mạnh.
- Độ giòn: Do có độ cứng cao, Inox 420 có thể hơi giòn hơn so với các loại thép có hàm lượng carbon thấp, cần cẩn thận trong quá trình lắp đặt và sử dụng.
- Ứng dụng: Mặc dù đa năng, phe gài này không phù hợp cho các ứng dụng yêu cầu độ chống ăn mòn tuyệt đối trong môi trường hóa chất cực mạnh.
6. Ứng Dụng Thực Tế của Phe Gài Trục DIN471 D58x2.0
Với kích thước tiêu chuẩn, khả năng chịu tải tốt và độ bền cao, phe gài trục Inox 420 DIN471 D58x2.0 được ứng dụng rộng rãi trong nhiều lĩnh vực công nghiệp và dân dụng tại TP. Hồ Chí Minh và các khu công nghiệp lân cận:
- Chế tạo máy công cụ: Dùng để định vị bánh răng, vòng bi hoặc các chi tiết khác trên trục trong các máy gia công, máy phay, máy tiện.
- Thiết bị truyền động: Đảm bảo các bộ phận như puli, khớp nối, bánh răng được cố định chắc chắn trên trục trong hệ thống truyền động.
- Ngành ô tô, xe máy: Sử dụng trong các bộ phận trục, hộp số hoặc các cơ cấu chuyển động cần độ chính xác và độ bền cao.
- Sản xuất thiết bị y tế: Phù hợp cho các thiết bị y tế không tiếp xúc trực tiếp với hóa chất mạnh, nhờ khả năng chống gỉ và độ bền.
- Các ứng dụng trong ngành nông nghiệp và xây dựng: Dùng cho các máy móc, thiết bị cần định vị trục một cách bền bỉ và chắc chắn.
- Chế tạo khuôn mẫu, đồ gá: Sử dụng để định vị các chi tiết trong quá trình sản xuất khuôn mẫu hoặc đồ gá.
7. Hướng Dẫn Lắp Đặt và Tháo Gỡ Phe Gài Trục
Để đảm bảo hiệu suất và tuổi thọ tối ưu cho phe gài trục Inox 420, việc lắp đặt và tháo gỡ đúng cách là vô cùng quan trọng. Luôn tuân thủ các nguyên tắc an toàn và kỹ thuật. Mecsu cung cấp hướng dẫn chi tiết dựa trên kinh nghiệm thực tế:
- Chuẩn bị: Đảm bảo môi trường làm việc sạch sẽ. Chuẩn bị kìm phe gài chuyên dụng có đầu phù hợp với đường kính của phe. Kiểm tra rãnh trên trục phải sạch, không có ba via hoặc rỉ sét. Luôn đeo găng tay và kính bảo hộ để đảm bảo an toàn.
- Lắp đặt:
- Sử dụng kìm phe gài, kẹp vào hai lỗ nhỏ ở đầu phe.
- Nhẹ nhàng bóp kìm để mở rộng phe gài vừa đủ để trượt qua đầu trục.
- Cẩn thận trượt phe gài vào rãnh trên trục.
- Nhả kìm để phe gài co lại và bám chặt vào rãnh. Đảm bảo phe gài nằm chắc chắn trong rãnh.
- Tháo gỡ:
- Tương tự như lắp đặt, sử dụng kìm phe gài chuyên dụng.
- Kẹp kìm vào hai lỗ, bóp để mở rộng phe gài.
- Cẩn thận nhấc phe gài ra khỏi rãnh trên trục.
- Tránh dùng tay hoặc các dụng cụ không chuyên để tháo phe, vì có thể gây biến dạng hoặc gãy hỏng.
- Bảo quản: Nếu không sử dụng ngay, hãy giữ phe gài trong bao bì gốc của nhà sản xuất, ở nơi khô ráo, thoáng mát, tránh ánh nắng trực tiếp và các hóa chất ăn mòn để ngăn ngừa rỉ sét.
8. So Sánh Phe Gài Trục và Phe Gài Lỗ
Việc hiểu rõ sự khác biệt giữa các loại phe gài sẽ giúp bạn lựa chọn sản phẩm phù hợp nhất cho ứng dụng của mình, tối ưu hóa hiệu suất và chi phí đầu tư:
| Tiêu chí | Phe Gài Trục (DIN 471) | Phe Gài Lỗ (DIN 472) |
|---|---|---|
| Ứng dụng | Dùng để định vị các chi tiết trên trục, ngăn chuyển động hướng trục ra ngoài. | Dùng để định vị các chi tiết bên trong lỗ, ngăn chuyển động hướng trục vào trong. |
| Hướng gài | Gài vào rãnh trên trục (phần ngoài của trục). | Gài vào rãnh bên trong lỗ. |
| Lực tác dụng khi lắp | Sử dụng kìm để nới rộng phe, lắp vào rãnh trục. | Sử dụng kìm để ép phe lại, lắp vào rãnh trong lỗ. |
| Hình dạng | Vòng hở, khi ở trạng thái tự nhiên có đường kính nhỏ hơn đường kính rãnh sử dụng. | Vòng hở, khi ở trạng thái tự nhiên có đường kính lớn hơn đường kính rãnh sử dụng. |
| Ví dụ | Phe gài DIN 471 D58x2.0 | Phe gài DIN 472 D58x2.0 |
9. Cách Phân Biệt Phe Gài MS-PRO Thật – Giả – Lời Khuyên Từ Chuyên Gia Mecsu
Thị trường hiện nay có rất nhiều hàng giả, hàng nhái kém chất lượng. Để đảm bảo bạn mua được phe gài MS-PRO chính hãng tại TP.HCM, Mecsu khuyến nghị kiểm tra các dấu hiệu sau:
a. Dấu hiệu của phe gài MS-PRO chính hãng:
- Bao bì chất lượng cao: Sản phẩm chính hãng được đóng gói cẩn thận, bao bì sắc nét, thông tin sản phẩm (mã, kích thước, vật liệu) rõ ràng, đầy đủ.
- Hoàn thiện sản phẩm tinh xảo: Bề mặt phe gài nhẵn mịn, không có ba via, vết cắt sắc nét, không bị cong vênh hoặc có dấu hiệu rỉ sét. Các lỗ gài được gia công chính xác.
- Độ đàn hồi tốt: Khi sử dụng kìm chuyên dụng, phe gài có độ đàn hồi tốt, co giãn đều và trở về hình dạng ban đầu một cách linh hoạt.
- Thông số kỹ thuật chính xác: Kích thước thực tế (đường kính, độ dày,…) đúng với thông số được công bố theo tiêu chuẩn DIN 471.
- Nguồn gốc rõ ràng: Nhà cung cấp uy tín sẽ cung cấp đầy đủ chứng từ xuất xứ và chất lượng nếu bạn yêu cầu, đảm bảo nguồn gốc sản phẩm.
b. Dấu hiệu của phe gài MS-PRO hàng giả/nhái:
- Hoàn thiện kém, bề mặt thô, có nhiều ba via, vết cắt lem nhem hoặc có dấu hiệu rỉ sét.
- Độ đàn hồi kém, dễ bị biến dạng, có thể bị gãy khi lắp đặt.
- Kích thước không chính xác so với tiêu chuẩn, gây khó khăn khi lắp đặt hoặc không đảm bảo chức năng định vị.
- Bao bì thiếu thông tin, mờ nhạt hoặc có dấu hiệu làm lại.
- Giá bán rẻ bất thường so với mức giá thị trường của sản phẩm chính hãng – đây là dấu hiệu cảnh báo lớn nhất.
10. Giá Bán & Gợi Ý Mua Phe Gài Trục Chính Hãng Tại TP.HCM
a. Giá phe gài trục DIN471 D58x2.0 (TP.Hồ Chí Minh) tại Mecsu: Giá: 15,006 đ/ Cái (đã có VAT) – Giá hợp lý, phù hợp với chất lượng sản phẩm chính hãng
Liên hệ để nhận báo giá tốt nhất (giá có thể thay đổi tùy thời điểm và số lượng) – mức giá hợp lý, phù hợp với chất lượng sản phẩm chính hãng MS-PRO tại thị trường linh kiện cơ khí TP.HCM.
b. Gợi ý mua phe gài chính hãng MS-PRO uy tín
- Chọn nhà cung cấp uy tín tại TP.HCM: Ưu tiên đối tác có uy tín lâu năm, được nhiều khách hàng tin tưởng và có danh tiếng trên thị trường cung cấp linh kiện cơ khí tại TP.HCM.
- Kiểm tra sản phẩm cẩn thận: Luôn kiểm tra sản phẩm về độ hoàn thiện, kích thước và độ đàn hồi trước khi mua.
- Mua tại Mecsu – Nhà phân phối chính hãng MS-PRO tại Việt Nam: Mecsu tự hào là nhà phân phối các sản phẩm MS-PRO chính hãng tại Việt Nam, cam kết cung cấp phe gài trục Inox 420 chính hãng và các loại linh kiện cơ khí khác với nhiều lợi ích vượt trội:
- 100% sản phẩm chính hãng: Đảm bảo nguồn gốc rõ ràng, đầy đủ chứng từ. Chúng tôi cam kết hoàn tiền 100% hoặc đổi trả nếu sản phẩm không phải chính hãng.
- Chính sách bảo hành minh bạch: Hỗ trợ đổi trả nếu có lỗi từ nhà sản xuất, mang lại sự an tâm tuyệt đối cho khách hàng.
- Hỗ trợ kỹ thuật chuyên sâu: Đội ngũ kỹ sư giàu kinh nghiệm sẵn sàng hỗ trợ bạn về kỹ thuật và lựa chọn sản phẩm phù hợp nhất cho mọi ứng dụng.
- Giá cả cạnh tranh: Đảm bảo mức giá tốt nhất đi kèm chất lượng, với chính sách chiết khấu hấp dẫn cho đơn hàng số lượng lớn, đặc biệt khi mua phe gài số lượng lớn.
MUA THÊM NHIỀU LOẠI PHE GÀI CHÍNH HÃNG KHÁC TẠI MECSU
11. FAQ về Phe Gài Trục Inox 420
a. Phe gài trục Inox 420 có cần bảo dưỡng không?
Phe gài trục là một chi tiết cơ khí đơn giản, thường không cần bảo dưỡng định kỳ. Tuy nhiên, bạn nên kiểm tra định kỳ để đảm bảo phe gài không bị biến dạng, rỉ sét hoặc gãy. Nếu phát hiện các dấu hiệu hư hỏng, cần thay thế ngay lập tức.
b. Phe gài trục D58x2.0 có thể dùng cho trục lớn hơn không?
Tuyệt đối không. Phe gài trục D58x2.0 chỉ được thiết kế để sử dụng cho trục có đường kính 58mm. Việc sử dụng cho trục lớn hơn sẽ làm phe gài không thể lắp vào, hoặc nếu cố gắng sẽ gây biến dạng và làm hỏng phe, ảnh hưởng đến chức năng định vị.
c. Phe gài Inox 420 có chống ăn mòn tốt trong môi trường nước biển không?
Inox 420 có khả năng chống ăn mòn tốt hơn thép carbon, nhưng không phải là lựa chọn tối ưu cho môi trường nước biển hoặc môi trường có nồng độ muối cao. Để đảm bảo độ bền trong môi trường này, bạn nên xem xét các loại phe gài làm từ Inox 316.
d. Làm sao biết phe gài của tôi là hàng chính hãng MS-PRO?
Bạn nên mua từ nhà phân phối uy tín (như Mecsu), kiểm tra bao bì và chất lượng hoàn thiện của sản phẩm. Sản phẩm chính hãng có độ hoàn thiện cao, không có ba via, và có độ đàn hồi tốt. Hãy yêu cầu kiểm tra chứng từ nguồn gốc nếu có thể.
e. Khi nào cần thay thế phe gài trục?
Bạn nên thay thế phe gài khi nhận thấy các dấu hiệu sau:
- Biến dạng vật lý: Phe gài bị cong, vênh, nứt hoặc gãy.
- Độ đàn hồi kém: Phe gài không còn co giãn linh hoạt như ban đầu, không bám chặt vào rãnh.
- Rỉ sét: Xuất hiện rỉ sét nghiêm trọng làm ảnh hưởng đến độ bền và chức năng của phe.
- Lỏng lẻo: Các chi tiết trên trục bị lỏng, dịch chuyển, cho thấy phe gài không còn giữ chặt.
Kinh nghiệm từ các kỹ sư Mecsu: Việc kiểm tra định kỳ bằng mắt thường có thể giúp phát hiện sớm các dấu hiệu cần thay thế, tránh gây hư hại nghiêm trọng hơn cho toàn bộ hệ thống. Đừng ngần ngại liên hệ chúng tôi để được hỗ trợ kỹ thuật về lựa chọn linh kiện hoặc thay thế phe gài kịp thời.
f. Mua phe gài trục Inox 420 chính hãng, uy tín ở đâu tại TP.HCM?
Mua phe gài trục Inox 420 chính hãng và đảm bảo chất lượng tại TP.HCM, bạn hãy liên hệ ngay với Mecsu. Chúng tôi tự hào là nhà cung cấp uy tín, chuyên phân phối các sản phẩm MS-PRO chính hãng tại Việt Nam.
- Cam kết chất lượng: 100% sản phẩm có nguồn gốc rõ ràng, đầy đủ chứng từ CO, CQ. Chúng tôi cam kết hoàn tiền 100% hoặc đổi trả nếu sản phẩm không phải chính hãng.
- Giá cả cạnh tranh: Đảm bảo mức giá tốt nhất đi kèm chất lượng, với chính sách chiết khấu hấp dẫn cho đơn hàng số lượng lớn.
- Tư vấn chuyên sâu: Đội ngũ kỹ sư giàu kinh nghiệm sẵn sàng hỗ trợ bạn về kỹ thuật và lựa chọn sản phẩm phù hợp nhất.
- Chính sách hậu mãi: Đảm bảo quyền lợi tối đa cho khách hàng với dịch vụ hỗ trợ nhanh chóng, tận tâm.
12. Liên Hệ và Hỗ Trợ Tư Vấn Mua Phe Gài MS-PRO
Nếu bạn có bất kỳ thắc mắc nào về phe gài trục DIN471 D58x2.0 hoặc cần tư vấn về giải pháp định vị cho ứng dụng cụ thể của mình, đừng ngần ngại liên hệ với đội ngũ chuyên gia của Mecsu. Chúng tôi luôn sẵn lòng hỗ trợ bạn tìm ra sản phẩm phù hợp và tối ưu nhất, đồng thời cung cấp những kiến thức độc quyền về kỹ thuật lắp đặt linh kiện cơ khí mà bạn khó tìm thấy ở nơi khác.
Địa chỉ: B28/I – B29/I Đường số 2B, KCN Vĩnh Lộc, P. Bình Hưng Hòa B, Q. Bình Tân, TP.HCM
Hotline: 1800 8137
Email: [email protected]
Website: mecsu.vn
13. Thông Tin Bổ Sung & Kinh Nghiệm Thực Tế Từ Mecsu
a. Kinh Nghiệm Thực Tế & Câu Chuyện Thành Công
Tại Mecsu, chúng tôi tự hào là đối tác tin cậy của nhiều doanh nghiệp trong việc cung cấp các giải pháp linh kiện chất lượng cao. Phe gài trục Inox 420 DIN471 D58x2.0, với đặc tính chịu lực tốt và khả năng chống gỉ, đã được ứng dụng trong nhiều dự án quan trọng của khách hàng chúng tôi tại TP. Hồ Chí Minh và các tỉnh lân cận, mang lại hiệu quả vượt trội và là minh chứng cho chất lượng sản phẩm cùng kinh nghiệm thực tế của đội ngũ Mecsu:
- Ngành sản xuất máy bơm: Chúng tôi đã cung cấp phe gài trục D58x2.0 cho một nhà sản xuất máy bơm công nghiệp tại Đồng Nai. Nhờ khả năng định vị chính xác và độ bền cao, phe gài này đã góp phần đáng kể vào việc đảm bảo sự ổn định và an toàn cho trục bơm.
- Lĩnh vực máy chế biến thực phẩm: Phe gài trục Inox 420 được lựa chọn cho các ứng dụng trong máy móc chế biến thực phẩm. Độ bền và khả năng chống gỉ tốt đã giúp máy móc hoạt động ổn định trong môi trường cần vệ sinh thường xuyên.
- Thiết bị truyền động cơ khí: Một khách hàng chuyên sản xuất hộp số đã ứng dụng phe gài này để định vị các bánh răng trên trục. Độ chính xác theo tiêu chuẩn DIN 471 và khả năng chịu tải đã giúp hệ thống truyền động hoạt động hiệu quả và kéo dài tuổi thọ.
b. Trích Dẫn Chuyên Gia
“Phe gài trục Inox 420 DIN471 là một lựa chọn đáng tin cậy cho các ứng dụng công nghiệp cần sự cân bằng hoàn hảo giữa độ bền cơ học và khả năng chống ăn mòn. Vật liệu Inox 420 mang lại lợi thế về độ cứng, rất phù hợp cho những hệ thống mà tải trọng trục là yếu tố then chốt, đồng thời vẫn cung cấp một mức độ bảo vệ nhất định khỏi các tác nhân gây gỉ. Đây là giải pháp hiệu quả cho nhiều loại máy móc trong môi trường công nghiệp.”
— Kỹ sư cơ khí Chuyên gia kỹ thuật Mecsu (TP. Hồ Chí Minh) – Với hơn 10 năm kinh nghiệm trong lĩnh vực linh kiện cơ khí.
c. Tài Liệu Tham Khảo và Nghiên Cứu
Nội dung bài viết này được biên soạn dựa trên các tài liệu kỹ thuật chính thức và đáng tin cậy từ MS-PRO và các tiêu chuẩn quốc tế, cùng với kinh nghiệm thực tế chuyên sâu của đội ngũ kỹ sư Mecsu, đảm bảo tính chính xác, cập nhật và chuyên môn cao:
- Tiêu chuẩn DIN 471 (Thông số kỹ thuật về phe gài trục) – Nguồn dữ liệu kỹ thuật chi tiết nhất.
- Tài liệu kỹ thuật vật liệu Inox 420 (Thông tin chuyên sâu về đặc tính vật lý và hóa học) – Cung cấp cái nhìn toàn diện về vật liệu này.
- Bảng dữ liệu kỹ thuật (Datasheet) chi tiết của Phe Gài Trục DIN471 D58x2.0 – Nguồn thông số kỹ thuật chính xác.
- Trải nghiệm thực tế và phản hồi từ các dự án khách hàng của Mecsu – Dữ liệu độc nhất được thu thập từ hơn 10 năm cung cấp linh kiện cơ khí và giải pháp cho các doanh nghiệp tại Việt Nam.
Biên soạn bởi: Đội ngũ Kỹ sư Mecsu
Với hơn 10 năm kinh nghiệm chuyên sâu trong lĩnh vực phân phối và tư vấn giải pháp linh kiện cơ khí, đội ngũ kỹ sư của Mecsu cam kết mang đến những thông tin chính xác, cập nhật và hữu ích nhất, giúp quý khách hàng đưa ra lựa chọn sản phẩm tối ưu cho mọi ứng dụng.
(Xem thêm thông tin về chúng tôi tại Website Mecsu)
Lưu ý: Hình ảnh sản phẩm có thể khác biệt so với thực tế tùy theo lô sản xuất của MS-PRO. Vui lòng tham khảo thông số kỹ thuật chi tiết hoặc liên hệ Mecsu để có thông tin chính xác nhất về sản phẩm.



















Đánh giá
Chưa có đánh giá nào.