Mô tả sản phẩm
Thông tin CHUYÊN SÂU về Phe Gài Trục Thép 65Mn DIN471 D170x4.0
Mục Lục
- 1. Phe Gài Trục Thép 65Mn DIN471 D170x4.0 là gì? – Giải Thích Chuyên Sâu
- 2. Thông Số Kỹ Thuật Chi Tiết của Phe Gài Trục Thép 65Mn DIN471 D170x4.0
- 3. Cấu Tạo Chi Tiết Phe Gài Trục Thép 65Mn DIN471 D170x4.0
- 4. Phân Tích Chuyên Sâu: Tiêu Chuẩn DIN 471 và Vật Liệu Thép 65Mn
- 5. Ưu và Nhược Điểm của Phe Gài Trục Thép 65Mn DIN471 D170x4.0
- 6. Ứng Dụng Thực Tế của Phe Gài Trục Thép 65Mn DIN471 D170x4.0
- 7. Hướng Dẫn Lắp Đặt và Tháo Gỡ Phe Gài Trục D170
- 8. So Sánh Phe Gài Trục với Phe Gài Lỗ và Vòng Đệm Chặn
- 9. Cách Phân Biệt Phe Gài Thật – Giả – Lời Khuyên Từ Chuyên Gia Mecsu
- 10. Giá Bán & Gợi Ý Mua Phe Gài Trục Thép 65Mn DIN471 D170x4.0 Chính Hãng Tại TP.HCM
- 11. FAQ về Phe Gài Trục Thép 65Mn DIN471 D170x4.0
- 12. Liên Hệ và Hỗ Trợ Tư Vấn Mua Phe Gài
- 13. Thông Tin Bổ Sung & Kinh Nghiệm Thực Tế Từ Mecsu
1. Phe Gài Trục Thép 65Mn DIN471 D170x4.0 là gì? – Giải Thích Chuyên Sâu
Phe gài trục là một chi tiết cơ khí quan trọng, có hình dạng giống chữ C hở, được sử dụng để định vị hoặc giới hạn chuyển động của các chi tiết trên một trục. Phe Gài Trục Thép 65Mn DIN471 D170x4.0 là loại phe gài dành cho các trục có đường kính 170 mm. Tên gọi của sản phẩm thể hiện rõ các đặc điểm kỹ thuật: “D170” là đường kính trục mà phe gài này sử dụng, “4.0” là độ dày của phe, “Thép 65Mn” là vật liệu chế tạo, và “DIN471” là tiêu chuẩn sản xuất.
Loại phe gài này được làm từ thép lò xo 65Mn, một loại thép có hàm lượng Mangan cao, mang lại độ đàn hồi và độ bền vượt trội. Việc chế tạo theo tiêu chuẩn DIN 471 đảm bảo kích thước và đặc tính cơ học của sản phẩm đáp ứng các yêu cầu khắt khe của ngành công nghiệp. Phe gài trục thường được lắp vào một rãnh đã gia công sẵn trên trục, tạo ra một điểm chặn an toàn và hiệu quả.
2. Thông Số Kỹ Thuật Chi Tiết của Phe Gài Trục Thép 65Mn DIN471 D170x4.0
Dùng Cho Trục: Đường kính trục sử dụng
Độ Dày: Độ dày của phe gài
Đường Kính Trong: Đường kính trong của phe gài khi chưa lắp
Đường Kính Rãnh Sử Dụng: Đường kính của rãnh trên trục
Bề Rộng Rãnh Sử Dụng: Bề rộng của rãnh trên trục
| Thông số | Giá trị |
|---|---|
| Mã sản phẩm | PGTT65MND170x4.0 |
| Loại sản phẩm | Phe Gài Trục (External Retaining Ring) |
| Dùng Cho Trục | 170 mm |
| Đường Kính Trong | 160.5 mm |
| Độ Dày | 4 mm |
| Đường Kính Rãnh Sử Dụng | 165 mm |
| Bề Rộng Rãnh Sử Dụng | 4.15 mm |
| Tiêu Chuẩn | DIN 471 |
| Vật Liệu | Thép 65Mn |
| Thương Hiệu | MS-PRO |
| Bề mặt | Nhuộm đen |
| Độ cứng | ≥ 44 HRC |
| Mã UNSPSC | 31161803 |
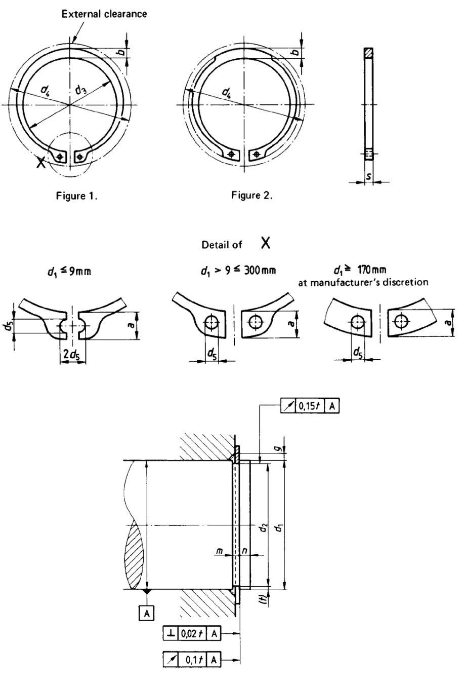
3. Cấu Tạo Chi Tiết Phe Gài Trục Thép 65Mn DIN471 D170x4.0
Phe gài trục Thép 65Mn DIN471 D170x4.0 có cấu tạo đơn giản nhưng hiệu quả, bao gồm các bộ phận chính:
Sơ đồ cấu tạo Phe Gài Trục DIN 471:
- Vòng phe: Phần thân chính của phe gài, có hình dạng vòng hở với hai đầu có lỗ để lắp dụng cụ tháo/lắp. Vòng phe được thiết kế để giãn nở khi lắp vào trục.
- Đầu phe: Hai đầu của vòng phe được làm cong và có lỗ. Đây là nơi kìm phe gài chuyên dụng sẽ bóp vào để mở rộng đường kính phe, giúp phe trượt qua đầu trục một cách dễ dàng.
4. Phân Tích Chuyên Sâu: Tiêu Chuẩn DIN 471 và Vật Liệu Thép 65Mn
Để thực sự hiểu giá trị của Phe Gài Trục Thép 65Mn DIN471 D170x4.0, việc phân tích sâu hơn về hai yếu tố then chốt: “Tiêu chuẩn DIN 471” và “Vật liệu Thép 65Mn” là rất quan trọng.
Tiêu chuẩn “DIN 471” – Tiêu chuẩn quốc tế cho phe gài trục:
- Chức năng chính: DIN 471 là một tiêu chuẩn kỹ thuật của Đức, quy định kích thước, vật liệu và các yêu cầu khác đối với phe gài trục. Việc sản xuất theo tiêu chuẩn này đảm bảo sản phẩm có độ chính xác cao và khả năng hoán đổi cho nhau.
- Đặc điểm nổi bật: Tiêu chuẩn này quy định chính xác các thông số như đường kính trục, đường kính rãnh, bề rộng rãnh và độ dày của phe, giúp các kỹ sư dễ dàng thiết kế và lắp đặt mà không cần lo lắng về sự sai lệch.
- Ưu điểm vượt trội: Đảm bảo độ chính xác cao, khả năng chịu tải trục tốt, và tính tương thích với các chi tiết cơ khí khác. Phe gài theo tiêu chuẩn DIN 471 có thể truyền tải trọng axial lớn giữa chi tiết máy và rãnh trên trục.
- Hạn chế: Cần phải gia công rãnh trên trục một cách chính xác theo tiêu chuẩn để phe gài có thể hoạt động hiệu quả.
Vật liệu “Thép 65Mn”:
- Ý nghĩa: Thép 65Mn là một loại thép lò xo đàn hồi cao, thường được sử dụng trong các chi tiết cần độ đàn hồi và chịu lực.
- Tầm quan trọng: Hàm lượng Mangan cao trong thép 65Mn (khoảng 0.7-1.0%) giúp tăng độ cứng và khả năng chịu mài mòn sau khi nhiệt luyện. Điều này đảm bảo phe gài có đủ độ đàn hồi để dễ dàng lắp và tháo ra mà không bị biến dạng vĩnh viễn, đồng thời đủ cứng để chịu lực tác động lớn.
- Lựa chọn phù hợp: Vật liệu thép 65Mn là lựa chọn lý tưởng cho phe gài, giúp sản phẩm có tuổi thọ cao và hoạt động ổn định trong nhiều điều kiện làm việc. Nó cung cấp sự cân bằng tốt giữa độ cứng, độ dẻo và độ bền.
Sự kết hợp giữa tiêu chuẩn DIN 471 và vật liệu thép 65Mn giúp Phe Gài Trục D170 MS-PRO trở thành một giải pháp đáng tin cậy, hiệu quả cho nhiều ứng dụng cơ khí, đảm bảo sự an toàn và hiệu suất cho các chi tiết máy.
5. Ưu và Nhược Điểm của Phe Gài Trục Thép 65Mn DIN471 D170x4.0
Phe gài trục là một chi tiết nhỏ nhưng lại đóng vai trò rất quan trọng trong nhiều hệ thống máy móc. Việc lựa chọn tối ưu đòi hỏi phải hiểu rõ cả ưu điểm lẫn nhược điểm của nó.
Ưu điểm nổi bật:
- Khả năng định vị chắc chắn: Phe gài trục tạo ra một chốt chặn hiệu quả, ngăn chặn các chi tiết máy (như vòng bi, bánh răng) di chuyển dọc trục, đảm bảo vị trí hoạt động chính xác.
- Độ đàn hồi cao: Chế tạo từ thép lò xo 65Mn, phe gài có thể giãn nở và co lại khi lắp đặt mà không bị biến dạng, giúp việc tháo lắp thuận tiện và đảm bảo lực kẹp sau khi lắp.
- Chịu tải trọng axial tốt: Khi được lắp đúng cách vào rãnh, phe gài có thể chịu được tải trọng hướng trục đáng kể, ngăn chi tiết bị trượt ra ngoài.
- Tiêu chuẩn quốc tế: Tuân thủ tiêu chuẩn DIN 471 đảm bảo chất lượng, kích thước chính xác và khả năng thay thế dễ dàng.
- Giá thành hợp lý: So với các phương pháp định vị phức tạp khác (như hàn, bulong), phe gài trục là một giải pháp kinh tế và hiệu quả.
Nhược điểm cần lưu ý:
- Yêu cầu gia công rãnh chính xác: Trục cần được gia công một rãnh với kích thước và dung sai chính xác theo tiêu chuẩn DIN 471 để phe gài có thể lắp và hoạt động hiệu quả.
- Khả năng chịu tải trọng hạn chế: Mặc dù chịu tải tốt, phe gài trục không phải là giải pháp cho các ứng dụng có tải trọng axial cực lớn hoặc tải trọng va đập mạnh liên tục.
- Yêu cầu dụng cụ chuyên dụng: Việc lắp đặt và tháo gỡ phe gài D170 đòi hỏi phải sử dụng kìm phe gài chuyên dụng có kích thước phù hợp để tránh làm hỏng sản phẩm.
- Nguy cơ rỉ sét: Vật liệu thép 65Mn, nếu không được bảo vệ (bằng lớp nhuộm đen hoặc mạ), có thể bị rỉ sét trong môi trường ẩm ướt hoặc hóa chất.
6. Ứng Dụng Thực Tế của Phe Gài Trục Thép 65Mn DIN471 D170x4.0
Với kích thước lớn, độ bền và độ đàn hồi cao, Phe Gài Trục Thép 65Mn DIN471 D170x4.0 được ứng dụng rộng rãi trong nhiều lĩnh vực công nghiệp tại TP. Hồ Chí Minh và các khu công nghiệp lân cận, đặc biệt là những nơi yêu cầu định vị các chi tiết có đường kính trục lớn:
- Chế tạo máy móc công nghiệp: Dùng để cố định vòng bi, bánh răng, puly và các chi tiết truyền động khác trên trục quay.
- Ngành sản xuất ô tô và xe máy: Ứng dụng trong các bộ phận trục, hộp số, hệ thống giảm xóc.
- Ngành cơ khí chế tạo: Lắp ráp các thiết bị, máy móc có trục lớn, cần độ chính xác cao và khả năng chịu tải.
- Hệ thống băng tải: Dùng để chặn vòng bi trong các con lăn băng tải công nghiệp, đảm bảo băng tải hoạt động ổn định.
- Sửa chữa và bảo trì: Là chi tiết thay thế phổ biến trong các hoạt động sửa chữa thiết bị cơ khí, máy bơm, động cơ.
- Nông nghiệp và xây dựng: Ứng dụng trong các loại máy móc lớn như máy cày, máy xúc, cần trục.
7. Hướng Dẫn Lắp Đặt và Tháo Gỡ Phe Gài Trục D170
Để đảm bảo tuổi thọ và hiệu suất tối ưu cho Phe Gài Trục Thép 65Mn DIN471 D170x4.0, việc lắp đặt và tháo gỡ đúng cách là vô cùng quan trọng. Luôn tuân thủ các nguyên tắc an toàn và kỹ thuật. Mecsu cung cấp hướng dẫn chi tiết dựa trên kinh nghiệm thực tế:
- Chuẩn bị: Đảm bảo môi trường làm việc sạch sẽ, khô ráo. Chuẩn bị đầy đủ dụng cụ chuyên dụng như kìm phe gài (kìm moay ơ) có kích thước phù hợp. Kiểm tra rãnh trên trục phải sạch sẽ, không có ba via, rỉ sét và đúng kích thước. Luôn đeo găng tay và kính bảo hộ để đảm bảo an toàn.
- Lắp đặt:
- Chọn kìm phe gài có đầu phù hợp với lỗ trên phe.
- Bóp kìm để mở rộng phe gài, đủ để phe trượt qua đầu trục.
- Cẩn thận trượt phe gài vào vị trí rãnh đã gia công trên trục.
- Nhẹ nhàng nhả kìm, để phe gài co lại và tự khớp vào rãnh. Đảm bảo phe đã nằm hoàn toàn và chắc chắn trong rãnh.
- Tháo gỡ:
- Sử dụng kìm phe gài chuyên dụng, luồn hai đầu kìm vào hai lỗ trên phe gài.
- Bóp kìm để nới rộng phe gài ra khỏi rãnh.
- Cẩn thận trượt phe ra khỏi trục.
- Tránh dùng tua vít, búa hoặc các dụng cụ không chuyên dụng để nạy phe gài ra, việc này không chỉ làm hỏng phe mà còn có thể gây trầy xước trục hoặc làm hỏng các chi tiết xung quanh.
- Bảo quản: Nếu không sử dụng ngay, hãy giữ phe gài trong bao bì gốc của nhà sản xuất, ở nơi khô ráo, thoáng mát để ngăn ngừa rỉ sét.
8. So Sánh Phe Gài Trục với Phe Gài Lỗ và Vòng Đệm Chặn
Việc hiểu rõ sự khác biệt giữa các loại chi tiết định vị sẽ giúp bạn lựa chọn sản phẩm phù hợp nhất cho ứng dụng của mình, tối ưu hóa hiệu suất và chi phí đầu tư:
| Tiêu chí | Phe Gài Trục (D170x4.0) | Phe Gài Lỗ | Vòng Đệm Chặn |
|---|---|---|---|
| Ứng dụng | Gắn trên trục, chặn các chi tiết bên ngoài trục. | Gắn trong lỗ, chặn các chi tiết bên trong lỗ. | Sử dụng với bulong/đai ốc, tạo lực nén để giữ chi tiết. |
| Hình dạng | Vòng hở, co lại khi tháo, giãn ra khi lắp. Có lỗ để kìm. | Vòng hở, giãn ra khi tháo, co lại khi lắp. Có lỗ để kìm. | Vòng tròn có thể có răng, không có lỗ kìm. |
| Độ chính xác | Cao (theo DIN 471) | Cao (theo DIN 472) | Trung bình |
| Vật liệu | Thép lò xo (65Mn), thép không gỉ. | Thép lò xo (65Mn), thép không gỉ. | Nhiều loại: thép, thép không gỉ, đồng. |
| Cách lắp đặt | Dùng kìm phe gài để bóp lại. | Dùng kìm phe gài để nới ra. | Vặn chặt bulong/đai ốc. |
| Giá thành | Trung bình | Trung bình | Thấp |
| Ứng dụng điển hình | Cố định vòng bi trên trục động cơ, puly, bánh răng. | Cố định vòng bi trong gối đỡ, trong các lỗ. | Chặn đai ốc, bulong, định vị các chi tiết có tải nhẹ. |
9. Cách Phân Biệt Phe Gài Thật – Giả – Lời Khuyên Từ Chuyên Gia Mecsu
Thị trường hiện nay có rất nhiều hàng giả, hàng nhái kém chất lượng, đặc biệt là với các sản phẩm cơ khí được ưa chuộng. Để đảm bảo bạn mua được Phe Gài Trục Thép 65Mn DIN471 D170x4.0 chính hãng từ MS-PRO tại TP.HCM, Mecsu khuyến nghị kiểm tra các dấu hiệu sau:
a. Dấu hiệu của phe gài trục MS-PRO chính hãng:
- Bề mặt sản phẩm: Bề mặt được nhuộm đen đồng đều, không có vết rỉ sét hoặc tì vết. Bề mặt mịn, các cạnh được gia công sắc nét, chính xác.
- Độ đàn hồi: Phe gài chính hãng khi được bóp bằng kìm sẽ có độ đàn hồi cao, trở lại hình dạng ban đầu một cách nhanh chóng, không bị biến dạng.
- Kích thước chính xác: Sản phẩm được sản xuất theo tiêu chuẩn DIN 471 nên có kích thước cực kỳ chính xác, lắp vừa khít với rãnh trục đã gia công đúng tiêu chuẩn.
- Bao bì chất lượng cao: Sản phẩm thường được đóng gói cẩn thận, có nhãn mác rõ ràng của thương hiệu MS-PRO, ghi đầy đủ thông tin về tiêu chuẩn, vật liệu và kích thước.
- Nguồn gốc và chứng từ: Nhà cung cấp uy tín sẽ có đầy đủ chứng từ xuất xứ và chứng nhận chất lượng (CQ) của sản phẩm.
b. Dấu hiệu của phe gài trục hàng giả/nhái:
- Bề mặt thô: Bề mặt không được xử lý tốt, có thể có vết bẩn, rỉ sét, hoặc lớp nhuộm đen không đều.
- Độ đàn hồi kém: Phe gài làm từ vật liệu kém chất lượng sẽ dễ bị biến dạng, cong vênh sau khi tháo/lắp, không trở lại hình dạng ban đầu.
- Kích thước sai lệch: Kích thước phe gài không chính xác, có thể lỏng lẻo khi lắp hoặc quá chặt, khó lắp vào rãnh.
- Bao bì sơ sài: Bao bì thường không có nhãn mác, thông tin sản phẩm mờ nhạt hoặc không đầy đủ.
- Giá bán rẻ bất thường: Mức giá thấp hơn nhiều so với giá thị trường của sản phẩm chính hãng là dấu hiệu cảnh báo rõ ràng nhất.
10. Giá Bán & Gợi Ý Mua Phe Gài Trục Thép 65Mn DIN471 D170x4.0 Chính Hãng Tại TP.HCM
a. Giá Phe Gài Trục Thép 65Mn DIN471 D170x4.0 (TP.Hồ Chí Minh) tại Mecsu: Giá: 67,420 đ/ Cái (đã có VAT) – Giá hợp lý, phù hợp với chất lượng sản phẩm chính hãng
Liên hệ để nhận báo giá tốt nhất (giá có thể thay đổi tùy thời điểm và số lượng) – mức giá hợp lý, phù hợp với chất lượng sản phẩm chính hãng MS-PRO tại thị trường linh kiện cơ khí TP.HCM.
b. Gợi ý mua phe gài chính hãng MS-PRO uy tín
- Chọn nhà cung cấp uy tín tại TP.HCM: Ưu tiên đối tác có chứng nhận từ MS-PRO hoặc đơn vị lâu năm, được nhiều khách hàng tin tưởng và có danh tiếng trên thị trường cung cấp linh kiện cơ khí tại TP.HCM.
- Kiểm tra chứng từ đầy đủ: Luôn yêu cầu đầy đủ CO (chứng nhận xuất xứ) và CQ (chứng nhận chất lượng) để đảm bảo nguồn gốc và chất lượng sản phẩm.
- Mua tại Mecsu – Nhà phân phối chính hãng MS-PRO tại Việt Nam: Mecsu tự hào là nhà phân phối chính hãng MS-PRO tại Việt Nam, cam kết cung cấp phe gài trục chính hãng với nhiều lợi ích vượt trội:
- 100% sản phẩm chính hãng: Đảm bảo nguồn gốc rõ ràng, đầy đủ chứng từ. Chúng tôi cam kết hoàn tiền 100% hoặc đổi trả nếu sản phẩm không phải chính hãng.
- Chính sách bảo hành minh bạch: Hỗ trợ đổi trả nếu có lỗi từ nhà sản xuất, mang lại sự an tâm tuyệt đối cho khách hàng.
- Hỗ trợ kỹ thuật chuyên sâu: Đội ngũ kỹ sư giàu kinh nghiệm sẵn sàng hỗ trợ bạn về kỹ thuật và lựa chọn sản phẩm phù hợp nhất cho mọi ứng dụng.
- Giá cả cạnh tranh: Đảm bảo mức giá tốt nhất đi kèm chất lượng, với chính sách chiết khấu hấp dẫn cho đơn hàng số lượng lớn.
MUA THÊM NHIỀU LOẠI PHE GÀI CHÍNH HÃNG KHÁC TẠI MECSU
11. FAQ về Phe Gài Trục Thép 65Mn DIN471 D170x4.0
a. Phe gài trục này có cần bảo dưỡng không?
Phe gài trục là một chi tiết cơ khí đơn giản, thường không yêu cầu bảo dưỡng định kỳ. Tuy nhiên, việc kiểm tra tình trạng của nó trong quá trình bảo trì máy móc là cần thiết để đảm bảo nó vẫn nằm chắc chắn trong rãnh và không bị biến dạng.
b. Chữ “DIN 471” trong mã có ý nghĩa gì?
Chữ “DIN 471” là tiêu chuẩn kỹ thuật của Đức, quy định kích thước và đặc tính kỹ thuật của phe gài trục (External Retaining Rings). Việc sản phẩm tuân thủ tiêu chuẩn này đảm bảo chất lượng, độ chính xác và tính hoán đổi cao.
c. Tôi có thể dùng kìm thường để lắp phe gài này không?
Không nên. Để lắp và tháo phe gài trục một cách an toàn và hiệu quả, bạn nên sử dụng kìm phe gài chuyên dụng. Việc dùng kìm thường hoặc các dụng cụ khác có thể làm hỏng phe, gây biến dạng và giảm khả năng định vị của nó.
d. Làm sao biết phe gài trục của tôi là hàng chính hãng MS-PRO?
Bạn nên mua từ nhà phân phối uy tín (như Mecsu), kiểm tra bao bì có nhãn mác đầy đủ, sản phẩm có bề mặt được hoàn thiện tốt và có độ đàn hồi cao. Mức giá quá rẻ cũng là một dấu hiệu cảnh báo.
e. Khi nào cần thay thế phe gài trục?
Bạn nên thay thế phe gài khi nhận thấy các dấu hiệu sau:
- Bị biến dạng: Phe gài không còn giữ được hình dạng ban đầu, bị cong hoặc méo.
- Mất độ đàn hồi: Khi tháo ra, phe gài không co lại về trạng thái ban đầu, cho thấy vật liệu đã bị mỏi.
- Rỉ sét nặng: Bề mặt bị rỉ sét ăn mòn, làm giảm độ bền và khả năng chịu tải.
- Bị lỏng trong rãnh: Phe gài không còn nằm chắc chắn trong rãnh, có thể bị rung lắc.
Kinh nghiệm từ các kỹ sư Mecsu: Phe gài là chi tiết an toàn, việc thay thế định kỳ khi có dấu hiệu hư hại sẽ giúp bảo vệ các chi tiết máy đắt tiền hơn như vòng bi, bánh răng khỏi bị trượt khỏi vị trí.
f. Mua phe gài trục chính hãng, uy tín ở đâu tại TP.HCM?
Mua phe gài trục chính hãng và đảm bảo chất lượng tại TP.HCM, bạn hãy liên hệ ngay với Mecsu. Chúng tôi tự hào là nhà cung cấp uy tín, chuyên phân phối các sản phẩm phe gài MS-PRO chính hãng tại Việt Nam.
- Cam kết chất lượng: 100% sản phẩm có nguồn gốc rõ ràng, đầy đủ chứng từ CO, CQ. Chúng tôi cam kết hoàn tiền 100% hoặc đổi trả nếu sản phẩm không phải chính hãng.
- Giá cả cạnh tranh: Đảm bảo mức giá tốt nhất đi kèm chất lượng, với chính sách chiết khấu hấp dẫn cho đơn hàng số lượng lớn.
- Tư vấn chuyên sâu: Đội ngũ kỹ sư giàu kinh nghiệm sẵn sàng hỗ trợ bạn về kỹ thuật và lựa chọn sản phẩm phù hợp nhất.
- Chính sách hậu mãi: Đảm bảo quyền lợi tối đa cho khách hàng với dịch vụ hỗ trợ nhanh chóng, tận tâm.
12. Liên Hệ và Hỗ Trợ Tư Vấn Mua Phe Gài
Nếu bạn có bất kỳ thắc mắc nào về Phe Gài Trục Thép 65Mn DIN471 D170x4.0 hoặc cần tư vấn về giải pháp phe gài cho ứng dụng cụ thể của mình, đừng ngần ngại liên hệ với đội ngũ chuyên gia của Mecsu. Chúng tôi luôn sẵn lòng hỗ trợ bạn tìm ra sản phẩm phù hợp và tối ưu nhất.
Địa chỉ: B28/I – B29/I Đường số 2B, KCN Vĩnh Lộc, P. Bình Hưng Hòa B, Q. Bình Tân, TP.HCM
Hotline: 1800 8137
Email: [email protected]
Website: mecsu.vn
13. Thông Tin Bổ Sung & Kinh Nghiệm Thực Tế Từ Mecsu
a. Kinh Nghiệm Thực Tế & Câu Chuyện Thành Công
Tại Mecsu, chúng tôi tự hào là đối tác tin cậy của nhiều doanh nghiệp trong việc cung cấp các giải pháp phe gài chất lượng cao. “Phe Gài Trục Thép 65Mn DIN471 D170x4.0”, với đặc tính chịu tải tốt và độ bền cao, đã được ứng dụng trong nhiều dự án quan trọng của khách hàng chúng tôi tại “TP. Hồ Chí Minh” và các tỉnh lân cận, mang lại hiệu quả vượt trội và là minh chứng cho chất lượng sản phẩm cùng kinh nghiệm thực tế của đội ngũ Mecsu:
- Ngành sản xuất động cơ điện: Chúng tôi đã cung cấp phe gài trục D170 cho một nhà sản xuất động cơ điện lớn tại Bình Dương. Phe gài đã giúp cố định các chi tiết một cách chắc chắn trên trục quay của động cơ, đảm bảo sự ổn định và độ tin cậy trong quá trình hoạt động liên tục.
- Lĩnh vực máy bơm công nghiệp: Phe gài trục D170 được lựa chọn cho các ứng dụng máy bơm cần định vị các chi tiết trên trục. Độ bền vượt trội của sản phẩm chính hãng đã giúp máy bơm hoạt động ổn định trong thời gian dài, ngay cả trong điều kiện làm việc khắc nghiệt.
- Thiết bị truyền động: Một khách hàng chuyên sản xuất hộp số và các thiết bị truyền động đã ứng dụng phe gài trục D170 vào các bộ phận trục chính. Khả năng chịu lực và độ chính xác của phe gài đã giúp hệ thống truyền động hoạt động hiệu quả và kéo dài tuổi thọ.
b. Trích Dẫn Chuyên Gia
“Phe Gài Trục Thép 65Mn DIN471 D170x4.0 là một lựa chọn tuyệt vời cho các ứng dụng công nghiệp cần định vị chi tiết trên trục. Vật liệu thép 65Mn mang lại độ đàn hồi và độ cứng lý tưởng, trong khi tiêu chuẩn DIN 471 đảm bảo độ chính xác cao nhất. Đây là giải pháp đáng tin cậy và hiệu quả, giúp các kỹ sư cơ khí đơn giản hóa quá trình thiết kế và lắp ráp, đồng thời đảm bảo an toàn cho hệ thống máy móc.”
— “Kỹ sư cơ khí Chuyên gia kỹ thuật Mecsu” (TP. Hồ Chí Minh) – Với hơn 10 năm kinh nghiệm trong lĩnh vực “linh kiện cơ khí công nghiệp”.
c. Tài Liệu Tham Khảo và Nghiên Cứu
Nội dung bài viết này được biên soạn dựa trên các tài liệu kỹ thuật chính thức và đáng tin cậy, cùng với kinh nghiệm thực tế chuyên sâu của đội ngũ kỹ sư Mecsu, đảm bảo tính chính xác, cập nhật và chuyên môn cao:
- DIN 471 – Retaining rings for shafts: Nguồn dữ liệu kỹ thuật chi tiết nhất về phe gài trục theo tiêu chuẩn DIN.
- Tài liệu về vật liệu Thép 65Mn: Thông tin chuyên sâu về đặc tính cơ học và ứng dụng của vật liệu thép lò xo 65Mn.
- Trải nghiệm thực tế và phản hồi từ các dự án khách hàng của Mecsu: “Dữ liệu độc nhất” được thu thập từ hơn 10 năm cung cấp “linh kiện cơ khí” và “giải pháp định vị” cho các doanh nghiệp tại Việt Nam.
Biên soạn bởi: Đội ngũ Kỹ sư Mecsu
Với hơn 10 năm kinh nghiệm chuyên sâu trong lĩnh vực phân phối và tư vấn giải pháp cơ khí, đội ngũ kỹ sư của Mecsu cam kết mang đến những thông tin chính xác, cập nhật và hữu ích nhất, giúp quý khách hàng đưa ra lựa chọn sản phẩm tối ưu cho mọi ứng dụng.
(Xem thêm thông tin về chúng tôi tại Website Mecsu)
Lưu ý: Hình ảnh sản phẩm có thể khác biệt so với thực tế tùy theo lô sản xuất. Vui lòng tham khảo thông số kỹ thuật chi tiết hoặc liên hệ Mecsu để có thông tin chính xác nhất về sản phẩm.


















Đánh giá
Chưa có đánh giá nào.