Mô tả sản phẩm
Thông tin CHUYÊN SÂU về Phe Gài Trục Thép 65Mn DIN471 D180x4.0
Mục Lục
- 1. Phe Gài Trục DIN471 D180x4.0 Là Gì? – Giải Thích Chuyên Sâu
- 2. Thông Số Kỹ Thuật Chi Tiết của Phe Gài Trục Thép 65Mn D180x4.0
- 3. Cấu Tạo Chi Tiết Phe Gài Trục DIN471
- 4. Phân Tích Chuyên Sâu: Vật Liệu Thép 65Mn và Tiêu Chuẩn DIN471
- 5. Ưu và Nhược Điểm của Phe Gài Trục Thép 65Mn
- 6. Ứng Dụng Thực Tế của Phe Gài Trục DIN471 D180
- 7. Hướng Dẫn Lắp Đặt và Tháo Gỡ Phe Gài Trục D180
- 8. So Sánh Phe Gài Trục DIN471 với Phe Gài Lỗ DIN472 và DIN6799
- 9. Cách Phân Biệt Phe Gài Trục Thép Thật – Giả – Lời Khuyên Từ Chuyên Gia Mecsu
- 10. Giá Bán & Gợi Ý Mua Phe Gài Trục Chính Hãng Tại TP.HCM
- 11. FAQ về Phe Gài Trục Thép 65Mn
- 12. Liên Hệ và Hỗ Trợ Tư Vấn Mua Phe Gài
- 13. Thông Tin Bổ Sung & Kinh Nghiệm Thực Tế Từ Mecsu
1. Phe Gài Trục DIN471 D180x4.0 Là Gì? – Giải Thích Chuyên Sâu
Phe gài trục là một chi tiết cơ khí quan trọng, được thiết kế để định vị các bộ phận trên một trục, ngăn chúng di chuyển dọc theo trục. Phe gài trục Thép 65Mn DIN471 D180x4.0 là một ví dụ điển hình, được sản xuất theo tiêu chuẩn DIN 471, với đường kính danh nghĩa của trục là 180mm và độ dày 4mm. Mã “D180” chỉ ra rằng phe gài này được sử dụng cho các trục có đường kính 180mm.
Phe gài trục DIN 471 có hình dạng vòng hở, được lắp vào một rãnh đã gia công sẵn trên trục. Vật liệu Thép 65Mn mang lại khả năng đàn hồi và độ cứng cao, giúp phe gài chịu được tải trọng lớn và duy trì độ bền trong các ứng dụng công nghiệp nặng. Sản phẩm thường được đóng gói theo cái, tiện lợi cho các ứng dụng sản xuất và bảo trì.
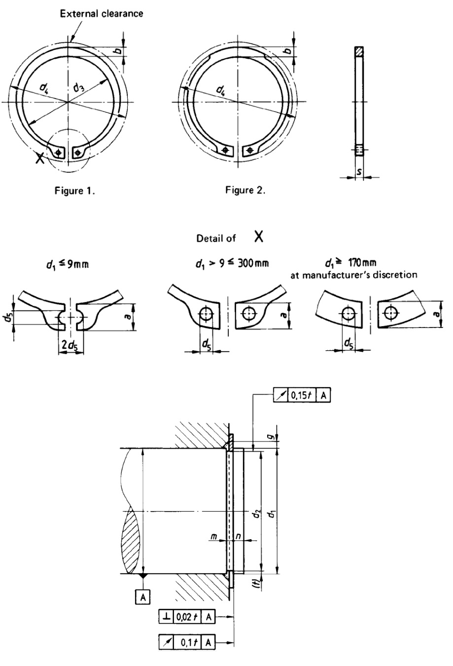
2. Thông Số Kỹ Thuật Chi Tiết của Phe Gài Trục Thép 65Mn D180x4.0
d1: Đường kính trục danh nghĩa
d2: Đường kính ngoài
d3: Đường kính rãnh sử dụng
s: Độ dày
b: Bề rộng rãnh sử dụng
m: Đường kính trong
| Thông số | Giá trị |
|---|---|
| Mã sản phẩm | DIN471 D180x4.0 |
| Loại | Phe Gài Trục |
| Dùng cho trục | 180 mm |
| Vật liệu | Thép 65Mn |
| Đường kính trong (m) | 170.5 mm |
| Đường kính rãnh sử dụng (d3) | 175 mm |
| Bề rộng rãnh sử dụng (b) | 4.15 mm |
| Độ dày (s) | 4 mm |
| Tiêu chuẩn | DIN 471 |
| Đóng gói | 1 cái/bịch |
| Thương hiệu | MS-PRO |
| Xuất xứ | Trung Quốc |
| Giá bán | 90,441 đ / Cái (đã có VAT) |
3. Cấu Tạo Chi Tiết Phe Gài Trục DIN471
Phe gài trục DIN471, hay còn gọi là vòng chặn trục, có cấu tạo đơn giản nhưng đóng vai trò cực kỳ quan trọng trong lắp ráp cơ khí:
Cấu tạo Phe Gài Trục DIN471 D180x4.0
- Vòng phe: Có hình dạng chữ C hở, được thiết kế để vừa khít với rãnh trên trục. Lực đàn hồi của vật liệu giúp nó bám chắc vào rãnh.
- Đầu phe: Hai đầu của vòng phe được uốn cong hoặc có lỗ để dễ dàng lắp đặt và tháo gỡ bằng kìm chuyên dụng.
- Vật liệu: Được chế tạo từ Thép lò xo 65Mn, mang lại khả năng chịu lực, độ đàn hồi và độ bền cơ học cực cao, phù hợp cho các ứng dụng tải trọng lớn.
4. Phân Tích Chuyên Sâu: Vật Liệu Thép 65Mn và Tiêu Chuẩn DIN471
Để thực sự hiểu giá trị của Phe Gài Trục D180x4.0, việc phân tích sâu hơn về hai yếu tố then chốt: “vật liệu Thép 65Mn” và “tiêu chuẩn DIN 471” là rất quan trọng.
Vật liệu Thép 65Mn – Khả năng chịu lực và độ đàn hồi:
- Chức năng chính: Thép 65Mn là loại thép lò xo có hàm lượng carbon và mangan cao, nổi tiếng với độ đàn hồi vượt trội và độ cứng cao sau khi nhiệt luyện.
- Đặc điểm nổi bật: Vật liệu này cung cấp khả năng chịu mài mòn và chịu lực va đập cực tốt, lý tưởng cho các ứng dụng cơ khí yêu cầu độ bền cao.
- Ưu điểm vượt trội: Nhờ vật liệu Thép 65Mn, phe gài trục có thể hoạt động hiệu quả trong các ứng dụng tải trọng nặng, đảm bảo lực giữ tối đa cho các chi tiết trên trục mà không bị biến dạng hay gãy.
- Hạn chế: Khả năng chống ăn mòn của Thép 65Mn kém hơn so với Inox. Do đó, cần có lớp phủ bảo vệ (như mạ kẽm) hoặc sử dụng trong môi trường khô ráo để tránh gỉ sét.
Tiêu chuẩn DIN 471 (External Circlips for Shafts):
- Ý nghĩa: DIN 471 là tiêu chuẩn Đức quy định kích thước, vật liệu và yêu cầu kỹ thuật cho phe gài trục (vòng chặn ngoài).
- Tầm quan trọng: Tiêu chuẩn này đảm bảo rằng các phe gài trục có cùng kích thước danh nghĩa sẽ có thể thay thế cho nhau, bất kể nhà sản xuất nào. Điều này giúp việc thiết kế và bảo trì máy móc trở nên dễ dàng và chính xác hơn.
- Lựa chọn phù hợp: Việc tuân thủ tiêu chuẩn DIN 471 đảm bảo rằng phe gài trục D180x4.0 có kích thước chính xác, phù hợp với rãnh trục 180mm, giúp quá trình lắp đặt và tháo gỡ diễn ra thuận lợi, đồng thời đảm bảo lực giữ tối ưu.
Sự kết hợp giữa vật liệu Thép 65Mn và tiêu chuẩn DIN 471 giúp phe gài trục D180x4.0 trở thành một giải pháp đáng tin cậy, linh hoạt cho việc định vị các chi tiết trên trục, đảm bảo độ bền và hiệu suất cao trong nhiều ứng dụng khác nhau.
5. Ưu và Nhược Điểm của Phe Gài Trục Thép 65Mn
Phe gài trục Thép 65Mn được tin dùng rộng rãi nhờ hiệu suất và độ bền. Tuy nhiên, việc lựa chọn tối ưu đòi hỏi phải hiểu rõ cả ưu điểm lẫn nhược điểm của nó.
Ưu điểm nổi bật:
- Độ bền và độ cứng cao: Vật liệu Thép 65Mn có khả năng xử lý nhiệt để đạt độ cứng cực cao, giúp phe gài chịu được tải trọng lớn mà không bị biến dạng.
- Độ đàn hồi vượt trội: Là thép lò xo, sản phẩm có khả năng phục hồi hình dạng tốt sau khi bị biến dạng, đảm bảo lực giữ chặt liên tục.
- Tiêu chuẩn hóa cao: Sản xuất theo tiêu chuẩn DIN 471 đảm bảo kích thước chính xác, dễ dàng lắp đặt và thay thế, mang lại sự đồng bộ cho các thiết bị.
- Giá cả hợp lý: So với các vật liệu cao cấp hơn, thép 65Mn là lựa chọn kinh tế nhưng vẫn đảm bảo hiệu suất vượt trội.
Nhược điểm cần lưu ý:
- Dễ bị ăn mòn: Thép 65Mn không chống gỉ. Cần có lớp phủ bảo vệ (như mạ) hoặc sử dụng trong môi trường khô ráo để tránh hiện tượng gỉ sét.
- Yêu cầu dụng cụ chuyên dụng: Việc lắp đặt và tháo gỡ cần kìm phe gài chuyên dụng, có thể gây khó khăn nếu không có công cụ phù hợp, đặc biệt với kích thước lớn.
6. Ứng Dụng Thực Tế của Phe Gài Trục DIN471 D180
Với kích thước lớn, độ bền và khả năng chịu tải cao, Phe gài trục Thép 65Mn DIN471 D180x4.0 được ứng dụng rộng rãi trong nhiều lĩnh vực công nghiệp và dân dụng tại TP. Hồ Chí Minh và các khu công nghiệp lân cận:
- Chế tạo máy móc công nghiệp nặng: Dùng để định vị các bánh răng, bánh xe, vòng bi, hoặc các chi tiết có tải trọng lớn trên trục.
- Ngành ô tô, xe tải: Sử dụng trong các bộ phận có tải trọng cao như trục truyền động, hộp số, hoặc các cơ cấu chịu lực lớn.
- Thiết bị xây dựng và nông nghiệp: Định vị các trục lớn trong máy ủi, máy kéo, thiết bị nâng hạ.
- Ngành cơ khí chính xác: Dùng trong các thiết bị đo lường, dụng cụ y tế hoặc các bộ phận cần độ chính xác cao.
- Đóng tàu và công nghiệp nặng: Đảm bảo sự ổn định của các trục quay trong môi trường làm việc khắc nghiệt.
7. Hướng Dẫn Lắp Đặt và Tháo Gỡ Phe Gài Trục D180
Để đảm bảo tuổi thọ và hiệu suất tối ưu cho Phe Gài Trục D180x4.0, việc lắp đặt và tháo gỡ đúng cách là vô cùng quan trọng. Luôn tuân thủ các nguyên tắc an toàn và kỹ thuật. Mecsu cung cấp hướng dẫn chi tiết dựa trên kinh nghiệm thực tế:
- Chuẩn bị: Đảm bảo môi trường làm việc sạch sẽ, khô ráo. Chuẩn bị đầy đủ dụng cụ chuyên dụng, cụ thể là kìm phe gài trục (kìm mỏ thẳng hoặc mỏ cong tùy vị trí lắp đặt). Luôn đeo kính bảo hộ để đảm bảo an toàn. Kiểm tra rãnh trục phải sạch sẽ, không có ba via, rỉ sét và đảm bảo đúng kích thước.
- Lắp đặt:
- Sử dụng kìm phe gài chuyên dụng. Kẹp hai đầu của phe gài và mở rộng nó ra vừa đủ để có thể trượt qua đầu trục.
- Cẩn thận trượt phe gài vào rãnh đã chuẩn bị trên trục.
- Nhả kìm để phe gài bật vào đúng vị trí rãnh. Đảm bảo phe gài đã nằm gọn và chắc chắn trong rãnh. Tuyệt đối không dùng tay hoặc các dụng cụ không phù hợp để bẻ phe gài.
- Tháo gỡ:
- Sử dụng kìm phe gài chuyên dụng để kẹp và bóp hai đầu của phe gài.
- Khi phe gài được bóp lại, khe hở sẽ mở ra, cho phép bạn dễ dàng trượt nó ra khỏi rãnh và lấy khỏi trục.
- Bảo quản: Nếu không sử dụng ngay, hãy giữ phe gài trong bao bì gốc của nhà sản xuất, ở nơi khô ráo, thoáng mát, tránh ẩm ướt để ngăn ngừa gỉ sét.
8. So Sánh Phe Gài Trục DIN471 với Phe Gài Lỗ DIN472 và DIN6799
Việc hiểu rõ sự khác biệt giữa các loại phe gài sẽ giúp bạn lựa chọn sản phẩm phù hợp nhất cho ứng dụng của mình, tối ưu hóa hiệu suất và chi phí đầu tư:
| Tiêu chí | Phe Gài Trục (DIN471) | Phe Gài Lỗ (DIN472) | Phe Gài Kiểu E (DIN6799) |
|---|---|---|---|
| Vị trí lắp đặt | Lắp trên trục (vòng ngoài) | Lắp trong lỗ (vòng trong) | Lắp trên trục (nhưng có hình dạng khác) |
| Hình dạng | Vòng tròn hở, lắp ngoài | Vòng tròn hở, lắp trong | Hình chữ E, gài vào rãnh hở |
| Nguyên lý hoạt động | Gài vào rãnh trên trục để giữ chi tiết | Gài vào rãnh trong lỗ để giữ chi tiết | Gài vào rãnh hở trên trục, dễ tháo lắp |
| Tải trọng chịu được | Lớn | Lớn | Nhỏ hơn |
| Dụng cụ lắp | Kìm phe gài trục | Kìm phe gài lỗ | Kìm phe gài hoặc dụng cụ đơn giản |
| Ứng dụng điển hình | Lắp bánh răng, vòng bi trên trục | Giữ vòng bi, chi tiết trong vỏ máy | Giữ các chi tiết nhẹ, dễ tháo lắp |
9. Cách Phân Biệt Phe Gài Trục Thép Thật – Giả – Lời Khuyên Từ Chuyên Gia Mecsu
Thị trường hiện nay có rất nhiều hàng giả, hàng nhái kém chất lượng. Để đảm bảo bạn mua được Phe gài trục Thép 65Mn MS-PRO chính hãng tại TP.HCM, Mecsu khuyến nghị kiểm tra các dấu hiệu sau:
a. Dấu hiệu của phe gài trục MS-PRO chính hãng:
- Bao bì chất lượng cao: Sắc nét, thông tin sản phẩm rõ ràng, đầy đủ mã sản phẩm, kích thước và thông tin nhà sản xuất.
- Bề mặt sản phẩm: Phe gài thật được gia công tỉ mỉ, bề mặt nhẵn mịn, không có ba via, không bị cong vênh.
- Độ đàn hồi tốt: Khi dùng kìm bóp và thả ra, phe gài chính hãng sẽ trở lại hình dạng ban đầu một cách hoàn hảo, không bị biến dạng.
- Chứng từ đầy đủ: Nhà cung cấp uy tín sẽ cung cấp đầy đủ chứng nhận chất lượng (CQ) từ nhà sản xuất, đảm bảo nguồn gốc và chất lượng sản phẩm.
b. Dấu hiệu của phe gài trục hàng giả/nhái:
- Bao bì thô, in ấn mờ nhạt, thiếu thông tin quan trọng.
- Bề mặt phe gài có dấu hiệu gia công kém, ba via, cạnh sắc hoặc có vết gỉ sét.
- Độ đàn hồi kém, dễ bị biến dạng sau khi bóp hoặc dễ gãy.
- Giá bán rẻ bất thường so với mức giá thị trường của sản phẩm chính hãng – đây là dấu hiệu cảnh báo lớn nhất.
10. Giá Bán & Gợi Ý Mua Phe Gài Trục Chính Hãng Tại TP.HCM
a. Giá Phe gài trục Thép 65Mn DIN471 D180x4.0 (TP.Hồ Chí Minh) tại Mecsu: Giá: 90,441 đ / Cái (đã có VAT) – Giá hợp lý, phù hợp với chất lượng sản phẩm chính hãng
Liên hệ để nhận báo giá tốt nhất (giá có thể thay đổi tùy thời điểm và số lượng) – mức giá hợp lý, phù hợp với chất lượng sản phẩm chính hãng MS-PRO tại thị trường linh kiện cơ khí TP.HCM.
b. Gợi ý mua phe gài chính hãng MS-PRO uy tín
- Chọn nhà cung cấp uy tín tại TP.HCM: Ưu tiên đối tác có danh tiếng trên thị trường cung cấp linh kiện cơ khí tại TP.HCM.
- Kiểm tra chứng từ đầy đủ: Luôn yêu cầu đầy đủ chứng nhận chất lượng (CQ) để đảm bảo nguồn gốc và chất lượng sản phẩm. Điều này giúp bạn tránh mua phải hàng giả trên thị trường.
- Mua tại Mecsu – Đại lý phân phối chính hãng: Mecsu tự hào là nhà phân phối chính hãng MS-PRO tại Việt Nam, cam kết cung cấp “Phe Gài Trục Thép 65Mn DIN471 D180x4.0” và các loại “phe gài khác” với nhiều lợi ích vượt trội:
- 100% sản phẩm chính hãng: Đảm bảo nguồn gốc rõ ràng, đầy đủ chứng từ. Chúng tôi cam kết hoàn tiền 100% hoặc đổi trả nếu sản phẩm không phải chính hãng.
- Chính sách bảo hành minh bạch: Hỗ trợ đổi trả nếu có lỗi từ nhà sản xuất, mang lại sự an tâm tuyệt đối cho khách hàng.
- Hỗ trợ kỹ thuật chuyên sâu: Đội ngũ kỹ sư giàu kinh nghiệm sẵn sàng hỗ trợ bạn về kỹ thuật và lựa chọn sản phẩm phù hợp nhất cho mọi ứng dụng.
- Giá cả cạnh tranh: Đảm bảo mức giá tốt nhất đi kèm chất lượng, với chính sách chiết khấu hấp dẫn cho đơn hàng số lượng lớn, đặc biệt khi “mua phe gài số lượng lớn”.
MUA THÊM NHIỀU LOẠI PHE GÀI CHÍNH HÃNG KHÁC TẠI MECSU
11. FAQ về Phe Gài Trục Thép 65Mn
a. Phe Gài Trục có cần bảo dưỡng không?
Phe gài trục là chi tiết cơ khí đơn giản, không yêu cầu bảo dưỡng phức tạp như vòng bi. Tuy nhiên, bạn nên kiểm tra định kỳ để đảm bảo phe gài vẫn nằm chắc chắn trong rãnh và không có dấu hiệu mài mòn quá mức. Nếu phe gài bị lỏng hoặc biến dạng, cần thay thế ngay.
b. Chữ “D180x4.0” trong mã có ý nghĩa gì?
Chữ “D180” chỉ ra rằng phe gài này được dùng cho trục có đường kính 180mm. “x4.0” cho biết độ dày của phe gài là 4mm.
c. Phe Gài Trục Thép 65Mn có phải là phe gài chịu nhiệt không?
Phe gài Thép 65Mn có khả năng chịu nhiệt tốt hơn so với thép carbon thông thường. Tuy nhiên, đối với các ứng dụng yêu cầu nhiệt độ cực cao, bạn nên tham khảo các loại phe gài chuyên dụng được làm từ vật liệu chịu nhiệt đặc thù.
d. Làm sao biết phe gài trục của tôi là hàng chính hãng MS-PRO?
Bạn nên mua từ nhà phân phối uy tín (như Mecsu), kiểm tra bao bì, bề mặt sản phẩm nhẵn mịn, không có ba via, và đặc biệt là độ đàn hồi của sản phẩm. Sản phẩm chính hãng MS-PRO luôn đảm bảo độ bền và độ chính xác cao.
e. Khi nào cần thay thế phe gài trục?
Bạn nên thay thế phe gài khi nhận thấy các dấu hiệu sau:
- Biến dạng vật lý: Phe gài bị cong, vênh hoặc có dấu hiệu mài mòn, ăn mòn rõ rệt.
- Độ đàn hồi kém: Khi bóp và thả ra, phe gài không trở lại hình dạng ban đầu.
- Bị nứt hoặc gãy: Dấu hiệu của sự quá tải hoặc vật liệu kém chất lượng.
- Khi tháo lắp nhiều lần: Sau nhiều lần tháo lắp, độ đàn hồi của phe gài có thể giảm, không đảm bảo khả năng giữ chặt.
Kinh nghiệm từ các kỹ sư Mecsu: Việc kiểm tra định kỳ bằng mắt thường có thể giúp phát hiện sớm các dấu hiệu cần thay thế, tránh gây hư hại nghiêm trọng hơn cho toàn bộ hệ thống máy móc. Đừng ngần ngại liên hệ chúng tôi để được hỗ trợ kỹ thuật về lựa chọn phe gài hoặc thay thế linh kiện kịp thời.
f. Mua phe gài trục MS-PRO chính hãng, uy tín ở đâu tại TP.HCM?
Mua phe gài trục MS-PRO chính hãng và đảm bảo chất lượng tại TP.HCM, bạn hãy liên hệ ngay với Mecsu. Chúng tôi tự hào là nhà cung cấp uy tín, chuyên phân phối các sản phẩm linh kiện cơ khí chính hãng tại Việt Nam.
- Cam kết chất lượng: 100% sản phẩm có nguồn gốc rõ ràng, đầy đủ chứng từ CQ. Chúng tôi cam kết hoàn tiền 100% hoặc đổi trả nếu sản phẩm không phải chính hãng.
- Giá cả cạnh tranh: Đảm bảo mức giá tốt nhất đi kèm chất lượng, với chính sách chiết khấu hấp dẫn cho đơn hàng số lượng lớn.
- Tư vấn chuyên sâu: Đội ngũ kỹ sư giàu kinh nghiệm sẵn sàng hỗ trợ bạn về kỹ thuật và lựa chọn sản phẩm phù hợp nhất.
- Chính sách hậu mãi: Đảm bảo quyền lợi tối đa cho khách hàng với dịch vụ hỗ trợ nhanh chóng, tận tâm.
12. Liên Hệ và Hỗ Trợ Tư Vấn Mua Phe Gài
Nếu bạn có bất kỳ thắc mắc nào về Phe Gài Trục Thép 65Mn DIN471 D180x4.0 hoặc cần tư vấn về giải pháp phe gài cho ứng dụng cụ thể của mình, đừng ngần ngại liên hệ với đội ngũ chuyên gia của Mecsu. Chúng tôi luôn sẵn lòng hỗ trợ bạn tìm ra sản phẩm phù hợp và tối ưu nhất, đồng thời cung cấp những kiến thức độc quyền về kỹ thuật lắp đặt phe gài mà bạn khó tìm thấy ở nơi khác.
Địa chỉ: B28/I – B29/I Đường số 2B, KCN Vĩnh Lộc, P. Bình Hưng Hòa B, Q. Bình Tân, TP.HCM
Hotline: 1800 8137
Email: [email protected]
Website: mecsu.vn
13. Thông Tin Bổ Sung & Kinh Nghiệm Thực Tế Từ Mecsu
a. Kinh Nghiệm Thực Tế & Câu Chuyện Thành Công
Tại Mecsu, chúng tôi tự hào là đối tác tin cậy của nhiều doanh nghiệp trong việc cung cấp các giải pháp linh kiện cơ khí chất lượng cao. “Phe Gài Trục Thép 65Mn DIN471 D180x4.0”, với đặc tính chịu lực và độ đàn hồi cao, đã được ứng dụng trong nhiều dự án quan trọng của khách hàng chúng tôi tại “TP. Hồ Chí Minh” và các tỉnh lân cận, mang lại hiệu quả vượt trội và là minh chứng cho chất lượng sản phẩm cùng kinh nghiệm thực tế của đội ngũ Mecsu:
- Ngành sản xuất máy công nghiệp nặng: Chúng tôi đã cung cấp “Phe Gài Trục MS-PRO D180x4.0” cho một nhà sản xuất thiết bị công nghiệp lớn. Nhờ khả năng định vị chính xác và độ bền cao trong môi trường tải trọng lớn, sản phẩm này đã góp phần đáng kể vào việc đảm bảo sự ổn định của các chi tiết quay trên trục, đồng thời giảm thiểu chi phí bảo trì cho khách hàng.
- Lĩnh vực thiết bị khai thác: Phe gài trục Thép 65Mn được lựa chọn cho các ứng dụng trong máy móc khai thác, nơi cần chịu lực va đập và tải trọng động đáng kể. Độ tin cậy vượt trội của “phe gài chính hãng” đã giúp máy móc hoạt động ổn định trong thời gian dài.
- Thiết bị chế tạo máy công cụ: Một khách hàng chuyên sản xuất máy công cụ đã ứng dụng “phe gài D180” vào các bộ phận trục chính. Khả năng chịu lực và độ chính xác của phe gài đã giúp máy móc hoạt động ổn định và kéo dài tuổi thọ.
b. Trích Dẫn Chuyên Gia
“”Phe Gài Trục Thép 65Mn DIN471 D180x4.0″ là một lựa chọn tuyệt vời cho các ứng dụng công nghiệp cần sự cân bằng hoàn hảo giữa khả năng chịu lực, độ đàn hồi và độ bền. Tiêu chuẩn DIN471 đảm bảo kích thước chính xác, giúp quá trình lắp ráp trở nên dễ dàng và hiệu quả. Đây là giải pháp đáng tin cậy và hiệu quả cho nhiều loại máy móc trong môi trường công nghiệp nặng.”
— “Kỹ sư cơ khí Chuyên gia kỹ thuật Mecsu” (TP. Hồ Chí Minh) – Với hơn 10 năm kinh nghiệm trong lĩnh vực “linh kiện cơ khí”.
c. Tài Liệu Tham Khảo và Nghiên Cứu
Nội dung bài viết này được biên soạn dựa trên các tài liệu kỹ thuật chính thức và đáng tin cậy từ các tiêu chuẩn công nghiệp, cùng với kinh nghiệm thực tế chuyên sâu của đội ngũ kỹ sư Mecsu, đảm bảo tính chính xác, cập nhật và chuyên môn cao:
- MS-PRO Product Catalog (Danh mục sản phẩm MS-PRO chính thức) – Nguồn dữ liệu kỹ thuật chi tiết nhất về “phe gài”.
- Tài liệu kỹ thuật tiêu chuẩn DIN 471 – Cung cấp cái nhìn toàn diện về các yêu cầu của loại phe gài này.
- Bảng dữ liệu kỹ thuật (Datasheet) chi tiết của Phe Gài Trục Thép 65Mn DIN471 D180x4.0 – Nguồn thông số kỹ thuật chính xác.
- Trải nghiệm thực tế và phản hồi từ các dự án khách hàng của Mecsu – “Dữ liệu độc nhất” được thu thập từ hơn 10 năm cung cấp “linh kiện cơ khí” và “giải pháp phe gài” cho các doanh nghiệp tại Việt Nam.
Biên soạn bởi: Đội ngũ Kỹ sư Mecsu
Với hơn 10 năm kinh nghiệm chuyên sâu trong lĩnh vực phân phối và tư vấn giải pháp linh kiện cơ khí, đội ngũ kỹ sư của Mecsu cam kết mang đến những thông tin chính xác, cập nhật và hữu ích nhất, giúp quý khách hàng đưa ra lựa chọn sản phẩm tối ưu cho mọi ứng dụng.
(Xem thêm thông tin về chúng tôi tại Website Mecsu)
Lưu ý: Hình ảnh sản phẩm có thể khác biệt so với thực tế tùy theo lô sản xuất. Vui lòng tham khảo thông số kỹ thuật chi tiết hoặc liên hệ Mecsu để có thông tin chính xác nhất về sản phẩm.


















Đánh giá
Chưa có đánh giá nào.