Mô tả sản phẩm
Thông tin CHUYÊN SÂU về Phe Gài Trục Thép 65Mn D18
Mục Lục
- 1. Phe Gài Trục Thép 65Mn D18 Là Gì? – Giải Thích Chuyên Sâu
- 2. Thông Số Kỹ Thuật Chi Tiết của Phe Gài Trục Thép 65Mn D18x1.2
- 3. Cấu Tạo Chi Tiết Phe Gài Trục Thép 65Mn D18
- 4. Phân Tích Chuyên Sâu: Vật Liệu Thép 65Mn và Tiêu Chuẩn DIN 471
- 5. Ưu và Nhược Điểm của Phe Gài Trục Thép 65Mn D18
- 6. Ứng Dụng Thực Tế của Phe Gài Trục Thép 65Mn D18
- 7. Hướng Dẫn Lắp Đặt và Tháo Gỡ Phe Gài Trục D18
- 8. So Sánh Phe Gài Trục DIN471 D18 với Phe Gài Lỗ DIN472
- 9. Cách Phân Biệt Phe Gài Thật – Giả – Lời Khuyên Từ Chuyên Gia Mecsu
- 10. Giá Bán & Gợi Ý Mua Phe Gài Trục Thép 65Mn Chính Hãng Tại TP.HCM
- 11. FAQ về Phe Gài Trục Thép 65Mn D18
- 12. Liên Hệ và Hỗ Trợ Tư Vấn Mua Phe Gài MS-PRO
- 13. Thông Tin Bổ Sung & Kinh Nghiệm Thực Tế Từ Mecsu
1. Phe Gài Trục Thép 65Mn D18 Là Gì? – Giải Thích Chuyên Sâu
Phe gài trục hay còn gọi là vòng chặn, vòng kẹp, là một chi tiết cơ khí quan trọng có chức năng định vị và ngăn chặn các chi tiết máy khác (như bánh răng, vòng bi) dịch chuyển dọc theo trục. Phe gài trục Thép 65Mn D18x1.2 là một loại phe gài chuyên dụng, được thiết kế để sử dụng cho trục có đường kính 18 mm. Nó được sản xuất từ vật liệu thép lò xo 65Mn, có độ đàn hồi và độ cứng cao. Tiêu chuẩn DIN 471 đảm bảo rằng sản phẩm này tuân thủ các quy định về kích thước và chất lượng quốc tế, phù hợp cho nhiều ứng dụng công nghiệp.
Ký hiệu “D18” chỉ ra rằng phe gài này được thiết kế để lắp đặt trên trục có đường kính danh nghĩa là 18 mm. Phe gài trục thường có dạng hình tròn hở, được lắp vào một rãnh trên trục. Độ đàn hồi của vật liệu thép 65Mn giúp phe gài bám chặt vào rãnh, tạo ra một rào cản vững chắc, ngăn không cho các chi tiết khác bị trượt ra ngoài.
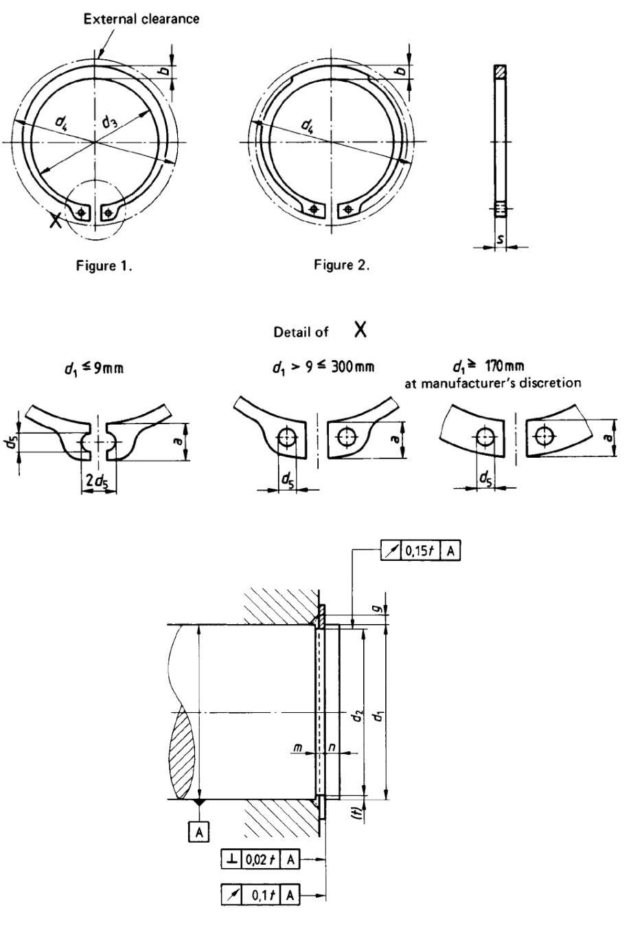
2. Thông Số Kỹ Thuật Chi Tiết của Phe Gài Trục Thép 65Mn D18x1.2
d1: Đường kính trục
d2: Đường kính rãnh sử dụng
a: Bề rộng rãnh sử dụng
s: Độ dày
d3: Đường kính ngoài
| Thông số | Giá trị |
|---|---|
| Mã sản phẩm | Phe Gài Trục D18 |
| Loại | Phe Gài Trục (Circlip for shafts) |
| Dùng cho trục (d1) | 18 mm |
| Vật Liệu | Thép 65Mn (Steel 65Mn) |
| Bề Rộng Rãnh Sử Dụng (a) | 1.3 mm |
| Đường Kính Rãnh Sử Dụng (d2) | 17 mm |
| Đường Kính Trong (d3) | 16.5 mm |
| Độ Dày (s) | 1.2 mm |
| Tiêu Chuẩn | DIN 471 |
| Thương Hiệu | MS-PRO |
| Trọng lượng | 0.0006 kg |
| Đóng gói | 25 cái / bịch |
3. Cấu Tạo Chi Tiết Phe Gài Trục Thép 65Mn D18
Phe gài trục Thép 65Mn D18 có cấu tạo đơn giản nhưng hiệu quả, được thiết kế để tối ưu hóa chức năng định vị và chịu tải dọc trục:
Sơ đồ cấu tạo Phe Gài Trục DIN 471:
- Thân phe gài: Dạng hình tròn hở, được cắt từ thép tấm lò xo 65Mn, có độ đàn hồi cao, giúp nó bám chặt vào rãnh trên trục khi lắp đặt.
- Tai phe gài: Hai đầu của phe gài được uốn cong hoặc khoét lỗ, là nơi để sử dụng kìm phe gài chuyên dụng để mở rộng phe khi lắp đặt hoặc tháo gỡ.
4. Phân Tích Chuyên Sâu: Vật Liệu Thép 65Mn và Tiêu Chuẩn DIN 471
Để thực sự hiểu giá trị của Phe Gài Trục Thép 65Mn D18, việc phân tích sâu hơn về hai yếu tố then chốt: “vật liệu Thép 65Mn” và “tiêu chuẩn DIN 471” là rất quan trọng.
Vật liệu “Thép 65Mn” – Thép lò xo:
- Đặc tính chính: Thép 65Mn là một loại thép carbon-mangan, nổi tiếng với độ cứng và độ đàn hồi cao sau khi được xử lý nhiệt. Đây là vật liệu lý tưởng cho các chi tiết cần tính đàn hồi, chịu va đập và mài mòn, như lò xo và phe gài.
- Đặc điểm nổi bật: Khả năng chống mỏi tốt, giúp phe gài chịu được tải trọng lặp đi lặp lại mà không bị biến dạng vĩnh viễn hoặc gãy.
- Ưu điểm vượt trội: Nhờ vật liệu này, phe gài D18 có thể duy trì lực kẹp mạnh mẽ và ổn định trong suốt quá trình hoạt động, đảm bảo các chi tiết máy được giữ chặt trên trục.
- Hạn chế: Mặc dù bền, nhưng khả năng chống ăn mòn của thép 65Mn không cao bằng thép không gỉ, vì vậy cần được bảo quản trong môi trường khô ráo hoặc có lớp phủ chống rỉ.
Tiêu chuẩn “DIN 471” (Circlips for shafts):
- Ý nghĩa: “DIN 471” là tiêu chuẩn của Đức quy định về kích thước, dung sai và yêu cầu kỹ thuật của phe gài trục.
- Tầm quan trọng: Việc sản xuất theo tiêu chuẩn này đảm bảo phe gài D18 có kích thước chính xác, phù hợp hoàn hảo với các rãnh trên trục tiêu chuẩn 18mm, đảm bảo khả năng lắp lẫn và hiệu suất tối ưu.
- Lựa chọn phù hợp: Tiêu chuẩn DIN 471 là một trong những tiêu chuẩn được công nhận rộng rãi nhất trên thế giới, giúp người dùng yên tâm về chất lượng và độ tin cậy của sản phẩm.
Sự kết hợp giữa vật liệu thép 65Mn và tiêu chuẩn DIN 471 giúp Phe Gài Trục D18x1.2 trở thành một giải pháp định vị chắc chắn, đáng tin cậy cho các máy móc và thiết bị công nghiệp.
5. Ưu và Nhược Điểm của Phe Gài Trục Thép 65Mn D18
Phe gài trục Thép 65Mn D18 được tin dùng rộng rãi nhờ hiệu suất và độ bền vượt trội. Tuy nhiên, việc lựa chọn tối ưu đòi hỏi phải hiểu rõ cả ưu điểm lẫn nhược điểm của nó.
Ưu điểm nổi bật:
- Độ bền và độ đàn hồi cao: Vật liệu thép 65Mn giúp phe gài có độ cứng và độ đàn hồi tuyệt vời, đảm bảo khả năng kẹp chặt và chống lại tải trọng dọc trục hiệu quả.
- Định vị chính xác: Tuân thủ tiêu chuẩn DIN 471, đảm bảo phe gài có kích thước chính xác, phù hợp hoàn hảo với rãnh trục 18 mm.
- Dễ dàng lắp đặt và tháo gỡ: Thiết kế có tai gài giúp việc sử dụng kìm phe gài chuyên dụng trở nên dễ dàng, nhanh chóng, tiết kiệm thời gian và công sức.
- Chi phí hiệu quả: So với các phương pháp định vị khác như chốt hoặc bu lông, phe gài là giải pháp kinh tế và hiệu quả cho nhiều ứng dụng.
- Độ tin cậy cao: Sản phẩm của thương hiệu MS-PRO, một thương hiệu uy tín trong lĩnh vực linh kiện cơ khí, đảm bảo chất lượng và độ tin cậy vượt trội.
Nhược điểm cần lưu ý:
- Khả năng chống ăn mòn: Thép 65Mn không có khả năng chống gỉ sét tốt như thép không gỉ. Sản phẩm cần được bảo quản trong môi trường khô ráo hoặc sử dụng thêm lớp phủ bảo vệ trong môi trường ẩm ướt, hóa chất.
- Yêu cầu dụng cụ chuyên dụng: Cần sử dụng kìm phe gài chuyên dụng để lắp đặt và tháo gỡ, không thể dùng các dụng cụ thông thường.
- Nguy cơ biến dạng: Nếu không sử dụng đúng dụng cụ hoặc tác dụng lực quá mạnh, phe gài có thể bị biến dạng và không còn khả năng giữ chặt.
6. Ứng Dụng Thực Tế của Phe Gài Trục Thép 65Mn D18
Với kích thước tiêu chuẩn và độ bền cao, Phe Gài Trục Thép 65Mn D18 được ứng dụng rộng rãi trong nhiều lĩnh vực công nghiệp và dân dụng tại TP. Hồ Chí Minh và các khu công nghiệp lân cận, đặc biệt là những nơi cần định vị các chi tiết trên trục một cách chắc chắn:
- Ngành ô tô, xe máy: Sử dụng trong các hộp số, bộ phận truyền động, hệ thống phanh để giữ các chi tiết như bánh răng, vòng bi.
- Máy công cụ, máy móc sản xuất: Định vị các chi tiết trên trục chính, trục phụ của máy phay, máy tiện, máy khoan.
- Thiết bị truyền động, hộp giảm tốc: Ngăn chặn sự dịch chuyển của các bánh răng và vòng bi trong hộp số, đảm bảo hoạt động ổn định.
- Máy bơm, động cơ điện: Giữ cánh quạt, vòng bi trên trục động cơ.
- Máy móc nông nghiệp, dân dụng: Phù hợp cho các thiết bị cần độ bền và khả năng định vị cơ bản.
- Thiết bị công nghiệp khác: Sử dụng trong các hệ thống băng tải, robot công nghiệp, và nhiều loại máy móc khác cần định vị các chi tiết trên trục.
7. Hướng Dẫn Lắp Đặt và Tháo Gỡ Phe Gài Trục D18
Để đảm bảo tuổi thọ và hiệu suất tối ưu cho Phe Gài Trục Thép 65Mn D18, việc lắp đặt và tháo gỡ đúng cách là vô cùng quan trọng. Luôn tuân thủ các nguyên tắc an toàn và kỹ thuật của nhà sản xuất. Mecsu cung cấp hướng dẫn chi tiết dựa trên kinh nghiệm thực tế:
- Chuẩn bị: Đảm bảo môi trường làm việc sạch sẽ, khô ráo. Chuẩn bị đầy đủ dụng cụ chuyên dụng như kìm phe gài trục (kìm mũi thẳng, kìm mũi cong), dụng cụ bảo hộ cá nhân (găng tay, kính bảo hộ). Kiểm tra rãnh trên trục phải sạch sẽ, không có ba via, rỉ sét và đảm bảo đúng kích thước.
- Lắp đặt:
- Sử dụng kìm phe gài chuyên dụng, bóp hai tai của phe gài lại để thu hẹp đường kính của phe.
- Đặt phe gài vào đầu trục và từ từ đẩy nó trượt vào rãnh đã được gia công sẵn.
- Khi phe gài đã vào đúng vị trí rãnh, thả lỏng kìm để phe gài bung ra và bám chặt vào rãnh. Đảm bảo phe gài đã nằm gọn và phẳng trong rãnh.
- Tháo gỡ:
- Sử dụng kìm phe gài chuyên dụng, bóp hai tai của phe gài để thu hẹp đường kính.
- Nhẹ nhàng đẩy phe gài ra khỏi rãnh. Tuyệt đối tránh dùng tua vít hoặc các dụng cụ không chuyên dụng để cạy phe gài, vì điều này có thể làm hỏng phe gài và gây nguy hiểm.
- Bảo quản: Nếu không sử dụng ngay, hãy giữ phe gài trong bao bì gốc của nhà sản xuất, ở nơi khô ráo, thoáng mát, tránh ánh nắng trực tiếp và các hóa chất ăn mòn để ngăn ngừa rỉ sét.
8. So Sánh Phe Gài Trục DIN471 D18 với Phe Gài Lỗ DIN472
Việc hiểu rõ sự khác biệt giữa các loại phe gài sẽ giúp bạn lựa chọn sản phẩm phù hợp nhất cho ứng dụng của mình, tối ưu hóa hiệu suất và chi phí đầu tư:
| Tiêu chí | Phe Gài Trục DIN471 D18 | Phe Gài Lỗ DIN472 |
|---|---|---|
| Ứng dụng | Dùng để định vị các chi tiết trên trục. | Dùng để định vị các chi tiết bên trong lỗ (ví dụ: trong gối đỡ, vỏ máy). |
| Hướng lắp đặt | Lắp bên ngoài trục. Khi lắp, phe được bóp lại. | Lắp bên trong lỗ. Khi lắp, phe được mở rộng. |
| Dụng cụ lắp | Kìm phe gài trục (đầu kìm bóp vào). | Kìm phe gài lỗ (đầu kìm mở ra). |
| Đường kính | Đường kính ngoài nhỏ hơn đường kính trong khi lắp. | Đường kính ngoài lớn hơn đường kính trong khi lắp. |
| Tiêu chuẩn | DIN 471 | DIN 472 |
| Ứng dụng điển hình | Giữ vòng bi trên trục, giữ bánh răng, puly. | Giữ vòng bi trong gối đỡ, giữ các chi tiết trong các ống trụ. |
9. Cách Phân Biệt Phe Gài Thật – Giả – Lời Khuyên Từ Chuyên Gia Mecsu
Thị trường hiện nay có rất nhiều hàng giả, hàng nhái kém chất lượng. Để đảm bảo bạn mua được phe gài chính hãng MS-PRO tại TP.HCM, Mecsu khuyến nghị kiểm tra các dấu hiệu sau:
a. Dấu hiệu của phe gài chính hãng MS-PRO:
- Chất liệu và độ hoàn thiện: Phe gài thật được làm từ thép 65Mn chất lượng cao, có độ đàn hồi tốt, bề mặt nhẵn mịn, không có ba via hoặc dấu vết gia công thô.
- Đóng gói: Sản phẩm chính hãng MS-PRO được đóng gói cẩn thận, thường là 25 cái/bịch, có nhãn mác rõ ràng với thông tin về sản phẩm, tiêu chuẩn và thương hiệu.
- Kích thước chính xác: Tuân thủ nghiêm ngặt tiêu chuẩn DIN 471, đảm bảo các thông số kỹ thuật như đường kính trong, độ dày, đường kính rãnh sử dụng đều chính xác.
- Tính đàn hồi tốt: Khi dùng kìm phe gài để mở, phe sẽ có độ đàn hồi cao, không bị biến dạng sau khi trở lại trạng thái ban đầu.
- Nguồn gốc rõ ràng: Nhà cung cấp uy tín sẽ cung cấp đầy đủ thông tin về nguồn gốc sản phẩm, đảm bảo chất lượng.
b. Dấu hiệu của phe gài hàng giả/nhái:
- Chất liệu kém chất lượng, dễ bị gãy, không có độ đàn hồi tốt hoặc dễ bị biến dạng vĩnh viễn sau khi lắp đặt.
- Bề mặt thô, có nhiều ba via, rỉ sét hoặc dấu hiệu gia công cẩu thả.
- Thông số kỹ thuật không chính xác, không phù hợp hoàn hảo với rãnh trục, gây lỏng lẻo hoặc khó lắp.
- Đóng gói sơ sài, không có nhãn mác hoặc thông tin không rõ ràng, sai chính tả.
- Giá bán rẻ bất thường so với mức giá thị trường của sản phẩm chính hãng – đây là dấu hiệu cảnh báo lớn nhất.
10. Giá Bán & Gợi Ý Mua Phe Gài Trục Thép 65Mn Chính Hãng Tại TP.HCM
a. Giá phe gài trục Thép 65Mn D18 (TP.Hồ Chí Minh) tại Mecsu: Giá: 31,139 đ / Bịch (đã có VAT) – Giá hợp lý, phù hợp với chất lượng sản phẩm chính hãng
Liên hệ để nhận báo giá tốt nhất (giá có thể thay đổi tùy thời điểm và số lượng) – mức giá hợp lý, phù hợp với chất lượng sản phẩm chính hãng MS-PRO tại thị trường linh kiện cơ khí TP.HCM.
b. Gợi ý mua phe gài chính hãng MS-PRO uy tín
- Chọn nhà cung cấp uy tín tại TP.HCM: Ưu tiên đối tác có chứng nhận hoặc đơn vị lâu năm, được nhiều khách hàng tin tưởng và có danh tiếng trên thị trường cung cấp linh kiện cơ khí tại TP.HCM.
- Kiểm tra chứng từ đầy đủ: Luôn yêu cầu đầy đủ các chứng từ cần thiết để đảm bảo nguồn gốc và chất lượng sản phẩm. Điều này giúp bạn tránh mua phải hàng giả trên thị trường.
- Mua tại Mecsu – Nhà phân phối chính hãng MS-PRO tại Việt Nam: Mecsu tự hào là nhà phân phối chính hãng MS-PRO tại Việt Nam, cam kết cung cấp “Phe gài trục thép 65Mn D18 chính hãng” và các loại “phe gài khác” với nhiều lợi ích vượt trội:
- 100% sản phẩm chính hãng: Đảm bảo nguồn gốc rõ ràng, đầy đủ chứng từ. Chúng tôi cam kết hoàn tiền 100% hoặc đổi trả nếu sản phẩm không phải chính hãng.
- Chính sách bảo hành minh bạch: Hỗ trợ đổi trả nếu có lỗi từ nhà sản xuất, mang lại sự an tâm tuyệt đối cho khách hàng.
- Hỗ trợ kỹ thuật chuyên sâu: Đội ngũ kỹ sư giàu kinh nghiệm sẵn sàng hỗ trợ bạn về kỹ thuật và lựa chọn sản phẩm phù hợp nhất cho mọi ứng dụng.
- Giá cả cạnh tranh: Đảm bảo mức giá tốt nhất đi kèm chất lượng, với chính sách chiết khấu hấp dẫn cho đơn hàng số lượng lớn, đặc biệt khi “mua phe gài số lượng lớn”.
MUA THÊM NHIỀU LOẠI PHE GÀI CHÍNH HÃNG KHÁC TẠI MECSU
11. FAQ về Phe Gài Trục Thép 65Mn D18
a. Phe gài trục Thép 65Mn D18 có cần bảo dưỡng không?
Phe gài trục Thép 65Mn D18 thường không yêu cầu bảo dưỡng định kỳ. Tuy nhiên, nếu sử dụng trong môi trường ẩm ướt hoặc hóa chất, cần kiểm tra định kỳ để đảm bảo không bị rỉ sét. Nếu có dấu hiệu rỉ sét hoặc biến dạng, nên thay thế ngay để đảm bảo an toàn.
b. Phe gài trục Thép 65Mn có phải là phe gài chịu nhiệt không?
Phe gài trục Thép 65Mn hoạt động hiệu quả trong khoảng nhiệt độ thông thường. Đối với các ứng dụng yêu cầu nhiệt độ cao hơn đáng kể, bạn cần tham khảo các loại phe gài chuyên dụng được làm từ vật liệu chịu nhiệt đặc thù. Hãy liên hệ Mecsu để được tư vấn giải pháp phù hợp.
c. Kích thước phe gài có quan trọng không?
Kích thước là yếu tố cực kỳ quan trọng đối với phe gài. Phe gài phải có kích thước chính xác, phù hợp với đường kính trục và bề rộng rãnh để đảm bảo khả năng giữ chặt và định vị hiệu quả. Sử dụng phe gài không đúng kích thước có thể gây lỏng lẻo, trượt hoặc làm hỏng các chi tiết khác.
d. Mua phe gài trục Thép 65Mn D18 chính hãng, uy tín ở đâu tại TP.HCM?
Mua phe gài trục Thép 65Mn D18 chính hãng và đảm bảo chất lượng tại TP.HCM, bạn hãy liên hệ ngay với Mecsu. Chúng tôi tự hào là nhà cung cấp uy tín, chuyên phân phối các sản phẩm MS-PRO chính hãng tại Việt Nam.
- Cam kết chất lượng: 100% sản phẩm có nguồn gốc rõ ràng, đảm bảo chất lượng. Chúng tôi cam kết hoàn tiền 100% hoặc đổi trả nếu sản phẩm không phải chính hãng.
- Giá cả cạnh tranh: Đảm bảo mức giá tốt nhất đi kèm chất lượng, với chính sách chiết khấu hấp dẫn cho đơn hàng số lượng lớn.
- Tư vấn chuyên sâu: Đội ngũ kỹ sư giàu kinh nghiệm sẵn sàng hỗ trợ bạn về kỹ thuật và lựa chọn sản phẩm phù hợp nhất.
- Chính sách hậu mãi: Đảm bảo quyền lợi tối đa cho khách hàng với dịch vụ hỗ trợ nhanh chóng, tận tâm.
12. Liên Hệ và Hỗ Trợ Tư Vấn Mua Phe Gài MS-PRO
Nếu bạn có bất kỳ thắc mắc nào về Phe Gài Trục Thép 65Mn D18 hoặc cần tư vấn về giải pháp phe gài cho ứng dụng cụ thể của mình, đừng ngần ngại liên hệ với đội ngũ chuyên gia của Mecsu. Chúng tôi luôn sẵn lòng hỗ trợ bạn tìm ra sản phẩm phù hợp và tối ưu nhất, đồng thời cung cấp những kiến thức độc quyền về kỹ thuật lắp đặt và bảo trì mà bạn khó tìm thấy ở nơi khác.
Địa chỉ: B28/I – B29/I Đường số 2B, KCN Vĩnh Lộc, P. Bình Hưng Hòa B, Q. Bình Tân, TP.HCM
Hotline: 1800 8137
Email: [email protected]
Website: mecsu.vn
13. Thông Tin Bổ Sung & Kinh Nghiệm Thực Tế Từ Mecsu
a. Kinh Nghiệm Thực Tế & Câu Chuyện Thành Công
Tại Mecsu, chúng tôi tự hào là đối tác tin cậy của nhiều doanh nghiệp trong việc cung cấp các giải pháp phe gài chất lượng cao. Phe Gài Trục Thép 65Mn D18, với đặc tính chịu tải tốt và độ bền cao, đã được ứng dụng trong nhiều dự án quan trọng của khách hàng chúng tôi tại TP. Hồ Chí Minh và các tỉnh lân cận, mang lại hiệu quả vượt trội và là minh chứng cho chất lượng sản phẩm
a. Kinh Nghiệm Thực Tế & Câu Chuyện Thành Công
Tại Mecsu, chúng tôi tự hào là đối tác tin cậy của nhiều doanh nghiệp trong việc cung cấp các giải pháp phe gài chất lượng cao. “Phe Gài Trục Thép 65Mn D18”, với đặc tính chịu tải tốt và độ bền cao, đã được ứng dụng trong nhiều dự án quan trọng của khách hàng chúng tôi tại “TP. Hồ Chí Minh” và các tỉnh lân cận, mang lại hiệu quả vượt trội và là minh chứng cho chất lượng sản phẩm cùng kinh nghiệm thực tế của đội ngũ Mecsu:
- Ngành sản xuất ô tô, xe máy: Chúng tôi đã cung cấp “Phe Gài Trục D18” cho một nhà máy sản xuất phụ tùng ô tô tại Bình Dương. Nhờ khả năng định vị chính xác và độ bền cao, phe gài này đã góp phần đảm bảo an toàn và hiệu suất của các bộ phận truyền động, đồng thời giảm thiểu chi phí bảo trì.
- Lĩnh vực máy móc công nghiệp: Phe gài trục D18 được lựa chọn cho các ứng dụng máy móc cần định vị các chi tiết trên trục chính. Độ tin cậy vượt trội của “phe gài chính hãng MS-PRO” đã giúp máy móc hoạt động ổn định trong thời gian dài, ngay cả trong điều kiện làm việc liên tục và tải nặng.
- Thiết bị chế biến nông sản: Một khách hàng chuyên sản xuất máy chế biến nông sản đã ứng dụng “phe gài trục D18” vào các bộ phận trục quay chính. Độ bền và khả năng giữ chặt của phe gài đã giúp máy móc hoạt động ổn định và kéo dài tuổi thọ trong môi trường có nhiều tạp chất.
b. Trích Dẫn Chuyên Gia
““Phe Gài Trục Thép 65Mn D18” là một lựa chọn tuyệt vời cho các ứng dụng công nghiệp cần sự chắc chắn và độ tin cậy. Vật liệu thép 65Mn mang lại lợi thế về độ đàn hồi và khả năng chịu tải, rất phù hợp cho những hệ thống mà việc định vị chi tiết trên trục là yếu tố then chốt. Đây là giải pháp hiệu quả và kinh tế cho nhiều loại máy móc trong môi trường công nghiệp.”
— “Kỹ sư cơ khí Chuyên gia kỹ thuật Mecsu” (TP. Hồ Chí Minh) – Với hơn 10 năm kinh nghiệm trong lĩnh vực “linh kiện cơ khí”.
c. Tài Liệu Tham Khảo và Nghiên Cứu
Nội dung bài viết này được biên soạn dựa trên các tài liệu kỹ thuật chính thức và đáng tin cậy từ MS-PRO, cùng với kinh nghiệm thực tế chuyên sâu của đội ngũ kỹ sư Mecsu, đảm bảo tính chính xác, cập nhật và chuyên môn cao:
- MS-PRO Product Catalog (Danh mục sản phẩm MS-PRO chính thức) – Nguồn dữ liệu kỹ thuật chi tiết nhất về “phe gài MS-PRO”.
- Tài liệu kỹ thuật DIN 471 (Thông tin chuyên sâu về “tiêu chuẩn phe gài trục”) – Cung cấp cái nhìn toàn diện về tiêu chuẩn này.
- Bảng dữ liệu kỹ thuật (Datasheet) chi tiết của Phe Gài Trục Thép 65Mn D18 – Nguồn thông số kỹ thuật chính xác.
- Trải nghiệm thực tế và phản hồi từ các dự án khách hàng của Mecsu – “Dữ liệu độc nhất” được thu thập từ hơn 10 năm cung cấp “linh kiện cơ khí” và “giải pháp định vị” cho các doanh nghiệp tại Việt Nam.
Biên soạn bởi: Đội ngũ Kỹ sư Mecsu
Với hơn 10 năm kinh nghiệm chuyên sâu trong lĩnh vực phân phối và tư vấn giải pháp linh kiện cơ khí, đội ngũ kỹ sư của Mecsu cam kết mang đến những thông tin chính xác, cập nhật và hữu ích nhất, giúp quý khách hàng đưa ra lựa chọn sản phẩm tối ưu cho mọi ứng dụng.
(Xem thêm thông tin về chúng tôi tại Website Mecsu)
Lưu ý: Hình ảnh sản phẩm có thể khác biệt so với thực tế tùy theo lô sản xuất của MS-PRO. Vui lòng tham khảo thông số kỹ thuật chi tiết hoặc liên hệ Mecsu để có thông tin chính xác nhất về sản phẩm.



















Đánh giá
Chưa có đánh giá nào.