Mô tả sản phẩm
Thông tin CHUYÊN SÂU về Phe Gài Trục Thép 65Mn DIN471 D200x4.0
Mục Lục
- 1. Phe Gài Trục 65Mn D200x4.0 Là Gì? – Giải Thích Chuyên Sâu
- 2. Thông Số Kỹ Thuật Chi Tiết của Phe Gài Trục DIN471 D200x4.0
- 3. Cấu Tạo Chi Tiết Phe Gài Trục D200x4.0
- 4. Phân Tích Chuyên Sâu: Tiêu Chuẩn DIN471 và Vật Liệu Thép 65Mn
- 5. Ưu và Nhược Điểm của Phe Gài Trục Thép 65Mn D200x4.0
- 6. Ứng Dụng Thực Tế của Phe Gài Trục D200x4.0
- 7. Hướng Dẫn Lắp Đặt và Tháo Gỡ Phe Gài Trục D200x4.0
- 8. So Sánh Phe Gài Trục với Phe Gài Lỗ
- 9. Cách Phân Biệt Phe Gài MS-PRO Thật – Giả – Lời Khuyên Từ Chuyên Gia Mecsu
- 10. Giá Bán & Gợi Ý Mua Phe Gài Trục Thép 65Mn Chính Hãng Tại TP.HCM
- 11. FAQ về Phe Gài Trục Thép 65Mn DIN471
- 12. Liên Hệ và Hỗ Trợ Tư Vấn Mua Phe Gài
- 13. Thông Tin Bổ Sung & Kinh Nghiệm Thực Tế Từ Mecsu
1. Phe Gài Trục 65Mn D200x4.0 Là Gì? – Giải Thích Chuyên Sâu
Phe gài trục Thép 65Mn D200x4.0 là một loại vòng gài được thiết kế chuyên biệt để lắp đặt trên các rãnh của trục (lỗ). Mã “D200” là ký hiệu kích thước, dùng cho trục có đường kính 200 mm. “4.0” là độ dày của phe gài. Phe gài trục này có chức năng chính là định vị và cố định các chi tiết máy (như vòng bi, bánh răng, puli) dọc theo trục, ngăn không cho chúng dịch chuyển khỏi vị trí mong muốn.
Phe gài trục Thép 65Mn được sản xuất theo tiêu chuẩn DIN 471, đảm bảo độ chính xác cao về kích thước và khả năng chịu lực. Vật liệu Thép 65Mn là loại thép đàn hồi, có độ cứng và độ bền cao, giúp phe gài bám chắc vào rãnh, chịu được tải trọng và rung động lớn trong quá trình hoạt động.
2. Thông Số Kỹ Thuật Chi Tiết của Phe Gài Trục DIN471 D200x4.0
Dùng cho trục: Đường kính trục sử dụng
Bề rộng rãnh sử dụng: Chiều rộng rãnh trên trục
Đường kính rãnh sử dụng: Đường kính rãnh trên trục
Đường kính trong: Đường kính của phe gài khi chưa lắp
Độ dày: Chiều dày của phe gài
| Thông số | Giá trị |
|---|---|
| Mã sản phẩm | Phe Gài Trục D200x4.0 |
| Loại | Phe Gài Trục (External Circlip) |
| Dùng cho trục | 200 mm |
| Vật liệu | Thép 65Mn |
| Bề rộng rãnh sử dụng | 4.15 mm |
| Đường kính rãnh sử dụng | 195 mm |
| Đường kính trong | 190.5 mm |
| Độ dày | 4 mm |
| Tiêu chuẩn | DIN 471 |
| Thương hiệu | MS-PRO |
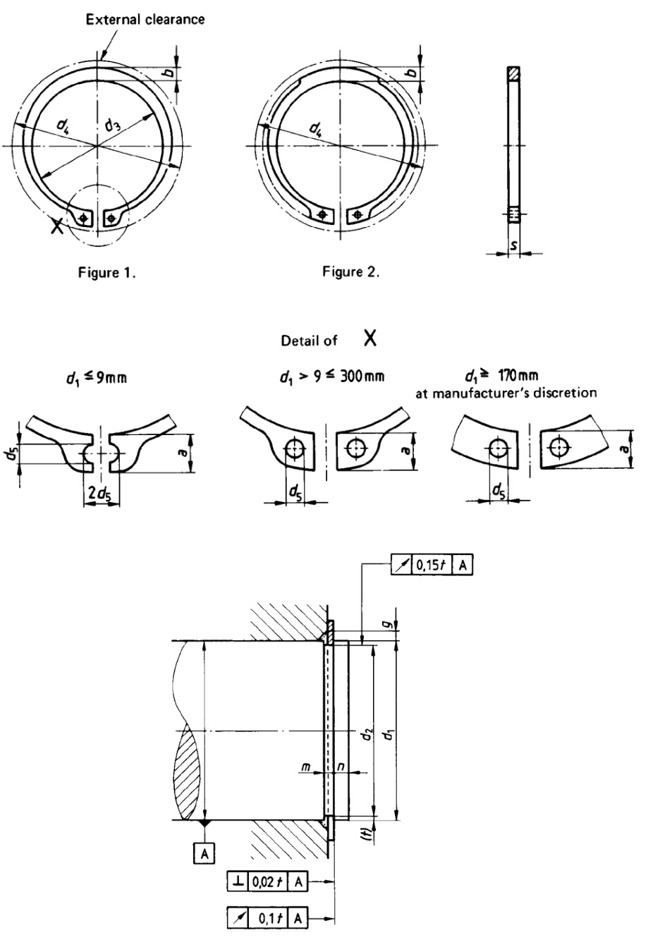
3. Cấu Tạo Chi Tiết Phe Gài Trục D200x4.0
Phe gài trục Thép 65Mn D200x4.0 có cấu tạo đơn giản nhưng hiệu quả cao. Các bộ phận chính bao gồm:
Sơ đồ cấu tạo Phe Gài Trục:
- Vòng tròn hở: Đây là phần chính của phe gài, được chế tạo với một khoảng hở nhỏ để có thể mở rộng khi lắp đặt.
- Hai lỗ: Nằm ở hai đầu của phe gài, dùng để kẹp vào bằng kìm phe gài chuyên dụng. Khi bóp kìm, phe sẽ mở rộng ra để trượt vào trục.
- Vật liệu Thép 65Mn: Là vật liệu chính tạo nên phe gài, mang lại độ đàn hồi, độ cứng và độ bền cao, đảm bảo phe gài bám chặt vào rãnh.
4. Phân Tích Chuyên Sâu: Tiêu Chuẩn DIN471 và Vật Liệu Thép 65Mn
Để thực sự hiểu giá trị của phe gài trục Thép 65Mn D200x4.0, việc phân tích sâu hơn về hai yếu tố then chốt: “Tiêu chuẩn DIN471” và “vật liệu Thép 65Mn” là rất quan trọng.
Tiêu chuẩn DIN 471 – Tiêu chuẩn quốc tế cho phe gài trục:
- Chức năng chính: Tiêu chuẩn DIN 471 quy định các thông số kỹ thuật chi tiết cho phe gài trục (circlip) như kích thước, dung sai, vật liệu và độ cứng. Việc tuân thủ tiêu chuẩn này đảm bảo tính tương thích và hiệu suất ổn định.
- Đặc điểm nổi bật: Các sản phẩm sản xuất theo tiêu chuẩn DIN 471 có độ chính xác cao, đảm bảo phe gài vừa khít với rãnh trên trục, tạo ra lực gài đủ mạnh để cố định chi tiết máy.
- Ưu điểm vượt trội: Đảm bảo khả năng chịu tải hướng trục (axial loads) hiệu quả, chống lại lực đẩy từ các chi tiết máy, giúp toàn bộ hệ thống hoạt động an toàn và ổn định.
Vật liệu Thép 65Mn:
- Ý nghĩa: Thép 65Mn là loại thép đàn hồi, được biết đến với hàm lượng mangan (Mn) cao, mang lại độ cứng và độ đàn hồi vượt trội sau khi nhiệt luyện.
- Tầm quan trọng: Độ đàn hồi cao cho phép phe gài có thể được uốn cong khi lắp đặt và sau đó phục hồi về hình dạng ban đầu để bám chặt vào rãnh. Độ cứng giúp phe gài chịu được mài mòn và tải trọng cao.
- Lựa chọn phù hợp: Nhờ đặc tính cơ học ưu việt, phe gài làm từ Thép 65Mn lý tưởng cho các ứng dụng yêu cầu độ bền và độ tin cậy cao, vượt trội hơn so với các loại phe gài làm từ vật liệu thông thường.
Sự kết hợp giữa tiêu chuẩn DIN 471 và vật liệu Thép 65Mn giúp phe gài trục D200x4.0 của MS-PRO trở thành một giải pháp định vị đáng tin cậy, an toàn và có tuổi thọ cao cho các hệ thống cơ khí.
5. Ưu và Nhược Điểm của Phe Gài Trục Thép 65Mn D200x4.0
Phe gài trục Thép 65Mn D200x4.0 được tin dùng nhờ hiệu suất và độ bền vượt trội. Tuy nhiên, việc lựa chọn tối ưu đòi hỏi phải hiểu rõ cả ưu điểm lẫn nhược điểm của nó.
Ưu điểm nổi bật:
- Tuổi thọ cao và độ bền vượt trội: Vật liệu Thép 65Mn và tiêu chuẩn DIN 471 giúp sản phẩm có khả năng chịu lực, chống biến dạng và mài mòn, mang lại tuổi thọ lâu dài.
- Lắp đặt và tháo gỡ dễ dàng: Sử dụng kìm phe gài chuyên dụng giúp quá trình lắp đặt và tháo gỡ nhanh chóng, đơn giản, tiết kiệm thời gian và công sức.
- Khả năng chịu tải hướng trục tốt: Thiết kế đặc biệt của phe gài trục cho phép nó chịu được lực đẩy lớn theo phương dọc trục, giữ chặt các chi tiết máy.
- Độ tin cậy cao từ thương hiệu MS-PRO: MS-PRO là thương hiệu uy tín, đảm bảo chất lượng và độ tin cậy của sản phẩm.
- Giá thành hợp lý: So với các phương pháp cố định khác, sử dụng phe gài trục mang lại hiệu quả kinh tế cao.
Nhược điểm cần lưu ý:
- Yêu cầu dụng cụ chuyên dụng: Việc lắp đặt và tháo gỡ đòi hỏi phải có kìm phe gài chuyên dụng, không thể dùng các dụng cụ thông thường.
- Độ chính xác của rãnh: Hiệu suất của phe gài phụ thuộc vào độ chính xác của rãnh trên trục. Nếu rãnh không đúng kích thước hoặc bị hỏng, phe gài có thể không hoạt động hiệu quả.
6. Ứng Dụng Thực Tế của Phe Gài Trục D200x4.0
Với kích thước D200x4.0 và đặc tính cơ học ưu việt, phe gài trục Thép 65Mn được ứng dụng rộng rãi trong nhiều lĩnh vực công nghiệp và dân dụng tại TP. Hồ Chí Minh và các khu công nghiệp lân cận:
- Máy móc công nghiệp nặng: Dùng để cố định vòng bi, bánh răng, puli trên các trục lớn của máy móc như máy nén khí, máy bơm công suất lớn.
- Thiết bị truyền động: Đảm bảo các bộ phận truyền động không bị dịch chuyển, duy trì sự ổn định của hệ thống.
- Động cơ, hộp số: Cố định các chi tiết bên trong hộp số và động cơ, chịu tải và rung động lớn.
- Lĩnh vực ô tô, xe cơ giới: Sử dụng trong các hệ thống trục quay, hộp số, và các bộ phận khác.
- Các ứng dụng trong ngành nông nghiệp và xây dựng: Phù hợp cho các thiết bị cần độ bền và khả năng chịu lực cơ bản.
7. Hướng Dẫn Lắp Đặt và Tháo Gỡ Phe Gài Trục D200x4.0
Để đảm bảo tuổi thọ và hiệu suất tối ưu cho phe gài trục D200x4.0, việc lắp đặt và tháo gỡ đúng cách là vô cùng quan trọng. Luôn tuân thủ các nguyên tắc an toàn và kỹ thuật của nhà sản xuất. Mecsu cung cấp hướng dẫn chi tiết dựa trên kinh nghiệm thực tế:
- Chuẩn bị: Đảm bảo môi trường làm việc sạch sẽ. Chuẩn bị đầy đủ dụng cụ chuyên dụng là kìm phe gài trục (kìm mở phe). Kiểm tra trục phải sạch sẽ, không có ba via, rỉ sét và rãnh phải đúng kích thước.
- Lắp đặt:
- Sử dụng kìm phe gài trục, đặt hai đầu kìm vào hai lỗ trên phe gài.
- Bóp kìm để phe gài mở rộng ra, đủ để trượt qua đường kính của trục.
- Cẩn thận trượt phe gài vào rãnh đã chuẩn bị trên trục.
- Nhả kìm, phe gài sẽ co lại và bám chặt vào rãnh. Đảm bảo phe gài đã nằm gọn và chắc chắn trong rãnh.
- Tháo gỡ:
- Sử dụng kìm phe gài trục, đặt hai đầu kìm vào hai lỗ trên phe gài.
- Bóp kìm để phe gài mở rộng ra.
- Nhẹ nhàng trượt phe gài ra khỏi rãnh và lấy ra khỏi trục.
- Tránh dùng tua vít hoặc các vật sắc nhọn để nạy phe gài vì có thể làm hỏng phe gài và rãnh.
- Bảo quản: Nếu không sử dụng ngay, hãy giữ phe gài ở nơi khô ráo, thoáng mát, tránh ẩm ướt để ngăn ngừa rỉ sét.
8. So Sánh Phe Gài Trục với Phe Gài Lỗ
Việc hiểu rõ sự khác biệt giữa các loại phe gài sẽ giúp bạn lựa chọn sản phẩm phù hợp nhất cho ứng dụng của mình, tối ưu hóa hiệu suất và chi phí đầu tư:
| Tiêu chí | Phe Gài Trục (External Circlip) | Phe Gài Lỗ (Internal Circlip) |
|---|---|---|
| Vị trí lắp đặt | Lắp vào rãnh trên trục (Shaft) | Lắp vào rãnh trong lỗ (Bore/Housing) |
| Nguyên lý hoạt động | Mở rộng khi lắp và co lại để bám vào rãnh trục | Co lại khi lắp và nở ra để bám vào rãnh trong lỗ |
| Dụng cụ lắp đặt | Kìm phe gài trục (kìm mở) | Kìm phe gài lỗ (kìm bóp) |
| Đặc điểm | Hai lỗ hướng ra ngoài, phe có xu hướng co lại khi chưa lắp | Hai lỗ hướng vào trong, phe có xu hướng nở ra khi chưa lắp |
| Ứng dụng điển hình | Cố định vòng bi trên trục, giữ bánh răng, puli | Cố định vòng bi, bạc đạn trong vỏ máy, hộp số, xi lanh |
9. Cách Phân Biệt Phe Gài MS-PRO Thật – Giả – Lời Khuyên Từ Chuyên Gia Mecsu
Thị trường hiện nay có rất nhiều hàng giả, hàng nhái kém chất lượng, đặc biệt là với các sản phẩm phe gài được ưa chuộng. Để đảm bảo bạn mua được phe gài MS-PRO chính hãng tại TP.HCM, Mecsu khuyến nghị kiểm tra các dấu hiệu sau:
a. Dấu hiệu của phe gài MS-PRO chính hãng:
- Bao bì chất lượng cao: Bao bì rõ ràng, sắc nét, có logo và thông tin sản phẩm đầy đủ.
- Hoàn thiện sản phẩm: Phe gài được xử lý nhiệt đúng cách, có độ cứng và độ đàn hồi tốt. Bề mặt sản phẩm nhẵn, không có ba via hay vết nứt.
- Kích thước chính xác: Sản phẩm chính hãng tuân thủ nghiêm ngặt tiêu chuẩn DIN 471, đảm bảo các thông số về đường kính, độ dày, bề rộng rãnh chính xác.
- Cảm giác khi lắp: Khi lắp bằng kìm chuyên dụng, phe gài mở rộng đều, không bị kẹt hay biến dạng bất thường.
- Chứng từ đầy đủ: Nhà cung cấp uy tín sẽ cung cấp đầy đủ CO (chứng nhận xuất xứ) và CQ (chứng nhận chất lượng), đảm bảo nguồn gốc và chất lượng sản phẩm.
b. Dấu hiệu của phe gài MS-PRO hàng giả/nhái:
- Hoàn thiện kém: Bề mặt thô, có thể có ba via, vết nứt nhỏ, hoặc bị rỉ sét.
- Độ đàn hồi kém: Khi dùng kìm lắp, phe gài có thể bị biến dạng vĩnh viễn, không phục hồi được hình dạng ban đầu.
- Kích thước không chuẩn: Sản phẩm không tuân thủ tiêu chuẩn, kích thước không chính xác, gây khó khăn khi lắp đặt và không đảm bảo khả năng cố định.
- Giá bán rẻ bất thường: Đây là dấu hiệu cảnh báo lớn nhất. Sản phẩm giá quá rẻ thường đi kèm với chất lượng kém, không đảm bảo an toàn trong quá trình sử dụng.
10. Giá Bán & Gợi Ý Mua Phe Gài Trục Thép 65Mn Chính Hãng Tại TP.HCM
a. Giá phe gài trục Thép 65Mn D200x4.0 (TP.Hồ Chí Minh) tại Mecsu: Giá: 89,574 đ / Cái (đã có VAT) – Giá hợp lý, phù hợp với chất lượng sản phẩm chính hãng
Liên hệ để nhận báo giá tốt nhất (giá có thể thay đổi tùy thời điểm và số lượng) – mức giá hợp lý, phù hợp với chất lượng sản phẩm chính hãng MS-PRO tại thị trường linh kiện cơ khí TP.HCM.
b. Gợi ý mua phe gài chính hãng MS-PRO uy tín
- Chọn nhà cung cấp uy tín tại TP.HCM: Ưu tiên đối tác có chứng nhận từ MS-PRO hoặc đơn vị lâu năm, được nhiều khách hàng tin tưởng và có danh tiếng trên thị trường cung cấp linh kiện cơ khí tại TP.HCM.
- Kiểm tra chứng từ đầy đủ: Luôn yêu cầu đầy đủ CO (chứng nhận xuất xứ) và CQ (chứng nhận chất lượng) để đảm bảo nguồn gốc và chất lượng sản phẩm.
- Mua tại Mecsu – Đại lý ủy quyền MS-PRO tại Việt Nam: Mecsu tự hào là nhà phân phối chính hãng MS-PRO tại Việt Nam, cam kết cung cấp phe gài trục Thép 65Mn D200x4.0 chính hãng và các loại phe gài khác với nhiều lợi ích vượt trội:
- 100% sản phẩm chính hãng: Đảm bảo nguồn gốc rõ ràng, đầy đủ chứng từ. Chúng tôi cam kết hoàn tiền 100% hoặc đổi trả nếu sản phẩm không phải chính hãng.
- Chính sách bảo hành minh bạch: Hỗ trợ đổi trả nếu có lỗi từ nhà sản xuất, mang lại sự an tâm tuyệt đối cho khách hàng.
- Hỗ trợ kỹ thuật chuyên sâu: Đội ngũ kỹ sư giàu kinh nghiệm sẵn sàng hỗ trợ bạn về kỹ thuật và lựa chọn sản phẩm phù hợp nhất cho mọi ứng dụng.
- Giá cả cạnh tranh: Đảm bảo mức giá tốt nhất đi kèm chất lượng, với chính sách chiết khấu hấp dẫn cho đơn hàng số lượng lớn, đặc biệt khi mua số lượng lớn.
MUA THÊM NHIỀU LOẠI PHE GÀI CHÍNH HÃNG KHÁC TẠI MECSU
11. FAQ về Phe Gài Trục Thép 65Mn DIN471
a. Phe gài trục Thép 65Mn có dễ bị gỉ sét không?
Vật liệu Thép 65Mn có khả năng chống gỉ sét ở mức độ nhất định. Tuy nhiên, trong môi trường ẩm ướt hoặc hóa chất, phe gài có thể bị ăn mòn. Để kéo dài tuổi thọ, nên sử dụng các loại phe gài có lớp phủ chống ăn mòn hoặc bảo quản ở nơi khô ráo.
b. Kích thước phe gài có ảnh hưởng đến khả năng chịu lực không?
Có. Độ dày và đường kính phe gài ảnh hưởng trực tiếp đến khả năng chịu tải. Phe gài D200x4.0 được thiết kế để chịu tải trọng hướng trục đáng kể trên trục có đường kính 200mm.
c. Tôi có thể tái sử dụng phe gài sau khi tháo ra không?
Nói chung, phe gài chất lượng cao như phe gài MS-PRO có thể được tái sử dụng nếu quá trình tháo lắp được thực hiện đúng cách và phe gài không bị biến dạng. Tuy nhiên, đối với các ứng dụng quan trọng, cần đảm bảo an toàn tuyệt đối, nên thay thế phe gài mới để đảm bảo hiệu suất tốt nhất.
d. Mua phe gài trục Thép 65Mn chính hãng ở đâu tại TP.HCM?
Bạn nên mua từ nhà phân phối uy tín như Mecsu. Chúng tôi cam kết cung cấp sản phẩm chính hãng, có nguồn gốc rõ ràng, đầy đủ chứng từ CO, CQ. Đây là cách chắc chắn nhất để đảm bảo chất lượng sản phẩm.
e. Khi nào cần thay thế phe gài trục?
Bạn nên thay thế phe gài khi nhận thấy các dấu hiệu sau:
- Phe gài bị biến dạng vật lý: Có dấu hiệu cong vênh, rạn nứt, hoặc móp méo.
- Mất độ đàn hồi: Phe gài không co lại hoặc nở ra đúng cách sau khi tháo ra.
- Rãnh trên trục bị hỏng hoặc mòn: Khi đó, phe gài không thể bám chặt vào rãnh.
Kinh nghiệm từ các kỹ sư Mecsu: Việc kiểm tra định kỳ bằng mắt thường và cảm nhận độ đàn hồi có thể giúp phát hiện sớm các dấu hiệu cần thay thế, tránh gây hư hại nghiêm trọng hơn cho toàn bộ hệ thống. Đừng ngần ngại liên hệ chúng tôi để được hỗ trợ kỹ thuật về lắp đặt hoặc thay thế phe gài kịp thời.
f. Mua phe gài trục Thép 65Mn chính hãng, uy tín ở đâu tại TP.HCM?
Mua phe gài trục Thép 65Mn chính hãng và đảm bảo chất lượng tại TP.HCM, bạn hãy liên hệ ngay với Mecsu. Chúng tôi tự hào là nhà cung cấp uy tín, chuyên phân phối các sản phẩm MS-PRO chính hãng tại Việt Nam.
- Cam kết chất lượng: 100% sản phẩm có nguồn gốc rõ ràng, đầy đủ chứng từ CO, CQ. Chúng tôi cam kết hoàn tiền 100% hoặc đổi trả nếu sản phẩm không phải chính hãng.
- Giá cả cạnh tranh: Đảm bảo mức giá tốt nhất đi kèm chất lượng, với chính sách chiết khấu hấp dẫn cho đơn hàng số lượng lớn.
- Tư vấn chuyên sâu: Đội ngũ kỹ sư giàu kinh nghiệm sẵn sàng hỗ trợ bạn về kỹ thuật và lựa chọn sản phẩm phù hợp nhất.
- Chính sách hậu mãi: Đảm bảo quyền lợi tối đa cho khách hàng với dịch vụ hỗ trợ nhanh chóng, tận tâm.
12. Liên Hệ và Hỗ Trợ Tư Vấn Mua Phe Gài
Nếu bạn có bất kỳ thắc mắc nào về phe gài trục Thép 65Mn hoặc cần tư vấn về giải pháp phe gài cho ứng dụng cụ thể của mình, đừng ngần ngại liên hệ với đội ngũ chuyên gia của Mecsu. Chúng tôi luôn sẵn lòng hỗ trợ bạn tìm ra sản phẩm phù hợp và tối ưu nhất, đồng thời cung cấp những kiến thức độc quyền về kỹ thuật bảo trì mà bạn khó tìm thấy ở nơi khác.
Địa chỉ: B28/I – B29/I Đường số 2B, KCN Vĩnh Lộc, P. Bình Hưng Hòa B, Q. Bình Tân, TP.HCM
Hotline: 1800 8137
Email: [email protected]
Website: mecsu.vn
13. Thông Tin Bổ Sung & Kinh Nghiệm Thực Tế Từ Mecsu
a. Kinh Nghiệm Thực Tế & Câu Chuyện Thành Công
Tại Mecsu, chúng tôi tự hào là đối tác tin cậy của nhiều doanh nghiệp trong việc cung cấp các giải pháp phe gài chất lượng cao. “Phe gài trục Thép 65Mn D200x4.0”, với đặc tính chịu tải tốt và độ đàn hồi vượt trội, đã được ứng dụng trong nhiều dự án quan trọng của khách hàng chúng tôi tại “TP. Hồ Chí Minh” và các tỉnh lân cận, mang lại hiệu quả vượt trội và là minh chứng cho chất lượng sản phẩm cùng kinh nghiệm thực tế của đội ngũ Mecsu:
- Ngành sản xuất máy bơm công nghiệp: Chúng tôi đã cung cấp phe gài trục D200x4.0 cho một nhà sản xuất máy bơm lớn tại Bình Dương. Nhờ khả năng cố định chắc chắn các chi tiết trên trục, phe gài này đã góp phần đáng kể vào việc nâng cao hiệu suất và độ tin cậy của máy bơm, đồng thời giảm thiểu rủi ro sự cố do các chi tiết bị dịch chuyển.
- Lĩnh vực chế tạo máy công cụ: Phe gài trục D200x4.0 được lựa chọn cho các ứng dụng máy tiện, máy phay cần chịu tải trọng và rung động đáng kể. Độ tin cậy vượt trội của phe gài chính hãng đã giúp máy móc hoạt động ổn định trong thời gian dài.
- Thiết bị truyền động trong ngành khai thác mỏ: Một khách hàng chuyên sản xuất thiết bị khai thác đã ứng dụng phe gài trục này vào các bộ phận trục quay chính. Độ bền và khả năng chịu lực của phe gài đã giúp máy móc hoạt động ổn định và kéo dài tuổi thọ trong môi trường khắc nghiệt.
b. Trích Dẫn Chuyên Gia
“Phe gài trục Thép 65Mn DIN471 D200x4.0 là một lựa chọn tuyệt vời cho các ứng dụng công nghiệp cần sự cân bằng hoàn hảo giữa khả năng chịu tải, độ bền và độ tin cậy. Vật liệu Thép 65Mn mang lại lợi thế về độ đàn hồi và độ cứng, rất phù hợp cho những hệ thống mà các chi tiết máy cần được cố định chắc chắn. Đây là giải pháp đáng tin cậy và hiệu quả cho nhiều loại máy móc trong môi trường công nghiệp.”
— “Kỹ sư cơ khí Chuyên gia kỹ thuật Mecsu” (TP. Hồ Chí Minh) – Với hơn 10 năm kinh nghiệm trong lĩnh vực “linh kiện cơ khí công nghiệp”.
c. Tài Liệu Tham Khảo và Nghiên Cứu
Nội dung bài viết này được biên soạn dựa trên các tài liệu kỹ thuật chính thức và đáng tin cậy từ MS-PRO, cùng với kinh nghiệm thực tế chuyên sâu của đội ngũ kỹ sư Mecsu, đảm bảo tính chính xác, cập nhật và chuyên môn cao:
- MS-PRO Product Catalog (Danh mục sản phẩm MS-PRO chính thức) – Nguồn dữ liệu kỹ thuật chi tiết nhất về phe gài.
- Tài liệu kỹ thuật DIN 471 – Cung cấp cái nhìn toàn diện về tiêu chuẩn này.
- Bảng dữ liệu kỹ thuật (Datasheet) chi tiết của Phe gài trục Thép 65Mn DIN471 D200x4.0 – Nguồn thông số kỹ thuật chính xác.
- Trải nghiệm thực tế và phản hồi từ các dự án khách hàng của Mecsu – Dữ liệu độc nhất được thu thập từ hơn 10 năm cung cấp linh kiện cơ khí và giải pháp cho các doanh nghiệp tại Việt Nam.
Biên soạn bởi: Đội ngũ Kỹ sư Mecsu
Với hơn 10 năm kinh nghiệm chuyên sâu trong lĩnh vực phân phối và tư vấn giải pháp linh kiện cơ khí, đội ngũ kỹ sư của Mecsu cam kết mang đến những thông tin chính xác, cập nhật và hữu ích nhất, giúp quý khách hàng đưa ra lựa chọn sản phẩm tối ưu cho mọi ứng dụng.
(Xem thêm thông tin về chúng tôi tại Website Mecsu)
Lưu ý: Hình ảnh sản phẩm có thể khác biệt so với thực tế tùy theo lô sản xuất của MS-PRO. Vui lòng tham khảo thông số kỹ thuật chi tiết hoặc liên hệ Mecsu để có thông tin chính xác nhất về sản phẩm.


















Đánh giá
Chưa có đánh giá nào.