Mô tả sản phẩm
Review Tán Keo (Đai Ốc Khóa) Inox 304 M3 tiêu chuẩn DIN 985: Siêu nhỏ gọn, Chống ăn mòn, Khóa ren tuyệt đối
Mục Lục Nội Dung
- 1. Tổng quan về Tán Keo Inox 304 DIN985 M3
- 2. Bảng thông số kỹ thuật Đai ốc khóa nhựa M3 tại Mecsu
- 3. Cấu tạo đặc biệt của Tán Keo (Nylon Insert Lock Nut)
- 4. Giải mã thông số kỹ thuật: M3, Bước ren 0.5mm và DIN 985
- 5. Tại sao nên chọn Inox 304 cho đai ốc khóa?
- 6. Nguồn gốc xuất xứ và tiêu chuẩn chất lượng
- 7. Ưu điểm và nhược điểm của tán keo so với tán thường
- 8. Ứng dụng thực tế: Từ vi mạch điện tử đến robot thông minh
- 9. So sánh Tán Keo và Long đền vênh (Vòng đệm lò xo)
- 10. Hướng dẫn lắp đặt tán keo M3 đúng kỹ thuật
- 11. Cách kiểm tra vật liệu Inox 304 chuẩn
- 12. Cập nhật giá bán Tán Keo Inox 304 M3 & Địa chỉ mua hàng
- 13. Những câu hỏi thường gặp (FAQ) về Đai ốc hãm nhựa
- 14. Kênh tư vấn và hỗ trợ đặt hàng tại Mecsu
- 15. Mẹo tái sử dụng tán keo (Khuyến cáo chuyên gia)
1. Tổng quan về Tán Keo Inox 304 DIN985 M3
Tán Keo Inox 304 DIN985 M3 (hay còn gọi là Đai ốc tự hãm nhựa, Ê-cu khóa, Nylon Insert Lock Nut) là linh kiện cơ khí quan trọng được dùng để tạo ra các liên kết cố định không bị lỏng lẻo. Điểm khác biệt lớn nhất là khả năng triệt tiêu tình trạng tự tháo của đai ốc khi thiết bị phải làm việc trong điều kiện rung lắc liên tục.
Với kích cỡ mini M3 và chế tác từ vật liệu thép không gỉ SUS304, sản phẩm mang tới sự an tâm tuyệt đối về độ bền kéo, tính thẩm mỹ sáng bóng và khả năng chống chịu oxy hóa trong nhiều điều kiện môi trường khác nhau.
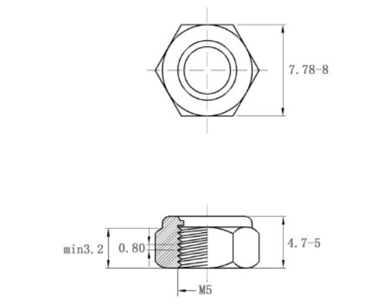
2. Bảng thông số kỹ thuật Đai ốc khóa nhựa M3 tại Mecsu
Để hỗ trợ việc tính toán kỹ thuật và lựa chọn vật tư chính xác, mời quý khách tham khảo bảng chi tiết sau:
| Đặc tính kỹ thuật | Thông số chi tiết |
|---|---|
| Mã đặt hàng (SKU) | 0043193 |
| Mã MPN | N03M0301H00 |
| Tiêu Chuẩn Sản Xuất | DIN 985 (Tiêu chuẩn kỹ thuật Đức) |
| Size Ren | M3 (Đường kính danh nghĩa 3mm) |
| Bước Ren | 0.5 mm (Hệ ren thô tiêu chuẩn) |
| Size Khóa (Cờ lê) | 5.5 mm |
| Độ Dày Tổng | 4 mm |
| Vật Liệu | Inox 304 (Thép không gỉ) kèm vòng nhựa Nylon |
| Phân Loại | Tán Keo / Đai ốc hãm nylon |
| Ngành Hàng Ứng Dụng | Đóng Tàu – Dầu Khí – Điện Tử – Robot |
| Xuất Xứ | Trung Quốc |
3. Cấu tạo đặc biệt của Tán Keo (Nylon Insert Lock Nut)
Mẫu tán keo M3 có thiết kế thông minh vượt trội so với các loại ê-cu lục giác thông thường nhờ sự phối hợp giữa hai thành phần:
- Lớp vỏ kim loại: Chế tạo từ Inox 304 cứng cáp, hình lục giác đều với kích thước cờ lê 5.5mm. Đây là phần chịu tải trọng chính của mối nối ren.
- Vòng đệm Nylon bên trong: Một vòng nhựa chuyên dụng được ép cố định phía trên đỉnh đai ốc. Đường kính của vòng nhựa này được tính toán nhỏ hơn đỉnh ren bu lông.
Nguyên lý hãm ren: Khi thực hiện thao tác vặn, ren của bu lông sẽ đi qua phần kim loại trước khi chạm vào vòng nhựa. Do vòng nhựa chưa có ren, lực vặn sẽ ép bu lông tự định hình ren trên nhựa. Quá trình này tạo ra lực ma sát rất lớn và độ bám dính cao, giúp đai ốc không bị xoay ngược dù chịu tác động của lực chấn động mạnh.
4. Giải mã thông số kỹ thuật: M3, Bước ren 0.5mm và DIN 985
Việc nắm rõ các ký hiệu kỹ thuật giúp bạn chọn mua đúng loại phụ kiện cho dự án:
- M3: Biểu thị đường kính của lỗ ren là 3mm. Loại tán này chỉ dùng được cho bu lông hoặc thanh ren size M3 tương ứng.
- Bước ren 0.5mm: Khoảng cách giữa các vòng ren là 0.5mm. Đây là bước ren thô tiêu chuẩn quốc tế cho kích thước M3.
- DIN 985: Quy định về chiều cao, độ rộng lục giác và các sai số kỹ thuật theo tiêu chuẩn công nghiệp của Đức, đảm bảo lắp vừa với mọi công cụ tiêu chuẩn.
5. Tại sao nên chọn Inox 304 cho đai ốc khóa?
Sử dụng mã hàng N03M0301H00 bằng chất liệu Inox 304 đem lại những lợi thế rõ rệt:
- Kháng ăn mòn tuyệt đối: Inox 304 có khả năng chống rỉ sét cực tốt trong điều kiện độ ẩm cao hoặc tiếp xúc với hóa chất nhẹ, vượt xa thép mạ kẽm.
- Độ bền bỉ theo năm tháng: Không bị giòn hóa hay mục nát dưới tác động của thời tiết khắc nghiệt.
- Độ sạch và thẩm mỹ: Bề mặt luôn giữ được độ sáng bóng tự nhiên, không để lại vết rỉ sét bám bẩn lên thiết bị, đặc biệt quan trọng trong ngành điện tử và y tế.
6. Nguồn gốc xuất xứ và tiêu chuẩn chất lượng
Mecsu tuyển chọn và nhập khẩu dòng tán keo M3 từ các đối tác sản xuất hàng đầu tại Trung Quốc. Mỗi lô hàng đều được kiểm soát gắt gao về thành phần hóa học của Inox 304 và độ chính xác của bước ren theo DIN 985. Sự đồng bộ về chất lượng giúp giảm thiểu rủi ro hỏng hóc cho các thiết bị máy móc giá trị cao của người dùng.
7. Ưu điểm và nhược điểm của tán keo so với tán thường
Ưu điểm:
- Độ bám cực tốt: Khóa chặt mối nối mà không cần dùng đến các dung dịch keo dán ren chuyên dụng.
- Tiết kiệm không gian: Thay thế cho combo tán thường + long đền vênh, giúp mối ghép gọn gàng hơn.
- Bảo vệ ren bu lông: Vòng nhựa êm ái hơn các loại long đền răng cưa, tránh làm hỏng ren của bu lông khi siết.
Nhược điểm:
- Yêu cầu công cụ hỗ trợ: Ngay khi ren chạm vòng nhựa, bạn không thể dùng tay vặn mà phải sử dụng cờ lê hoặc đầu tuýp 5.5mm.
- Giới hạn về nhiệt: Vì chứa chi tiết nhựa Nylon, sản phẩm không phù hợp làm việc trong môi trường nhiệt độ vượt quá 120 độ C.
8. Ứng dụng thực tế: Từ vi mạch điện tử đến robot thông minh
Khác biệt với các dòng tán lớn, Tán Keo M3 Inox 304 thường xuất hiện trong các chi tiết máy đòi hỏi sự tinh vi và độ chính xác cao:
- Lắp ráp thiết bị điện tử: Cố định các bản mạch PCB, khung vỏ máy tính hoặc máy chủ (server), nơi các quạt tản nhiệt tạo ra độ rung liên tục.
- Chế tạo Drone và Flycam: Đây là bộ phận hãm ren lý tưởng để giữ chặt các cánh tay và motor của máy bay không người lái, đảm bảo chúng không bị rơi ra khi đang vận hành ở tốc độ cao.
- Robot học và tự động hóa: Sử dụng trong các khớp nối nhỏ của robot hoặc các hệ thống băng chuyền mini trong nhà máy.
- Công nghệ in 3D: Giúp cố định các trục dẫn hướng và bộ đùn nhựa, đảm bảo độ ổn định cho quá trình in kéo dài nhiều giờ đồng hồ.
- Dụng cụ đo lường chính xác: Nhờ chất liệu Inox 304 sạch sẽ và không rỉ sét, sản phẩm rất được ưa chuộng trong các thiết bị phòng thí nghiệm.
9. So sánh Tán Keo và Long đền vênh (Vòng đệm lò xo)
| Đặc điểm | Tán Keo M3 (Nylon Nut) | Tán M3 thường + Long đền vênh |
|---|---|---|
| Khả năng chống lỏng | Vượt trội nhờ lực ôm sát của nhựa | Cơ bản thông qua lực nén lò xo |
| Độ gọn nhẹ | Tối ưu (chỉ dùng 1 chi tiết) | Cồng kềnh hơn (cần 2 chi tiết) |
| Tính thẩm mỹ | Cao, mối ghép phẳng sạch | Trung bình, long đền có thể bị lộ ra |
| Độ khó khi lắp | Cần dụng cụ từ đầu hành trình hãm | Có thể vặn tay gần hết mới siết |
Lời khuyên: Đối với các mối nối cần sự chắc chắn tuyệt đối trong thời gian dài, Tán Keo là phương án đầu tư xứng đáng nhất.
10. Hướng dẫn lắp đặt tán keo M3 đúng kỹ thuật
Quy trình lắp đặt chuẩn giúp kéo dài tuổi thọ mối ghép:
- Bước 1: Xỏ bu lông qua lỗ cần ghép và vặn tán keo vào. Khi cảm thấy bắt đầu nặng tay (ren bu lông chạm vào vòng nhựa), hãy dừng vặn bằng tay.
- Bước 2: Sử dụng cờ lê hoặc đầu tuýp size 5.5mm. Xoay từ từ và đều tay để bu lông tự tạo ren trên lớp nylon.
- Bước 3: Siết cho đến khi mặt dưới của tán ép sát vào bề mặt cần liên kết. Đảm bảo bu lông nhô ra khỏi mặt tán ít nhất 2 bước ren để đạt hiệu quả khóa hãm tốt nhất.
11. Cách kiểm tra vật liệu Inox 304 chuẩn
Để đảm bảo bạn đang mua đúng hàng Inox 304 chất lượng cao:
- Thử nghiệm bằng dung dịch: Sử dụng các loại thuốc thử Inox chuyên dụng. Inox 304 sẽ không đổi màu hoặc chỉ hơi xám, khác hoàn toàn với Inox 201 sẽ chuyển sang đỏ đậm.
- Đặc tính từ tính: Mặc dù Inox 304 về bản chất không nhiễm từ, nhưng sau quá trình dập nóng hoặc cán nguội tạo hình đai ốc M3, nó có thể hít nam châm rất nhẹ. Đây là hiện tượng bình thường do biến đổi cấu trúc tinh thể trong quá trình gia công cơ khí.
12. Cập nhật giá bán Tán Keo Inox 304 M3 & Địa chỉ mua hàng
a. Giá bán ưu đãi tại Mecsu: 264 đ / Cái
Chỉ với một mức chi phí rất nhỏ, bạn đã có thể bảo vệ hệ thống máy móc của mình khỏi những rủi ro tự tháo lỏng nguy hiểm.
b. Vì sao khách hàng tin chọn Mecsu?
- Nguồn hàng dồi dào: Luôn sẵn kho số lượng lớn cho mọi dự án.
- Kích thước chuẩn xác: Đầy đủ dải sản phẩm từ M2 đến M30.
- Cam kết dịch vụ: Tiêu chí Nhanh – Đúng – Đủ – Kịp thời là kim chỉ nam trong mọi đơn hàng.
XEM THÊM CÁC DÒNG TÁN KÉO INOX KHÁC TẠI MECSU
13. Những câu hỏi thường gặp (FAQ) về Đai ốc hãm nhựa
13.1. Tuổi thọ tái sử dụng của tán keo M3 là bao lâu?
Trên lý thuyết, đai ốc hãm nylon được thiết kế để sử dụng một lần. Tuy nhiên, trong thực tế bạn có thể tái sử dụng khoảng 2-3 lần cho các mối lắp không quá quan trọng. Lưu ý rằng mỗi lần tháo ra, ren bu lông đã cắt mất một phần nhựa, khiến lực ma sát giảm đi đáng kể. Đối với các thiết bị chịu rung động mạnh như máy bay mô hình, chuyên gia khuyên bạn nên thay mới hoàn toàn sau mỗi lần bảo trì.
13.2. Tại sao tôi không thể vặn tán keo M3 bằng tay?
Đây không phải là lỗi sản phẩm mà là đặc tính kỹ thuật bắt buộc. Mục đích của tán keo là tạo ra lực kháng để chống trôi ren. Nếu bạn có thể dễ dàng vặn tán vào bằng tay qua hết hành trình thì lớp nhựa hãm đã bị hỏng hoặc kích cỡ không tương thích, lúc đó tán sẽ không còn tác dụng chống tự tháo.
13.3. Khả năng chịu nhiệt của đai ốc khóa nylon M3 như thế nào?
Vì thành phần hãm là nhựa Nylon, sản phẩm chỉ hoạt động tốt nhất ở nhiệt độ dưới 120 độ C. Nếu bạn lắp đặt ở những vị trí tỏa nhiệt cao như gần động cơ đốt trong hoặc đầu đùn máy in 3D, vòng nhựa có thể bị chảy dẻo và mất hoàn toàn khả năng khóa ren.
14. Kênh tư vấn và hỗ trợ đặt hàng tại Mecsu
Quý khách cần hỗ trợ báo giá sỉ hoặc tư vấn kỹ thuật chuyên sâu vui lòng liên hệ:
Văn phòng: B28/I – B29/I Đường số 2B, KCN Vĩnh Lộc, P. Bình Hưng Hòa B, Q. Bình Tân, TP.HCM
Tổng đài: 1800 8137
Thư điện tử: [email protected]
Cổng thông tin: mecsu.vn
15. Mẹo tái sử dụng tán keo (Khuyến cáo chuyên gia)
Khi lắp đặt các dòng tán kích thước nhỏ như M3, bạn nên tuyệt đối tránh việc sử dụng máy vặn vít có búa (Impact Driver) với tốc độ vòng quay quá cao. Ma sát tức thời cực lớn sẽ sinh nhiệt làm nóng chảy lớp nhựa nylon ngay lập tức trước khi nó kịp ôm khít ren bu lông. Cách tốt nhất là siết bằng tay với cờ lê hoặc đầu tuýp 5.5mm để cảm nhận lực và bảo vệ vòng khóa nhựa bền bỉ hơn.










Đánh giá
Chưa có đánh giá nào.