Mô tả sản phẩm
Đánh Giá Kỹ Thuật Tán Keo Thép Mạ Kẽm 4.8 DIN985 M5 Chống Tự Tháo
Mục Lục
- 1. Tán Keo Thép Mạ Kẽm 4.8 DIN985 M5 là gì và tính năng hãm ren?
- 2. Bảng thông số kỹ thuật chi tiết của Đai Ốc Khóa M5
- 3. Thiết kế cấu tạo và quy chuẩn kỹ thuật của Đai Ốc M5
- 4. Đặc tính vật liệu thép cấp bền 4.8 và lớp phủ kẽm bảo vệ?
- 5. Cơ chế tạo lực hãm của vòng đệm Nylon bên trong Tán M5
- 6. Các dòng đai ốc chống tháo phổ biến trên thị trường hiện nay?
- 7. Phân tích ưu thế và các lưu ý quan trọng khi dùng Tán DIN985
- 8. Những ứng dụng thực tế tối ưu cho kích cỡ Tán Keo M5?
- 9. Ngưỡng chịu nhiệt và tác động môi trường tới lớp nhựa khóa
- 10. Hướng dẫn lắp đặt chuẩn xác để đạt lực khóa ren tối đa
- 11. Cách nhận biết Tán Keo Thép 4.8 chất lượng cao và hàng kém bền?
- 12. Chính sách giá và hệ thống phân phối vật tư Mecsu tin cậy?
- 13. Các câu hỏi thường gặp về Đai Ốc Khóa Thép Mạ Kẽm DIN985 M5
- 14. Giải pháp lắp xiết và dịch vụ hỗ trợ kỹ thuật chuyên sâu tại Mecsu
- 15. Thông Tin Bổ Sung và kinh nghiệm xử lý thực tế từ hiện trường
1. Tán Keo Thép Mạ Kẽm 4.8 DIN985 M5 là gì và tính năng hãm ren?
Tán Keo Thép Mạ Kẽm 4.8 DIN985 M5, hay còn được gọi là đai ốc tự khóa nylon, là một linh kiện cơ khí thông minh được thiết kế để loại bỏ rủi ro tự nới lỏng của mối nối. Khác biệt hoàn toàn với đai ốc lục giác tiêu chuẩn, sản phẩm này tích hợp một vòng nhựa polymer đặc biệt ở phần đỉnh để tạo ra lực ma sát cưỡng bức lên ren bu lông.
Với đường kính ren M5, linh kiện được sản xuất dựa trên hệ tiêu chuẩn DIN 985 nghiêm ngặt. Đây là lựa chọn hàng đầu cho các kết cấu thường xuyên chịu rung chấn hoặc chuyển động tuần hoàn, nơi mà các loại đai ốc thường rất dễ bị xoay ra ngoài theo thời gian, gây mất an toàn cho toàn bộ hệ thống máy móc.
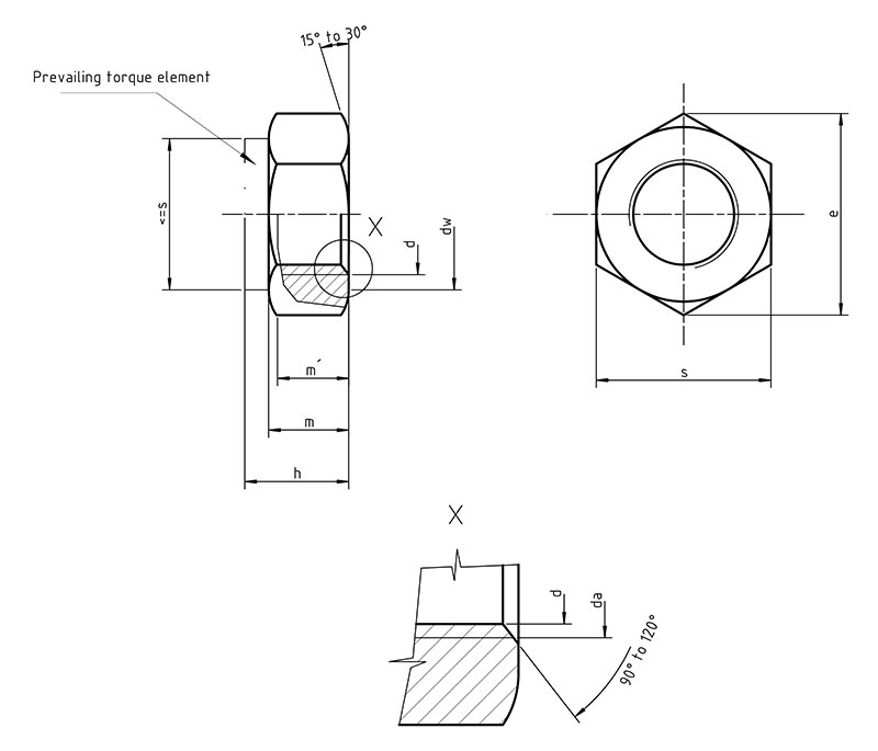
2. Bảng thông số kỹ thuật chi tiết của Đai Ốc Khóa M5
D: Đường kính ren trong (5mm)
S: Kích thước cạnh lục giác khóa vặn (8mm)
H: Độ dày tổng thể đai ốc (5mm)
| Hạng mục thông tin | Chi tiết kỹ thuật |
|---|---|
| Mã đơn hàng Mecsu | 0055060 |
| Mã linh kiện (MPN) | N03M0501A21 |
| Size Ren (D) | M5 |
| Bước ren (Thô) | 0.8 mm |
| Khóa vặn (S) | 8 mm |
| Độ dày (H) | 5 mm |
| Cấp bền vật liệu | Thép 4.8 |
| Lớp phủ bề mặt | Mạ kẽm (Zinc Plated) |
| Quy chuẩn kỹ thuật | DIN 985 |
| Nguồn gốc | Trung Quốc |
| Đơn giá niêm yết | 80 đ / Cái |
3. Thiết kế cấu tạo và quy chuẩn kỹ thuật của Đai Ốc M5
Sự kết hợp giữa kim loại và nhựa trong Tán Keo M5 tạo nên một cơ cấu khóa bền vững:
- Thân lục giác thép: Được gia công từ thép carbon thấp cấp bền 4.8, thiết kế 6 cạnh chuẩn xác giúp tương thích hoàn hảo với các loại cờ lê hay đầu tuýp 8mm.
- Vòng hãm Nylon: Một vòng polymer có độ đàn hồi cao được ép chặt vào vành trên của tán. Đường kính trong của vòng nhựa này nhỏ hơn ren chính, làm nhiệm vụ bám chặt lấy ren bu lông khi đi qua.
- Ren trong hệ Met: Bước ren 0.8mm được cán chính xác cao, giúp quá trình bắt đầu vặn thuận tiện và trơn tru.
Với độ dày 5mm, đai ốc M5 cung cấp sự cân bằng giữa khả năng chịu tải của các bước ren thép và hiệu quả khóa ren của vòng nhựa phía trên.
4. Đặc tính vật liệu thép cấp bền 4.8 và lớp phủ kẽm bảo vệ?
Lựa chọn thép 4.8 mạ kẽm cho tán M5 mang lại nhiều lợi thế cho các ứng dụng công nghiệp nhẹ và dân dụng:
- Độ bền tiêu chuẩn 4.8: Cung cấp khả năng chịu lực kéo và lực cắt ổn định cho các mối nối không đòi hỏi cường độ chịu tải quá cao, hạn chế tình trạng giòn gãy dưới áp lực siết.
- Lớp mạ kẽm điện phân: Tạo bề mặt sáng bóng màu trắng xanh, không chỉ tăng tính thẩm mỹ cho máy móc mà còn ngăn ngừa sự hình thành rỉ sét trong môi trường độ ẩm thông thường.
- Tính kinh tế: Đây là dòng vật liệu có chi phí tối ưu nhất, phù hợp cho việc sản xuất hàng loạt trong nhiều ngành công nghiệp khác nhau.
5. Cơ chế tạo lực hãm của vòng đệm Nylon bên trong Tán M5
Nguyên lý vận hành của tán keo M5 dựa trên sự biến dạng đàn hồi của nhựa để kẹp chặt bu lông:
- Khi bu lông được đưa vào, nó sẽ đi qua các ren thép dễ dàng. Tuy nhiên, khi chạm tới vòng nhựa nylon, người dùng sẽ cảm thấy nặng tay hơn.
- Ren của bu lông sẽ nén và ép chặt vào vòng nhựa, buộc nhựa phải biến dạng ôm khít lấy từng khe ren.
- Chính áp lực này tạo ra ma sát cực lớn, duy trì vị trí của đai ốc ngay cả khi mối nối chịu rung động liên tục hoặc tải trọng thay đổi đột ngột.
6. Các dòng đai ốc chống tháo phổ biến trên thị trường hiện nay?
Người dùng có thể phân loại đai ốc khóa dựa trên đặc điểm hình dáng và môi trường làm việc:
Phân loại theo tiêu chuẩn kích thước:
- DIN 985 (Tán keo mỏng): Đây là dòng phổ biến nhất nhờ thiết kế nhỏ gọn, tiết kiệm diện tích lắp đặt nhưng vẫn đảm bảo lực hãm an toàn.
- DIN 982 (Tán keo dày): Có chiều cao lớn hơn, dùng cho các ứng dụng đòi hỏi nhiều bước ren thép hơn để tăng cường độ chịu lực.
Phân loại theo cơ cấu hãm:
- Đai ốc khóa nylon: Sử dụng vòng nhựa, cực kỳ hiệu quả trong điều kiện nhiệt độ thường và giá thành rẻ.
- Đai ốc khóa kim loại (All-metal lock nut): Sử dụng thiết kế ren biến dạng hoàn toàn bằng thép, chuyên dùng cho các khu vực nhiệt độ cao nơi nhựa bị nóng chảy.
7. Phân tích ưu thế và các lưu ý quan trọng khi dùng Tán DIN985
Tán keo M5 là giải pháp thay thế hoàn hảo cho các phương pháp khóa ren truyền thống:
Ưu điểm vượt trội:
- Không cần phụ kiện đi kèm: Loại bỏ nhu cầu sử dụng long đền vênh hoặc các loại dung dịch keo khóa ren thủ công.
- Bảo vệ bề mặt ren: Nhựa nylon mềm dẻo giúp bám chặt mà không làm xước hay hư hại bề mặt ren của bu lông inox hoặc thép mạ.
- Hiệu quả rung động: Giữ chặt mối liên kết trong thời gian dài mà không bị nới lỏng bởi chấn động máy móc.
Lưu ý khi sử dụng:
- Tính tái sử dụng: Mỗi lần tháo ra và lắp lại, vòng nhựa sẽ bị mòn dần, làm giảm đi đáng kể lực ma sát khóa ren ban đầu.
- Giới hạn nhiệt độ: Không sử dụng ở những vị trí có nhiệt độ làm việc quá cao vì sẽ làm hỏng vòng nhựa nylon bên trong.
8. Những ứng dụng thực tế tối ưu cho kích cỡ Tán Keo M5?
Với kích thước tầm trung M5, đai ốc khóa này được ứng dụng rộng rãi trong các lĩnh vực:
- Sản xuất xe điện và xe đạp: Cố định các bộ phận chắn bùn, giá đỡ bình điện và hệ thống phanh nơi thường xuyên chịu rung chấn từ mặt đường.
- Lắp ráp hệ thống điện mặt trời: Giữ chặt các khung nhôm tản nhiệt hoặc các bộ phận giá đỡ tấm pin quy mô nhỏ.
- Thiết bị gia dụng cao cấp: Sử dụng trong các bộ phận chuyển động của máy chạy bộ, quạt công nghiệp hoặc hệ thống treo kệ bếp inox.
- Ngành nội thất thông minh: Cố định các khớp nối của bàn ghế lắp ghép hoặc các loại tủ locker sắt cần sự chắc chắn tuyệt đối.
- Mô hình cơ khí chính xác: Lắp ráp các khung máy CNC mini, máy in 3D khổ lớn và các robot giáo dục.
9. Ngưỡng chịu nhiệt và tác động môi trường tới lớp nhựa khóa
Một yếu tố quan trọng khi sử dụng Tán Keo DIN 985 là nhiệt độ làm việc. Vòng nhựa nylon bắt đầu mất dần tính đàn hồi khi nhiệt độ vượt quá 100 độ C và có thể bị biến dạng hoàn toàn ở mức trên 120 độ C. Khi nhựa bị chảy hoặc hỏng, lực hãm sẽ biến mất và đai ốc sẽ trở lại trạng thái như một loại đai ốc thường. Do đó, người dùng cần đảm bảo nhiệt độ môi trường quanh mối nối nằm trong ngưỡng an toàn để sản phẩm phát huy tối đa công dụng.
10. Hướng dẫn lắp đặt chuẩn xác để đạt lực khóa ren tối đa
Lắp đặt đúng kỹ thuật giúp tán keo M5 phát huy tối đa hiệu quả chống tự tháo:
Các bước thi công:
- Sử dụng đúng công cụ: Luôn ưu tiên đầu tuýp 8mm hoặc cờ lê vòng để siết, tránh dùng kìm vặn gây biến dạng cạnh lục giác.
- Vặn tay ban đầu: Xoay đai ốc vào bu lông cho tới khi phần ren thép khớp hoàn toàn và bắt đầu chạm vào vòng nhựa.
- Siết khóa ren: Dùng dụng cụ để tiếp tục vặn qua lớp nhựa. Bạn sẽ cảm thấy lực cản tăng lên, hãy siết cho đến khi đai ốc áp sát bề mặt chi tiết cần liên kết.
Mẹo kỹ thuật:
- Kiểm tra độ nhô của bu lông: Bu lông cần dài hơn độ dày tán để phần ren nhô ra ngoài vòng nhựa ít nhất 2 đến 3 vòng ren nhằm đảm bảo lực khóa ổn định nhất.
11. Cách nhận biết Tán Keo Thép 4.8 chất lượng cao và hàng kém bền?
Để bảo vệ công trình của bạn, hãy chú ý các đặc điểm nhận dạng hàng chuẩn:
- Chất liệu vòng nhựa: Nhựa khóa chính hãng thường có màu sắc đồng nhất (xanh dương hoặc trắng), nhựa dai và cứng cáp, không bị giòn gãy hay rơi ra ngoài khi vặn.
- Độ bóng và đều màu: Lớp mạ kẽm tại Mecsu có độ phủ mịn, đều màu trắng xanh sáng bóng, không có vết thâm hay bong tróc, cho khả năng kháng oxy hóa tốt.
- Sự ăn khớp tuyệt đối: Đai ốc phải khít hoàn toàn với đầu tuýp 8mm, ren bên trong mượt mà, không có ba-via hay lỗi bước ren.
12. Chính sách giá và hệ thống phân phối vật tư Mecsu tin cậy?
a. Báo giá tham khảo: 80 đ / Cái (Giá đã gồm VAT)
Mecsu cung cấp dòng tán keo M5 với mức giá cực kỳ cạnh tranh cho các đơn vị gia công cơ khí, xưởng sản xuất nội thất và các đội thầu thi công điện. Đối với các đơn hàng số lượng lớn, chúng tôi luôn có chính sách giá sỉ ưu đãi cùng các chương trình hỗ trợ vận chuyển linh hoạt.
b. Tại sao khách hàng lựa chọn giải pháp từ Mecsu?
- NHANH: Quy trình xử lý báo giá và đơn hàng tối ưu, đảm bảo tốc độ phục vụ.
- ĐÚNG: Cam kết sản phẩm đúng cấp bền 4.8, đúng kích thước và tiêu chuẩn DIN 985.
- ĐỦ: Năng lực cung ứng dồi dào, luôn sẵn kho số lượng lớn cho mọi dự án.
- KỊP THỜI: Dịch vụ giao hàng tận tâm, bám sát tiến độ sản xuất của quý khách.
ĐẶT MUA TÁN KEO THÉP MẠ KẼM M5 TẠI ĐÂY
13. Các câu hỏi thường gặp về Đai Ốc Khóa Thép Mạ Kẽm DIN985 M5
a. Tôi có thể tháo tán keo M5 ra bằng tay không?
Không thể. Vòng nhựa nylon được thiết kế để tạo lực cản rất lớn. Bạn bắt buộc phải sử dụng dụng cụ như cờ lê hoặc đầu tuýp 8mm để vượt qua lực hãm này trong quá trình lắp và tháo.
b. Tán keo M5 có phù hợp cho các mối nối rung động cao như máy cắt cỏ không?
Hoàn toàn phù hợp. Đây là ứng dụng sở trường của tán keo M5. Vòng nhựa sẽ giữ chặt bu lông, ngăn chặn tình trạng rung chấn từ động cơ làm lỏng ốc vít, đảm bảo an toàn cho người sử dụng.
c. Tại sao tôi thấy vòng nhựa có nhiều màu sắc khác nhau (xanh, trắng, đỏ)?
Màu sắc của vòng nhựa thường do quy ước của từng nhà sản xuất hoặc đợt hàng, nó không ảnh hưởng đến khả năng hãm ren miễn là chất liệu nhựa đạt tiêu chuẩn nylon đàn hồi theo DIN 985.
d. Có cần dùng thêm long đền phẳng khi bắt tán keo M5 không?
Việc dùng thêm long đền phẳng giúp phân bổ lực ép đều lên bề mặt chi tiết, bảo vệ bề mặt không bị trầy xước. Tuy nhiên, về chức năng chống tháo thì bản thân tán keo đã thực hiện độc lập rất hiệu quả.
e. Tán keo có bị rỉ sét nhanh khi dính dầu máy không?
Ngược lại, dầu máy thường đóng vai trò như một lớp màng bảo vệ bổ sung, ngăn nước và không khí tiếp xúc với thép. Lớp mạ kẽm của tán M5 kết hợp với dầu máy sẽ cho độ bền chống rỉ rất cao.
14. Giải pháp lắp xiết và dịch vụ hỗ trợ kỹ thuật chuyên sâu tại Mecsu
Tại Mecsu, chúng tôi hiểu rằng mỗi chi tiết nhỏ đều đóng góp vào chất lượng tổng thể của dự án. Đội ngũ kỹ thuật của chúng tôi luôn sẵn sàng hỗ trợ bạn tính toán lực siết, tư vấn lựa chọn vật liệu và cung cấp các giải pháp tối ưu nhất cho từng ứng dụng cụ thể, giúp bạn tiết kiệm chi phí và nâng cao tuổi thọ công trình.
Địa chỉ kho vận: B28/I – B29/I Đường số 2B, KCN Vĩnh Lộc, P. Bình Hưng Hòa B, Q. Bình Tân, TP.HCM
Tổng đài tư vấn: 1800 8137
Email: [email protected]
Website chính thức: mecsu.vn
15. Thông Tin Bổ Sung và kinh nghiệm xử lý thực tế từ hiện trường
a. Bài học từ các dây chuyền đóng gói thực phẩm
Trong các hệ thống băng tải đóng gói, sự rung động liên tục thường làm rơi các đai ốc M5 thông thường vào sản phẩm, gây rủi ro lớn về an toàn thực phẩm. Kể từ khi các nhà máy chuyển sang sử dụng Tán Keo M5 của Mecsu, sự cố rơi ốc đã bị loại bỏ hoàn toàn, giúp dây chuyền vận hành ổn định và an tâm hơn.
b. Lời khuyên khi bảo trì máy móc
“Khi tháo máy để bảo trì, nếu bạn thấy vòng nhựa của tán keo đã bị cắt đứt hoặc không còn cảm giác nặng tay khi vặn, hãy thay thế bằng tán mới ngay lập tức. Đừng cố tận dụng lại để tránh những rủi ro lỏng ren sau khi lắp lại.” — Kỹ thuật viên bảo trì tại Mecsu.
c. Danh mục tiêu chuẩn tham chiếu
Bài viết được biên soạn dựa trên các tài liệu kỹ thuật chuẩn xác:
- Tiêu chuẩn quốc tế DIN 985 về đai ốc lục giác khóa nhựa.
- Thông số vật lý thép carbon thấp theo ISO 898-2.
- Các dữ liệu thực nghiệm về khả năng kháng rung chấn từ phòng Lab.
Biên tập bởi: Đội ngũ Kỹ thuật Mecsu
Chúng tôi cam kết cung cấp những thông tin kỹ thuật hữu ích nhất, đồng hành cùng sự vững chắc của mọi công trình.
(Khám phá thêm các giải pháp linh kiện lắp xiết tại Trang chủ Mecsu)
Ghi chú: Hình ảnh sản phẩm chỉ mang tính minh họa. Màu sắc của vòng nylon có thể thay đổi theo lô hàng nhưng chất lượng và kích thước luôn đảm bảo theo tiêu chuẩn DIN 985.










Đánh giá
Chưa có đánh giá nào.